Va bene.
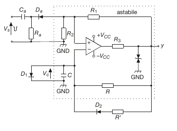
Allora la soluzione che proporrei, per il multivibratore monostabile, è quella che riporto in figura.

- fig1.png (11.18 KiB) Osservato 7007 volte
Il funzionamento è il seguente.
In assenza di segnale V
s, l'amplificatore operazionale (A.O.) si trova in saturazione positiva. Se R
a è molto più grande di R
2, la tensione sul morsetto (+) è:

dove V
M è la tensione ai capi della coppia di diodi zener connessi in controfase:

Se, invece, R
a non è molto più grande di R
2, la tensione sul morsetto (+) diviene:

dove Rp è il parallelo tra i resistori R
a e R
2.
Nell'ipotesi che tale tensione sia maggiore della tensione ai capi del diodo, supposto al silicio e con c.d.t. ai suoi capi circa uguale a 0.7 volt, il circuito permane in tale stato, detto stato stabile.
Affinchè il multivibratore vada nello stato instabile è necessario che la tensione V
s assuma un valore negativo - per un tempo anche relativamente piccolo - in modo da portare il potenziale sul morsetto (+) al di sotto di V
d. Se accade ciò V
y si porta a -V
M ed il condensatore si carica con legge esponenziale da V
d verso -V
M.
Dopo un certo tempo, diciamo t
0, la tensione ai capi del condensatore diviene inferiore alla tensione presente sul morsetto (+) che nel frattempo è diventata:

(sempre nell'ipotesi di trascurare R
a)
La tensione ai capi di un condensatore, in generale, vale:

La tensione V
in è la tensione ai capi di C all'inizio del processo di carica (o di scarica); mentre V
fin è la tensione verso la quale il condensatore, naturalmente, tenderebbe.
Nel nostro caso si ha:

e:

Sostituendo:

dove la costante di tempo vale:

All'istante t=t
0 la tensione ai capi di C eguaglia quella presente sul morsetto (+) dell'A.O. e si ha nuovamente la commutazione positiva: il multivibratore cessa di permanere nello stato instabile e torna allo stato stabile.

Risolvendo rispetto a t
0 si ottiene:
![t_{0}=\tau \cdot ln\left [\frac{V_{d}+V_{M}}{V_{M}}\left (1+\frac{R_{2}}{R_{1}} \right ) \right ] t_{0}=\tau \cdot ln\left [\frac{V_{d}+V_{M}}{V_{M}}\left (1+\frac{R_{2}}{R_{1}} \right ) \right ]](/forum/latexrender/pictures/a541ce112d6f18368b137fc3e428e56d.png)
Quindi, dopo questo tempo l'uscita dell'A.O. torna a V
M ed il condensatore torna a V
d. Il tempo che il condensatore impiega per tornare a V
d è detto tempo di ripristino e ho qualche dubbio su come calcolarlo esattamente.
Mi fermo momentaneamente qui per sapere se non vi sono errori in quel che ho scritto.
Grazie.