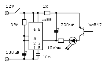
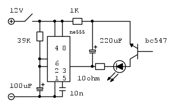
e questo è lo schema col ritardo:
con quei valori di R e C,hai un ritardo di 4 secondi;se vuoi aumentare o diminuire il tempo devi cambiare la resistenza di 39K;per esempio se vuoi un ritardo di 2 secondi devi mettere al suo posto una R di 22K,se invece vuoi aumentare per esempio a 6 secondi devi metterne una da 56K ecc
Ritardare di tot secondi l'alimentazione di un circuito
Moderatori:
carloc,
g.schgor,
BrunoValente,
IsidoroKZ
26 messaggi
• Pagina 3 di 3 • 1, 2, 3
0
voti
Grazie mille, proverò prima il tutto su breadboard così da trovare il delay più adatto a me.
Solo una cosa, non capisco a cosa si riferisce il valore 10n
Solo una cosa, non capisco a cosa si riferisce il valore 10n
0
voti
Al condensatore li` di fianco, che deve essere da 10 nF, collegato al piedino 5 dell'integrato.
Per usare proficuamente un simulatore, bisogna sapere molta più elettronica di lui
Plug it in - it works better!
Il 555 sta all'elettronica come Arduino all'informatica! (entrambi loro malgrado)
Se volete risposte rispondete a tutte le mie domande
Plug it in - it works better!
Il 555 sta all'elettronica come Arduino all'informatica! (entrambi loro malgrado)
Se volete risposte rispondete a tutte le mie domande
0
voti
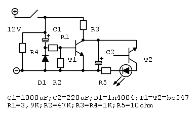
prova anche questo,è più semplice ma non ti assicuro il funzionamento, va provato(mentre quello con l'ne555 il funzionamento è più che sicuro):
0
voti
IsidoroKZ ha scritto:Al condensatore li` di fianco, che deve essere da 10 nF, collegato al piedino 5 dell'integrato.
Perfetto, questo devo comprarlo, nella mia scorta ho solamente microfarad
26 messaggi
• Pagina 3 di 3 • 1, 2, 3
Chi c’è in linea
Visitano il forum: Nessuno e 184 ospiti

Elettrotecnica e non solo (admin)
Un gatto tra gli elettroni (IsidoroKZ)
Esperienza e simulazioni (g.schgor)
Moleskine di un idraulico (RenzoDF)
Il Blog di ElectroYou (webmaster)
Idee microcontrollate (TardoFreak)
PICcoli grandi PICMicro (Paolino)
Il blog elettrico di carloc (carloc)
DirtEYblooog (dirtydeeds)
Di tutto... un po' (jordan20)
AK47 (lillo)
Esperienze elettroniche (marco438)
Telecomunicazioni musicali (clavicordo)
Automazione ed Elettronica (gustavo)
Direttive per la sicurezza (ErnestoCappelletti)
EYnfo dall'Alaska (mir)
Apriamo il quadro! (attilio)
H7-25 (asdf)
Passione Elettrica (massimob)
Elettroni a spasso (guidob)
Bloguerra (guerra)





