Cos'è ElectroYou | Login Iscriviti

ElectroYou - la comunità dei professionisti del mondo elettrico

Progettazione strobo LED di notevole potenza

Elettronica lineare e digitale: didattica ed applicazioni

Moderatori: Foto Utentecarloc, Foto Utenteg.schgor, Foto UtenteBrunoValente, Foto UtenteIsidoroKZ

0
voti

[11] Re: Progettazione strobo LED di notevole potenza

Messaggioda Foto UtenteFlap » 21 apr 2019, 8:57

Ciao Toldo, grazie della tua risposta!
Devo realizzarne solo uno per uso personale. Non si tratta di omologazione in quanto il VDS (volo da diporto sportivo) non è tenuto a sottostare a processi di certificazione e questa libertà e semplicità ha decretato il successo di questa disciplina che è andata crescendo negli ultimi vent’anni. Al contrario l’aviazione generale rimanendo ingessata in regole e certificazioni è sempre più moribonda. Ma non andiamo off topic.
Considera anche che di notte non possiamo volare e che strobo e altre luci non sono nemmeno obbligatorie, quindi non è il caso dell’esempio del sub.
Come ho già spiegato nel primo messaggio non è tanto il costo (alla fine spenderò più o meno la stessa cifra) quanto la potenza.
Cosa mi consigli per far lampeggiare tre LED con tempi e fasi diverse e regolabili, considerando che un ATtiny costa poco più di 1€?

Buona pasqua :D
Avatar utente
Foto UtenteFlap
20 4
 
Messaggi: 28
Iscritto il: 19 apr 2019, 17:11

0
voti

[12] Re: Progettazione strobo LED di notevole potenza

Messaggioda Foto Utentelelerelele » 21 apr 2019, 10:13

Ti do il mio parere.

Io sarei partito dall'uso di una lampada strobo a gas, ritengo, (magari sbaglio) che una lampada anche standard a gas dia una resa ottica impulsiva molto superiore ad i led più potenti che vuoi usare, proprio per il tipo di funzionamento intrinseco dei componenti.

detto questo concordo con il convertitore step up per generare la tensione alimentazione, nel caso della lampada a gas saresti quasi alla fine per io pilotaggio. Nel pilotaggio del led che vuoi fare sarei di diverso avviso sull'uso dei supercap, mi pare fuori luogo, vuoi usare il convertitore step-up per avere una corrente media costante prelevata dal velivolo, ok, portando la tensione in uscita a 100/200V, su un condensatore da qualche centinaio di uF, ed un altro convertitore buck per pilotare direttamente i led, stiamo parlando di una potenza media di 14W, se accendi i led per 50ms ogni secondo, (giusto?), questa rimane a carico dell'impianto in qualunque modo tu possa fare il circuito.

Ti spiego il motivo.

L'uso dei supercap, non ti toglie il problema di cadere di tensione quando alimenti i led, (le considerazioni che hai fatto si basano su una caduta di tensione di 1V, no?), inoltre sai che i led lavorano in corrente, la sua tensione non è che indicativa, variando nel tuo caso anche di molto con le temperatura, chiudere i led su questi condensatori da un lato non ti garantisce la corrente necessaria, dall'altro non ti impedisce a led caldi che questa possa sforare di molto il valore massimo, (penso che un 10% di tensione sui led sia da tenere bene in considerazione).

saluti.
Avatar utente
Foto Utentelelerelele
4.899 3 7 9
Master
Master
 
Messaggi: 5505
Iscritto il: 8 giu 2011, 8:57
Località: Reggio Emilia

0
voti

[13] Re: Progettazione strobo LED di notevole potenza

Messaggioda Foto UtenteFlap » 21 apr 2019, 11:22

Ciao Lelerelele grazie per il tuo contributo.

lelerelele ha scritto:Io sarei partito dall'uso di una lampada strobo a gas, ritengo, (magari sbaglio) che una lampada anche standard a gas dia una resa ottica impulsiva molto superiore ad i led più potenti che vuoi usare, proprio per il tipo di funzionamento intrinseco dei componenti.


Penso che tornare alla tecnologia di 50 anni fa sia fuori discussione, il mio mezzo è vecchio di 10 anni e aveva già le strobo a LED, è come se ti dicessi di progettare un bel faro a incandescenza, non se ne parla. Scusa se sono drastico ;-)
Inoltre ormai la tecnologia a LED è superiore anche in termini di intensità, il chippone in oggetto pompato ma sotto la soglia massima produce 25mila lumen per un tempo di 50ms mentre gli strobo xenon molto di meno, mi sono informato sull'argomento e sono solo una manciata di ms, siccome il tempo di integrazione dei recettori dell'occhio umano va da 20ms a 50ms a seconda delle condizioni di luce capisci che a parità di lumen un impulso da 50ms viene percepito come molto più forte di uno da 5ms. E' anche lo stesso motivo per cui è inutile andare oltre i 50ms perché di più l'occhio non apprezzerebbe un aumento di intensità.


lelerelele ha scritto:detto questo concordo con il convertitore step up per generare la tensione alimentazione, nel caso della lampada a gas saresti quasi alla fine per io pilotaggio. Nel pilotaggio del led che vuoi fare sarei di diverso avviso sull'uso dei supercap, mi pare fuori luogo, vuoi usare il convertitore step-up per avere una corrente media costante prelevata dal velivolo, ok, portando la tensione in uscita a 100/200V, su un condensatore da qualche centinaio di uF, ed un altro convertitore buck per pilotare direttamente i led, stiamo parlando di una potenza media di 14W, se accendi i led per 50ms ogni secondo, (giusto?), questa rimane a carico dell'impianto in qualunque modo tu possa fare il circuito.


Scusa non ho capito molto bene, cosa intendi con "un altro convertitore buck per pilotare direttamente i LED?
Comunque: la potenza media si, rimane ovviamente a carico dell'impianto, ma la potenza istantanea che ammonta a 600W sarebbe a carico dei condensatori, non c'è altra maniera. Se non utilizzassi condensatori, ipotizzando un DCDC con efficienza 100%, dovrei far fronte a picchi di 50A sulla parte a 12V e questo non è assolutamente possibile.
Il dato di "qualche centinaio di uF" come l'hai calcolato? Con quella capacità non ci fai assolutamente niente. Io ho calcolato 1-2F minimo portati poi a 10 per questioni anche di corrente.

lelerelele ha scritto:L'uso dei supercap, non ti toglie il problema di cadere di tensione quando alimenti i led, (le considerazioni che hai fatto si basano su una caduta di tensione di 1V, no?), inoltre sai che i led lavorano in corrente, la sua tensione non è che indicativa, variando nel tuo caso anche di molto con le temperatura, chiudere i led su questi condensatori da un lato non ti garantisce la corrente necessaria, dall'altro non ti impedisce a led caldi che questa possa sforare di molto il valore massimo, (penso che un 10% di tensione sui led sia da tenere bene in considerazione).


E' esatto. Come attaccano, i condensatori iniziano a scaricarsi e scendono di tensione come è naturale che sia. No penso che la caduta di tensione in 50ms sia più di 1V ma non troppo da scaricare i C. Si i LED lavorano in corrente e tutto quello che hai detto è vero, ma non costituisce un problema per duty cycles minori del 10% (fonte: Cree) in quanto in quel regime il LED sopporta correnti fino al 300% della massima corrente continuativa. Ora non so se questo dato sia uguale anche per la Luminus, ho mandato una mail di richiesta a tal proposito, ma mettiamo che sia così, il mio LED ha una massima di 3,96A, io progetto e regolo la tensione in modo tale che la corrente (inizialmente) stia intorno ai 3A, se guardi i grafici a pagina 7 del data sheet: https://pt.mouser.com/datasheet/2/245/L ... 511750.pdf "Change in Voltage vs. Junction Temperature" si vede grosso modo che da 25 a 65°C (che non raggiungerà mai) la tensione passa da 54 a 53V. Se poi guardiamo la "Forward Current vs. Forward Voltage " da 53 a 54V la corrente passa da 3 a 3,5A. Quindi a questi livelli di alimentazione direi che il problema non si pone. Se poi alla prova pratica noterò escursioni maggiori magari aggiungo delle resistenze e aumento la tensione di alimentazione visto che il DCDC arriva fino a 80V.
Considera che uno che conosco ha fatto gli stessi esperimenti con LED da 1W e da 3W da 3,3V alimentati direttamente con il 12V dell'impianto (quindi 14 a motore acceso!) un po' ne ha fritti ma poi ne ha messi in serie 2 a 2 e così gli durano all'infinito. Col doppio della tensione capito?? O! Io vorrei fare le cose un po' meglio e magari evitare di friggere LED da 30€ l'uno.
Avatar utente
Foto UtenteFlap
20 4
 
Messaggi: 28
Iscritto il: 19 apr 2019, 17:11

0
voti

[14] Re: Progettazione strobo LED di notevole potenza

Messaggioda Foto Utenteelfo » 21 apr 2019, 23:00

Vorrei intitolare questo post:

L'ottimismo della volonta' - il pessimismo della ragione :D

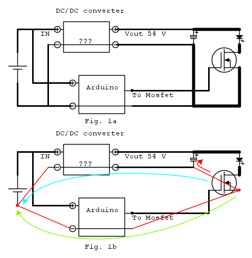
Guarda i due schemi qui sotto:

Fig. 1a - disegnato da te
Fig. 1b - disegnato da me

La differenza tra i due schemi (topologicamente uguali) e nelle linee rette rosse che mettono in evidenza (seguendo una convenzione "standard " degli schemi) come - IMHO - dovrebbero essere fatti collegamenti al Source del Mosfet e quelli di massa.

Supponiamo - da verificare - che il DC/DC Converter sia del tipo "non isolato" (le masse di ingresso ed uscita sono collegate).

Posto che la corrente (impulsiva e "grossa") di uscita al Source del Mosfet deve ritornare a massa (meno della batteria e del DC/DC Converter) ti chiedo:

Quale strada segue la corrente, di quelle indicate con le curve con freccia:

- rossa
- blu
- verde
- un po' in tutte e tre ma in modo "difficile" da prevedere

Del tuo schema Fig. 1a scrivi:
Con sezione maggiore sono le parti interessate dalla alta corrente, tutto il resto (a valle del converter) è limitato dalla regolazione di un trimmer

ma a me sembra che l'affermazione rientri nella categoria "ottimismo della volonta'" :D

Prima di procedere oltre nel discorso pero' aspetterei la prova con il condensatore collegato in uscita al DC/DC Converter per vedere l'effetto che fa.

Avatar utente
Foto Utenteelfo
6.819 4 5 7
G.Master EY
G.Master EY
 
Messaggi: 2828
Iscritto il: 15 lug 2016, 13:27

0
voti

[15] Re: Progettazione strobo LED di notevole potenza

Messaggioda Foto UtenteFlap » 22 apr 2019, 0:03

Risposta n°5: un po’ dappertutto ma con buona approssimazione in modo maggiore dove le fa più comodo cioè la freccia rossa. Una parte minore fa il giro più lungo ma a meno che non mi sfugge qualcosa non vedo controindicazioni.

Con sezione maggiore sono le parti interessate dalla alta corrente, tutto il resto (a valle del converter) è limitato dalla regolazione di un trimmer


Quello che intendevo dire è che l’erogazione di corrente del DCDC è limitata, regolabile e impostata inizialmente a 0,5A. 0,5A che per un secondo caricano i condensatori, poi quando il MOSFET chiude per una frazione di secondo i condensatori scaricano mediamente 9A. Ai led arriveranno 9A più 0,5A del DCDC che non smette mai di erogare. Smette qualche frazione di secondo prima della scarica perché perché magari lo regolo a 0,6 e i condensatori finiscono di caricarsi al tempo t=0,8s.

Non so perché insisti tanto con questa prova. Collegare un condensatore a un generatore di corrente costante mi aspetto che si carichi linearmente fino a quando raggiunge la tensione impostata è la corrente si arresta. Ti ho già detto che nelle peggiori delle ipotesi potrei aspettarmi che il converter abbia la protezione contro i CC allora dovrò inventarmi qualcosa di semplice per dargli una precarica finché il converter non esce dalla protezione e comincia a spingere. Una resistenza più un diodo proveniente direttamente dal +12 magari. Poi potrebbero anche esserci altri problemi, non ho mai avuto un DCDC. Però fai prima a dirmelo perché prima di tutto devo aspettare che mi arrivi il DCDC, secondariamente non ho un oscilloscopio, non ho neanche un condensatore qui con me adesso perché vivo all’estero e mi sono trasferito da poco. Se proprio ci tieni posso fare l’ordine dei supercap e provare con quelli e il tester sperando che il converter parta davvero basso con la regolazione della corrente ma dobbiamo prima finire di fare brain storming qui e completare l’ordine anche coi MOSFET per fare l’invio.
Buona notte
Avatar utente
Foto UtenteFlap
20 4
 
Messaggi: 28
Iscritto il: 19 apr 2019, 17:11

0
voti

[16] Re: Progettazione strobo LED di notevole potenza

Messaggioda Foto Utentelelerelele » 22 apr 2019, 15:07

Flap ha scritto:Ciao Lelerelele grazie per il tuo contributo.

Scusa non ho capito molto bene, cosa intendi con "un altro convertitore buck per pilotare direttamente i LED?
Comunque: la potenza media si, rimane ovviamente a carico dell'impianto, ma la potenza istantanea che ammonta a 600W sarebbe a carico dei condensatori, non c'è altra maniera.....
Il dato di "qualche centinaio di uF" come l'hai calcolato? Con quella capacità non ci fai assolutamente niente. Io ho calcolato 1-2F minimo portati poi a 10 per questioni anche di corrente.
una potenza da 600W non so da dove l'hai presa, 54Vx2.5A rimangono 135W, anche portando l'impulso istantaneo arrivare a 600 mi pare alto.
Si, hai ragione, con capacità di qualche centinaio di uF non ce la fai, però lo scopo di un secondo convertitore, dopo i condensatori, assicura la corretta corrente di alimentazione del led senza problemi di temperatura od altro, ed allo stesso tempo riduci il valore capacitivo permettendo agli stessi una escursione di tensione di qualche decina di volt.

saluti
Avatar utente
Foto Utentelelerelele
4.899 3 7 9
Master
Master
 
Messaggi: 5505
Iscritto il: 8 giu 2011, 8:57
Località: Reggio Emilia

0
voti

[17] Re: Progettazione strobo LED di notevole potenza

Messaggioda Foto UtenteFlap » 22 apr 2019, 16:57

Perché i LED sono 3. Potenza nominale di ciascun LED 140W, potenza massima 200W. Che sono continuativi. La Cree per funzionamento impulsivo permette fino al 300% della corrente massima, la Luminus non lo so ancora, se si degnano di rispondere alla mia mail vi aggiorno. Ma io penso di stare sui 3-3,5A almeno per un periodo iniziale poi se vedo che niente va oltre il tiepidino posso pensare di dare un po’ più di gas. Ma non ho in programma di andare oltre la massima continuativa dichiarata.

Ma il secondo convertitore inteso come step down? Tipo 12v, up converter 120v banco di condensatori, step down 54v? Non saprei ma così su due piedi non mi sembra una bella idea. Alla fine ho una complicazione in più solo per risparmiare solo un po’ di capacità (capacità di 10F scelta solo perché deve reggere 9A, altrimenti anche 1F sarebbe stato sufficiente)
Avatar utente
Foto UtenteFlap
20 4
 
Messaggi: 28
Iscritto il: 19 apr 2019, 17:11

0
voti

[18] Re: Progettazione strobo LED di notevole potenza

Messaggioda Foto UtenteFlap » 23 apr 2019, 10:08

Aggiornamento: nel frattempo il dipartimento tecnico della Luminus Devices mi ha risposto. Purtroppo non hanno caratterizzato i loro dispositivi per applicazioni pulsate e si è limitato a suggerirmi di tenere sotto controllo la temperatura. Per chi avesse curiosità questo è il Datasheet: https://download.luminus.com/datasheets ... asheet.pdf
Certo che 290W di LED per 27000 lumen è come avere il sole in mano! iOi Io mi sono limitato a quello da 200W 20000 lumen che costa la metà.
Vi aggiornerò quando mi arriveranno i pezzi e comincerò ad abbozzare qualcosa :ok:
Leo
Avatar utente
Foto UtenteFlap
20 4
 
Messaggi: 28
Iscritto il: 19 apr 2019, 17:11

0
voti

[19] Re: Progettazione strobo LED di notevole potenza

Messaggioda Foto UtenteEcoTan » 23 apr 2019, 11:39

elfo ha scritto: piloteri i LED in modo pulsato ad una corrente superiore a quella nominale ottenendo una maggiore efficienza

Questa cosa mi incuriosisce. Quale dovrebbe essere la frequenza degli impulsi, come ordine di grandezza?
Avatar utente
Foto UtenteEcoTan
7.720 4 12 13
Expert EY
Expert EY
 
Messaggi: 5422
Iscritto il: 29 gen 2014, 8:54

0
voti

[20] Re: Progettazione strobo LED di notevole potenza

Messaggioda Foto Utenteelfo » 23 apr 2019, 13:48

Flap ha scritto:Non so perché insisti tanto con questa prova.

Faro' due post.
Prima di leggere il secondo (successivo) prova a rispondere alla 3 domande qui sotto.

Guarda le due foto qui sotto che rappresentano due setup sperimentali.

Nella prima vedi:

- alimentatore switching (dati di targa 24 V 2 A)
- carico resistivo da 16 ohm 80 W (corrente nominale assorbita 24 / 16 = 1.5 A)
- multimetro (4.99 euro al brico)

Come puoi vedere la tensione letta dal multimetro e' 22.7 V.
La tensione e' diversa dalla nominale (24 V) per due motivi:
- regolazione del trimmer della regolazione della tensione di uscita (minor)
- misura fatta (scorrettamente) ai capi del carico (e non ai morsetti di uscita dell'alimentatore) (major)

Nella seconda c'e' lo stesso setup con una differenza:

- ai morsetti di uscita dell'alimentatore e' collegato - in parallelo - un condensatore da 4700 uF 50 V

La tensione letta sul multimetro e' (volutamente) oscurata.

Domande:

1) qual e' la tensione letta dal multimetro?

Se la tensione fosse significativamente diversa da 24 V :

2) quale potrebbe essere il motivo della differenza?
3) cosa si potrebbe fare per riportarla al valore (nominale) di 24 V?

Nel prossimo post una possibile risposta alle domande
SW1.jpg

SW2.jpg
Ultima modifica di Foto Utenteelfo il 23 apr 2019, 14:04, modificato 2 volte in totale.
Avatar utente
Foto Utenteelfo
6.819 4 5 7
G.Master EY
G.Master EY
 
Messaggi: 2828
Iscritto il: 15 lug 2016, 13:27

PrecedenteProssimo

Torna a Elettronica generale

Chi c’è in linea

Visitano il forum: Nessuno e 150 ospiti