Dovrei controllare la carica di 4\6 batterie in serie da 1.2v. (solo se sono da ricaricare)
Ho letto in giro che non è di facile realizzazione, però vorrei provare a fare qualcosa.
Esiste un metodo non troppo complicato ?
grazie :)
Controllo carica batterie ni-mh
Moderatori:
carloc,
g.schgor,
BrunoValente,
IsidoroKZ
15 messaggi
• Pagina 1 di 2 • 1, 2
2
voti
Non so dare una risposta al tuo quesito ma evocherei lo spirito del male in materia:
richiurci
Ho tratto parecchie ispirazioni, nel settore, dai suoi scritti!
Ho tratto parecchie ispirazioni, nel settore, dai suoi scritti!
Se quello che funziona basta non lo tocca' sennò te lassa!
0
voti
nell'attesa cominciamo a ragionarci un po:la tensione nominale di una pila al ni-mh è di 1,2V, quando è carica può raggiungere 1,4-1,5V,quindi non dovrebbe essere molto difficile sapere se queste pile sono cariche o no ,basta prendere un buon voltmetro...
0
voti
più o meno... Se si prende una cella singola e si misura la tensione una volta può essere una buona indicazione di carica. Altrimenti esistono metodi migliori per detectare la fine della carica. Si parla di solito di "voltage signature" facendo la carica a corrente costante, quando la cella è completamente carica la tensione ai suoi capi scende di poco.
battery university è affidabile per questi argomenti.
Oppure senza entrare in sistemi più sofisticati si fa la classica carica a tensione costante e corrente limitata, con tensione pari a 1.4V così che quando la cella arriva a quella tensione la corrente praticamente si annulla.
Aspetto anche io informazioni più autorevoli dagli esperti nel capo
battery university è affidabile per questi argomenti.
Oppure senza entrare in sistemi più sofisticati si fa la classica carica a tensione costante e corrente limitata, con tensione pari a 1.4V così che quando la cella arriva a quella tensione la corrente praticamente si annulla.
Aspetto anche io informazioni più autorevoli dagli esperti nel capo
0
voti
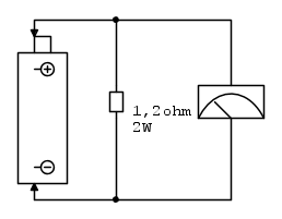
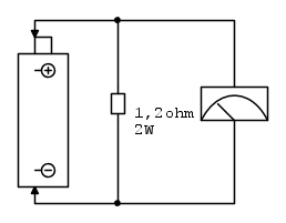
purtroppo queste pile appena si scaricano un po si portano subito al loro valore nominale ,cioè 1,2V,ed in questo caso come facciamo a sapere se è carica oppure no?ma scusate qual è il problema?se sappiamo la capacita della pila,possiamo sapere quanto può erogare se è carica,basta mettere in parallelo ai puntali del voltmetro una resistenza adeguata,se la pila è carica il voltmetro ci segnala sempre 1,2V,se non lo è, ci segnalerà una tensione più bassa;supponiamo che la pila in questione abbia una capacità di 1000mA/h,sarà in grado questa pila di erogare almeno un ampere quand'è carica? penso di si,ed allora misuriamo di quanto cala la sua tensione,ed in base alla misura sappiamo se è carica oppure no
0
voti
La possiblità di una batteria di erogare corrente è in parte legata alla sua capacità ma non è una relazione così stretta da poter calcolare l'una dall'altra. La corrente erogabile dipende dalla resistenza interna, dalla temperatura dall'invecchimento..... Collegare un carico così piccolo ad una cella qualsiasi probabilmente la sua tensione scende anche se la cella è carica.
0
voti
grazie delle risposte, sto leggendo tutto :)
Avevo gia letto che non era cosa facile, per questo mi sono rivolto a voi.
Dadduni, le mie sono batterie ni-mh non ni-cd .
https://batteryuniversity.com/learn/article/charging_nickel_metal_hydride mi ha confermato che è davvero difficile poter fare un controllo attendibile.
Avevo gia letto che non era cosa facile, per questo mi sono rivolto a voi.
Dadduni, le mie sono batterie ni-mh non ni-cd .
https://batteryuniversity.com/learn/article/charging_nickel_metal_hydride mi ha confermato che è davvero difficile poter fare un controllo attendibile.
1
voti
Eccomi, scusate il ritardo ma ero preso da attività sportive estreme che solo abusivo può capire ahahhahh
Dunque...rilinko per sammuele i mie due articoli sulle NiMH.
Il primo
https://www.electroyou.it/richiurci/wik ... rizzazione
è da leggere attentamente, riporta una serie di misure anche storiche che mostrano, per esempio, come le tensioni, sia a vuoto che sotto carico, variano appunto con la marca, la vecchiaia, la capacità nominale (nel test riporto per esempio tensioni a vuoto, @0,2A e @0,5 A per tante ricaricabili).
Ci sono anche alcuni grafici di carica e scarica.
Il 2o
https://www.electroyou.it/richiurci/wik ... -per-l-uso
è più pratico e riporta usi comuni e alcuni caricabatterie
Dunque...rilinko per sammuele i mie due articoli sulle NiMH.
Il primo
https://www.electroyou.it/richiurci/wik ... rizzazione
è da leggere attentamente, riporta una serie di misure anche storiche che mostrano, per esempio, come le tensioni, sia a vuoto che sotto carico, variano appunto con la marca, la vecchiaia, la capacità nominale (nel test riporto per esempio tensioni a vuoto, @0,2A e @0,5 A per tante ricaricabili).
Ci sono anche alcuni grafici di carica e scarica.
Il 2o
https://www.electroyou.it/richiurci/wik ... -per-l-uso
è più pratico e riporta usi comuni e alcuni caricabatterie
15 messaggi
• Pagina 1 di 2 • 1, 2
Chi c’è in linea
Visitano il forum: Nessuno e 89 ospiti

Elettrotecnica e non solo (admin)
Un gatto tra gli elettroni (IsidoroKZ)
Esperienza e simulazioni (g.schgor)
Moleskine di un idraulico (RenzoDF)
Il Blog di ElectroYou (webmaster)
Idee microcontrollate (TardoFreak)
PICcoli grandi PICMicro (Paolino)
Il blog elettrico di carloc (carloc)
DirtEYblooog (dirtydeeds)
Di tutto... un po' (jordan20)
AK47 (lillo)
Esperienze elettroniche (marco438)
Telecomunicazioni musicali (clavicordo)
Automazione ed Elettronica (gustavo)
Direttive per la sicurezza (ErnestoCappelletti)
EYnfo dall'Alaska (mir)
Apriamo il quadro! (attilio)
H7-25 (asdf)
Passione Elettrica (massimob)
Elettroni a spasso (guidob)
Bloguerra (guerra)









