Salve a tutti.
Vi chiedo umilmente consiglio.
(so che è un argomento già trattato, che ci sono molti thread, e che c'è una soluzione tecnologica. Ma...)
In bagno ho la lavabiancheria ed il boiler scaldaacqua, le cui prese sono in parallelo.
Purtroppo quando sono accesi assieme scatta il magnetotermico. (velo pietoso sull'impianto...)
Di conseguenza, quando accendiamo la lavatrice stacchiamo la spina dello scaldaacqua.
Però non sempre ci ricordiamo di reinserirla (e ti voglio vedere al mattino la doccia con l'acqua fredda...).
I relè di potenza per carichi prioritari sono tutti da quadro elettrico, e alcune canaline non possono portare altri fili. Per giunta per un solo elettrodomestico non mi sembra il caso.
Al che mi è venuto in mente:
se metto un relè di potenza che a riposo permette l'alimentazione dello scaldaacqua, e che quando accendo la lavatrice si attiva e toglie corrente allo scaldaacqua?
Pensavo ad uno come questo
https://www.findernet.com/it/italy/prod ... /series/66
collegato come da schema (bobina in serie alla fase della lavatrice)
Faccio un botto?
Devo prendere qualche accorgimento?
Ringrazio qualsiasi anima pia che mi consigli (o mi mandi..)
UnoComeTanti
Relè di potenza che spegne boiler?
Moderatori:
sebago,
MASSIMO-G,
lillo,
Mike
30 messaggi
• Pagina 1 di 3 • 1, 2, 3
0
voti
Non puoi mettere la bobina del relè in serie alla lavatrice, è vero che ti si attiverà quando accendi la lavatrice, ma la lavatrice non ti funzionerà, perché attraverso la bobina del relè non ci scorre la corrente necessaria per la lavatrice.
Quindi NO!
Dovresti mettere il relè dopo l'interruttore della lavatrice in questo modo quando la lavatrice è accesa, tiene spento lo scalda acqua, ma non sono sicuro che anche in questo modo, quando la lavatrice ha finito il ciclo il relè si disecciti.
Forse l'unico modo è di mettere in serie un sensore di corrente che faccia passare poca e tanta corrente e controllare il relè.
Ma io metterei un teleruttore, (non un relè) dentro un contenitore con il sensore di corrente.
Alex
Quindi NO!
Dovresti mettere il relè dopo l'interruttore della lavatrice in questo modo quando la lavatrice è accesa, tiene spento lo scalda acqua, ma non sono sicuro che anche in questo modo, quando la lavatrice ha finito il ciclo il relè si disecciti.
Forse l'unico modo è di mettere in serie un sensore di corrente che faccia passare poca e tanta corrente e controllare il relè.
Ma io metterei un teleruttore, (non un relè) dentro un contenitore con il sensore di corrente.
Alex
Alex
https://www.facebook.com/Elettronicaeelettrotecnica
<< vedi di pigliare arditamente in mano, il dizionario che ti suona in bocca,
se non altro è schietto e paesano.
(Giuseppe Giusti) <<
https://www.facebook.com/Elettronicaeelettrotecnica
<< vedi di pigliare arditamente in mano, il dizionario che ti suona in bocca,
se non altro è schietto e paesano.
(Giuseppe Giusti) <<
0
voti
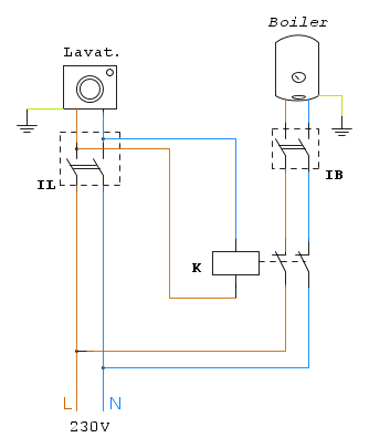
Il tuo schema non va bene - il relè deve essere collegato all'uscita dell'interruttore lavatrice come schema che ti allego.
-

StefanoSunda
2.880 3 6 10 - Master

- Messaggi: 1962
- Iscritto il: 16 set 2010, 19:29
0
voti
Grazie ad entrambi per le risposte.
Mi hanno chiarito cose di cui non tenevo conto.
Procedo a rovescio:
Domanda per StefanoSunda: se IL ed IB sono interruttori Lavatrice e Boiler, dovrei accendere l'interruttore Lavatrice (IL) e poi accendere la lavatrice, giusto?
Volevo evitare interruttori, ed escludere il boiler semplicemendo accendendo la lavatrice con il suo pulsante sul pannello.
(E' una lavatrice 'tronica Samsung, con pulsante "soft touch", non con pulsante meccanico)
(forse che, comunque, la lavatrice anche se spenta, assorbe un poco di corrente che attiverebbe rele/interruttori/ o quello che ci metto?)
Per setteali: ho guardato un po' di info sui teleruttori. Il loro circuito di comando regge i 10-11 ampere di assorbimento della lavatrice?
In alternativa stavo pensando ad un interruttore master-slave, tipo questo
https://www.amazon.it/Kemo-Electronic-I ... B004AVIHKK
e sui contatti slave attaccarci un rele di potenza normalmente chiuso che si apre quando comandato dall'interruttore master-slave da l'ON.
Scusatemi se tutto ciò vi sembra un "insulto" alle "normali regole dell'impianto elettrico",
ma sono abbastanza gnu-rante a riguardo, e di conseguenza chiedo.
Di nuovo, grazie a tutti per le risposte.
UnoComeTanti
Mi hanno chiarito cose di cui non tenevo conto.
Procedo a rovescio:
Domanda per StefanoSunda: se IL ed IB sono interruttori Lavatrice e Boiler, dovrei accendere l'interruttore Lavatrice (IL) e poi accendere la lavatrice, giusto?
Volevo evitare interruttori, ed escludere il boiler semplicemendo accendendo la lavatrice con il suo pulsante sul pannello.
(E' una lavatrice 'tronica Samsung, con pulsante "soft touch", non con pulsante meccanico)
(forse che, comunque, la lavatrice anche se spenta, assorbe un poco di corrente che attiverebbe rele/interruttori/ o quello che ci metto?)
Per setteali: ho guardato un po' di info sui teleruttori. Il loro circuito di comando regge i 10-11 ampere di assorbimento della lavatrice?
In alternativa stavo pensando ad un interruttore master-slave, tipo questo
https://www.amazon.it/Kemo-Electronic-I ... B004AVIHKK
e sui contatti slave attaccarci un rele di potenza normalmente chiuso che si apre quando comandato dall'interruttore master-slave da l'ON.
Scusatemi se tutto ciò vi sembra un "insulto" alle "normali regole dell'impianto elettrico",
ma sono abbastanza gnu-rante a riguardo, e di conseguenza chiedo.
Di nuovo, grazie a tutti per le risposte.
UnoComeTanti
-

UnoComeTanti
0 2 - Messaggi: 5
- Iscritto il: 22 mag 2019, 11:43
0
voti
Ciao,
come pensavo, con le lavatrici moderne è quasi impossibile se non sei unesperto Esperto di elettronica, per chè potresti correre il rischio di sciupare anche la lavatrice.
I teleruttori possono reggere il carico della lavatrice ed anche più , li puoi scegliere della potenza che vuoi.
Ma io opterei per l'uso di un sensore di corrente che ti attiva o disattiva il boiler a seconda se la lavatrice è o non è in funzione.
Il sensore può essere questo https://www.ebay.it/itm/Sensore-di-corr ... SwiONYPtdA.
A questo però va fatto un circuito che rivela questa corrente ed attiverà il teleruttore per comandare il boiler, probabilmente il circuito potrà essere sviluppato in questo forum, ma te sei poi in grado di costruirlo?
Alex
come pensavo, con le lavatrici moderne è quasi impossibile se non sei un
I teleruttori possono reggere il carico della lavatrice ed anche più , li puoi scegliere della potenza che vuoi.
Ma io opterei per l'uso di un sensore di corrente che ti attiva o disattiva il boiler a seconda se la lavatrice è o non è in funzione.
Il sensore può essere questo https://www.ebay.it/itm/Sensore-di-corr ... SwiONYPtdA.
A questo però va fatto un circuito che rivela questa corrente ed attiverà il teleruttore per comandare il boiler, probabilmente il circuito potrà essere sviluppato in questo forum, ma te sei poi in grado di costruirlo?
Alex
Alex
https://www.facebook.com/Elettronicaeelettrotecnica
<< vedi di pigliare arditamente in mano, il dizionario che ti suona in bocca,
se non altro è schietto e paesano.
(Giuseppe Giusti) <<
https://www.facebook.com/Elettronicaeelettrotecnica
<< vedi di pigliare arditamente in mano, il dizionario che ti suona in bocca,
se non altro è schietto e paesano.
(Giuseppe Giusti) <<
0
voti
Un alternativa, da valutare secondo le tue esigenze, potrebbe essere il boiler "ibrido" in pompa di calore da 100 litri.
Se riesci a sfruttarlo in pompa di calore, la potenza elettrica assorbita in genere è circa 200/300 W,
se la potenza elettrica massima assorbita della lavatrice è sui 2500 W (se ci dai il modello esatto possiamo controllare) dovresti starci dentro.
Se riesci a sfruttarlo in pompa di calore, la potenza elettrica assorbita in genere è circa 200/300 W,
se la potenza elettrica massima assorbita della lavatrice è sui 2500 W (se ci dai il modello esatto possiamo controllare) dovresti starci dentro.
0
voti
Domanda per StefanoSunda: se IL ed IB sono interruttori Lavatrice e Boiler, dovrei accendere l'interruttore Lavatrice (IL) e poi accendere la lavatrice, giusto?
Volevo evitare interruttori, ed escludere il boiler semplicemente accendendo la lavatrice con il suo pulsante sul pannello.
L’interruttore “ IL” si intende quello che è montato nella lavatrice. Devi intervenire all’interno e collegarti nei due fili che alimentano la macchina, in modo che quando la lavatrice è in funzione, fa eccitare il relè. Il relè lo monti nella linea del boiler, la bobina è alimentata dai due fili (cavetto) che provengono dalla lavatrice (come schema). Il lavoretto è molto semplice basta copiare.
-

StefanoSunda
2.880 3 6 10 - Master

- Messaggi: 1962
- Iscritto il: 16 set 2010, 19:29
0
voti
Salve a tutti, e grazie per le risposte.
(mi piace questo forum, gente che partecipa, commenti costruttivi...)
La lavatrice è Samsung modello WF70F5E2W2W
Di targa fa 2000-2400W (letteralmente letto sull'etichetta)
Con un misuratore di consumi (quelli da mettere fra la presa e la spina) ho letto:
Spenta:
228V
0,06A
13,68W
Accesa ma non avviata: gli stessi valori.
SETTEALI: Fra i miei rimuginamenti avevo pensato anch'io al sensore di corrente che mi hai indicato. Il circuito non lo so progettare, ma lo so/posso costruire (non è un problema, però avrei cavi e scatoletta circuito in giro per il bagno).
Con le misure lette stavo pensando ad un teleruttore a due contatti normalmente chiusi, comandato dalla fase che alimenta la presa della lavatrice.
Una cosa tipo 223202304420 della Finder
Siccome la scatoletta della presa della lavatrice è già piena, lo metterei dentro la scatoletta in cui c'è la presa del boiler con fase della lavatrice in arrivo-teleruttore-ritorno
BLUEICE80: Il boiler ibrido sarebbe bello ma non è una via molto percorribile, perché abbiamo cambiato il boiler giusto l'estate scorsa.
STEFANOSUNDA: Sì, l'dea di prendere i contatti da dentro la lavatrice può essere buona, ma avrei ulteriori cavi in giro per il bagno.
Quindi, riassumendo, sarebbe una brutta cosa metterci il teleruttore normalmente chiuso?
UnoComeTanti
(mi piace questo forum, gente che partecipa, commenti costruttivi...)
La lavatrice è Samsung modello WF70F5E2W2W
Di targa fa 2000-2400W (letteralmente letto sull'etichetta)
Con un misuratore di consumi (quelli da mettere fra la presa e la spina) ho letto:
Spenta:
228V
0,06A
13,68W
Accesa ma non avviata: gli stessi valori.
SETTEALI: Fra i miei rimuginamenti avevo pensato anch'io al sensore di corrente che mi hai indicato. Il circuito non lo so progettare, ma lo so/posso costruire (non è un problema, però avrei cavi e scatoletta circuito in giro per il bagno).
Con le misure lette stavo pensando ad un teleruttore a due contatti normalmente chiusi, comandato dalla fase che alimenta la presa della lavatrice.
Una cosa tipo 223202304420 della Finder
Siccome la scatoletta della presa della lavatrice è già piena, lo metterei dentro la scatoletta in cui c'è la presa del boiler con fase della lavatrice in arrivo-teleruttore-ritorno
BLUEICE80: Il boiler ibrido sarebbe bello ma non è una via molto percorribile, perché abbiamo cambiato il boiler giusto l'estate scorsa.
STEFANOSUNDA: Sì, l'dea di prendere i contatti da dentro la lavatrice può essere buona, ma avrei ulteriori cavi in giro per il bagno.
Quindi, riassumendo, sarebbe una brutta cosa metterci il teleruttore normalmente chiuso?
UnoComeTanti
-

UnoComeTanti
0 2 - Messaggi: 5
- Iscritto il: 22 mag 2019, 11:43
2
voti
UnoComeTanti ha scritto:STEFANOSUNDA: Sì, l'dea di prendere i contatti da dentro la lavatrice può essere buona, ma avrei ulteriori cavi in giro per il bagno.
È la soluzione che mi piace di più, l'alimentazione della bobina la puoi prelevare dalla resistenza della lavatrice, più facile da individuare e disattiverebbe lo scaldabagno per il solo tempo necessario.
Potresti anche mettere il primario di trasformatore 220/24 V in // alla resistenza e portare la 24 V su un connettore da pannello, al quale puoi collegare un contattore con bobina da 24 V e con contatto Normalmente Chiuso
-

SediciAmpere
4.187 5 5 8 - Master

- Messaggi: 4847
- Iscritto il: 31 ott 2013, 15:00
0
voti
Premesso che concordo con
SediciAmpere e
StefanoSunda, nel senso che la loro mi sembra la soluzione piu semplice.
Tuttavia se ti piacesse giocare, potresti costruirti una ciabatta a due prese, una sempre alimentata sulla quale attaccare la lavatrice.
Su suddetta presa, tramite un trasformatorino di misura tipo questo rilevare la corrente assorbita e al superamento di una soglia (regolabile trammite un trimmer) staccare l' alimentazione alla seconda presa, sulla quale attaccheresti il boiler.
Così il giorno che cambi lavatrice dovresti solo attaccarla, oppure potresti decidere di staccare il boiler quando usi il phon
Scherzi a parte,potrebbe essere un divertente esercizio di elettronica analogica.
Tuttavia se ti piacesse giocare, potresti costruirti una ciabatta a due prese, una sempre alimentata sulla quale attaccare la lavatrice.
Su suddetta presa, tramite un trasformatorino di misura tipo questo rilevare la corrente assorbita e al superamento di una soglia (regolabile trammite un trimmer) staccare l' alimentazione alla seconda presa, sulla quale attaccheresti il boiler.
Così il giorno che cambi lavatrice dovresti solo attaccarla, oppure potresti decidere di staccare il boiler quando usi il phon
Scherzi a parte,potrebbe essere un divertente esercizio di elettronica analogica.
30 messaggi
• Pagina 1 di 3 • 1, 2, 3
Torna a Impianti, sicurezza e quadristica
Chi c’è in linea
Visitano il forum: Google Adsense [Bot] e 66 ospiti

Elettrotecnica e non solo (admin)
Un gatto tra gli elettroni (IsidoroKZ)
Esperienza e simulazioni (g.schgor)
Moleskine di un idraulico (RenzoDF)
Il Blog di ElectroYou (webmaster)
Idee microcontrollate (TardoFreak)
PICcoli grandi PICMicro (Paolino)
Il blog elettrico di carloc (carloc)
DirtEYblooog (dirtydeeds)
Di tutto... un po' (jordan20)
AK47 (lillo)
Esperienze elettroniche (marco438)
Telecomunicazioni musicali (clavicordo)
Automazione ed Elettronica (gustavo)
Direttive per la sicurezza (ErnestoCappelletti)
EYnfo dall'Alaska (mir)
Apriamo il quadro! (attilio)
H7-25 (asdf)
Passione Elettrica (massimob)
Elettroni a spasso (guidob)
Bloguerra (guerra)




