Premetto che non devo fare nulla ma è solo curiosità.
Mi suggerite un sistema di indirizzamento tipo quello delle strisce led neopixel ?
In pratica permette di comandare ogni led, ma non conosco nulla (di altrettanto economico) che possa fare la stessa cosa.
Ne ho già comprata una per vedere se si possa modificare in quelche modo, ma ci vuole tempo prima che arrivi :)
grazie
Sistema indirizzamento semplice.
Moderatori:
carloc,
g.schgor,
BrunoValente,
IsidoroKZ
11 messaggi
• Pagina 1 di 2 • 1, 2
0
voti
Ciao,
sii più specifico: cosa devi fare esattamente?
i LED neopixel funzionano su un bus seriale, e hanno la logica integrata a bordo (e, sì, sono la soluzione più costosa).
Ci sono diversi modi di gestire LED, ma dipende tutto dal risultato che vuoi ottenere.
sii più specifico: cosa devi fare esattamente?
i LED neopixel funzionano su un bus seriale, e hanno la logica integrata a bordo (e, sì, sono la soluzione più costosa).
Ci sono diversi modi di gestire LED, ma dipende tutto dal risultato che vuoi ottenere.
0
voti
la stessa cosa :)
Ma nei led neopixel la tecnologia "credo" sia integrata al led, e sarei curioso capire come si possa fare la stessa cosa senza integrarla al led.
Ovviamente allo stesso costo.
Ripeto, è solo curiosità non devo fare nulla.
Ma nei led neopixel la tecnologia "credo" sia integrata al led, e sarei curioso capire come si possa fare la stessa cosa senza integrarla al led.
Ovviamente allo stesso costo.
Ripeto, è solo curiosità non devo fare nulla.
0
voti
Forse non ho capito che dubbio hai.
Hai provato a guardare il datasheet del WS2812 ?
https://cdn-shop.adafruit.com/datasheets/WS2812.pdf
è scritto tutto qui!
Hai provato a guardare il datasheet del WS2812 ?
https://cdn-shop.adafruit.com/datasheets/WS2812.pdf
è scritto tutto qui!

0
voti
forse è meglio un piccolo disegno di funzionamento del led (spero che sia simile) senza vcc e gnd.
Sto cercando ic1 :)
Sto cercando ic1 :)
1
voti
Oppure
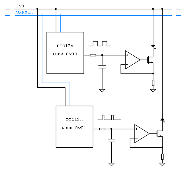
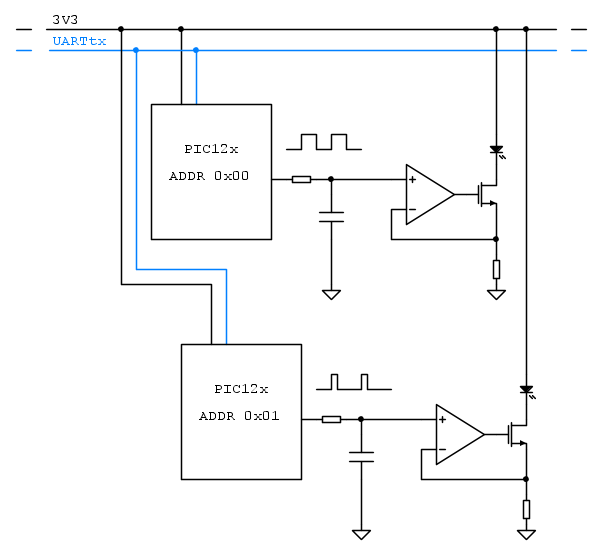
Per non programmare un indirizzo diverso per ogni PIC, avevo realizzato un sistema connesso a catena che capiva automaticamente la posizione di ogni microcontrollore, così da avere un singolo firmware. In alternativa l'indirizzo può essere impostato tramite jumper sugli input (ma sei limitato dal loro numero) o da un voltage divider + ADC (verrai limitato dalla risoluzione e devi saldare ogni volta resistenze diverse).
Per non programmare un indirizzo diverso per ogni PIC, avevo realizzato un sistema connesso a catena che capiva automaticamente la posizione di ogni microcontrollore, così da avere un singolo firmware. In alternativa l'indirizzo può essere impostato tramite jumper sugli input (ma sei limitato dal loro numero) o da un voltage divider + ADC (verrai limitato dalla risoluzione e devi saldare ogni volta resistenze diverse).
-

marioursino
5.687 3 9 13 - G.Master EY

- Messaggi: 1598
- Iscritto il: 5 dic 2009, 4:32
1
voti
perché generare un PWM, filtrarlo e poi controllare in corrente se puoi usare direttamente il PWM per comandare i led?
11 messaggi
• Pagina 1 di 2 • 1, 2
Chi c’è in linea
Visitano il forum: Nessuno e 278 ospiti

Elettrotecnica e non solo (admin)
Un gatto tra gli elettroni (IsidoroKZ)
Esperienza e simulazioni (g.schgor)
Moleskine di un idraulico (RenzoDF)
Il Blog di ElectroYou (webmaster)
Idee microcontrollate (TardoFreak)
PICcoli grandi PICMicro (Paolino)
Il blog elettrico di carloc (carloc)
DirtEYblooog (dirtydeeds)
Di tutto... un po' (jordan20)
AK47 (lillo)
Esperienze elettroniche (marco438)
Telecomunicazioni musicali (clavicordo)
Automazione ed Elettronica (gustavo)
Direttive per la sicurezza (ErnestoCappelletti)
EYnfo dall'Alaska (mir)
Apriamo il quadro! (attilio)
H7-25 (asdf)
Passione Elettrica (massimob)
Elettroni a spasso (guidob)
Bloguerra (guerra)






