Cos'è ElectroYou | Login Iscriviti

ElectroYou - la comunità dei professionisti del mondo elettrico

Diorama barra automatica

Elettronica lineare e digitale: didattica ed applicazioni

Moderatori: Foto Utentecarloc, Foto Utenteg.schgor, Foto UtenteBrunoValente, Foto UtenteIsidoroKZ

0
voti

[1] Diorama barra automatica

Messaggioda Foto UtenteMacelettronic » 23 mag 2019, 16:26

Ciao ragazzi, mi servirebbe il vostro aiuto se possibile.
Sto progettando un diorama, in cui vorrei mettere una barra automatica, per capirci quelle che si usano nei posteggi per l'ingresso ed uscita delle auto, pensavo però di renderla mobile, semplicemente con uno switch per farla aprire o chiudere.
Il mio problema però è il seguente, non riesco a capire come collegare un interruttore di fine corsa sia per interrompere la corrente ad apertura conclusa, sia in chiusura, dovrei installare due ovviamente, non vorrei fare nulla di complicato pensavo ad un semplice interruttore generale per staccare la corrente a tutto il diorama, e poi uno switch per comandare l'apertura e chiusura della barra, ma non mi viene in mente nulla su come interrompere la corrente a fine corsa, eccetto un interruttore che però non so come collegarlo :(

Mi potete aiutare?
Grazie mille
Avatar utente
Foto UtenteMacelettronic
55 2 6
Frequentatore
Frequentatore
 
Messaggi: 212
Iscritto il: 1 feb 2012, 11:08

0
voti

[2] Re: Diorama barra automatica

Messaggioda Foto UtenteGuidoB » 24 mag 2019, 0:36

Secondo me non vale la pena di utilizzare finecorsa (due) in questo caso.

Mi sembra più semplice un blocco meccanico dell'escursione della sbarra.

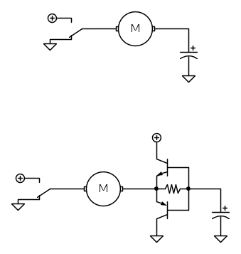
Per evitare che la corrente continui a fluire, utilizzerei uno di questi circuiti.
Quello in alto, più semplice, è limitato a motori con assorbimento molto basso (20 mA per esempio).
L'altro serve per motori con assorbimento maggiore.
Entrambi i circuiti danno un effetto di rallentamento all'avvicinarsi a fine corsa.



Ovviamente, senza altri dati come tensione di alimentazione, corrente assorbita dal motore e tempo necessario per apertura e chiusura, non si possono dare valori ai componenti.
Big fan of ƎlectroYou!       Ausili per disabili e anziani su ƎlectroYou
Caratteri utili: À È É Ì Ò Ó Ù α β γ δ ε η θ λ μ π ρ σ τ φ ω Ω º ª ² ³ √ ∛ ∜ ₀ ₁ ₂ ₃ ₄ ₅ ₆ ∃ ∄ ∆ ∈ ∉ ± ∓ ∾ ≃ ≈ ≠ ≤ ≥
Avatar utente
Foto UtenteGuidoB
17,8k 7 12 13
G.Master EY
G.Master EY
 
Messaggi: 2809
Iscritto il: 3 mar 2011, 16:48
Località: Madrid

0
voti

[3] Re: Diorama barra automatica

Messaggioda Foto UtenteMacelettronic » 24 mag 2019, 18:03

ciao grazie per la risposta, diciamo che per adesso vorrei capire come fare il lavoro e poi vedere cosa trovo in negozio o meglio online, visto che l'unico negozio della mia città dove trovavo tutto ha chiuso :(
vorrei usare motorini piccoli visto che il diorama sarà in scala 1:43.

Io ero per fare uno schema più semplice possibile, inizialmente pensavo ad un deviatore manuale e due finecorsa per interrompere la corrente, ma poi mi sono sorti alcuni dubbi, tra cui come non far andare in corto il circuito visto che ad ogni pin del motorino ci sarebbero entrambi i poli collegati.

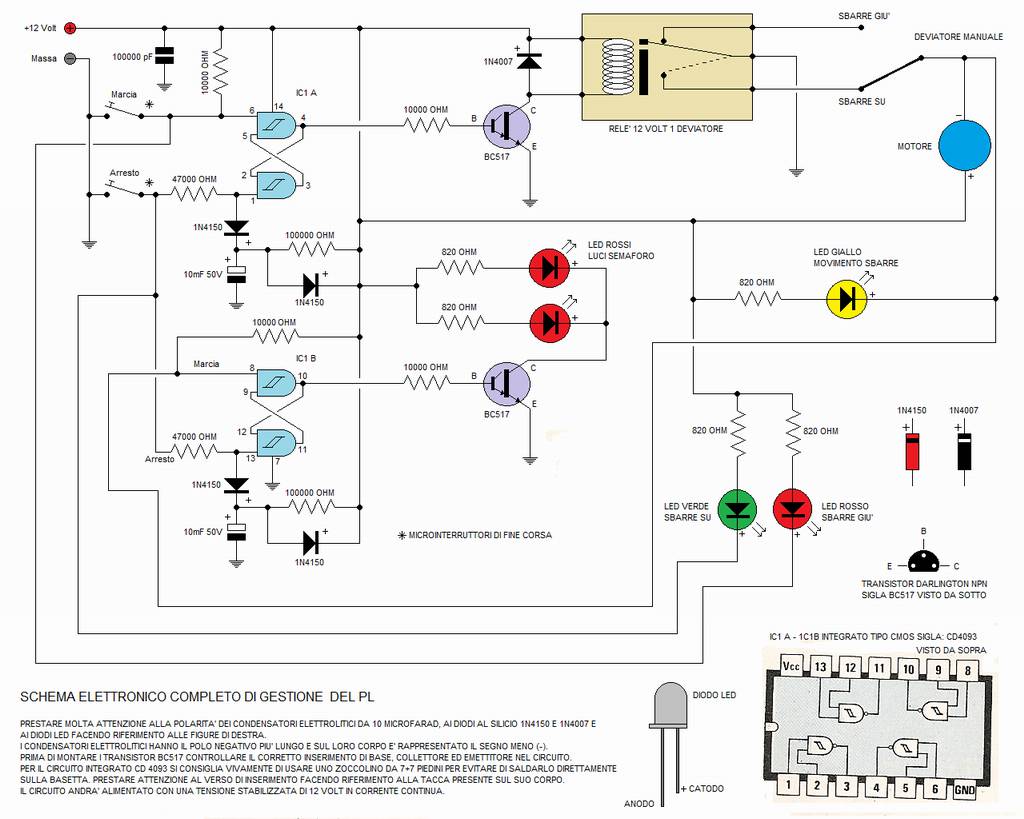
Cercando online ho trovato uno schema che fa la mio caso, nello specifico è usato per un passaggio a livello di un diorama ferroviario, ma alla fine il principio è lo stesso :D
Però non capisco una cosa, li usa un relè 12V deviatore, ma non riesco a capire quale relè dovrei acquistare, cerco online ma trovo un sacco di relè e non so quale fa per me, ho anche contattato il proprietario della pagina, ma non risponde, magari l'email non è più attiva essendo datato il post. :(
Mi aiuteresti se non chiedo troppo?

Modificherei questo schema togliendo i due led rossi del semaforo, perché non mi servono ed aggiungerei uno schema per il lampeggio del led giallo, tramite NE555 molto semplice, su questo non dovrei avere problemi, tolgo la resistenza da 820 Ω ed aggiungo lo schema con NE555.

Allego il jpg dello schema ed il link dove l'ho trovato.

http://www.scalatt.it/bottega%20plastic ... onante.htm
Allegati
Schema_elettronico_PL_new.JPG
Avatar utente
Foto UtenteMacelettronic
55 2 6
Frequentatore
Frequentatore
 
Messaggi: 212
Iscritto il: 1 feb 2012, 11:08

0
voti

[4] Re: Diorama barra automatica

Messaggioda Foto UtenteGuidoB » 25 mag 2019, 17:07

Dovresti decidere prima di tutto che meccanismo usare.

Il motore ruoterà sempre nello stesso verso, oppure dovrà invertire il verso di rotazione per alzare/abbassare? Il circuito di comando è diverso nei due casi (solitamente un po' più semplice se il motore gira in un solo verso).

Se usi un motore che assorbe poca corrente potrai anche fare a meno del relè.

Dovrai probabilmente usare un motoriduttore, cioè un motore seguito da ingranaggi che riducano la velocità di rotazione, altrimenti il movimento della sbarra sarà troppo rapido.

Quanto tempo pensi di far durare il movimento della sbarra? Perché se dura meno di 2 secondi, come nella realtà, mi chiedo che senso ha far lampeggiare un LED durante il movimento, dal momento che vedresti solo uno o due lampeggi.

Pensi di comandare la sbarra manualmente oppure farla alzare e abbassare a intervalli regolari di tempo?

Macelettronic ha scritto:Io ero per fare uno schema più semplice possibile

I circuiti che ti ho disegnato non sono abbastanza semplici?

GuidoB ha scritto:Ovviamente, senza altri dati come tensione di alimentazione, corrente assorbita dal motore e tempo necessario per apertura e chiusura, non si possono dare valori ai componenti.
Big fan of ƎlectroYou!       Ausili per disabili e anziani su ƎlectroYou
Caratteri utili: À È É Ì Ò Ó Ù α β γ δ ε η θ λ μ π ρ σ τ φ ω Ω º ª ² ³ √ ∛ ∜ ₀ ₁ ₂ ₃ ₄ ₅ ₆ ∃ ∄ ∆ ∈ ∉ ± ∓ ∾ ≃ ≈ ≠ ≤ ≥
Avatar utente
Foto UtenteGuidoB
17,8k 7 12 13
G.Master EY
G.Master EY
 
Messaggi: 2809
Iscritto il: 3 mar 2011, 16:48
Località: Madrid

0
voti

[5] Re: Diorama barra automatica

Messaggioda Foto UtenteMacelettronic » 26 mag 2019, 17:48

Ciao, i tuoi schemi sono abbastanza semplici, unica cosa, non capisco come bloccare il motore a fine corsa, inoltre, (scusa ma non sono tanto esperto), non capisco cosa sono, nel secondo disegno, quei simboli a destra del motore che circondano la resistenza.

Il motore penso di farlo girare nei due versi, per problemi di spazio, attualmente non ho in mente nessun disegno che occupi poco spazio per creare un poi e chiudi con il motore che gira nello stesso verso.
Per il problema della tensione del motore, meno è meglio è, calcola che ho già pronto uno schema per il lampeggio dei lampeggianti delle auto e funziona a 6 V, ho già visto online un motorino da 6V 400mA che credo possa andare bene, fornito con trasmissione di 26:1 (non ho idea di che velocità ottengo alla fine), ma questo non sarebbe un problema, potrei stampare degli ingranaggi per farlo girare più lentamente, oppure cosa più semplice se possibile, modificare la velocità tramite resistenza?

Io inizialmente avevo pensato ad un deviatore, per invertire la corrente e due fine corsa, ma poi mi è sorto un problema, cioè quando il fine corsa è premuto quindi è su OFF come faccio a bypassarlo?

Diciamo che a livello di progettazione elettronica non ne capisco nulla, se si tratta di ricreare lo schema su mille fori non ho problemi ma per progettarlo sono a zero.
Accetto tutti i consigli che vorrai darmi, per adesso non ho nulla in casa quindi non ho vincoli sul circuito come corrente o altro.
Avatar utente
Foto UtenteMacelettronic
55 2 6
Frequentatore
Frequentatore
 
Messaggi: 212
Iscritto il: 1 feb 2012, 11:08

0
voti

[6] Re: Diorama barra automatica

Messaggioda Foto UtenteGuidoB » 28 mag 2019, 0:15

Macelettronic ha scritto:non capisco come bloccare il motore a fine corsa

Basta un fermo meccanico, tipo la sbarra che abbassandosi si appoggia su un supporto, e alzandosi incontra un chiodino che ne ferma la rotazione. Se il motorino è poco potente, e ci metti eventualmente una resistenza in serie per limitare la corrente, o usi uno dei circuiti visti sopra che danno un rallentamento nel corso del movimento, non dovrebbe esserci nessun problema.

Macelettronic ha scritto:non capisco cosa sono, nel secondo disegno, quei simboli a destra del motore che circondano la resistenza.

Sono due transistor, sopra un NPN e sotto un PNP, collegati come inseguitori di tensione.

Macelettronic ha scritto:ho già visto online un motorino da 6V 400mA che credo possa andare bene, fornito con trasmissione di 26:1 (non ho idea di che velocità ottengo alla fine), ma questo non sarebbe un problema, potrei stampare degli ingranaggi per farlo girare più lentamente, oppure cosa più semplice se possibile, modificare la velocità tramite resistenza?

400 mA mi sembrano tantini, ma magari va bene anche quello. Guarda quanti giri fa al minuto, intorno a 15 dovrebbe andar bene.

Sì, entro certi limiti, con una resistenza o diodi in serie si riescce a rallentare un motorino in CC.

Macelettronic ha scritto:Io inizialmente avevo pensato ad un deviatore, per invertire la corrente e due fine corsa, ma poi mi è sorto un problema, cioè quando il fine corsa è premuto quindi è su OFF come faccio a bypassarlo?

Se inverti la polarità, puoi mettere un diodo in parallelo a ogni finecorsa.
Prova a quardare lo schema a questo intervento. Potrebbe fare al caso tuo, togliendo eventualmente il transistor e i componenti di contorno, che servono unicamente a far accendere un LED quando il motore è in movimento.
Big fan of ƎlectroYou!       Ausili per disabili e anziani su ƎlectroYou
Caratteri utili: À È É Ì Ò Ó Ù α β γ δ ε η θ λ μ π ρ σ τ φ ω Ω º ª ² ³ √ ∛ ∜ ₀ ₁ ₂ ₃ ₄ ₅ ₆ ∃ ∄ ∆ ∈ ∉ ± ∓ ∾ ≃ ≈ ≠ ≤ ≥
Avatar utente
Foto UtenteGuidoB
17,8k 7 12 13
G.Master EY
G.Master EY
 
Messaggi: 2809
Iscritto il: 3 mar 2011, 16:48
Località: Madrid

0
voti

[7] Re: Diorama barra automatica

Messaggioda Foto UtenteMacelettronic » 28 mag 2019, 16:39

Ciao ho dato uno sguardo alla discussione che mi hai indicato, lo schema al punto 16 mi sembra il più chiaro da leggere, anche se non capisco alcune cose ma dovuto al fatto che non so leggere benissimo gli schemi. :(
Di sicuro molto più chiaro e semplice di quello trovato da me online che avevo postato inizialmente.
Ho dato una lettura veloce alla discussione, se non ho capito male li si parla di fine corsa con diodi integrati, quindi nel mio caso i diodi messi nel fine corsa dovrei trascurarli giusto?
L'unica modifica che dovrei fare sarebbe inserire un led giallo di movimento, quindi che si accenda ad ogni movimento della sbarra.
Ma i componenti indicati in quella discussione, vanno bene anche per me che lavorerei a 6V?
Anche se fra questo schema, quelli con il 555 per far lampeggiare i modellini, le varie luci all'interno del diorama non so se dovrò cambiare alimentatore.
Avatar utente
Foto UtenteMacelettronic
55 2 6
Frequentatore
Frequentatore
 
Messaggi: 212
Iscritto il: 1 feb 2012, 11:08

0
voti

[8] Re: Diorama barra automatica

Messaggioda Foto UtenteGuidoB » 29 mag 2019, 0:21

Macelettronic ha scritto:Ho dato una lettura veloce alla discussione, se non ho capito male li si parla di fine corsa con diodi integrati, quindi nel mio caso i diodi messi nel fine corsa dovrei trascurarli giusto?

Sbagliato. Li devi mettere, rispettando la polarità. Degli 1N4001 o 1N4007 andranno bene.

Macelettronic ha scritto:L'unica modifica che dovrei fare sarebbe inserire un led giallo di movimento, quindi che si accenda ad ogni movimento della sbarra.

Il LED è già incluso nel circuito che ti ho indicato.

Macelettronic ha scritto:Ma i componenti indicati in quella discussione, vanno bene anche per me che lavorerei a 6V?

L'unica cosa che cambia è la resistenza in serie al LED, che passa da 680 Ω a 270 Ω. Il circuito aggiornato è:

Big fan of ƎlectroYou!       Ausili per disabili e anziani su ƎlectroYou
Caratteri utili: À È É Ì Ò Ó Ù α β γ δ ε η θ λ μ π ρ σ τ φ ω Ω º ª ² ³ √ ∛ ∜ ₀ ₁ ₂ ₃ ₄ ₅ ₆ ∃ ∄ ∆ ∈ ∉ ± ∓ ∾ ≃ ≈ ≠ ≤ ≥
Avatar utente
Foto UtenteGuidoB
17,8k 7 12 13
G.Master EY
G.Master EY
 
Messaggi: 2809
Iscritto il: 3 mar 2011, 16:48
Località: Madrid

0
voti

[9] Re: Diorama barra automatica

Messaggioda Foto UtenteMacelettronic » 31 mag 2019, 18:44

Ciao, intanto scusa il ritardo nel rispondere ma in questi giorno sono stato un po impegnato.
Ti ringrazio per per l'aggiornamento dello schema, guardandolo nell'altra conversazione leggevo led dx/sx e pensavo fossero due led uno che indicava il movimento da un lato ed un per l'altro lato :)

Quando sarò un po' più libero inzierò a lavorarci sopra, dovrei avere tutto dentro eccetto il motorino, ma potrei intanto provarlo sulla basetta di prova, sostituendo il motore con due led montati con i poli invertiti l'uno rispetto all'altro in modo da vederli accesi in base alla posizione dello switch (almeno penso si possa fare come prova), ovviamente associati con due resistenze per non bruciarli.

In caso non dovessi avere diodi e transistor con quella singola in casa, posso dirti quali ho per vedere se sono equivalenti per il mio lavoro?

Grazie sempre per l'aiuto :)
Avatar utente
Foto UtenteMacelettronic
55 2 6
Frequentatore
Frequentatore
 
Messaggi: 212
Iscritto il: 1 feb 2012, 11:08

0
voti

[10] Re: Diorama barra automatica

Messaggioda Foto UtenteGuidoB » 31 mag 2019, 19:43

Macelettronic ha scritto:Ciao, intanto scusa il ritardo nel rispondere ma in questi giorno sono stato un po impegnato.

Non preoccuparti, qui rispettiamo i ritmi di tutti.

Macelettronic ha scritto:Ti ringrazio per per l'aggiornamento dello schema, guardandolo nell'altra conversazione leggevo led dx/sx e pensavo fossero due led uno che indicava il movimento da un lato ed un per l'altro lato :)

Sì, in effetti era così :D .

Macelettronic ha scritto:In caso non dovessi avere diodi e transistor con quella singola in casa, posso dirti quali ho per vedere se sono equivalenti per il mio lavoro?

Certo. Va bene praticamente qualunque transistor PNP piccolino, e se è un NPN si può modificare lo schema per utilizzarlo.
Big fan of ƎlectroYou!       Ausili per disabili e anziani su ƎlectroYou
Caratteri utili: À È É Ì Ò Ó Ù α β γ δ ε η θ λ μ π ρ σ τ φ ω Ω º ª ² ³ √ ∛ ∜ ₀ ₁ ₂ ₃ ₄ ₅ ₆ ∃ ∄ ∆ ∈ ∉ ± ∓ ∾ ≃ ≈ ≠ ≤ ≥
Avatar utente
Foto UtenteGuidoB
17,8k 7 12 13
G.Master EY
G.Master EY
 
Messaggi: 2809
Iscritto il: 3 mar 2011, 16:48
Località: Madrid

Prossimo

Torna a Elettronica generale

Chi c’è in linea

Visitano il forum: Nessuno e 40 ospiti