Ciao,
per determinare le caratteristiche che desideri non puoi considerare la cella di Peltier isolata, devi tenere in considerazione anche il carico a cui è collegata.
Potresti costruirti un modellino equivalente della cella per capire come funziona.
I problemi termici puoi rappresentarli con delle grandezze elettriche equivalenti.
Una temperatura la rappresenti come una tensione (1 Kelvin --> 1 volt), un flusso di calore lo rappresenti come una corrente (1 W --> 1 Ampere), una resistenza termica la rappresenti come una resistenza elettrica (resistenza termica di 1 K/W --> resistenza elettrica di 1

), una capacità termica la rappresenti come una capacità elettrica (capacità termica di 1 J/K --> capacità elettrica di 1 Farad).
Con queste equivalenze puoi costruire un modellino lumped element del tuo sistema termico, accoppiando gli effetti termici ed elettrici, per capire in dettaglio cosa sta succedendo.
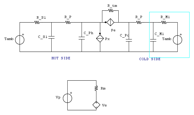
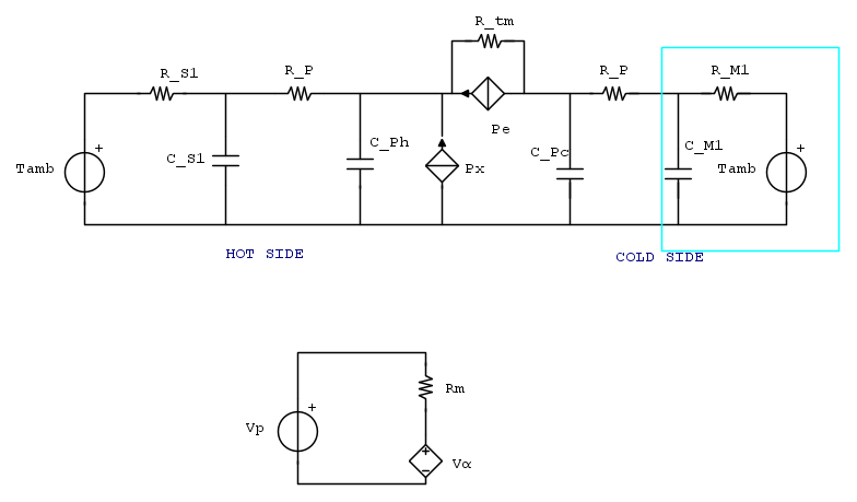
Un modello elettrico equivalente abbastanza semplice lo trovi ad es. qua:
Chavez et al., «SPICE Model of Thermoelectric Elements Including Thermal Effects», 2000Che appare così, considerando la situazione semplice di una cella di Peltier collegata fra un dissipatore ed un altro oggetto (passivo, che non genera calore; in seguito possiamo approfondire e complicare il modello quanto vuoi per tenere in considerazione ad esempio un chip che dissipa calore)
la parte sopra rappresenta il modello termico (modellato con un circuito elettrico equivalente), la parte sotto è la descrizione del comportamento elettrico.
Analizziamo le varie parti.
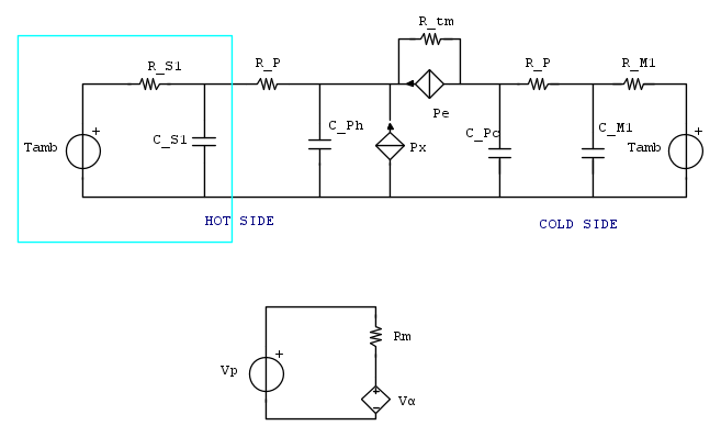
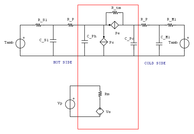
Questo evidenziato in azzurro:
è il dissipatore.
Il generatore di tensione rappresenta il fatto che l'heat sink ti collega, termicamente, all'ambiente, che si trova a temperatura ambiente

(espressa in Kelvin).
La resistenza e la capacità sono la resistenza termica e la capacità termica del dissipatore.
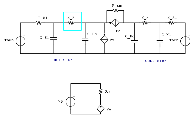
Questa:
è la resistenza termica della pasta termica che usi per attaccare la cella di Peltier al dissipatore.
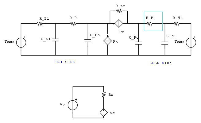
Questa:
è di nuovo la resistenza termica della pasta termica che usi per attaccare la cella di Peltier dall'altro lato.
Questo:
è l'oggetto che vuoi raffreddare, stesse considerazioni fatte per il dissipatore.
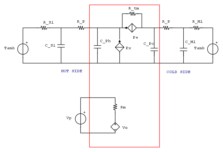
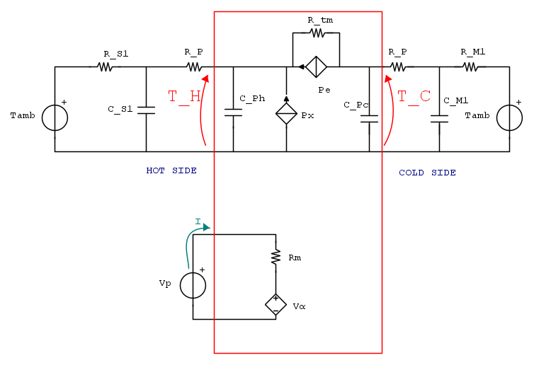
Passiamo alla parte interessante, la cella di Peltier, come da primo schema, quella evidenziata in rosso:
rispetto a prima ho anche evidenziato le tensioni TH e TC (che sono le TEMPERATURE dal lato caldo e lato freddo della cella)

è la tensione elettrica che applichi alla cella di Peltier

è la resistenza elettrica della cella di Peltier. Puoi stimarla basandoti sul datasheet della tua cella:


è la tensione per l'effetto Seebeck, vale

, dove il coefficiente di effetto Seebeck


e

sono le capacità termiche della cella. Puoi stimarle sulla base delle dimensioni dei piatti (come stimeresti la capacità termica di qualsiasi oggetto)

è la resistenza termica della cella. Puoi stimarla sulla base dei parametri del datasheet come

ed i generatori pilotati di corrente (che in realtà non portano corrente elettrica ma calore...) valgono


--------------
Come stimare resistenza e capacità termica di un oggeto? Immagina di attaccare da un lato della cella un blocchetto di alluminio, di dimensioni Lx, Ly, Lz nelle tre direzioni (Lz è la dimensione ortogonale alla faccia della cella).
La sua resistenza termica vale:

(più è spesso, più resistenza hai... maggiore è l'area, meno resistenza hai), dove il fattore

W/mK per l'alluminio.
La sua capacità termica vale:

(maggiore è il volume, più capacità hai), dove per l'alluminio

g/cm^3,

J/gK
---------------
Se vuoi imparare cosa succede in una cella di Peltier sia dal punto di vista termico che elettrico, ti consiglio di provare a giocare con questo modellino. Prenditi un qualsiasi simulatore Spice e gioca :)