Vorrei continuare il discorso sul calcolo della resistenza equivalente di un bipolo costituito da una rete comunque complessa.
Alcuni di voi hanno gia' letto i miei due articoli (
parte I e
parte II). Il metodo descritto e' geniale, ma molto macchinoso.
Ora vorrei presentarvi un metodo di calcolo piu' immediato, ma valido solo per circuiti formati da sole resistenze (punto da approfondire...).
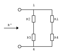
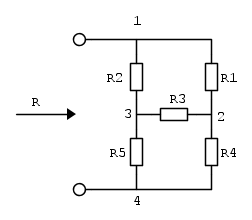
Facciamo riferimento al circuito iniziale proposto in questo 3D e che ripropongo di seguito per comodita'.
Dati:

,

,

,

,

.
Vogliamo calcolare la resistenza equivalente R vista dai morsetti di alimentazione.
La resistenza "fastidiosa" e' la

, la eliminiamo (significa far tendere il suo valore ad infinito).
Calcoliamo la resistenza equivalente di questa nuova rete:

Non bisogna semplificare la frazione. Numeratore e denominatore rappresentano i valori dei polinomi F e F'. Ci serviranno in seguito.
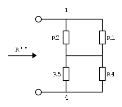
Ora calcoliamo la resistenza equivalente della rete diametralmente opposta. Mettiamo in corto circuito i nodi 3 e 2.

Anche in questo caso non bisogna eseguire nessuna semplificazione in quanto e' necessario conoscere i singoli valori dei polinomi G e G'.
Ora siamo in grado di calcolare la resistenza della rete originale, tramite la seguente trasformazione bilineare:

Se avro' tempo, provero' a scrivere un breve articolo anche su questo metodo. Mi sembra interessante e noto dei punti in comune con il teorema ben piu' generale del prof. Middlebrook.