Cos'è ElectroYou | Login Iscriviti

ElectroYou - la comunità dei professionisti del mondo elettrico

transistor bruciato

Elettronica lineare e digitale: didattica ed applicazioni

Moderatori: Foto Utentecarloc, Foto Utenteg.schgor, Foto UtenteBrunoValente, Foto UtenteIsidoroKZ

0
voti

[11] Re: transistor bruciato

Messaggioda Foto Utentelelerelele » 26 giu 2019, 18:55

matxx ha scritto:sto già iniziando a farmi qualche calcolo che poi posterò in questa pagina in modo che voi mi possiate dire se sto facendo bene oppure no!

credo che il calcolo di questo circuito sia una impresa titanica anche per chi è ben più bravo in matematica ed elettrotecnica, di me e te messi assieme.

Basti pensare che il circuito è retroazionato, questo va ad influire sul punto di lavoro statico ed il calcolo si aggroviglia, (a mio parere).

dal mio punto di vista basterebbe che riuscissi a realizzare il circuito e che funzionasse, credimi se ti dico che gia questo, implica una ottima conoscenza dei transistor e del loro uso.

saluti.
Avatar utente
Foto Utentelelerelele
4.899 3 7 9
Master
Master
 
Messaggi: 5505
Iscritto il: 8 giu 2011, 8:57
Località: Reggio Emilia

0
voti

[12] Re: transistor bruciato

Messaggioda Foto UtenteBrunoValente » 26 giu 2019, 19:42

matxx ha scritto:...lo schema è quello della prima immagine, non voglio solo copiarlo, ma voglio calcolarmi tutti i valori di corrente tensione ecc... sto già iniziando a farmi qualche calcolo che poi posterò in questa pagina in modo che voi mi possiate dire se sto facendo bene oppure no!


Non è difficile calcolare correnti e tensioni in quello schema, basta sapere l'elettronica necessaria... tu come pensi di essere messo?

Non voglio demoralizzarti ma dalle prove che hai fatto, dai risultati che hai ottenuto e da come hai dimostrato di saperti muovere non sembrerebbe che sia messo tanto bene.

In questo genere di percorso è importante avere la piena consapevolezza di dove si sta e di quanto ancora manca per arrivare.. fossi in te partirei con qualcosa di più semplice.
Avatar utente
Foto UtenteBrunoValente
39,6k 7 11 13
G.Master EY
G.Master EY
 
Messaggi: 7796
Iscritto il: 8 mag 2007, 14:48

0
voti

[13] Re: transistor bruciato

Messaggioda Foto Utentematxx » 26 giu 2019, 22:21

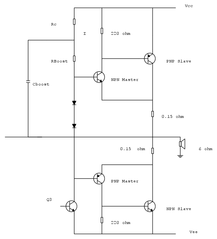
ok allora vado per gradi... al circuito che ho postato ci arriviamo dopo...
tenendo lo stesso schema , vorrei creare un amplificatore che abbia :
Potenza 30 w
carico da 6 ohm.

per avere quella potenza ho bisogno di una tenione di uscita pari a:
Vout = sqrt(2*Rl*potenza) => sqrt(2*6*30) = 19v
avrò una corrente max di:
Iout= Vout/Rl => 19/6 =3.16 A
la mia tensione di alimentazioni sarà pari a:
Vcc =-Vee = 19v+5v =24 V
I 5v aggiunti sono quelli per tenere conto delle cadute sulle resistenze da 0.15 ohm e sui transistor Slave
...
Partendo dallo stadio finale, (ho preso solo una parte, quella alimentata da Vcc) la configurazione usata è quella chiamata Sziklai


Siccome il transistor che ho chiamato Master è un Npn, tutta la configurazione può essere vista come un transistor Npn.
Se i 2 transistor sono identici posso scrivere che:
Ic=beta^2*Ib.

Supponendo di avere un beta pari a 50 per tutti e 2 i transistor (master e slave) dovrei avere:
Ic(Master)= Iout/beta(Slave) => 3.16/50 =63.2 mA
ho anche che:
Ic(Master)=Ib(slave)
Mi calcolo Ib(Master)
Ib(Master)=Ic(Master)/beta(Master) => 63.2/50 =1.264 mA.

per La resistenza da 220 ohm ho letto che deve essere scelta da un min di 100 ohm ad un max di 1k ohm onde evitare elevata distorsione di crossover (per valore piccolo) o poca stabilita termica (per valore elevato).
Per la scelta del transistor (slave) devo stare attento alla Vce.
La Vce sarà pari a:
Vce=Vcc+Vout => 24+19 =43 V.
Dovrò scegliere un transistor che abbia una vce più alta di 43v.
La resistenza da 0.15 ohm da un contributo per la stabilità termica dello stadio finale.
Va bene questa prima parte di analisi?
Avatar utente
Foto Utentematxx
5 5
New entry
New entry
 
Messaggi: 85
Iscritto il: 30 mar 2012, 11:20

0
voti

[14] Re: transistor bruciato

Messaggioda Foto UtenteIlGuru » 27 giu 2019, 15:55

Questo schema mi sembra più valido per una stufa che per un amplificatore
\Gamma\nu\tilde{\omega}\theta\i\ \sigma\epsilon\alpha\upsilon\tau\acute{o}\nu
Avatar utente
Foto UtenteIlGuru
5.482 2 10 13
G.Master EY
G.Master EY
 
Messaggi: 1924
Iscritto il: 31 lug 2015, 23:32

0
voti

[15] Re: transistor bruciato

Messaggioda Foto Utentematxx » 27 giu 2019, 19:50

ciao, dici che scalda molto????
comunque sono andato avanti


Allora:
imponendo una corrente I di 4 volte quella che va alla base del transisor Master ( che è di 1.264 mA) ho:
I= 4*1.264 = 5.056 mA
mettiamo quindi i=5 mA

ora mi calcolo i valori di Rc e Rboost

Rc+ Rboost=(vcc-vbeMaster)/5 mA

Rc+ Rboost=(24-0.7)/5 mA = 4.66K

Scegliendo Rc =Rboost ho che:
Rc =2.2k
RBoost= 2.2k

per calcolarmi Cboost ho sato questa formula:
Cboost= (1/Fmin)*(Rc+Rboost)/(Rc*Rboost)

con Fmin =50 Hz
ottengo
Cboost =18 uF
Avatar utente
Foto Utentematxx
5 5
New entry
New entry
 
Messaggi: 85
Iscritto il: 30 mar 2012, 11:20

Precedente

Torna a Elettronica generale

Chi c’è in linea

Visitano il forum: Nessuno e 94 ospiti