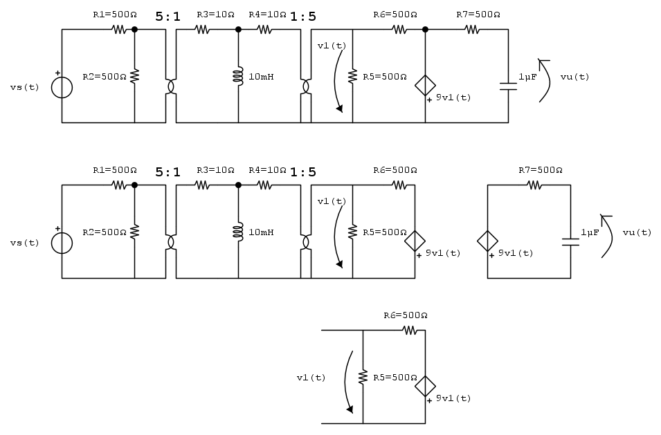
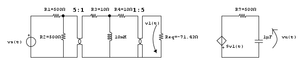
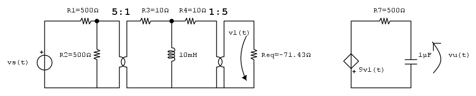
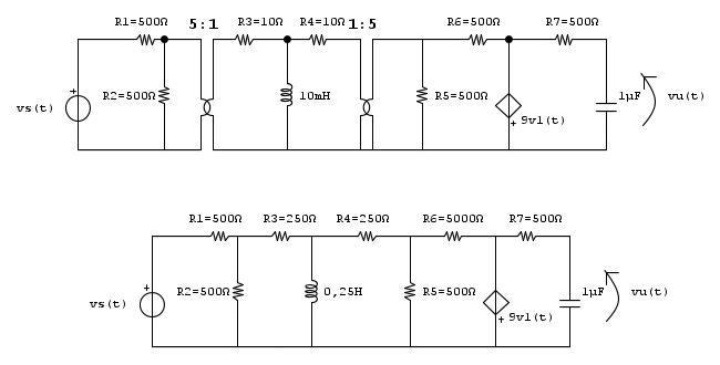
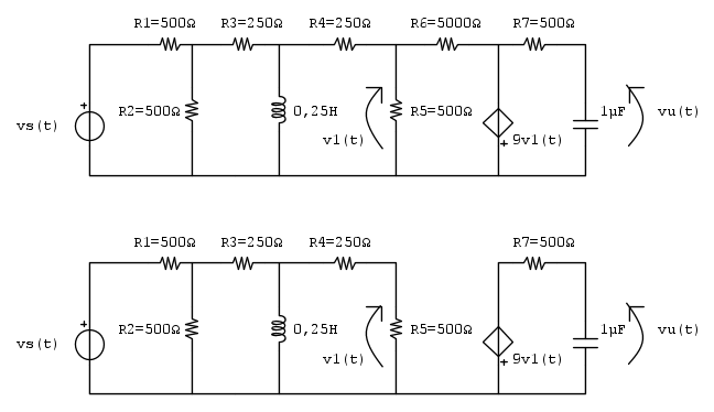
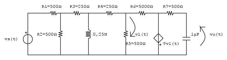
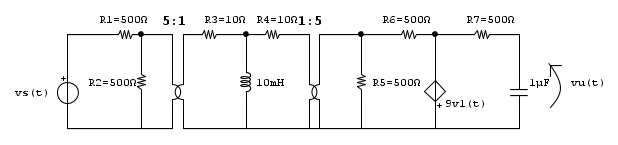
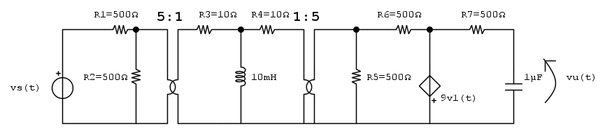
:Ho semplificato i trasformatori ideali e dopo ho provato a semplificare altre resistenze con la trasformazione della sorgente vs(t) e la conversione stella-delta ma non sono riuscito a venirne a capo.. Consigli su come posso procedere? Grazie
Moderatori:
carloc,
g.schgor,
BrunoValente,
IsidoroKZ
:














Visitano il forum: Nessuno e 77 ospiti