Consigli sulla risoluzione del transitorio
Moderatori:
g.schgor,
IsidoroKZ
1
voti
Prova a ricontrollare i primi termini di entrambe, per la seconda di certo il contributo non potrà essere negativo, visto il verso di vG.
"Il circuito ha sempre ragione" (Luigi Malesani)
0
voti
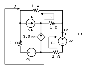
Mi scuso per quanto io possa essere ripetitivo e scocciante, sto analizzando il seguente circuito:
da cui ero arrivato, con le maglie che ho scelto alla formulazione di quel sistema di matrici. Ho solo un dubbio: la corrente che ho chiamato
entra dal morsetto negativo del generatore indipendente di corrente
ma la tensione gli va contro: è giusto che io abbia messo
nella colonna dei termini noti? per il resto provo a ricontrollare il sistema alla ricerca di qualche errore.
ALT: credo di averlo trovato! Un attimo che rivedo tutti i calcoli. Con il caldo di oggi veramente non riesco a concentrarmi è disumano il clima in Sicilia
da cui ero arrivato, con le maglie che ho scelto alla formulazione di quel sistema di matrici. Ho solo un dubbio: la corrente che ho chiamato
entra dal morsetto negativo del generatore indipendente di corrente
ma la tensione gli va contro: è giusto che io abbia messo
nella colonna dei termini noti? per il resto provo a ricontrollare il sistema alla ricerca di qualche errore.ALT: credo di averlo trovato! Un attimo che rivedo tutti i calcoli. Con il caldo di oggi veramente non riesco a concentrarmi è disumano il clima in Sicilia
-

MrEngineer
144 1 7 - Frequentatore

- Messaggi: 190
- Iscritto il: 18 mag 2019, 12:02
1
voti
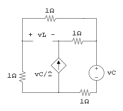
Ti faccio vedere da dove ho ricavato il contributo della vC alla vL
In questo rete binodalle la tensione fra i due nodi risulta uguale a vC e quindi ic=0 e
.
In questo rete binodalle la tensione fra i due nodi risulta uguale a vC e quindi ic=0 e
."Il circuito ha sempre ragione" (Luigi Malesani)
1
voti
Sono un idiota. Lascia stare. E' corretto. Giustamente, nella mia testa, -0.5 - 0.5 vanno ad elidersi... Si salvi chi può, il cervello prende fuoco. In definitiva, sono arrivato a questo:




-

MrEngineer
144 1 7 - Frequentatore

- Messaggi: 190
- Iscritto il: 18 mag 2019, 12:02
1
voti
MrEngineer ha scritto:Sono un idiota. Lascia stare. E' corretto. Giustamente, nella mia testa, -0.5 - 0.5 vanno ad elidersi... Si salvi chi può, il cervello prende fuoco. In definitiva, sono arrivato a questo:
Ok, ora usa le relazioni costitutive per C e per L per scrivere le equazioni differenziali.
"Il circuito ha sempre ragione" (Luigi Malesani)
1
voti
Io intanto vado avanti; la matrice A ci porta quindi a due autovalori che corrispondono alle pulsazioni naturali del sistema lineare


ora, per farla breve, possiamo usare queste pulsazioni, associandole ad una soluzione a regime
e
, ottenute per via fasoriale (ovviamente a interruttore chiuso)per scrivere:


per le quali, grazie alle quattro condizioni iniziali, ottenerremo i quattro coefficienti.


ora, per farla breve, possiamo usare queste pulsazioni, associandole ad una soluzione a regime
e
, ottenute per via fasoriale (ovviamente a interruttore chiuso)per scrivere:

per le quali, grazie alle quattro condizioni iniziali, ottenerremo i quattro coefficienti.
"Il circuito ha sempre ragione" (Luigi Malesani)
0
voti
Grazie per le dritte, pian pianino la mia testa dura sta arrivando a capire.
Giusto per vedere se ho capito, se oltre a vg avessi avuto altri due generatori, ovviamente le grandezze sarebbero state funzione anche degli altri due generatori, giusto?
RenzoDF ha scritto:Certo che c'è,e
rappresentano le variabili di stato,
l'ingresso forzante del sistema.
Giusto per vedere se ho capito, se oltre a vg avessi avuto altri due generatori, ovviamente le grandezze sarebbero state funzione anche degli altri due generatori, giusto?
-

MrEngineer
144 1 7 - Frequentatore

- Messaggi: 190
- Iscritto il: 18 mag 2019, 12:02
1
voti
Giusto ma, come dicevo, dei generatori forzanti potevamo fare anche a meno, in quanto a noi sostanzialmente interessa solo la matrice A, al fine di determinare le pulsazioni naturali.
I generatori forzanti ci interessano solo per la condizione iniziale all'istante t=0+ sulle derivate e per le soluzioni a regime.
I generatori forzanti ci interessano solo per la condizione iniziale all'istante t=0+ sulle derivate e per le soluzioni a regime.
"Il circuito ha sempre ragione" (Luigi Malesani)
1
voti
e anche questo è vero. Ok, devo ancora trovare le equazioni differenziali che mi interessano. Due minutini e sono subito da te.


ok, sono arrivato a questo! Ricavo gli autovalori da
. Fin qui posso dire che procede abbastanza facilmente.


ok, sono arrivato a questo! Ricavo gli autovalori da
. Fin qui posso dire che procede abbastanza facilmente.-

MrEngineer
144 1 7 - Frequentatore

- Messaggi: 190
- Iscritto il: 18 mag 2019, 12:02
1
voti
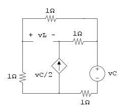
Ora, per le altre due condizioni iniziali sulle derivate delle variabili di stato dovrai usare il seguente circuito
Dove non ho indicato ne il GIT relativo a C ne il generatore dipendente in quanto
."Il circuito ha sempre ragione" (Luigi Malesani)
Torna a Elettrotecnica generale
Chi c’è in linea
Visitano il forum: Nessuno e 27 ospiti

Elettrotecnica e non solo (admin)
Un gatto tra gli elettroni (IsidoroKZ)
Esperienza e simulazioni (g.schgor)
Moleskine di un idraulico (RenzoDF)
Il Blog di ElectroYou (webmaster)
Idee microcontrollate (TardoFreak)
PICcoli grandi PICMicro (Paolino)
Il blog elettrico di carloc (carloc)
DirtEYblooog (dirtydeeds)
Di tutto... un po' (jordan20)
AK47 (lillo)
Esperienze elettroniche (marco438)
Telecomunicazioni musicali (clavicordo)
Automazione ed Elettronica (gustavo)
Direttive per la sicurezza (ErnestoCappelletti)
EYnfo dall'Alaska (mir)
Apriamo il quadro! (attilio)
H7-25 (asdf)
Passione Elettrica (massimob)
Elettroni a spasso (guidob)
Bloguerra (guerra)



e
rappresentano le variabili di stato,
l'ingresso forzante del sistema.