Cos'è ElectroYou | Login Iscriviti

ElectroYou - la comunità dei professionisti del mondo elettrico

Consigli sulla risoluzione del transitorio

Circuiti, campi elettromagnetici e teoria delle linee di trasmissione e distribuzione dell’energia elettrica

Moderatori: Foto Utenteg.schgor, Foto UtenteIsidoroKZ

0
voti

[61] Re: Consigli sulla risoluzione del transitorio

Messaggioda Foto UtenteMrEngineer » 10 lug 2019, 17:33

RenzoDF ha scritto:... e direi che il discorso è concluso, visto che la i(t) richiesta dal problema la puoi scrivere

i(t)=v_C(t)/2-i_C(t)


Scusa Renzo, abbiamo detto che a questa sei arrivato mediante una LKC. Ma quando bisogna applicarla? A regime? o con interruttore chiuso?

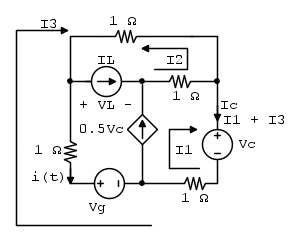
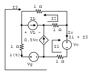
Mi ritrovo anch'io questa relazione se considero il circuito resistivo associato per t>0. Mi risulta, riprendendo questo schema...

che la i(t) = - I_3 = 0.5 \, v_C - i_C
Ultima modifica di Foto UtenteMrEngineer il 10 lug 2019, 17:39, modificato 2 volte in totale.
Avatar utente
Foto UtenteMrEngineer
144 1 7
Frequentatore
Frequentatore
 
Messaggi: 190
Iscritto il: 18 mag 2019, 12:02

2
voti

[62] Re: Consigli sulla risoluzione del transitorio

Messaggioda Foto UtenteRenzoDF » 10 lug 2019, 17:38

La applichi una volta ricavata la v_C(t), somma della v_{Cp}(t) nel secondo regime, a interruttore chiuso, e dei due termini esponenziali, una volta determinati k3 e k4.

La v_C(t) complessiva insomma, valida per t>0.
"Il circuito ha sempre ragione" (Luigi Malesani)
Avatar utente
Foto UtenteRenzoDF
55,9k 8 12 13
G.Master EY
G.Master EY
 
Messaggi: 13189
Iscritto il: 4 ott 2008, 9:55

0
voti

[63] Re: Consigli sulla risoluzione del transitorio

Messaggioda Foto UtenteMrEngineer » 10 lug 2019, 17:46

Ho capito cosa vuoi dire, che per poter calcolare la i(t) è ovviamente necessario trovare la v_C(t) con gli esponenziali e tutto il resto dato che la i(t) dipende proprio da quest'ultima. Ma, che la i(t) = 0.5 \, v_C - i_C non lo posso vedere, ad esempio, dal circuito resistivo associato? Ho provato così e risulta la stessa equazione ma non vorrei che sia soltanto un caso.
Avatar utente
Foto UtenteMrEngineer
144 1 7
Frequentatore
Frequentatore
 
Messaggi: 190
Iscritto il: 18 mag 2019, 12:02

2
voti

[64] Re: Consigli sulla risoluzione del transitorio

Messaggioda Foto UtenteRenzoDF » 10 lug 2019, 19:10

Il circuito resistivo associato mantiene la stessa topologia di quello originale e quindi le stesse relazioni alle maglie e ai nodi.
"Il circuito ha sempre ragione" (Luigi Malesani)
Avatar utente
Foto UtenteRenzoDF
55,9k 8 12 13
G.Master EY
G.Master EY
 
Messaggi: 13189
Iscritto il: 4 ott 2008, 9:55

1
voti

[65] Re: Consigli sulla risoluzione del transitorio

Messaggioda Foto UtenteMrEngineer » 10 lug 2019, 19:32

E infatti! Avevo notato che ci fosse una correlazione. Anche nell'altro esercizio corrispondeva tutto. Straordinario. Non ti ringrazierò mai abbastanza. Domani vedo di concludere la parte relativa all'integrale particolare.
Avatar utente
Foto UtenteMrEngineer
144 1 7
Frequentatore
Frequentatore
 
Messaggi: 190
Iscritto il: 18 mag 2019, 12:02

2
voti

[66] Re: Consigli sulla risoluzione del transitorio

Messaggioda Foto UtenteRenzoDF » 10 lug 2019, 20:12

Per ottenere velocemente la tensione V_C a regime, potresti usare il "metodo egizio", fissando una falsa (ma conveniente) corrente capacitiva; per esempio I_C=1 \text{A}, ne seguirebbe che il generatore dipendente forzerebbe una (falsa) corrente -j, e quindi il generatore di tensione erogherebbe una (falsa) corrente 1+j.
Trasformando il triangolo di impedenze superiore in stella, avresti che la (falsa) tensione imposta dal GIT sarebbe pari a

E_f=1\bigg(1-j2+\frac{1}{2+j}\bigg)+(1+j)\bigg(1+\frac{j}{2+j}\bigg)=\bigg(\frac{11}{5}-j\frac{3}{5}\bigg)\ \text{V}

e di conseguenza, il rapporto (magico) che trasforma il "falso" in "vero" sarà

k=E_{v}/E_{f}=10/E_{f}=\frac{55}{13}+j\frac{15}{13}

e avremo che

V_C=kV_{Cf}=\bigg(\frac{30}{13}-j\frac{110}{13}\bigg)\ \text{V}.
"Il circuito ha sempre ragione" (Luigi Malesani)
Avatar utente
Foto UtenteRenzoDF
55,9k 8 12 13
G.Master EY
G.Master EY
 
Messaggi: 13189
Iscritto il: 4 ott 2008, 9:55

0
voti

[67] Re: Consigli sulla risoluzione del transitorio

Messaggioda Foto UtenteMrEngineer » 10 lug 2019, 21:08

Ne sai una più del diavolo... :lol: ti invidio! Comunque mi resta solo da calcolare l'integrale particolare e i coefficienti k. Vediamo domani cosa riesco a fare
Avatar utente
Foto UtenteMrEngineer
144 1 7
Frequentatore
Frequentatore
 
Messaggi: 190
Iscritto il: 18 mag 2019, 12:02

1
voti

[68] Re: Consigli sulla risoluzione del transitorio

Messaggioda Foto UtenteMrEngineer » 11 lug 2019, 9:39

RenzoDF ha scritto:Con i potenziali nodali, (usando wxMaxima), ottengo

V_C=\frac{30}{13}-j\frac{110}{13}.


Aggiornamento: ho risolto la rete a regime, considerando fasori e impedenze e ho trovato questo stesso risultato! :)
Avatar utente
Foto UtenteMrEngineer
144 1 7
Frequentatore
Frequentatore
 
Messaggi: 190
Iscritto il: 18 mag 2019, 12:02

1
voti

[69] Re: Consigli sulla risoluzione del transitorio

Messaggioda Foto UtenteMrEngineer » 11 lug 2019, 10:54

Habemus solutionem!

Ho risolto il sistema per trovare i coefficienti \mathrm{k} e mi risultano:

k_1 = -\frac{30}{13}

k_2 = 0

e per finire

i(t) = 0.5 \,v_C(t) - i_C(t) = -\frac{25}{13}e^{-2t}+\frac{70}{13}sen(3t) -\frac{40}{13}cos(3t)

Grazie Foto UtenteRenzoDF per l'esemplarità e la professionalità nella spiegazione. Spero di non incontrare più problemi di alcun tipo
Avatar utente
Foto UtenteMrEngineer
144 1 7
Frequentatore
Frequentatore
 
Messaggi: 190
Iscritto il: 18 mag 2019, 12:02

1
voti

[70] Re: Consigli sulla risoluzione del transitorio

Messaggioda Foto UtenteRenzoDF » 11 lug 2019, 13:56

Bravissimo :!: =D>

Ma spiega per favore, ai giovani Elettrotecnici del Forum, come hai fatto, a partire da quel fasore, a ricavarti la tensione v_{Cp}(t) a regime; di certo non tutti sanno qual è la strada migliore. ;-)

BTW meglio usare
Codice: Seleziona tutto
\sin e \cos
.
"Il circuito ha sempre ragione" (Luigi Malesani)
Avatar utente
Foto UtenteRenzoDF
55,9k 8 12 13
G.Master EY
G.Master EY
 
Messaggi: 13189
Iscritto il: 4 ott 2008, 9:55

PrecedenteProssimo

Torna a Elettrotecnica generale

Chi c’è in linea

Visitano il forum: Nessuno e 109 ospiti