Ciao a tutti,
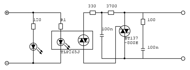
ieri ho montato il circuito sotto riportato, che però mostra due piccoli problemi. Con lampade ad incandescenza, riesco ad accederle fino ad un massimo di 50W non oltre; e se provo ad usare una lampada a led, allo spegnimento continua a sfarfallare con una luminosità abbastanza imponente.
Le resistenze e i condensatori (630VAC) sono stati calcolati seguendo l'application note AN-3003.
C'è qualcuno molto gentile che mi possa aiutare a risolvere questi problemi?
Grazie
lcua31989
Relè stato solido
Moderatori:
carloc,
g.schgor,
BrunoValente,
IsidoroKZ
6 messaggi
• Pagina 1 di 1
0
voti
So poco sull'argomento:
I LED si sottoaccendono con pochissimo,... uno o due mA ?
Forse i due condensatori da 100 nF sono sufficenti a generare una corrente di perdita dell'odine del mA
... verifica...non ho fatto il calcolo...
Se metti la lampada a LED in parallelo a quella a incandescenza, sfarfalla ancora da spenta?
Se no, metti un resistore da 100 kohm ? 1 watt ? in parallelo alla lampada a LED e riprova.
Le tensioni sono 230 Vac ?
I LED si sottoaccendono con pochissimo,... uno o due mA ?
Forse i due condensatori da 100 nF sono sufficenti a generare una corrente di perdita dell'odine del mA
... verifica...non ho fatto il calcolo...
Se metti la lampada a LED in parallelo a quella a incandescenza, sfarfalla ancora da spenta?
Se no, metti un resistore da 100 kohm ? 1 watt ? in parallelo alla lampada a LED e riprova.
Le tensioni sono 230 Vac ?
0
voti
Ciao a tutti,
Con calcoli fatti la corrente che scorre "a vuoto" è di 13 mA. Ho fatto i vari test suggeriti, il primo consiste nel mettere in parallelo alla lampada a led una resistenza da 100k ma nessun miglioramento è stato riscontrato. Dopo di che ho provato a togliere il primo snubber formato dalla resistenza da 100 ohm e il condensatore. La corrente è scesa a 5mA, ma erano comunque sufficienti a far sfarfallare la lampada a led. A questo punto ho tolto il secondo snubber formato dalla resistenza da 3k9 e il relativo condensatore; togliendo solo quest'ultimo. poiché sono state tolte tutte le reattanze capacitive, la corrente è andata a zero e la lampada a led ha smesso di sfarfallare.
Togliendo i due snubber per proteggere i vari componenti, non c'è il rischio di danneggiarli prima?
Grazie a tutti
Lcua31989
Con calcoli fatti la corrente che scorre "a vuoto" è di 13 mA. Ho fatto i vari test suggeriti, il primo consiste nel mettere in parallelo alla lampada a led una resistenza da 100k ma nessun miglioramento è stato riscontrato. Dopo di che ho provato a togliere il primo snubber formato dalla resistenza da 100 ohm e il condensatore. La corrente è scesa a 5mA, ma erano comunque sufficienti a far sfarfallare la lampada a led. A questo punto ho tolto il secondo snubber formato dalla resistenza da 3k9 e il relativo condensatore; togliendo solo quest'ultimo. poiché sono state tolte tutte le reattanze capacitive, la corrente è andata a zero e la lampada a led ha smesso di sfarfallare.
Togliendo i due snubber per proteggere i vari componenti, non c'è il rischio di danneggiarli prima?
Grazie a tutti
Lcua31989
0
voti
Togliendo i due snubber per proteggere i vari componenti, non c'è il rischio di danneggiarli prima?
Non saprei, forse lo snubber è indispensabile solo con carico induttivo.
Potresti ridurne il valore da 100 nF a 10 nF, ma il mio è un suggerimento semplicistico.
Cosa è consigliato nel data sheet del componente?
0
voti
Cosa è consigliato nel data sheet del componente?
L'application dice 100 nF per Igt=50mA. Facendo i calcoli dovrei mettere un condensatore da 1nF per evitare che si formino correnti che possano accendere la lampadina a led...
6 messaggi
• Pagina 1 di 1
Chi c’è in linea
Visitano il forum: Nessuno e 49 ospiti

Elettrotecnica e non solo (admin)
Un gatto tra gli elettroni (IsidoroKZ)
Esperienza e simulazioni (g.schgor)
Moleskine di un idraulico (RenzoDF)
Il Blog di ElectroYou (webmaster)
Idee microcontrollate (TardoFreak)
PICcoli grandi PICMicro (Paolino)
Il blog elettrico di carloc (carloc)
DirtEYblooog (dirtydeeds)
Di tutto... un po' (jordan20)
AK47 (lillo)
Esperienze elettroniche (marco438)
Telecomunicazioni musicali (clavicordo)
Automazione ed Elettronica (gustavo)
Direttive per la sicurezza (ErnestoCappelletti)
EYnfo dall'Alaska (mir)
Apriamo il quadro! (attilio)
H7-25 (asdf)
Passione Elettrica (massimob)
Elettroni a spasso (guidob)
Bloguerra (guerra)



