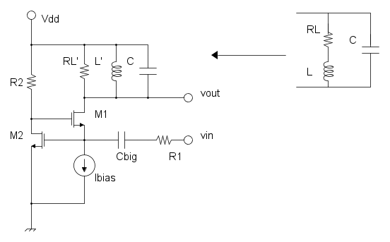
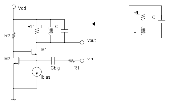
Intanto vi metto anche lo schema fidocad: qui ho già fatto un passo avanti trasformando l'induttore reale (che è solo indicato come ideale) con la resistenza serie in un parallelo equivalente in base al fattore di qualità, in questo modo risulta comodo ragionare con i guadagni.
Quella trasformazione si fa (conoscendo QL dalla consegna):
Troviamo
e ricaviamo
. L' non mi interessa per il problema ma comunque se volete:
.1.
Mi viene da dire che al gate i mofet consumano correnti trascurabili quindi le due correnti di polarizzazione sono quelle che passano per R2 e la Ibias ed essendo Vov e K'n e i fattori di forma uguali, mi viene da dire che anche le due correnti sono uguali. Quindi:

2.

3.
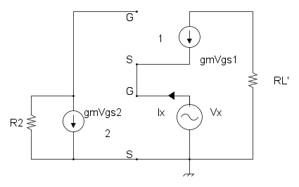
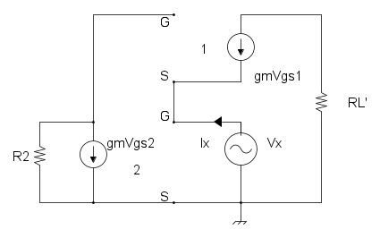
Per la resistenza
devo guardare lo schema ai piccoli segnaliPerché ci dice che le resistenze di uscita dei MOS sono infinite.


4.

NOTA: In realtà non serve distinguere le due transconduttanze nei calcoli perché
per le osservazioni di prima.Vi sembra tutto giusto?

Elettrotecnica e non solo (admin)
Un gatto tra gli elettroni (IsidoroKZ)
Esperienza e simulazioni (g.schgor)
Moleskine di un idraulico (RenzoDF)
Il Blog di ElectroYou (webmaster)
Idee microcontrollate (TardoFreak)
PICcoli grandi PICMicro (Paolino)
Il blog elettrico di carloc (carloc)
DirtEYblooog (dirtydeeds)
Di tutto... un po' (jordan20)
AK47 (lillo)
Esperienze elettroniche (marco438)
Telecomunicazioni musicali (clavicordo)
Automazione ed Elettronica (gustavo)
Direttive per la sicurezza (ErnestoCappelletti)
EYnfo dall'Alaska (mir)
Apriamo il quadro! (attilio)
H7-25 (asdf)
Passione Elettrica (massimob)
Elettroni a spasso (guidob)
Bloguerra (guerra)











