Reattanze di dispersione di un trasformatore reale
Moderatori:
SandroCalligaro,
mario_maggi,
fpalone
23 messaggi
• Pagina 1 di 3 • 1, 2, 3
0
voti
Buongiorno. Nel circuito equivalente di un trasformatore reale si mettono due reattanze induttive di dispersione per rappresentare il contributo legato al flusso disperso, che riduce il flusso utile. Ciascuna reattanza è posta in serie agli avvolgimenti primaro e secondario rispettivamente, in ciascuno dei due circuiti corrispondenti, mutamente accoppiati. Se il flusso utile è ridotto, infatti, diminuiscono le cadute di tensioni (forze elettromotrici indotte) negli avvoglimenti dei due circuiti, e queste due reattanze ulteriori servono proprio a rappresentare ciò. Il problema è che non capisco perché le tensioni indotte diminuiscono aggiungendo queste due reattanze. Ragionando in termini immediati, infatti, se le reattanze sono in serie sono percorse dalla stessa corrente. A me sembra, dunque, che la caduta di tensione (somma delle cadute di tensione perché in serie) aumenti, dato che il segno delle tensioni mi pare debba essere lo stesso necessariamente (poiché la corrente che attraversa i due bipoli è la stessa). Per capirci meglio, se consideriamo il circuito primario (per il secondario è lo stesso), aggiungendo alla bobina presente (sede della forza elettromotrice autoindotta) un'altra reattanza induttiva, su questa agirà una ulteriore forza elettromotrice autoindotta dello stesso segno della prima! Infatti la corrente è la stessa! Ma così la tensione totale aumenta... Non diminuisce... È come se si aumentasse addirittura il flusso utile (ma stiamo inserendo dei termini proprio per ridurlo). Non riesco proprio a capire. Grazie in anticipo.
4
voti
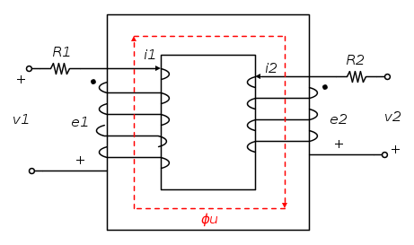
Ciao, secondo me dovresti provare a scrivere le equazioni che modellizzano il comportamento elettrico dei due circuiti, primario e secondario, del trasformatore schematizzato sotto.
Nello specifico, per quanto riguarda il secondario si avrebbe:

La f.e.m. indotta
consta di due componenti, quella dovuta al flusso utile
e quella dovuta al flusso disperso secondario
, prodotto dalla corrente secondaria.
Stando a quanto detto, la precedente equazione diventa:

pertanto la f.e.m. indotta prodotta dal flusso utile, cioè quello dovuto alle linee di forza del campo B che si concatenano sia con le spire primarie che con quelle secondarie, sarà pari alla tensione in uscita più la caduta di tensione dovuta alla corrente secondaria, sia per effetto della resistenza dell'avvolgimento secondario che per effetto del flusso disperso secondario
.
Nello specifico, per quanto riguarda il secondario si avrebbe:

La f.e.m. indotta
consta di due componenti, quella dovuta al flusso utile
e quella dovuta al flusso disperso secondario
, prodotto dalla corrente secondaria. Stando a quanto detto, la precedente equazione diventa:

pertanto la f.e.m. indotta prodotta dal flusso utile, cioè quello dovuto alle linee di forza del campo B che si concatenano sia con le spire primarie che con quelle secondarie, sarà pari alla tensione in uscita più la caduta di tensione dovuta alla corrente secondaria, sia per effetto della resistenza dell'avvolgimento secondario che per effetto del flusso disperso secondario
.Emanuele Lorina
- Chi lotta contro i mostri deve fare attenzione a non diventare lui stesso un mostro. E se tu riguarderai a lungo in un abisso, anche l'abisso vorrà guardare dentro di te (F. Nietzsche)
- Tavole della legge by admin
- Chi lotta contro i mostri deve fare attenzione a non diventare lui stesso un mostro. E se tu riguarderai a lungo in un abisso, anche l'abisso vorrà guardare dentro di te (F. Nietzsche)
- Tavole della legge by admin
-

Lele_u_biddrazzu
8.154 3 8 13 - Master EY

- Messaggi: 1288
- Iscritto il: 23 gen 2007, 16:13
- Località: Modena
3
voti
Ciao
Lele_u_biddrazzu e' un piacere rileggere nuovamente i tuoi interventi.
Probabilmente e' il caldo o la mia poca attenzione ( o entrambe le cose
)... mi potresti spiegare la convenzione dei segni e pallini utilizzata nel disegno e di conseguenza nelle equazioni?
Probabilmente e' il caldo o la mia poca attenzione ( o entrambe le cose
Il Conte di Montecristo
Se non studio un giorno, me ne accorgo io. Se non studio due giorni, se ne accorge il pubblico.
Io devo studiare sodo e preparare me stesso perché prima o poi verrà il mio momento.
Abraham Lincoln
Se non studio un giorno, me ne accorgo io. Se non studio due giorni, se ne accorge il pubblico.
Io devo studiare sodo e preparare me stesso perché prima o poi verrà il mio momento.
Abraham Lincoln
-

EdmondDantes
11,9k 8 11 13 - Disattivato su sua richiesta
- Messaggi: 3619
- Iscritto il: 25 lug 2009, 22:18
- Località: Marsiglia
1
voti
EdmondDantes ha scritto:CiaoLele_u_biddrazzu e' un piacere rileggere nuovamente i tuoi interventi.
...
Anche per me è un piacere risentirti
EdmondDantes ha scritto:... mi potresti spiegare la convenzione dei segni e pallini utilizzata nel disegno e di conseguenza nelle equazioni?...
Premetto che non smanetto con l'elettrotecnica da un bel po', ad ogni modo provo a pubblicare lo schema che mi sono figurato in mente e dal quale sono scaturite le equazioni del post precedente. E' probabile che abbia cannato qualcosa
Emanuele Lorina
- Chi lotta contro i mostri deve fare attenzione a non diventare lui stesso un mostro. E se tu riguarderai a lungo in un abisso, anche l'abisso vorrà guardare dentro di te (F. Nietzsche)
- Tavole della legge by admin
- Chi lotta contro i mostri deve fare attenzione a non diventare lui stesso un mostro. E se tu riguarderai a lungo in un abisso, anche l'abisso vorrà guardare dentro di te (F. Nietzsche)
- Tavole della legge by admin
-

Lele_u_biddrazzu
8.154 3 8 13 - Master EY

- Messaggi: 1288
- Iscritto il: 23 gen 2007, 16:13
- Località: Modena
2
voti
Segnalo l'articolo di
admin Sulle convenzioni di segno in elettrotecnica e in particolare il paragrafo Trasformatore per le diverse combinazioni possibili relative alle convenzioni del puntino.
Il Conte di Montecristo
Se non studio un giorno, me ne accorgo io. Se non studio due giorni, se ne accorge il pubblico.
Io devo studiare sodo e preparare me stesso perché prima o poi verrà il mio momento.
Abraham Lincoln
Se non studio un giorno, me ne accorgo io. Se non studio due giorni, se ne accorge il pubblico.
Io devo studiare sodo e preparare me stesso perché prima o poi verrà il mio momento.
Abraham Lincoln
-

EdmondDantes
11,9k 8 11 13 - Disattivato su sua richiesta
- Messaggi: 3619
- Iscritto il: 25 lug 2009, 22:18
- Località: Marsiglia
0
voti
Ti ringrazio per la spiegazione. Non ho capito, però, perché il flusso disperso secondario viene ridotto con una ulteriore induttanza posta in serie a quella già presente (in questo caso nel circuito secondario) . Tu mi hai dato la spiegazione teorica del perché si riduce il flusso. Ma perché per rappresentare ciò nel circuito equivalente si usa una reattanza induttiva? Può essere che sia io a non capire dove vuoi arrivare, nel caso perdonami. Del resto, se metto due induttanze in serie, entrambe devono avere lo stesso segno di differenza di potenziale. Quindi la caduta di tensione aumenta! Ma nella teoria si parla di introdurlo per ridurre la tensione sull'induttanza principale (che c'è anche nei disegni da te postati), e non capisco perché.
Ps. Stiamo parlando del trasformatore REALE.
Ps. Stiamo parlando del trasformatore REALE.
1
voti
Inserisci un disegno con FidoCadJ con tutti gli elementi che stai considerando e i segni convenzionali. In questo modo evitiamo fraintendimenti. Sara' il caldo, ma e' difficile seguirti. Hai praticamente ripetuto il tuo primo post.
Come vorresti schematizzare un fenomeno puramente magnetico?
Nota bene. Il modello che stai trattando e' valido solo a basse frequenze, diciamo 50 Hz.
All'aumentare della frequenza entrano in gioco una serie di fenomeni "secondari" non piu' trascurabili che richiedono uno schema equivalente non proprio banale.
Tanto per intenderci, per alcuni tipi di studi sui transitori dovuti ad un'onda viaggiante, i due avvolgimenti (concentrici e ideali) sono schematizzati con una rete elettrica costituita da quasi 100 capacita' (sic!).
Per altri tipi di studi, in genere impiantistici, il trasformatore di riduce ad una resistenza+induttanza oppure alla sola induttanza.
Leggi l'articolo di
admin evidenziato nel mio post precedente.
1) Il trasformatore non va compreso a partire dal suo modello, ma dal principio di funzionamento (in pratica solo due leggi fisiche).
2) Compreso il principio di funzionamento, cerchiamo di costruire un modello utile per i ragionamenti pratici. Fare i conti, in sostanza.
Per il resto, ci pensera'
Lele_u_biddrazzu 
Carmine12 ha scritto:Ma perché per rappresentare ciò nel circuito equivalente si usa una reattanza induttiva?
Come vorresti schematizzare un fenomeno puramente magnetico?
Nota bene. Il modello che stai trattando e' valido solo a basse frequenze, diciamo 50 Hz.
All'aumentare della frequenza entrano in gioco una serie di fenomeni "secondari" non piu' trascurabili che richiedono uno schema equivalente non proprio banale.
Tanto per intenderci, per alcuni tipi di studi sui transitori dovuti ad un'onda viaggiante, i due avvolgimenti (concentrici e ideali) sono schematizzati con una rete elettrica costituita da quasi 100 capacita' (sic!).
Per altri tipi di studi, in genere impiantistici, il trasformatore di riduce ad una resistenza+induttanza oppure alla sola induttanza.
Carmine12 ha scritto:Del resto, se metto due induttanze in serie, entrambe devono avere lo stesso segno di differenza di potenziale
Leggi l'articolo di
Carmine12 ha scritto:Ps. Stiamo parlando del trasformatore REALE.
1) Il trasformatore non va compreso a partire dal suo modello, ma dal principio di funzionamento (in pratica solo due leggi fisiche).
2) Compreso il principio di funzionamento, cerchiamo di costruire un modello utile per i ragionamenti pratici. Fare i conti, in sostanza.
Per il resto, ci pensera'
Il Conte di Montecristo
Se non studio un giorno, me ne accorgo io. Se non studio due giorni, se ne accorge il pubblico.
Io devo studiare sodo e preparare me stesso perché prima o poi verrà il mio momento.
Abraham Lincoln
Se non studio un giorno, me ne accorgo io. Se non studio due giorni, se ne accorge il pubblico.
Io devo studiare sodo e preparare me stesso perché prima o poi verrà il mio momento.
Abraham Lincoln
-

EdmondDantes
11,9k 8 11 13 - Disattivato su sua richiesta
- Messaggi: 3619
- Iscritto il: 25 lug 2009, 22:18
- Località: Marsiglia
0
voti
Carmine12 ha scritto:Ma perché per rappresentare ciò nel circuito equivalente si usa una reattanza induttiva?
Come vorresti schematizzare un fenomeno puramente magnetico?
Il succo del discorso, al di là di convenzioni ecc., è proprio che non ho capito perché per schematizzare il fenomeno magnetico del flusso disperso si usa una reattanza induttiva. Perché se aggiungo una reattanza induttiva c'è un flusso disperso, mentre senza si ha solo flusso utile?
Ammetto che tutto il discorso intorno può avervi confuso, ma la domanda è proprio questa. Lasciate perdere il resto che ho scritto perché può essere fuorviante. Ci penserò io a integrare la vostra risposta a questa domanda con tutto il resto del discorso che ho in mente.
In ogni caso grazie della risposta.
2
voti
Carmine12 ha scritto:...non ho capito perché per schematizzare il fenomeno magnetico del flusso disperso si usa una reattanza induttiva. Perché se aggiungo una reattanza induttiva c'è un flusso disperso, mentre senza si ha solo flusso utile?...
Se nel modello circuitale non sono presenti le induttanze di dispersione, evidentemente si è scelto di trascurare del tutto i fenomeni associati ai flussi dispersi che comunque sono sempre presenti nei trasformatori reali.
Il voler rappresentare i fenomeni legati ai flussi dispersi con delle induttanze "serie" risiede nel fatto che i suddetti flussi sono dovuti alla presenza di linee di forza di B che si concatenano con uno dei due circuiti e che, pertanto, si svolgono principalmente in aria.
Tutto ciò ci porta a due conclusioni:
- il campo B disperso primario (secondario) è prodotto dalla corrente che circola nell'avvolgimento primario(secondario);
- siccome le linee di forza del campo disperso si svolgono in aria, possiamo con buona approssimazione considerare il legame "flusso disperso" vs "corrente" di tipo lineare, ergo è possibile concepire dei coefficienti costanti di auto-induzione (primario e secondario) dovuti ai flussi dispersi (primario e secondario).
Detto ciò, dovrebbe esserti chiaro il motivo per cui si introducono, in regime sinusoidale, le reattanze di dispersione in serie alle resistenze degli avvolgimenti.
Emanuele Lorina
- Chi lotta contro i mostri deve fare attenzione a non diventare lui stesso un mostro. E se tu riguarderai a lungo in un abisso, anche l'abisso vorrà guardare dentro di te (F. Nietzsche)
- Tavole della legge by admin
- Chi lotta contro i mostri deve fare attenzione a non diventare lui stesso un mostro. E se tu riguarderai a lungo in un abisso, anche l'abisso vorrà guardare dentro di te (F. Nietzsche)
- Tavole della legge by admin
-

Lele_u_biddrazzu
8.154 3 8 13 - Master EY

- Messaggi: 1288
- Iscritto il: 23 gen 2007, 16:13
- Località: Modena
3
voti
Hai studiato fisica II, no? Hai studiato il concetto di flusso e induttanza? Mi pare di si', se non ricordo male.
L'induttanza (coefficiente di autoinduzione) e' il fattore L tale che:

con ovvio significato dei vari simboli utilizzati.
Qui e' necessario fare una precisazione. La corrente
e' la corrente legata al campo magnetico e quindi al flusso totale. Semplificando, a rischio di essere poco preciso nelle terminologia, la corrente
ha generato l'intero flusso
che compare nella precedente relazione.
Questo significa che flusso, induttanza e corrente sono legati allo stesso circuito. Tieni in mente questo concetto: e' fondamentale.
Passiamo al caso del trasformatore e al tuo dubbio, in particolare.
Vuoi valutare il flusso disperso. In generale i flussi dispersi (medi) degli avvolgimenti di alta tensione e di bassa tensione sono diversi in quanto le geometrie dei relativi circuiti sono diversi (basta pensare al caso piu' semplice di avvolgimenti cilindrici concentrici).
Perché ho precisato flusso disperso medio? Ogni avvolgimento, preso singolarmente, ha piu' flussi dispersi: alcuni si concatenano con tutte le spire dell'avvolgimento in esame, altri solamente con una loro frazione. Se vogliamo procedere con la costruzione di un modello circuitale semplice, e' necessario fare una approssimazione (accettabile) e considerare i flussi dispersi medi dei due avvolgimenti.
Abbiamo risolto il problema? No. Sarebbe troppo semplice. Il fatto che non stia utilizzando nemmeno una formula non significa che il fenomeno sia semplice
A questo punto dobbiamo rispondere alla domanda Come valuto il flusso disperso (medio, d'ora in poi non lo specifichero' piu') di ogni singolo avvolgimento?
La risposta non e' semplice. Dalla fisica II sappiamo che il coefficiente L e' legato al flusso e alla corrente che ha generato quel flusso. In questo caso, qual e' la corrente che ha generato il flusso disperso? Io non lo so, noi abbiamo solo due correnti (primaria e secondaria). Dobbiamo fare una seconda astrazione, ipotizzare la linearita' della macchina e scrivere:
(con ulteriori pedici 1 e 2 relativi ai due avvolgimenti).
Noti qualcosa di strano rispetto alla prima relazione di coefficiente L che ho scritto? Io si'.
Adesso abbiamo un flusso disperso legato ad una corrente che non e' la corrente totale che lo ha generato. Non esiste una corrente, come dire, dispersa, che genera quel flusso disperso. E questo e' un problema. Abbiamo la necessita' di scrivere un modello semplice adatto a fare conti, per lo studio numerico del trasformatore, per il suo dimensionamento, per qualsiasi altra necessita' o divertimento. Siamo costretti ad introdurre un fattore che nella realta' non esiste, ma che ci permette di introdurre la c.d.t. necessaria (in realta' una f.c.e.m., ma puo' essere vista come una c.d.t.) che tiene conto del fatto che il flusso utile, cioe' quello presente nel circuito magnetico principale della macchina e che si concatena con entrambi gli avvolgimenti, non e' il flusso totale prodotto dai circuiti e dalle relative correnti.
Se avessi un flusso utile pari a quello totale, cioe' flusso disperso nullo, allora avresti un f.e.m. indotta maggiore, e' chiaro? Come posso schematizzare un fenomeno che data la corrente
non induce la f.e.m. potenzialmente possibile, ma solo una sua quota parte? E' lecito pensare ad una c.d.t., ma questa c.d.t. non e' dovuta ad Ohm, ma a Faraday-Neumann-Lenz e quindi, dalla mia precedente esposizione, ad una induttanza. Tale induttanza (di dispersione) si traduce in una reattanza di dispersione induttiva quando considero il regime sinusoidale della macchina in oggetto.
In queste poche o molte righe, fai tu, ci sono altre approssimazioni che non ho esplicitato, ma che sono accettabili grazie alle ipotesi di linearita' della macchina e ai valori delle riluttanze in gioco dei vari circuiti magnetici.
L'induttanza (coefficiente di autoinduzione) e' il fattore L tale che:

con ovvio significato dei vari simboli utilizzati.
Qui e' necessario fare una precisazione. La corrente
e' la corrente legata al campo magnetico e quindi al flusso totale. Semplificando, a rischio di essere poco preciso nelle terminologia, la corrente
ha generato l'intero flusso
che compare nella precedente relazione.Questo significa che flusso, induttanza e corrente sono legati allo stesso circuito. Tieni in mente questo concetto: e' fondamentale.
Passiamo al caso del trasformatore e al tuo dubbio, in particolare.
Vuoi valutare il flusso disperso. In generale i flussi dispersi (medi) degli avvolgimenti di alta tensione e di bassa tensione sono diversi in quanto le geometrie dei relativi circuiti sono diversi (basta pensare al caso piu' semplice di avvolgimenti cilindrici concentrici).
Perché ho precisato flusso disperso medio? Ogni avvolgimento, preso singolarmente, ha piu' flussi dispersi: alcuni si concatenano con tutte le spire dell'avvolgimento in esame, altri solamente con una loro frazione. Se vogliamo procedere con la costruzione di un modello circuitale semplice, e' necessario fare una approssimazione (accettabile) e considerare i flussi dispersi medi dei due avvolgimenti.
Abbiamo risolto il problema? No. Sarebbe troppo semplice. Il fatto che non stia utilizzando nemmeno una formula non significa che il fenomeno sia semplice
A questo punto dobbiamo rispondere alla domanda Come valuto il flusso disperso (medio, d'ora in poi non lo specifichero' piu') di ogni singolo avvolgimento?
La risposta non e' semplice. Dalla fisica II sappiamo che il coefficiente L e' legato al flusso e alla corrente che ha generato quel flusso. In questo caso, qual e' la corrente che ha generato il flusso disperso? Io non lo so, noi abbiamo solo due correnti (primaria e secondaria). Dobbiamo fare una seconda astrazione, ipotizzare la linearita' della macchina e scrivere:
(con ulteriori pedici 1 e 2 relativi ai due avvolgimenti).
Noti qualcosa di strano rispetto alla prima relazione di coefficiente L che ho scritto? Io si'.
Adesso abbiamo un flusso disperso legato ad una corrente che non e' la corrente totale che lo ha generato. Non esiste una corrente, come dire, dispersa, che genera quel flusso disperso. E questo e' un problema. Abbiamo la necessita' di scrivere un modello semplice adatto a fare conti, per lo studio numerico del trasformatore, per il suo dimensionamento, per qualsiasi altra necessita' o divertimento. Siamo costretti ad introdurre un fattore che nella realta' non esiste, ma che ci permette di introdurre la c.d.t. necessaria (in realta' una f.c.e.m., ma puo' essere vista come una c.d.t.) che tiene conto del fatto che il flusso utile, cioe' quello presente nel circuito magnetico principale della macchina e che si concatena con entrambi gli avvolgimenti, non e' il flusso totale prodotto dai circuiti e dalle relative correnti.
Se avessi un flusso utile pari a quello totale, cioe' flusso disperso nullo, allora avresti un f.e.m. indotta maggiore, e' chiaro? Come posso schematizzare un fenomeno che data la corrente
non induce la f.e.m. potenzialmente possibile, ma solo una sua quota parte? E' lecito pensare ad una c.d.t., ma questa c.d.t. non e' dovuta ad Ohm, ma a Faraday-Neumann-Lenz e quindi, dalla mia precedente esposizione, ad una induttanza. Tale induttanza (di dispersione) si traduce in una reattanza di dispersione induttiva quando considero il regime sinusoidale della macchina in oggetto.In queste poche o molte righe, fai tu, ci sono altre approssimazioni che non ho esplicitato, ma che sono accettabili grazie alle ipotesi di linearita' della macchina e ai valori delle riluttanze in gioco dei vari circuiti magnetici.
Il Conte di Montecristo
Se non studio un giorno, me ne accorgo io. Se non studio due giorni, se ne accorge il pubblico.
Io devo studiare sodo e preparare me stesso perché prima o poi verrà il mio momento.
Abraham Lincoln
Se non studio un giorno, me ne accorgo io. Se non studio due giorni, se ne accorge il pubblico.
Io devo studiare sodo e preparare me stesso perché prima o poi verrà il mio momento.
Abraham Lincoln
-

EdmondDantes
11,9k 8 11 13 - Disattivato su sua richiesta
- Messaggi: 3619
- Iscritto il: 25 lug 2009, 22:18
- Località: Marsiglia
23 messaggi
• Pagina 1 di 3 • 1, 2, 3
Chi c’è in linea
Visitano il forum: Nessuno e 46 ospiti

Elettrotecnica e non solo (admin)
Un gatto tra gli elettroni (IsidoroKZ)
Esperienza e simulazioni (g.schgor)
Moleskine di un idraulico (RenzoDF)
Il Blog di ElectroYou (webmaster)
Idee microcontrollate (TardoFreak)
PICcoli grandi PICMicro (Paolino)
Il blog elettrico di carloc (carloc)
DirtEYblooog (dirtydeeds)
Di tutto... un po' (jordan20)
AK47 (lillo)
Esperienze elettroniche (marco438)
Telecomunicazioni musicali (clavicordo)
Automazione ed Elettronica (gustavo)
Direttive per la sicurezza (ErnestoCappelletti)
EYnfo dall'Alaska (mir)
Apriamo il quadro! (attilio)
H7-25 (asdf)
Passione Elettrica (massimob)
Elettroni a spasso (guidob)
Bloguerra (guerra)

