Ciao a tutti,
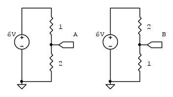
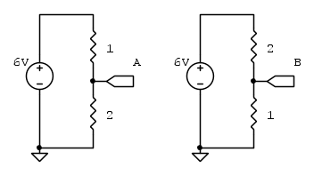
sto cercando di risolvere un esercizio di cui allego il circuito.
Il testo chiede il generatore di tensione equivalente visto dalla resistenza AB.
La Req mi viene 1.33K (in linea con la risposta sul testo) ma Eq mi viene 3V mentre il testo cita 2V.
Mi confermate qual e' il risultato corretto, per favore ?
Il valore della R5 l'ho messo a caso, visto che e' ininfluente.
Help con Thevenin
Moderatori:
g.schgor,
IsidoroKZ
25 messaggi
• Pagina 1 di 3 • 1, 2, 3
0
voti
0
voti
Illustra il procedimento con cui sei arrivato al risultato. I numeri da soli non vogliono dir molto senza sapere da che parte e per che strada sono arrivati.
Poi che R5 sia ininfluente io, prima di affermarlo, lo discuterei con l'oste...
Poi che R5 sia ininfluente io, prima di affermarlo, lo discuterei con l'oste...
0
voti
boggiano ha scritto:Ciao a tutti,
La Req mi viene 1.33K (in linea con la risposta sul testo) ma Eq mi viene 3V mentre il testo cita 2V.
Mi confermate qual e' il risultato corretto, per favore ?
.
non ti rispondo ma ti fo' alcune domande
- Qual e' il procedimento che hai utilizzato - fai vedere lo svolgimento?
- Qual e' la tensione al punto A (rispetto al "-" del generatore)?
- Qual e' la tensione al punto B (rispetto al "-" del generatore)?
- Perche' non hai verificato (prima fai I calcoli in autonomia e poi chiedi conferma ad uno strumento) con un simulatore?
Edit
OOPS, sovrappposto con Piercarlo.
0
voti
Ok, "beccato"... mi avete costretto a ricontrollare il tutto e ho gia' beccato un errore
, pero' i conti non mi tornano comunque!
Ho staccato il carico R5, circuitando il generatore, e calcolato la Req sommando i due paralleli:
Req = (R1//R3) + (R2//R4) = 2/3 + 2/3 = 4/3 = 1,33 K
Ho cortocircuitato AB e ho calcolato la Icc
Icc = V/R = 6 / 1,33K = 4,5 mA
Adesso pero' per calcolare Eq dovrei appllicare la formula:
Eq = Req * Icc
Ma non ci siamo perche', ovviamente, mi ritorna 6V.
Ho simulato la Icc e 4,5mA risulta corretta.
Ho staccato il carico R5, circuitando il generatore, e calcolato la Req sommando i due paralleli:
Req = (R1//R3) + (R2//R4) = 2/3 + 2/3 = 4/3 = 1,33 K
Ho cortocircuitato AB e ho calcolato la Icc
Icc = V/R = 6 / 1,33K = 4,5 mA
Adesso pero' per calcolare Eq dovrei appllicare la formula:
Eq = Req * Icc
Ma non ci siamo perche', ovviamente, mi ritorna 6V.
Ho simulato la Icc e 4,5mA risulta corretta.
1
voti
Certo che ti ritorna 6V se fai quel conto.
Moltiplichi la R equivalente di tutta la rete per la corrente che eroga il generatore.
Tu devi calcolare la corrente che scorre nel cortocircuito fra A e B, non la corrente che eroga il generatore.
Moltiplichi la R equivalente di tutta la rete per la corrente che eroga il generatore.
Tu devi calcolare la corrente che scorre nel cortocircuito fra A e B, non la corrente che eroga il generatore.
-

PietroBaima
90,7k 7 12 13 - G.Master EY

- Messaggi: 12206
- Iscritto il: 12 ago 2012, 1:20
- Località: Londra
1
voti
Devi trovare la tensione tra A e B

1
voti
PietroBaima ha scritto:Tu devi calcolare la corrente che scorre nel cortocircuito fra A e B, non la corrente che eroga il generatore.
GRAZIE!!!!!

0
voti
IlGuru ha scritto:Devi trovare la tensione tra A e B
Non riuscivo a "vedere" i due partitori!
Grazie!!
25 messaggi
• Pagina 1 di 3 • 1, 2, 3
Torna a Elettrotecnica generale
Chi c’è in linea
Visitano il forum: Nessuno e 118 ospiti

Elettrotecnica e non solo (admin)
Un gatto tra gli elettroni (IsidoroKZ)
Esperienza e simulazioni (g.schgor)
Moleskine di un idraulico (RenzoDF)
Il Blog di ElectroYou (webmaster)
Idee microcontrollate (TardoFreak)
PICcoli grandi PICMicro (Paolino)
Il blog elettrico di carloc (carloc)
DirtEYblooog (dirtydeeds)
Di tutto... un po' (jordan20)
AK47 (lillo)
Esperienze elettroniche (marco438)
Telecomunicazioni musicali (clavicordo)
Automazione ed Elettronica (gustavo)
Direttive per la sicurezza (ErnestoCappelletti)
EYnfo dall'Alaska (mir)
Apriamo il quadro! (attilio)
H7-25 (asdf)
Passione Elettrica (massimob)
Elettroni a spasso (guidob)
Bloguerra (guerra)




pigreco]=π