Duplicazione segnali audio + mic con AUX da jack TRRS
Moderatori:
carloc,
g.schgor,
BrunoValente,
IsidoroKZ
0
voti
Ok. Ma si riuscirebbe a fare senza operazionali o passivo? Lo chiedo per la comodità di non dover alimentare il circuito ma se il risultato fosse scadente riconsidero la cosa. Nel caso dovessi alimentarlo sarebbe comodo sfruttare i 5V della presa USB del PC o di un comune caricabatteria degli smartphone, sempre che il valore sia nel range dell'op amp.
Almeno per le prove utilizzerei dei connettori che a vista mi sembrano di semplice utilizzo, tipo:
https://secure.reichelt.com/it/it/connettore-jack-2-5-mm-stereo-4-poli-morsettiera-delock-65454-p163619.html?&trstct=pos_8
https://secure.reichelt.com/it/it/presa-jack-da-incasso-3-5-mm-stereo-4-poli-delock-65457-p152400.html?&trstct=pos_9
Poi se tutto gira userei solo i connettori jack femmine da pannello, da 3 e 4 poli per il circuito:
https://secure.reichelt.com/it/it/jack-socket-4-pin-3-5-mm-cliff-fc68125-p228178.html?&trstct=pos_1
...e i collegamenti fra i dispositivi con cavi già pronti maschio-maschio, 4poli-4poli e 3poli-3poli.
Almeno per le prove utilizzerei dei connettori che a vista mi sembrano di semplice utilizzo, tipo:
https://secure.reichelt.com/it/it/connettore-jack-2-5-mm-stereo-4-poli-morsettiera-delock-65454-p163619.html?&trstct=pos_8
https://secure.reichelt.com/it/it/presa-jack-da-incasso-3-5-mm-stereo-4-poli-delock-65457-p152400.html?&trstct=pos_9
Poi se tutto gira userei solo i connettori jack femmine da pannello, da 3 e 4 poli per il circuito:
https://secure.reichelt.com/it/it/jack-socket-4-pin-3-5-mm-cliff-fc68125-p228178.html?&trstct=pos_1
...e i collegamenti fra i dispositivi con cavi già pronti maschio-maschio, 4poli-4poli e 3poli-3poli.
-

SteveBrady
35 3 - New entry

- Messaggi: 56
- Iscritto il: 28 lug 2019, 13:04
0
voti
Un progetto simile a questo è troppo complicato?
Come microfono, cosa pensavi di usare?
(se interessato, lo disegno per bene con fidocad, ora sto usando il cellulare e non sono a casa)
Come microfono, cosa pensavi di usare?
(se interessato, lo disegno per bene con fidocad, ora sto usando il cellulare e non sono a casa)
-

SediciAmpere
4.187 5 5 8 - Master

- Messaggi: 4846
- Iscritto il: 31 ott 2013, 15:00
0
voti
Per quanto riguarda lo schema per me è piuttosto complesso ma non mi arrendo alle prime difficoltà. In effetti se fosse possibile vederlo in FidoCadJ leggerei meglio anche i valori, ma non voglio approfittarmene troppo se e quando riesci è ben accetto.
Vorrei utilizzare come microfono quello integrato nelle cuffie del cellulare (headset) che dovrebbe essere ad elettrete. Ho visto che hai inserito al pin S del mic la presa XLR ma io non la sfrutterei in quanto mi collegherei direttamente al pin S che esce dalle cuffie. Anche la parte di ramo che riguarda i pulsanti la eviterei, se quelli delle cuffie non funzionassero una volta collegati al dispositivo non sarebbe un problema.
Ora però parto con le domande:
- hai utilizzato un TDA2822 sull'output mentre per l'input che operazionali sono? E' possibile utilizzarne solo uno?
- la Vcc a quanto la fisseresti? Ho visto dal datasheet che va da 1.8V a 15V, tipici 6V, se uso i 5V funziona lo stesso?
- dove hai messo 'tape rec' sono degli RCA, giusto? Io farei un normale jack 3.5mm in TRS ma questo non cambia nulla nel resto dello schema vero?
- ci sono diversi potenziometri, logaritmici e lineare per il microfono, quelli con tratteggio sono in realtà singoli ma con doppi contatti per via dei canali L/R? Quindi alla fine sono 3 in tutto, giusto?
- la parte del microfono non andrebbe ribaltata sulla destra dello schema? A destra vedrei al posto del TRS cuffia il TRRS di cuffie + microfono e solo il pin S va poi al cellulare. Ma forse sto dicendo una fesseria...
Scusami, sono una bestia e ho esagerato con le domande.
Grazie infinite,
ciao.
-

SteveBrady
35 3 - New entry

- Messaggi: 56
- Iscritto il: 28 lug 2019, 13:04
0
voti
forse non ho capito bene come volevi impostare il progetto
io l'ho concepito in questo modo: attraverso il pessimo minijack TRRS a sinistra la nostra consolle si collega al cellulare (i minijack sono una schifezza, ma purtroppo i cellulari usano questo sistema)
Alla consolle si collegano
- l'uscita per la registrazione con RCA o XLR* a cui viene inviato l'audio stereo in uscita dal cellulare mixato con il microfono per la tua voce
- le cuffie con un jack stereo grande per ascoltare quello che viene registrato
- un microfono
i pulsanti sono una comodità che non costa praticamente nulla sono solo tre pulsanti e due resistenze
Il tda2822 è un amplificatore per cuffie (anche abbastanza obsoleto), che funziona benissimo con 5volt
Se alimenti la consolle a 5V puoi usare l'operazionale LM324
*) i minijack mi fanno schifo e con tutto il tempo che ci perderai a costruirlo tanto vale spendere 3€ in più e fare una cosa di impostazione professionale
Forse tu volevi continuare a usare l'auricolare del cellulare, ci vorrebbe uno "sdoppio" oppure un minijack femmina TRRS da 3,5mm ma non so dove trovarli
io l'ho concepito in questo modo: attraverso il pessimo minijack TRRS a sinistra la nostra consolle si collega al cellulare (i minijack sono una schifezza, ma purtroppo i cellulari usano questo sistema)
Alla consolle si collegano
- l'uscita per la registrazione con RCA o XLR* a cui viene inviato l'audio stereo in uscita dal cellulare mixato con il microfono per la tua voce
- le cuffie con un jack stereo grande per ascoltare quello che viene registrato
- un microfono
i pulsanti sono una comodità che non costa praticamente nulla sono solo tre pulsanti e due resistenze
Il tda2822 è un amplificatore per cuffie (anche abbastanza obsoleto), che funziona benissimo con 5volt
Se alimenti la consolle a 5V puoi usare l'operazionale LM324
*) i minijack mi fanno schifo e con tutto il tempo che ci perderai a costruirlo tanto vale spendere 3€ in più e fare una cosa di impostazione professionale
Forse tu volevi continuare a usare l'auricolare del cellulare, ci vorrebbe uno "sdoppio" oppure un minijack femmina TRRS da 3,5mm ma non so dove trovarli
-

SediciAmpere
4.187 5 5 8 - Master

- Messaggi: 4846
- Iscritto il: 31 ott 2013, 15:00
1
voti
SediciAmpere ha scritto:forse non ho capito bene come volevi impostare il progetto
io l'ho concepito in questo modo: attraverso il pessimo minijack TRRS a sinistra la nostra consolle si collega al cellulare (i minijack sono una schifezza, ma purtroppo i cellulari usano questo sistema)
Alla consolle si collegano
- l'uscita per la registrazione con RCA o XLR* a cui viene inviato l'audio stereo in uscita dal cellulare mixato con il microfono per la tua voce
- le cuffie con un jack stereo grande per ascoltare quello che viene registrato
- un microfono
Alla fine il risultato è questo ma io semplificavo ulteriormente il progetto utilizzando solo gli auricolari con microfono incorporato e due cavetti classici con jack 3.5mm maschio-maschio uno da 4poli e l'altro da 3poli entrambi di piccola lunghezza, vedi schema FidoCadJ sotto.
Insomma qualcosa come iRig2 (passivo e comodo) oppure se la tipologia fosse scadente o non consigliabile qualcosa come il Just Mixer M (alimentato e per questo un po' meno comodo) in versione semplificata.
Quei dispositivi privi di alimentazione come funzionano? Hanno comunque degli operazionali o solo resistenze e condensatori?
iRig2 https://www.amazon.it/IK-Multimedia-Interfaccia-chitarra-iPhone/dp/B00T631UTC
Just Mixer M https://www.amazon.it/Maker-Hart-Just-Mixer-preamplificatore/dp/B079DJR3BS
SediciAmpere ha scritto:i pulsanti sono una comodità che non costa praticamente nulla sono solo tre pulsanti e due resistenze
Sì ma non li userei... comunque faccio in tempo ad inserirli, più che altro non ho idea del package che potrebbe avere il tutto quindi meno roba c'è e più penso sia facile per me metterlo insieme, ma questo del package è comunque uno step successivo.
SediciAmpere ha scritto:Il tda2822 è un amplificatore per cuffie (anche abbastanza obsoleto), che funziona benissimo con 5volt
Se alimenti la consolle a 5V puoi usare l'operazionale LM324
Ok, perfetto! Basta quindi un solo LM324 per gestire tutto, ma il progetto deve essere aggiornato?
Dovendolo alimentare pensavo ai 5V per via di prelevarli da una presa USB (PC o caricabatteria).
SediciAmpere ha scritto:*) i minijack mi fanno schifo e con tutto il tempo che ci perderai a costruirlo tanto vale spendere 3€ in più e fare una cosa di impostazione professionale
Cioè dici che è più difficile e scomodo da saldare? Ne userei 3 (2x 4poli + 1x 3poli). Perché il jack 6.3 sarà più comodo ma poi devo comprarmi o farmi i cavi / adattatori che da minijack vanno al jack come se avessi un mixer vero e proprio e poi li avrei sempre fra i piedi...
SediciAmpere ha scritto:Forse tu volevi continuare a usare l'auricolare del cellulare, ci vorrebbe uno "sdoppio" oppure un minijack femmina TRRS da 3,5mm ma non so dove trovarli
Sì, esatto. Vorrei poter utilizzare gli auricolari con microfono venduti assieme al cell tipo Samsung o iPhone che entrambi vanno bene sul mio smartphone. Il jack femmina da 4poli da pannello sarebbe quello che indicavo in precedenza, potrei comprare tutti i componenti lì così ammortizzo le spese di spedizione oppure alla prossima fiera dell'elettronica
Jack 3.5mm femmina TRRS https://secure.reichelt.com/it/it/jack-socket-4-pin-3-5-mm-cliff-fc68125-p228178.html?&trstct=pos_1
Per quanto riguarda lo sdoppiatore ho già uno splitter audio+mic che prende un jack 3.5mm femmina 4poli TRRS e lo divide appunto in 2 jack 3.5mm maschi 3poli TRS uno con audio L/R e l'altro con mic, mi manca l'inverso però come detto volevo evitare di dover comprare e avere fra i piedi diversi tipi di cavi e adattatori (alcuni cari e rari nei negozi tipo gli splitter TRRS) e farmi qualcosa il più possibile pronto per l'uso.
Ciao e grazie!
-

SteveBrady
35 3 - New entry

- Messaggi: 56
- Iscritto il: 28 lug 2019, 13:04
0
voti
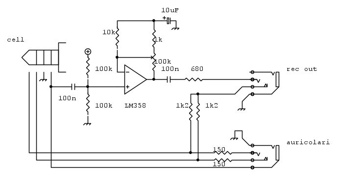
Eccoci
l'ho un po' semplificato
come operazionale puoi usare uno dei due contenuti nell'LM358
il registratore deve essere stereo, ad un canale arriverà il microfono (la tua voce) e all'altro canale le cuffie (il tuo interlocutore), in questo modo avrai due tracce separate che potranno essere editate separatamente
il potenziometro da 22k sarà il gain del microfono, da regolare in modo che il livello del microfono sia uguale a quello dell'interlocutore. purtroppo dagli auricolari sentirai solo l'interlocutore e non la tua voce, e non potrai sapere se nella registrazione sta venendo troppo forte o troppo bassa.
Per poter ascoltare quello che stai registrando, dovrai aggiungere un amplificatore per cuffie (come il tda2822m) e collegare i suoi ingressi all'uscita REC OUT
-

SediciAmpere
4.187 5 5 8 - Master

- Messaggi: 4846
- Iscritto il: 31 ott 2013, 15:00
0
voti
correzione:
ho aggiunto due resistenze per attenuare il segnale delle cuffie, visto che il volume del cellulare dovrà essere sempre al massimo
-

SediciAmpere
4.187 5 5 8 - Master

- Messaggi: 4846
- Iscritto il: 31 ott 2013, 15:00
0
voti
Grazie!!!
Intanto me lo studio con calma e cerco di capire tutto quello che posso, poi... quasi sicuramente ti chiederò chiarimenti.

Intanto me lo studio con calma e cerco di capire tutto quello che posso, poi... quasi sicuramente ti chiederò chiarimenti.

-

SteveBrady
35 3 - New entry

- Messaggi: 56
- Iscritto il: 28 lug 2019, 13:04
1
voti
Eccomi: ho stilato l'elenco dei componenti dal tuo schema, ti chiedo conferma o correzione per le caratteristiche non espressamente indicate, se determinanti per il funzionamento:
n.2 resistenze 150Ohm, 0.6W, 1% ad esempio queste
n.1 resistenza 680Ohm, 0.6W, 1% ad esempio questa
n.1 resistenza 1000Ohm, 0.6W, 1% ad esempio questa
n.2 resistenze 1200Ohm, 0.6W, 1% ad esempio queste
n.1 resistenza 10kOhm, 0.6W, 1% ad esempio questa
n.2 resistenze 100kOhm, 0.6W, 1% ad esempio queste
n.1 potenziometro 100kOhm, lineare? ad esempio questo
n.2 condensatori ceramici 100nF, 10% ad esempio questi
n.1 condensatore elettrolitico 10uF, 20% ad esempio questo
n.1 operazionale LM358, quale versione? Questo va bene? Ci sono anche questi: tipo1 tipo2 tipo3
Nello schema non capisco come si alimenta l'operazionale, ho quindi ipotizzato un collegamento guardando e riportando i pin dal suo datasheet. Perdonami se ho pestato di brutto
Per quanto riguarda i livelli nell'uscita rec out è indispensabile il TDA2822m ovvero, se, con lo schema attuale, gli collego altre cuffie ascoltando l'audio dal cellulare per valutarne il livello lo sentirei basso perché ha una diversa impedenza d'uscita? Altrimenti lo posso collegare al line-in/microfono del PC e vederne/sentirne il livello con Audacity o simili.
Grazie!
n.2 resistenze 150Ohm, 0.6W, 1% ad esempio queste
n.1 resistenza 680Ohm, 0.6W, 1% ad esempio questa
n.1 resistenza 1000Ohm, 0.6W, 1% ad esempio questa
n.2 resistenze 1200Ohm, 0.6W, 1% ad esempio queste
n.1 resistenza 10kOhm, 0.6W, 1% ad esempio questa
n.2 resistenze 100kOhm, 0.6W, 1% ad esempio queste
n.1 potenziometro 100kOhm, lineare? ad esempio questo
n.2 condensatori ceramici 100nF, 10% ad esempio questi
n.1 condensatore elettrolitico 10uF, 20% ad esempio questo
n.1 operazionale LM358, quale versione? Questo va bene? Ci sono anche questi: tipo1 tipo2 tipo3
Nello schema non capisco come si alimenta l'operazionale, ho quindi ipotizzato un collegamento guardando e riportando i pin dal suo datasheet. Perdonami se ho pestato di brutto
Per quanto riguarda i livelli nell'uscita rec out è indispensabile il TDA2822m ovvero, se, con lo schema attuale, gli collego altre cuffie ascoltando l'audio dal cellulare per valutarne il livello lo sentirei basso perché ha una diversa impedenza d'uscita? Altrimenti lo posso collegare al line-in/microfono del PC e vederne/sentirne il livello con Audacity o simili.
Grazie!
-

SteveBrady
35 3 - New entry

- Messaggi: 56
- Iscritto il: 28 lug 2019, 13:04
Chi c’è in linea
Visitano il forum: Nessuno e 43 ospiti

Elettrotecnica e non solo (admin)
Un gatto tra gli elettroni (IsidoroKZ)
Esperienza e simulazioni (g.schgor)
Moleskine di un idraulico (RenzoDF)
Il Blog di ElectroYou (webmaster)
Idee microcontrollate (TardoFreak)
PICcoli grandi PICMicro (Paolino)
Il blog elettrico di carloc (carloc)
DirtEYblooog (dirtydeeds)
Di tutto... un po' (jordan20)
AK47 (lillo)
Esperienze elettroniche (marco438)
Telecomunicazioni musicali (clavicordo)
Automazione ed Elettronica (gustavo)
Direttive per la sicurezza (ErnestoCappelletti)
EYnfo dall'Alaska (mir)
Apriamo il quadro! (attilio)
H7-25 (asdf)
Passione Elettrica (massimob)
Elettroni a spasso (guidob)
Bloguerra (guerra)


