Salve a tutti. Mi sono appena registrato, ringrazio per l'ospitalità!
Avevo risolto due esercizi qualche tempo fa, il mio professore mi aveva detto che erano sbagliati, non gli ho più chiesto correzioni da allora quindi chiedo a voi. :)
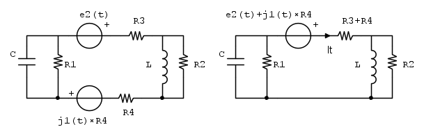
ES1 (Vedi allegato)
Calcolare la potenza attiva e reattiva erogata dai due generatori in questo circuito in regime sinusoidale
Il mio ragionamento è stato:
-passo nel dominio dei fasori
-la corrente che circola nel generatore di tensione e2 è uguale alla corrente che circola nel fasore Z3 dato che sono in serie. Mentre la tensione ai capi del generatore di corrente j1 è uguale alla tensione ai capi del fasore Z4 dato che sono in parallelo
-applico la sovrapposizione degli effetti. In C' spengo il gen. di corrente che diventa un circuito aperto, mentre il C'' spengo il gen. di tensione che diventa un corto circuito
-calcolo la corrente che scorre nei fasori Z3 e Z4 (lo faccio per entrambi i circuiti C' e C'' e le sommo)
-calcolo la tensione ai capi dei fasori Z3 e Z4 moltiplicando le impedenze di Z3 e Z4 per le correnti appena calcolate
-la potenza dei generatori in regime fasoriale la calcolo con la formula P= (1/2) * (V) * (I*). Quindi:
la potenza del gen. di tensione è uguale a (1/2) * (tensione di Z3) * (corrente di Z3 coniugato).
Mentre la potenza del gen. di corrente è uguale a (1/2) * (tensione di Z4) * (corrente di Z4 coniugato)
ES2 (Vedi allegato)
Calcolare la potenza attiva e reattiva erogata dai due generatori in questo circuito in regime sinusoidale
Ho fatto lo stesso ragionamento per questo esercizio, visto che i generatori di corrente sono in parallelo con i resistori R3 e R4
Grazie in anticipo per ogni risposta!
Calcolare Potenza Generatori in regime sinusoidale
Moderatori:
g.schgor,
IsidoroKZ
12 messaggi
• Pagina 1 di 2 • 1, 2
2
voti
Utilizza FidoCadJ per disegnare gli schemi (i tuoi schemi mi sembrano preparati con questo programma
)
Ho preparato il primo schema:
Copialo ed incollalo in un foglio nuovo di FidoCadJ: in questo modo troverai subito i vari componenti necessari per disegnare il secondo schema.
Usare LaTeX per le formule.
Scrivi i testi dei due problemi e i dati.
Che significa fasore Z3, fasore Z4

)Ho preparato il primo schema:
Copialo ed incollalo in un foglio nuovo di FidoCadJ: in questo modo troverai subito i vari componenti necessari per disegnare il secondo schema.
Usare LaTeX per le formule.
Scrivi i testi dei due problemi e i dati.
Che significa fasore Z3, fasore Z4
Il Conte di Montecristo
Se non studio un giorno, me ne accorgo io. Se non studio due giorni, se ne accorge il pubblico.
Io devo studiare sodo e preparare me stesso perché prima o poi verrà il mio momento.
Abraham Lincoln
Se non studio un giorno, me ne accorgo io. Se non studio due giorni, se ne accorge il pubblico.
Io devo studiare sodo e preparare me stesso perché prima o poi verrà il mio momento.
Abraham Lincoln
-

EdmondDantes
11,9k 8 11 13 - Disattivato su sua richiesta
- Messaggi: 3619
- Iscritto il: 25 lug 2009, 22:18
- Località: Marsiglia
3
voti
Poco fa mi sono svegliato, ho preso il tablet per controllare la posta e ho visto questa domanda. Ancora mezzo addormentato ho risposto. Poi mi sono accorto che avevo scritto una fesseria e per fortuna ho cancellato prima di inviare la risposta. Adesso, con il profumo di caffe` (decaffeinato) che mi sto facendo provo a recuperare la risposta, con un importante caveat!
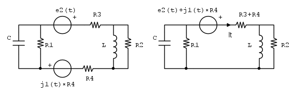
Per risolvere il problema bisogna conoscere tensioni e correnti sui generatori. Un modo per ridurre i calcoli potrebbe essere quello di trovare l'equivalente Thevenin di j1 e R4, riconoscere che questo equivalente e` in serie a e2 ed R3, e semplificare cosi` il circuito. Sfrutto il disegno fidocad fatto da
EdmondDantes (vedi a cosa serve fidocad? Non devo rifare il disegno, prendo quello gia` fatto e lo modifico).
In questo modo calcoli la corrente It senza dover usare la sovrapposizione, facendo un conto solo. E adesso il caveat.
ACHTUNG! Thevenin e potenze non sono compatibili: quando si calcola un equivalente Thevenin (o Norton) si perde la possibilita` di calcolare le potenze sul circuito che e` stato "thevenato". In pratica non si puo` trovare dal circuito equivalente la potenza erogata da j1. Quelle assorbite ed erogate fuori dall'equivalente sono OK, ma quella di j1 no. Bisogna tornare al circuito di partenza, questa volta conoscendo pero` gia` la corrente It.
La potenza erogata dal generatore di tensione vale
(tutti fasori, ovviamente), mentre la potenza erogata dal generatore di corrente vale
con V la tensione ai suoi capi, che calcoli come 
Secondo caveat: Non si puo` usare la sovrapposizione degli effetti con le potenze. Sara` mica questo il motivo per cui il prof ti ha detto che la tua soluzione non andava?
Per risolvere il problema bisogna conoscere tensioni e correnti sui generatori. Un modo per ridurre i calcoli potrebbe essere quello di trovare l'equivalente Thevenin di j1 e R4, riconoscere che questo equivalente e` in serie a e2 ed R3, e semplificare cosi` il circuito. Sfrutto il disegno fidocad fatto da
In questo modo calcoli la corrente It senza dover usare la sovrapposizione, facendo un conto solo. E adesso il caveat.
ACHTUNG! Thevenin e potenze non sono compatibili: quando si calcola un equivalente Thevenin (o Norton) si perde la possibilita` di calcolare le potenze sul circuito che e` stato "thevenato". In pratica non si puo` trovare dal circuito equivalente la potenza erogata da j1. Quelle assorbite ed erogate fuori dall'equivalente sono OK, ma quella di j1 no. Bisogna tornare al circuito di partenza, questa volta conoscendo pero` gia` la corrente It.
La potenza erogata dal generatore di tensione vale
(tutti fasori, ovviamente), mentre la potenza erogata dal generatore di corrente vale
con V la tensione ai suoi capi, che calcoli come 
Secondo caveat: Non si puo` usare la sovrapposizione degli effetti con le potenze. Sara` mica questo il motivo per cui il prof ti ha detto che la tua soluzione non andava?
Per usare proficuamente un simulatore, bisogna sapere molta più elettronica di lui
Plug it in - it works better!
Il 555 sta all'elettronica come Arduino all'informatica! (entrambi loro malgrado)
Se volete risposte rispondete a tutte le mie domande
Plug it in - it works better!
Il 555 sta all'elettronica come Arduino all'informatica! (entrambi loro malgrado)
Se volete risposte rispondete a tutte le mie domande
0
voti
EdmondDantes ha scritto:Utilizza FidoCadJ
Usare LaTeX per le formule.
Scrivi i testi dei due problemi e i dati.
IsidoroKZ ha scritto:Per risolvere il problema bisogna conoscere tensioni e correnti sui generatori. Un modo per ridurre i calcoli potrebbe essere quello di trovare l'equivalente Thevenin di j1 e R4,
Grazie mille per l' aiuto ragazzi, specialemente a Isidoro per la risposta esaustiva. In realtà è più semplice di quello che sembra. Il prof mi aveva scritto "errore nel calcolo delle potenze"
Scusate se rispondo in ritardo ma anche essendo iscritto al thread non mi erano arrivate le mail.
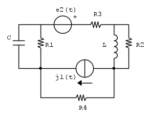
Non avevo mai usato FidoCadJ. Allego il circuito fatto per bene
Devo calcolare le potenze attive e reattive erogate dai 2 generatori.
Ecco i dati del problema:







E vi mostro come l'ho svolto io:
Passo nel dominio dei fasori
=100
=200
=180
=140
=jωL = 20j
=
= -50jApplico sovrapposizione degli effetti
----------------PRIMO CIRCUITO-->C' lascio acceso il gen.
e spengo 







-------------Adesso passo al SECONDO CIRCUITO--->C'' lascio acceso il gen.
e spengo 
e
hanno lo stesso valore calcolato in C'



---------------------
Calcolo
totale sommando
(del primo circuito) e
(del secondo circuito)= 
Calcolo
totale sommando
(del primo circuito) e
(del secondo circuito)= 
------------------
Calcolo le potenze dei generatori


Ultima modifica di
admin il 31 ago 2019, 0:29, modificato 4 volte in totale.
Motivazione: sistemata un po' la sintassi LaTex
Motivazione: sistemata un po' la sintassi LaTex
0
voti
C'è qualcuno?
Cosa ne pensate del procedimento?
È corretto?
Cosa ne pensate del procedimento?
È corretto?
0
voti
Elekim ha scritto:Cosa ne pensate del procedimento?
Il procedimento va bene, ma c'è confusione sui segni.
Ad esempio se metti il + della tensione su
a destra,
prodotta da
non deve avere il segno meno, mentre il segno meno ci va nel calcolo di
prodotta da
con riferimento ai versi che hai indicato nello schema.0
voti
Grazie per la risposta!
Sì, mi trovo con i segni (avevo sbagliato a trascrivere dal foglio)
A questo punto non so quale possa essere questo "errore di calcolo delle potenze" secondo il prof... mi confronterò con lui e vi aggiornerò (in ogni caso credo lui abbia frainteso l' ultimo passaggio)
Sì, mi trovo con i segni (avevo sbagliato a trascrivere dal foglio)
A questo punto non so quale possa essere questo "errore di calcolo delle potenze" secondo il prof... mi confronterò con lui e vi aggiornerò (in ogni caso credo lui abbia frainteso l' ultimo passaggio)
0
voti
Ecco l' errore, era nel calcolo delle potenze dei generatori
Anzichè questo
Andava fatto questo giustamente:


Qualche moderatore può marcare la discussione come risolta ora!
Anzichè questo
Elekim ha scritto:
Andava fatto questo giustamente:


Qualche moderatore può marcare la discussione come risolta ora!
12 messaggi
• Pagina 1 di 2 • 1, 2
Torna a Elettrotecnica generale
Chi c’è in linea
Visitano il forum: Nessuno e 21 ospiti

Elettrotecnica e non solo (admin)
Un gatto tra gli elettroni (IsidoroKZ)
Esperienza e simulazioni (g.schgor)
Moleskine di un idraulico (RenzoDF)
Il Blog di ElectroYou (webmaster)
Idee microcontrollate (TardoFreak)
PICcoli grandi PICMicro (Paolino)
Il blog elettrico di carloc (carloc)
DirtEYblooog (dirtydeeds)
Di tutto... un po' (jordan20)
AK47 (lillo)
Esperienze elettroniche (marco438)
Telecomunicazioni musicali (clavicordo)
Automazione ed Elettronica (gustavo)
Direttive per la sicurezza (ErnestoCappelletti)
EYnfo dall'Alaska (mir)
Apriamo il quadro! (attilio)
H7-25 (asdf)
Passione Elettrica (massimob)
Elettroni a spasso (guidob)
Bloguerra (guerra)






per il calcolo delle P?




