Cos'è ElectroYou | Login Iscriviti

ElectroYou - la comunità dei professionisti del mondo elettrico

Duplicazione segnali audio + mic con AUX da jack TRRS

Elettronica lineare e digitale: didattica ed applicazioni

Moderatori: Foto Utentecarloc, Foto Utenteg.schgor, Foto UtenteBrunoValente, Foto UtenteIsidoroKZ

0
voti

[21] Re: Duplicazione segnali audio + mic con AUX da jack TRRS

Messaggioda Foto UtenteSediciAmpere » 31 ago 2019, 20:00

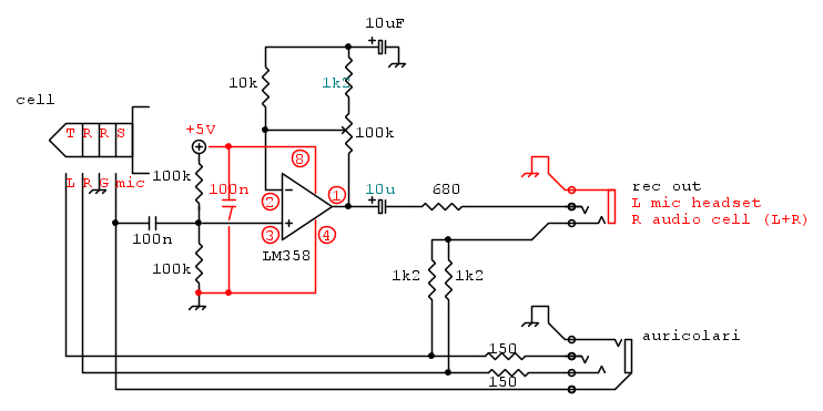
SteveBrady ha scritto:Nello schema non capisco come si alimenta l'operazionale, ho quindi ipotizzato un collegamento guardando e riportando i pin dal suo datasheet. Perdonami se ho pestato di brutto :-)

Per quanto riguarda i livelli nell'uscita rec out è indispensabile il TDA2822m ovvero, se, con lo schema attuale, gli collego altre cuffie ascoltando l'audio dal cellulare per valutarne il livello lo sentirei basso perché ha una diversa impedenza d'uscita? Altrimenti lo posso collegare al line-in/microfono del PC e vederne/sentirne il livello con Audacity o simili.

Grazie!
O_/


Sì tutto corretto, aggiungi anche un condensatore da 100nF poliestere in parallelo ai pin 8 e 4 dell'operazionale, più vicini possibile all'integrato

Il tda 2822 è un amplificatore per cuffie, serve per avere un'uscita cuffie indipendente da quella del cellulare, in modo da poter regolare il volume e non registrare forti "toc" o sbalzi di volume nel caso in cui la cuffia venisse staccata o attaccata durante la registrazione
Avatar utente
Foto UtenteSediciAmpere
4.187 5 5 8
Master
Master
 
Messaggi: 4847
Iscritto il: 31 ott 2013, 15:00

0
voti

[22] Re: Duplicazione segnali audio + mic con AUX da jack TRRS

Messaggioda Foto UtenteSteveBrady » 31 ago 2019, 23:41

SediciAmpere ha scritto:Sì tutto corretto, aggiungi anche un condensatore da 100nF poliestere in parallelo ai pin 8 e 4 dell'operazionale, più vicini possibile all'integrato

OK! Ho aggiornato lo schema, così torna? Quindi un solo condensatore poliestere, tipo questo è ok?
Lo metterò vicino al pin 8 o al 4 perché sono uno all'opposto dell'altro.
Mi confermi quindi anche gli altri componenti e l'integrato? Scusami se ti chiedo conferma di tutto ma sono proprio inesperto e non vorrei fare cavolate :oops:


SediciAmpere ha scritto:Il tda 2822 è un amplificatore per cuffie, serve per avere un'uscita cuffie indipendente da quella del cellulare, in modo da poter regolare il volume e non registrare forti "toc" o sbalzi di volume nel caso in cui la cuffia venisse staccata o attaccata durante la registrazione

Va bene, grazie. Per il momento lasciamo la versione così come è ora poi vedrò se sarà necessario inserirlo, come primo esperimento va già bene così. :-)
O_/
Avatar utente
Foto UtenteSteveBrady
35 3
New entry
New entry
 
Messaggi: 56
Iscritto il: 28 lug 2019, 13:04

2
voti

[23] Re: Duplicazione segnali audio + mic con AUX da jack TRRS

Messaggioda Foto Utenteclaudiocedrone » 31 ago 2019, 23:56

SteveBrady ha scritto: ...Lo metterò vicino al pin 8 o al 4 perché sono uno all'opposto dell'altro...

No, mettilo proprio tra quei due pin altrimenti non svolgerebbe correttamente la propria funzione, casomai saldacelo sotto dall'altro lato della scheda.
"Non farei mai parte di un club che accettasse la mia iscrizione" (G. Marx)
Avatar utente
Foto Utenteclaudiocedrone
21,3k 4 7 9
Master EY
Master EY
 
Messaggi: 15302
Iscritto il: 18 gen 2012, 13:36

1
voti

[24] Re: Duplicazione segnali audio + mic con AUX da jack TRRS

Messaggioda Foto UtenteSediciAmpere » 1 set 2019, 10:00

SteveBrady ha scritto:Eccomi: ho stilato l'elenco dei componenti dal tuo schema, ti chiedo conferma o correzione per le caratteristiche non espressamente indicate, se determinanti per il funzionamento:

purtroppo i link non mi funzionano
credo che siano fatti bene ma il sito mi rimanda alla sua home page
le resistenze vanno benissimo da 0,6W , per la tolleranza non c'è problema vanno bene sia all'1% che al 5%
il potenziometro è corretto, deve essere lineare
l'integrato assicurati che non sia SMD ma che sia a montaggio su foro, ti consiglio di mettergli anche lo zoccolo, in modo da facilitare il montaggio la sostituzione in caso di guasto
Ricordati di comprare anche il minijack TRRS maschio, il mini-TRRS femmina per l'ascolto, un mini TRS (o meglio due RCA) per l'uscita REC, il pomello per il potenziometro, una millefori e una scatola in metallo




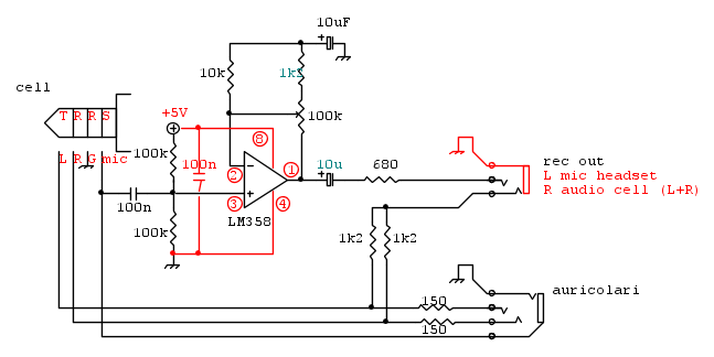
mi sono accorto di una svista: il condensatore d'uscita dell'operazionale da 100nF era troppo piccolo, deve essere almeno da 2,2uF (l'ho messo da 10u, così è uguale all'altro) e ho anche cambiato la resistenza del gain in modo da metterla uguale ad un altro valore che già c'era nello schema: 1,2kOhm
Avatar utente
Foto UtenteSediciAmpere
4.187 5 5 8
Master
Master
 
Messaggi: 4847
Iscritto il: 31 ott 2013, 15:00

0
voti

[25] Re: Duplicazione segnali audio + mic con AUX da jack TRRS

Messaggioda Foto UtenteSteveBrady » 1 set 2019, 16:35

claudiocedrone ha scritto:
SteveBrady ha scritto: ...Lo metterò vicino al pin 8 o al 4 perché sono uno all'opposto dell'altro...

No, mettilo proprio tra quei due pin altrimenti non svolgerebbe correttamente la propria funzione, casomai saldacelo sotto dall'altro lato della scheda.

Non ci sono altre soluzioni? Ho paura di non riuscire a fare bene le saldature nella parte inferiore. Nel lato componenti sarebbe tangibilmente molto peggio? Al limite potrei metterlo in orizzontale cercando l'equidistanza fra i pin 4 e 8?
Avatar utente
Foto UtenteSteveBrady
35 3
New entry
New entry
 
Messaggi: 56
Iscritto il: 28 lug 2019, 13:04

0
voti

[26] Re: Duplicazione segnali audio + mic con AUX da jack TRRS

Messaggioda Foto UtenteSteveBrady » 1 set 2019, 16:53

SediciAmpere ha scritto:
SteveBrady ha scritto:Eccomi: ho stilato l'elenco dei componenti dal tuo schema, ti chiedo conferma o correzione per le caratteristiche non espressamente indicate, se determinanti per il funzionamento:

purtroppo i link non mi funzionano
credo che siano fatti bene ma il sito mi rimanda alla sua home page

Reichelt non l'ho trovato nell'elenco dei negozi presenti nell'articolo specifico del forum e leggendo qualche parere in internet non sembra affidabilissimo quindi non so se poi mi servirò da loro... comunque ci riprovo aggiornando i link e l'elenco con le tue ultime indicazioni:
n.2 resistenze 150Ohm, 0.6W, 1% ad esempio queste
n.1 resistenza 680Ohm, 0.6W, 1% ad esempio questa
n.3 resistenze 1200Ohm, 0.6W, 1% ad esempio queste
n.1 resistenza 10kOhm, 0.6W, 1% ad esempio questa
n.2 resistenze 100kOhm, 0.6W, 1% ad esempio queste
n.1 potenziometro 100kOhm lineare ad esempio questo
n.1 condensatore ceramico 100nF, 10% ad esempio questo
n.2 condensatori elettrolitici 10uF, 20% ad esempio questi
n.1 condensatore poliestere 100nF, 10% ad esempio questo
n.1 operazionale LM358, ho scelto questo ma ci sono anche questi: tipo1 tipo2 tipo3

SediciAmpere ha scritto:le resistenze vanno benissimo da 0,6W , per la tolleranza non c'è problema vanno bene sia all'1% che al 5%
il potenziometro è corretto, deve essere lineare
l'integrato assicurati che non sia SMD ma che sia a montaggio su foro, ti consiglio di mettergli anche lo zoccolo, in modo da facilitare il montaggio la sostituzione in caso di guasto
Ricordati di comprare anche il minijack TRRS maschio, il mini-TRRS femmina per l'ascolto, un mini TRS (o meglio due RCA) per l'uscita REC, il pomello per il potenziometro, una millefori e una scatola in metallo

Per quanto riguarda il resto ok, lo zoccolo ci avevo pensato mentre per il jack TRRS maschio pensavo invece di utilizzarne uno femmina e collegare il dispositivo al cellulare con cavo jack maschio-maschio 4poli già pronto.
Per la scatola di metallo come funziona poi il fissaggio con la millefori? Ed i fori per potenziometro e jack? Con la plastica sarebbe forse più comodo ma il metallo serve per i collegamenti a massa?

Poi pensavo al connettore per l'alimentazione: mi piacerebbe utilizzare un connettore femmina micro USB ma è davvero piccolo ed i contatti molto ravvicinati quindi immagino che da saldare sia un mezzo delirio. :(
Che non sia il caso di utilizzare un jack DC femmina da utilizzare con apposito cavo USB maschio - jack DC maschio? Forse più semplice ma il cavo necessario sarebbe meno diffuso. Prenderò entrambi i connettori e vedrò cosa riesco a fare...

Sempre sull'alimentazione ho infine uno scrupolo: non sarà il caso di inserire un diodo a protezione dei cortocircuiti od inversione di tensione? Non mi preoccupo del circuito in sé ma più che altro non vorrei fare cavolate nell'assemblaggio o durante i test e per questo fumarmi le porte USB del PC o il PC stesso per qualche mia disattenzione o mossa maldestra.
Nel caso che tipo di diodo andrebbe bene, considerando che potrei alimentare il tutto anche da un power bank oltre che da PC e caricabatteria del cellulare?

Grazie!
Avatar utente
Foto UtenteSteveBrady
35 3
New entry
New entry
 
Messaggi: 56
Iscritto il: 28 lug 2019, 13:04

0
voti

[27] Re: Duplicazione segnali audio + mic con AUX da jack TRRS

Messaggioda Foto Utenteclaudiocedrone » 1 set 2019, 17:41

Il condensatore di bypass sulla alimentazione dell'integrato deve essere posizionato il più vicino possibile ai terminali di alimentazione, praticamente sulle medesime piazzole (in un PCB) su cui salderai i terminali, anche un paio di centimetri di pista potrebbero inficiarne l'utilità... lascierei perdere l'idea del diodo anti inversione di polarità in serie alla alimentazione (quei diodi erano una aberrazione di NE che li ficcava in ogni dove con esiti anche disastrosi... tipo diodi da 1 A in serie a una linea di alimentazione di potenza protetta con fusibile da 1,6 A p. es. :mrgreen: ) anche perché ti ridurrebbe la tensione di alimentazione che è già scarsetta (anche se magari l'integrato riuscisse a lavorare ugualmente la dinamica va a farsi benedire); piuttosto controlla e ricontrolla più di una volta la corretta polarità.
"Non farei mai parte di un club che accettasse la mia iscrizione" (G. Marx)
Avatar utente
Foto Utenteclaudiocedrone
21,3k 4 7 9
Master EY
Master EY
 
Messaggi: 15302
Iscritto il: 18 gen 2012, 13:36

0
voti

[28] Re: Duplicazione segnali audio + mic con AUX da jack TRRS

Messaggioda Foto UtenteSediciAmpere » 1 set 2019, 21:35

SteveBrady ha scritto:Sempre sull'alimentazione ho infine uno scrupolo: non sarà il caso di inserire un diodo a protezione dei cortocircuiti od inversione di tensione? Non mi preoccupo del circuito in sé ma più che altro non vorrei fare cavolate nell'assemblaggio o durante i test e per questo fumarmi le porte USB del PC o il PC stesso per qualche mia disattenzione o mossa maldestra.
Nel caso che tipo di diodo andrebbe bene, considerando che potrei alimentare il tutto anche da un power bank oltre che da PC e caricabatteria del cellulare?

Grazie!


più che uno scrupolo, mi sembra una precauzione necessaria, mi sembra veramente rischioso per il computer fare prove con il circuito alimentato dalle porte USB, piuttosto usa un caricabatterie per cellulari o il powerbank. Anche dopo che l'oggetto sarà finito e collaudato, eviterei comunque di alimentarlo con il PC, non si sa mai

per quanto riguarda la connessione di alimentazione, io il filo di un mouse guasto e lo farei uscire direttamente da un foro sulla scatola
Avatar utente
Foto UtenteSediciAmpere
4.187 5 5 8
Master
Master
 
Messaggi: 4847
Iscritto il: 31 ott 2013, 15:00

0
voti

[29] Re: Duplicazione segnali audio + mic con AUX da jack TRRS

Messaggioda Foto UtenteSediciAmpere » 1 set 2019, 21:37

(i link continuano a non funzionare, comunque non ti preoccupare: una resistenza è una resistenza, controlla più che altro il contenitore dell'integrato, che non sia SMD)
Avatar utente
Foto UtenteSediciAmpere
4.187 5 5 8
Master
Master
 
Messaggi: 4847
Iscritto il: 31 ott 2013, 15:00

0
voti

[30] Re: Duplicazione segnali audio + mic con AUX da jack TRRS

Messaggioda Foto UtenteSteveBrady » 2 set 2019, 18:42

OK! Niente diodi, cautela nell'utilizzo del prodotto finito e mai con il PC se non voglio rischiare.
Grazie a tutti! :ok:

SediciAmpere ha scritto:(i link continuano a non funzionare, comunque non ti preoccupare: una resistenza è una resistenza, controlla più che altro il contenitore dell'integrato, che non sia SMD)

Strano, questa volta ho controllato con altri due browser e anche dal cellulare e le pagine si aprivano senza problemi ?^! :-k Di solito mi incaponisco finché non trovo il motivo per cui una cosa non funziona, per questa volta soprassiedo, come dici tu non è fondamentale. Sì l'integrato scelto è in versione discreta a cui ho aggiunto il relativo zoccolo.
O_/
Avatar utente
Foto UtenteSteveBrady
35 3
New entry
New entry
 
Messaggi: 56
Iscritto il: 28 lug 2019, 13:04

PrecedenteProssimo

Torna a Elettronica generale

Chi c’è in linea

Visitano il forum: Nessuno e 52 ospiti