Salve. E' il mio primo post e spero di aver scelto la giusta sezione.
Spero possiate aiutatarmi su un grattacapo che mi sta facendo impazzire.
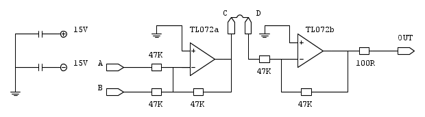
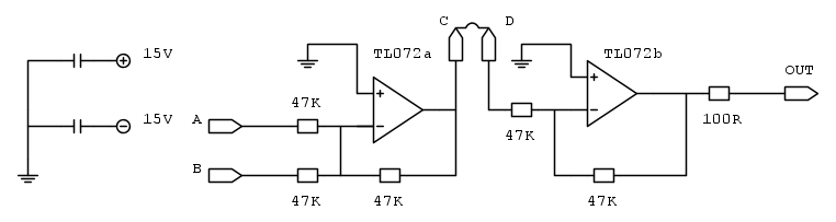
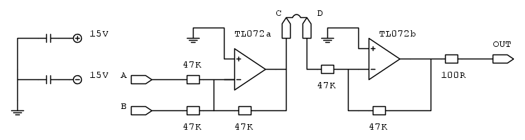
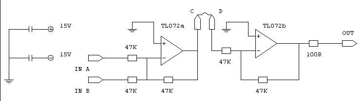
Ho costruito un piccolo circuito abbastanza semplice con un TL072 ,composto da un sommatore invertente seguito
da un buffer sempre invertente, entrambi di guadagno 1.
Se prelevo l'uscita dal nodo C , funziona perfettamente.
Se inserisco il segnale nel nodo D va ancora tutto bene.
Se collego con un ponticello i nodi C e D ottengo un suono distorto come una onda quadra ( tipo PR..PR..) che modula con le basse frequenze del segnale. Questo è ancora più evidente se attenuo le alte.
Il circuito è alimentato con tensione duale +/- 15V ben filtrata e con i segnali sono ben lontano dalla saturazione.
Qualcuno è a conoscenza del fenomeno e perché si presenti?
La mia impressione, ma solo dopo decine di ipotesi e prove, è che il primo stadio non riesca a pilotare il secondo
con un'adeguata corrente di input. Ma ripeto è solo un'impressione avendo ormai esaurito le mie conoscenze
di elettronica.
Grazie.
p.s. volevo allegare il file fido.cad, ma dice che non mi è permesso.
Problemi con OPAMP in cascata
Moderatori:
carloc,
g.schgor,
BrunoValente,
IsidoroKZ
24 messaggi
• Pagina 1 di 3 • 1, 2, 3
0
voti
Ultima modifica di
PietroBaima il 9 set 2019, 18:19, modificato 1 volta in totale.
Motivazione: Per favore finitela di scrivere i titoli in maiuscolo...
Motivazione: Per favore finitela di scrivere i titoli in maiuscolo...
0
voti
Non devi allegare il file Fidocad: devi inserire il codice tra gli appositi tag
Ti spiego come fare: finito di disegnare il circuito, premi CTRL + G per far comparire una finestra con del codice; prendi quel codice e incollalo qui sul forum racchiuso tra i tag
Tutto qui
Ti spiego come fare: finito di disegnare il circuito, premi CTRL + G per far comparire una finestra con del codice; prendi quel codice e incollalo qui sul forum racchiuso tra i tag
- Codice: Seleziona tutto
[fcd][/fcd]
Tutto qui
-

rugweri
5.948 2 8 13 - CRU - Account cancellato su Richiesta utente
- Messaggi: 1366
- Iscritto il: 25 nov 2016, 18:46
0
voti
Ho provato a fare come dici, ma in Fidocad premendo CTRL e G non succede nulla.
0
voti
Puoi anche premere CTRL+A su FidoCadJ per selezionare tutto il circuito, poi CTRL+C per copiarlo e poi tornare sul forum e incollarlo fra i tag che ti hanno consigliato.
PS: per favore non scrivere il titolo di un thread tutto in maiuscolo.
PS: per favore non scrivere il titolo di un thread tutto in maiuscolo.
-

PietroBaima
90,7k 7 12 13 - G.Master EY

- Messaggi: 12206
- Iscritto il: 12 ago 2012, 1:20
- Località: Londra
0
voti
Modificato da marioursino
Spero di aver fatto bene. In ogni caso CTRL A apre un documento e non seleziona.
Forse ho una versione sbagliata di Fidocad?
Spero di aver fatto bene. In ogni caso CTRL A apre un documento e non seleziona.
Forse ho una versione sbagliata di Fidocad?
0
voti
Boh, non capisco. Inoltre il tuo disegno, pur essendo presente nel tuo post, non viene interpretato.
Hai scaricato l’ultima versione su GitHUB?
Hai scaricato l’ultima versione su GitHUB?
-

PietroBaima
90,7k 7 12 13 - G.Master EY

- Messaggi: 12206
- Iscritto il: 12 ago 2012, 1:20
- Località: Londra
0
voti
Il Conte di Montecristo
Se non studio un giorno, me ne accorgo io. Se non studio due giorni, se ne accorge il pubblico.
Io devo studiare sodo e preparare me stesso perché prima o poi verrà il mio momento.
Abraham Lincoln
Se non studio un giorno, me ne accorgo io. Se non studio due giorni, se ne accorge il pubblico.
Io devo studiare sodo e preparare me stesso perché prima o poi verrà il mio momento.
Abraham Lincoln
-

EdmondDantes
11,9k 8 11 13 - Disattivato su sua richiesta
- Messaggi: 3619
- Iscritto il: 25 lug 2009, 22:18
- Località: Marsiglia
0
voti
Credo che stia utilizzando una vecchia versione di FidoCadJ.
Scarica la 0.24.7
Scarica la 0.24.7
Il Conte di Montecristo
Se non studio un giorno, me ne accorgo io. Se non studio due giorni, se ne accorge il pubblico.
Io devo studiare sodo e preparare me stesso perché prima o poi verrà il mio momento.
Abraham Lincoln
Se non studio un giorno, me ne accorgo io. Se non studio due giorni, se ne accorge il pubblico.
Io devo studiare sodo e preparare me stesso perché prima o poi verrà il mio momento.
Abraham Lincoln
-

EdmondDantes
11,9k 8 11 13 - Disattivato su sua richiesta
- Messaggi: 3619
- Iscritto il: 25 lug 2009, 22:18
- Località: Marsiglia
0
voti
A livello di schema dovrebbe funzionare.
Un carico di 47k non dovrebbe influire anche se fosse 10 volte minore.
Forse le oscillazioni sono causate da un accoppiamento tramite le alimentazioni. Le connessioni sono corrette ?
Vicino ai piedini, esistono condensatori ceramici da 1uF fra V+, V- e massa?
Hai misurato le tensioni proprio sui piedini dell'integrato?

Un carico di 47k non dovrebbe influire anche se fosse 10 volte minore.
Forse le oscillazioni sono causate da un accoppiamento tramite le alimentazioni. Le connessioni sono corrette ?
Vicino ai piedini, esistono condensatori ceramici da 1uF fra V+, V- e massa?
Hai misurato le tensioni proprio sui piedini dell'integrato?

24 messaggi
• Pagina 1 di 3 • 1, 2, 3
Chi c’è in linea
Visitano il forum: Nessuno e 213 ospiti

Elettrotecnica e non solo (admin)
Un gatto tra gli elettroni (IsidoroKZ)
Esperienza e simulazioni (g.schgor)
Moleskine di un idraulico (RenzoDF)
Il Blog di ElectroYou (webmaster)
Idee microcontrollate (TardoFreak)
PICcoli grandi PICMicro (Paolino)
Il blog elettrico di carloc (carloc)
DirtEYblooog (dirtydeeds)
Di tutto... un po' (jordan20)
AK47 (lillo)
Esperienze elettroniche (marco438)
Telecomunicazioni musicali (clavicordo)
Automazione ed Elettronica (gustavo)
Direttive per la sicurezza (ErnestoCappelletti)
EYnfo dall'Alaska (mir)
Apriamo il quadro! (attilio)
H7-25 (asdf)
Passione Elettrica (massimob)
Elettroni a spasso (guidob)
Bloguerra (guerra)
pigreco]=π


