Ciao a tutti, sto giocando con un po' di schemi per un generatore di impulsi da usare per delle misure TDR.
Sul web ho trovato vari schemi, e molti usano come uscita diverse porte NOT in parallelo.
Anche NE nella rivista 234 a pag. 46 propone uno schema.
Vorrei capire un' affermazione riguardo questo stadio "finale":
Nello schema, aggiungono in serie all' uscita una resistenza Ro che sommandosi all' impedenza d' uscita delle porte NOT serve ad ottenere l' impedenza d' uscita desiderata dello strumento.
A pag 44, dicono che l' impedenza di ogni porta è di circa 66 ohm e che quindi in parallelo danno 11 ohm.
Non capisco come si ottenga questo valore.
Ho cercato anche sul datasheet del 74HC04, ma non ho trovato nulla a riguardo se non la massima corrente disponibile su ogni porta.
Non capisco come si calcoli o deduca questo valore.
Mi piacerebbe capirlo anche perché uno stadio d' uscita simile viene usato anche da altri schemi.
Impedenza d' uscita NOT gates.
Moderatori:
carloc,
g.schgor,
BrunoValente,
IsidoroKZ
12 messaggi
• Pagina 1 di 2 • 1, 2
0
voti
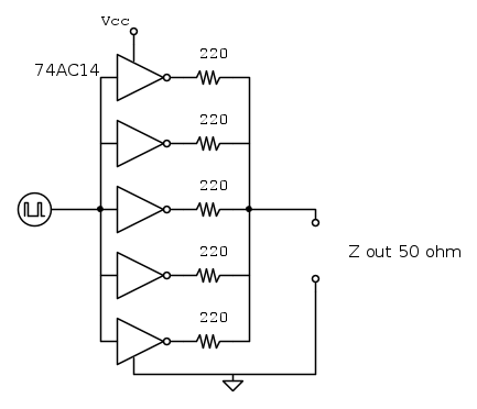
In un altro schema, con un integrato diverso ma simile, trovo questa configurazione di finale:
e anche qui si parla di 50 ohm di impedenza, come se le varie porte avessero impedenza d' uscita nulla o addirittura negativa (ammesso che esista, anche se direi di no).
Anche sul datasheet di questo integrato non ho trovato riferimenti diretti a tale parametro.
Ora la mia domanda è: c'è un modo di conoscere o calcolare quest' impedenza d' uscita in fase di progetto o si deve misurare?
Nell' ultima ipotesi, si può misurare caricando l' uscita con una resistenza fino a quando non si dimezza la tensione in uscita o si deve tenere conto di altri fattori (tipo la frequenza di lavoro o altro)?
e anche qui si parla di 50 ohm di impedenza, come se le varie porte avessero impedenza d' uscita nulla o addirittura negativa (ammesso che esista, anche se direi di no).
Anche sul datasheet di questo integrato non ho trovato riferimenti diretti a tale parametro.
Ora la mia domanda è: c'è un modo di conoscere o calcolare quest' impedenza d' uscita in fase di progetto o si deve misurare?
Nell' ultima ipotesi, si può misurare caricando l' uscita con una resistenza fino a quando non si dimezza la tensione in uscita o si deve tenere conto di altri fattori (tipo la frequenza di lavoro o altro)?
0
voti
Butto una risposta come mi viene ma non è il mio campo. 66 ohm non mi sembra che sia l'impedenza concentrata della sorgente, cioè quella che consente il massimo trasferimento di energia, bensì l'impedenza di linea che deve avere il collegamento esterno per evitare riflessioni sul chip, che dipende dalla geometria del chip e non dalle sue resistenze interne. Se fosse davvero così, ritengo più corretto il secondo schema, che "ammazza" le resistenze interne con dei resistori da 220 ohm in serie che poi ricollega in parallelo per ottenere una impedenza certa.
0
voti
Provo anche io a fornire una risposta.
Si considera l'uscita della porta un'onda quadra ?
Quindi la porta è a livello ALTO o a livello BASSO.
si trascurano i livelli intermmedi, che sono transitori?
Supponi la porta in OFF
Puoi misurare la tensione a vuoto. supponiamo 0,2 V
Puoi applicare una corrente modesta, supponiamo 10 mA, rilevi ora la tensione, supponiamo 0,3 V
La resistenza risulta: (0,3-0,2)/0,01 = 10 ohm,
La corrente la fai passare tramite un resistore attaccato al 5 V: 5V/10mA = 500 ohm.
Ad essere pignolo sarebbe (5-0,3)/10 mA = 470 ohm.
forse per sicurezza aumenta la corrente a 20 mA, e rilevi 0,4 V
e calcola la R differenziale (0,4 - 0,3)/(0,02 -0,01) = 10 ohm che potrebbe esssere diversa dalla precedente.
Ripeti la misura per Vu a livello alto ( 4,3 V ? con alimentaz 5 V ?)
Se effettui le misure, comunicaci i valori e i risultati.

Si considera l'uscita della porta un'onda quadra ?
Quindi la porta è a livello ALTO o a livello BASSO.
si trascurano i livelli intermmedi, che sono transitori?
Teoricamente si, ma mi pare un poco brutale, potresti fare passare troppa corrente nella porta.si può misurare caricando l' uscita con una resistenza fino a quando non si dimezza la tensione in uscita
Supponi la porta in OFF
Puoi misurare la tensione a vuoto. supponiamo 0,2 V
Puoi applicare una corrente modesta, supponiamo 10 mA, rilevi ora la tensione, supponiamo 0,3 V
La resistenza risulta: (0,3-0,2)/0,01 = 10 ohm,
La corrente la fai passare tramite un resistore attaccato al 5 V: 5V/10mA = 500 ohm.
Ad essere pignolo sarebbe (5-0,3)/10 mA = 470 ohm.
forse per sicurezza aumenta la corrente a 20 mA, e rilevi 0,4 V
e calcola la R differenziale (0,4 - 0,3)/(0,02 -0,01) = 10 ohm che potrebbe esssere diversa dalla precedente.
Ripeti la misura per Vu a livello alto ( 4,3 V ? con alimentaz 5 V ?)
Se effettui le misure, comunicaci i valori e i risultati.

3
voti
È una costruzione che si vede spesso.
Io non l'ho mai usata e sinceramente non mi ispira.
Visto che la si vede così spesso, non dubito che funzioni.
La domanda è "come?"
Visto che vuoi fare TDR, immagino tu voglia un fianco il piú ripido possibile su un carico che può avere un'importnate componente capacitiva.
Se dovessi farlo io, sostituirei le porte NOT messe in parallelo con un gate driver.
Non sono fatti proprio per questo, ma hanno caratteristiche che li rendono interessanti per la tua applicazione.
Diamo per esempio un'occhiata all'NCP81074B di On Semiconductor:
- è in grado di fornire 10 A, sia in carica che in scarica
- è in grado di tenere un rise time di tipicamente 4 ns su un carico di 1.8 nF (a titolo di confronto, una normale porta logica ci mette il doppio su una capacità 40 volte minore!)
- l'impedenza d'uscita è specificata nel datasheet
Saluti, Boiler
Io non l'ho mai usata e sinceramente non mi ispira.
Visto che la si vede così spesso, non dubito che funzioni.
La domanda è "come?"
Visto che vuoi fare TDR, immagino tu voglia un fianco il piú ripido possibile su un carico che può avere un'importnate componente capacitiva.
Se dovessi farlo io, sostituirei le porte NOT messe in parallelo con un gate driver.
Non sono fatti proprio per questo, ma hanno caratteristiche che li rendono interessanti per la tua applicazione.
Diamo per esempio un'occhiata all'NCP81074B di On Semiconductor:
- è in grado di fornire 10 A, sia in carica che in scarica
- è in grado di tenere un rise time di tipicamente 4 ns su un carico di 1.8 nF (a titolo di confronto, una normale porta logica ci mette il doppio su una capacità 40 volte minore!)
- l'impedenza d'uscita è specificata nel datasheet
Saluti, Boiler
1
voti
Intanto ringrazio
boiler per la dritta sicuramente interessante.
Mi è caduto l' occhio su questi schemi per la loro semplicità e il fatto che avendo in casa quel tipo di integrati recuperati qua e la, volevo vedere se si riesce ad ottenere fronti più rapidi che quelli del mio "chino" function generator.
Comunque però per ora, piu che ottenere un buon generatore per fare misure in TDR, mi sarebbe piaciuto cercare di capire come calcolare l' impedenza d' uscita in un caso simile.
Mi sembra di capire che calcolarla solo su carta sia un tantino complicato e che si faccia prima a misurarla.
Allora ho proceduto come consigliato da
MarcoD che se non sbaglio è il procedimento "generico" del caso particolare in cui
sia ugale a
.
Ho usato tre resistori, 220, 470 e 920 ohm che misurati sono risultati rispettivamente 218, 465 e 911 ohm per imporre tre correnti di circa 5, 10 e 19 mA.
Con Vcc = 5.02 V ho misurato cio che segue:
con l' uscita a livello alto




con l' uscita a livello basso




Facendo i conti per i vari casi si ci muove tra i 40 e i 50 ohm, che considerato il tipo di misure e di calcoli credo ci possa stare.
Continuo a non capire NE dove abbia preso quel 66 ohm...
Mi è caduto l' occhio su questi schemi per la loro semplicità e il fatto che avendo in casa quel tipo di integrati recuperati qua e la, volevo vedere se si riesce ad ottenere fronti più rapidi che quelli del mio "chino" function generator.
Comunque però per ora, piu che ottenere un buon generatore per fare misure in TDR, mi sarebbe piaciuto cercare di capire come calcolare l' impedenza d' uscita in un caso simile.
Mi sembra di capire che calcolarla solo su carta sia un tantino complicato e che si faccia prima a misurarla.
Allora ho proceduto come consigliato da
sia ugale a
.Ho usato tre resistori, 220, 470 e 920 ohm che misurati sono risultati rispettivamente 218, 465 e 911 ohm per imporre tre correnti di circa 5, 10 e 19 mA.
Con Vcc = 5.02 V ho misurato cio che segue:
con l' uscita a livello alto




con l' uscita a livello basso




Facendo i conti per i vari casi si ci muove tra i 40 e i 50 ohm, che considerato il tipo di misure e di calcoli credo ci possa stare.
Continuo a non capire NE dove abbia preso quel 66 ohm...

2
voti
Ciao,
Probabilmente i 66 ohm sono stimati a partire dai trise e tfall (transition time) della forma d'onda di uscita visibile nel datasheet. Tipo prendendo il 74HC04 nel datasheet e' specificato un trasintion time (tt) tipico di 8ns a 4.5V di alimentazione e con 50pf di capacita' di carico. In prima approssimazione il circuito equivalente di uscita si puo' modellizzare come un sistema del primo ordine (in ipotesi di non essere limitati da slew rate) e a partire dal transition time (che e' il tempo impegato dall'uscita per passare dal 10% al 90% del valore finale) si stima facilmente la costante di tempo
. Se fai il conto Rout risulta circa 70ohm. Considerando che l'alimentazione e' a 5V e non a 4.5V, il tt sara' un po' piu' basso per via del fatto che i transistor di uscita interni alla porta sono pilotati da una tensione di gate piu' grande e cio' ne abbassa la loro Ron. I 66ohm saranno quindi una loro approssimazione che probabilmente e' fatta anche per far tornare il valore di 39ohm che e' commerciale. O forse il valore e' stato ricavato in simulazione utilizzando il modello SPICE della porta...difficile da dire.
Fatto sta che a mio avviso questo valore e' una stima abbastanza grossolana che varia da chip a chip, in base alla temperatura e in base a un sacco di altri fattori. Piu' porte metti in parallelo e piu' la loro resistenza di uscita diventa trascurabile rispetto alla resistenza esplicita che metti in serie. In piu', la corrente di carico e' spartita su piu' porte rendendo trascurabile anche lo slew rate della singola porta.
In due parole lo slew rate e' il limite di corrente che la porta puo' fornire ed e' dovuto al fatto che i transistor di uscita non funzionano come switch (quindi modellizzabili con una resistenza) ma come generatori di corrente costante.
Probabilmente i 66 ohm sono stimati a partire dai trise e tfall (transition time) della forma d'onda di uscita visibile nel datasheet. Tipo prendendo il 74HC04 nel datasheet e' specificato un trasintion time (tt) tipico di 8ns a 4.5V di alimentazione e con 50pf di capacita' di carico. In prima approssimazione il circuito equivalente di uscita si puo' modellizzare come un sistema del primo ordine (in ipotesi di non essere limitati da slew rate) e a partire dal transition time (che e' il tempo impegato dall'uscita per passare dal 10% al 90% del valore finale) si stima facilmente la costante di tempo
. Se fai il conto Rout risulta circa 70ohm. Considerando che l'alimentazione e' a 5V e non a 4.5V, il tt sara' un po' piu' basso per via del fatto che i transistor di uscita interni alla porta sono pilotati da una tensione di gate piu' grande e cio' ne abbassa la loro Ron. I 66ohm saranno quindi una loro approssimazione che probabilmente e' fatta anche per far tornare il valore di 39ohm che e' commerciale. O forse il valore e' stato ricavato in simulazione utilizzando il modello SPICE della porta...difficile da dire.Fatto sta che a mio avviso questo valore e' una stima abbastanza grossolana che varia da chip a chip, in base alla temperatura e in base a un sacco di altri fattori. Piu' porte metti in parallelo e piu' la loro resistenza di uscita diventa trascurabile rispetto alla resistenza esplicita che metti in serie. In piu', la corrente di carico e' spartita su piu' porte rendendo trascurabile anche lo slew rate della singola porta.
In due parole lo slew rate e' il limite di corrente che la porta puo' fornire ed e' dovuto al fatto che i transistor di uscita non funzionano come switch (quindi modellizzabili con una resistenza) ma come generatori di corrente costante.
3
voti
PS.
La serie AC (74AC04) e' piu' veloce della serie HC e quindi ogni porta ha una resistenza di uscita piu'bassa. Prendendo il secondo circuito che hai proposto, se fai il conto 50*5 fa 250ohm equivalenti in ogni singolo ramo, sottraendo i 220ohm espliciti si ottiene una resistenza di uscita della singola porta di circa 30ohm
Quel circuito in realta' usa porte 74AC14 che sono a trigger di schmitt, le quali funzionano in maniera un po' diversa lato ingresso, ma praticamente uguale lato uscita.
Ultima nota...nel datasheet sono specificati spesso i propagation delay che tengono conto anche del ritardo con cui l'uscita cambia a partire dal momento in cui applichi il segnale di ingresso. Per misure TDR a te interessano solo i tempi di salita e discesa del segnale di uscita, non il tempo di propagazione totale, che invece e' molto importante nelle applicazioni digitali comuni
La serie AC (74AC04) e' piu' veloce della serie HC e quindi ogni porta ha una resistenza di uscita piu'bassa. Prendendo il secondo circuito che hai proposto, se fai il conto 50*5 fa 250ohm equivalenti in ogni singolo ramo, sottraendo i 220ohm espliciti si ottiene una resistenza di uscita della singola porta di circa 30ohm
Quel circuito in realta' usa porte 74AC14 che sono a trigger di schmitt, le quali funzionano in maniera un po' diversa lato ingresso, ma praticamente uguale lato uscita.
Ultima nota...nel datasheet sono specificati spesso i propagation delay che tengono conto anche del ritardo con cui l'uscita cambia a partire dal momento in cui applichi il segnale di ingresso. Per misure TDR a te interessano solo i tempi di salita e discesa del segnale di uscita, non il tempo di propagazione totale, che invece e' molto importante nelle applicazioni digitali comuni
0
voti
Pioz ha scritto:Ultima nota...nel datasheet sono specificati spesso i propagation delay che tengono conto anche del ritardo con cui l'uscita cambia a partire dal momento in cui applichi il segnale di ingresso. Per misure TDR a te interessano solo i tempi di salita e discesa del segnale di uscita, non il tempo di propagazione totale, che invece e' molto importante nelle applicazioni digitali comuni
Il propagation delay non è importante se si usa una porta sola o se il matching dei ritardi è perfetto.
Se si mettono gates in parallelo con resistenza d'uscita su ogni gate e i propagationd delays non sono uguali, il rise/fall time ne risente.
Si mettono i gates in parallelo senza isolarli tra loro con una resistenza ciascuno, allora si avrà shoot-through.
Non so quanto possa essere realmente un problema... le variazioni PVT in una logica integrata sono pressoché nulle, ma non mi sembra comunque una soluzione pulita.
Boiler
12 messaggi
• Pagina 1 di 2 • 1, 2
Chi c’è in linea
Visitano il forum: Nessuno e 70 ospiti

Elettrotecnica e non solo (admin)
Un gatto tra gli elettroni (IsidoroKZ)
Esperienza e simulazioni (g.schgor)
Moleskine di un idraulico (RenzoDF)
Il Blog di ElectroYou (webmaster)
Idee microcontrollate (TardoFreak)
PICcoli grandi PICMicro (Paolino)
Il blog elettrico di carloc (carloc)
DirtEYblooog (dirtydeeds)
Di tutto... un po' (jordan20)
AK47 (lillo)
Esperienze elettroniche (marco438)
Telecomunicazioni musicali (clavicordo)
Automazione ed Elettronica (gustavo)
Direttive per la sicurezza (ErnestoCappelletti)
EYnfo dall'Alaska (mir)
Apriamo il quadro! (attilio)
H7-25 (asdf)
Passione Elettrica (massimob)
Elettroni a spasso (guidob)
Bloguerra (guerra)









