Buongiorno,
Stiamo costruendo un macchinario dotato di un quadro elettrico da dover connettere poi alla rete elettrica del cliente.
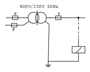
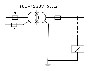
All'interno del nostro quadro a bordo macchina abbiamo montato un trasformatore 400/230 in cui la 230 Vac che generiamo, con il nostro trasformatore (piccolo, da 1000 VA) la usiamo per servizi ausiliari minori, tipo relè, contattori etc. La 400Vac la fornisce il cliente. Il trasformatore ha il neutro messo a terra. Di fatto il nostro quadro diventa quindi, per la 230Vac,un sistema TT perché ogni utenza che richiede messa a terra la colleghiamo alla terra comune dell'intera macchina e quindi del trasformatore.
Appena a valle del trafo 400/230, quindi lato 230 Vac, abbiamo montato un magnetotermico differenziale 30 mA, che protegge tutta la dorsale 230 Vac del nostro quadro. Poi, ogni utenza 230Vac della nostra macchina, derivata dalla dorsale 230Vac, l'abbiamo protetta con un interruttore automatico MA ad un solo polo.
Il cliente ci contesta che, ogni altro interruttore automatico messo a valle del magnetotermico differenziale principale deve essere anche a 2 poli e non ad 1 polo.
Ha ragione? Se si perché?
Il cliente è Francese.
Grazie della collaborazione
Protezione di due poli.
Moderatori:
SandroCalligaro,
mario_maggi,
fpalone
5 messaggi
• Pagina 1 di 1
0
voti
0
voti
montato un trasformatore 400/230 in cui la 230 Vac che generiamo, con il nostro trasformatore (piccolo, da 1000 VA) la usiamo per servizi ausiliari minori, tipo relè, contattori etc. La 400Vac la fornisce il cliente. Il trasformatore ha il neutro messo a terra.
Il secondario deve avere una polarità messa a terra, ed è questa polarità che vanno collegati i comuni delle bobine e delle lampade di segnalazione; mentre sulla seconda polarità va installato il dispositivo di protezione (fusibile o interruttore automatico).
Sui circuiti ausiliari non è richiesta alcuna protezione contro i sovraccarichi.
Il dispositivo di comando non deve necessariamente interrompere tutti i conduttori attivi pertanto può essere sia bipolare, sia unipolare (in questo caso, però, deve essere inserito sulla fase). Si noti tuttavia che il D.P.R.547/55 ammette l’uso (in corrente alternata) di interruttori unipolari, solo su circuiti monofasi in bassa tensione(<400 V) alimentanti apparecchi di potenza < 1 000 W).
-

StefanoSunda
2.880 3 6 10 - Master

- Messaggi: 1962
- Iscritto il: 16 set 2010, 19:29
0
voti
Per circuito ausiliario cosa intendi?
noi facciamo come dici tu su ogni derivazione presa dalla 230 del secondario ma in più mettiamo il magneto termico differenziale appena dopo il secondario del trafo come ulteriore sicurezza per tutta la linea.
Quanto mi hai scritto è normato dal DPR che hai citato?
Credo che il cliente vorrà motivata la soluzione con qualche stralcio di normativa
noi facciamo come dici tu su ogni derivazione presa dalla 230 del secondario ma in più mettiamo il magneto termico differenziale appena dopo il secondario del trafo come ulteriore sicurezza per tutta la linea.
Quanto mi hai scritto è normato dal DPR che hai citato?
Credo che il cliente vorrà motivata la soluzione con qualche stralcio di normativa
0
voti
Benjio ha scritto:Il trasformatore ha il neutro messo a terra. Di fatto il nostro quadro diventa quindi, per la 230Vac,un sistema TT perché ogni utenza che richiede messa a terra la colleghiamo alla terra comune dell'intera macchina e quindi del trasformatore.
Per il circuito a 230 V ricavato dal trasformatore, il collegamento di un polo a terra (chiamarlo neutro non è corretto) richiama più un TN-S che un TT.
La domanda da farsi sulle protezioni unipolari è: può il polo messo a terra essere oggetto di sovracorrenti che non interessino anche il polo "caldo"? Può tale polo assumere un potenziale diverso dal ground di riferimento?
In seconda battuta devi considerare il sezionamento.
In ultimo, aldilà di cosa dica la 60204-1, io per esigenze manutentive ho sempre preferito avere protezioni bipolari sulle utenze comandate da trasformatore.
Ognuno sta solo sul cuor della terra
trafitto da un raggio di sole:
ed è subito sera
Salvatore Quasimodo
trafitto da un raggio di sole:
ed è subito sera
Salvatore Quasimodo
0
voti
Hai ragione è un sistema TN-S ma il problema capire se la cosa non sia normativamente corretta
5 messaggi
• Pagina 1 di 1
Chi c’è in linea
Visitano il forum: Nessuno e 14 ospiti

Elettrotecnica e non solo (admin)
Un gatto tra gli elettroni (IsidoroKZ)
Esperienza e simulazioni (g.schgor)
Moleskine di un idraulico (RenzoDF)
Il Blog di ElectroYou (webmaster)
Idee microcontrollate (TardoFreak)
PICcoli grandi PICMicro (Paolino)
Il blog elettrico di carloc (carloc)
DirtEYblooog (dirtydeeds)
Di tutto... un po' (jordan20)
AK47 (lillo)
Esperienze elettroniche (marco438)
Telecomunicazioni musicali (clavicordo)
Automazione ed Elettronica (gustavo)
Direttive per la sicurezza (ErnestoCappelletti)
EYnfo dall'Alaska (mir)
Apriamo il quadro! (attilio)
H7-25 (asdf)
Passione Elettrica (massimob)
Elettroni a spasso (guidob)
Bloguerra (guerra)


