Buonasera, devo implementare un filtro di tipo Sallen-Key con frequenza di taglio 50 kHz all'uscita di un circuito, però ho notato che all'inizio il guadagno è unitario, poi, intorno ai 6 kHz e fino ai 15 kHz il guadagno tra ingresso ed uscita del filtro diventa maggiore di 1 e continua a crescere, poi inizia ad attenuarsi. Qualcuno saprebbe il motivo?
Come componenti ho usato due resistenze da 3.9k, un condensatore da 1.5 nF e uno da 470 pF, l'operazionale è il TL082CP della ti.
Filtro Sallen-Key
Moderatori:
carloc,
g.schgor,
BrunoValente,
IsidoroKZ
11 messaggi
• Pagina 1 di 2 • 1, 2
0
voti
Nell'articolo di EDN a questo link
https://www.edn.com/design/analog/43141 ... e-follower
puoi trovare la spiegazione al tuo problema.
Stefano
https://www.edn.com/design/analog/43141 ... e-follower
puoi trovare la spiegazione al tuo problema.
Stefano
-

stefanodelfiore
1.673 3 8 - Master

- Messaggi: 569
- Iscritto il: 28 mar 2009, 20:15
- Località: Bologna
0
voti
Probabilmente il filtro ha una risonanza prima di cominciare ad attenuare, come ad esempio i filtro chebychev
-

SediciAmpere
4.187 5 5 8 - Master

- Messaggi: 4848
- Iscritto il: 31 ott 2013, 15:00
1
voti
Puoi riportare lo schema del tuo filtro, con le alimentazioni e tutti i valori?
Usa FidoCadJ in modo che il tuo schema sia modificabile.
Grazie
Ciao
Pietro
Usa FidoCadJ in modo che il tuo schema sia modificabile.
Grazie
Ciao
Pietro
-

PietroBaima
90,7k 7 12 13 - G.Master EY

- Messaggi: 12206
- Iscritto il: 12 ago 2012, 1:20
- Località: Londra
0
voti
PietroBaima ha scritto:Puoi riportare lo schema del tuo filtro, con le alimentazioni e tutti i valori?
Usa FidoCadJ in modo che il tuo schema sia modificabile.
Grazie
Ciao
Pietro
Scusa ma devo inviarti l'immagine di multisim dal cellulare perché sto avendo problemi con la connessione a casa
0
voti
Hai già fatto i conti per derivare un'espresione analitica della funzione di trasferimento?
Prova a sostituire i tuoi valori e vedi che poli/zeri ti saltano fuori
https://en.wikipedia.org/wiki/Sallen%E2 ... ass_filter
Prova a sostituire i tuoi valori e vedi che poli/zeri ti saltano fuori
https://en.wikipedia.org/wiki/Sallen%E2 ... ass_filter
"The past is not really the past until it has been registered. Or put another way, the past has no meaning or existence unless it exists as a record in the present."
John Archibald Wheeler
John Archibald Wheeler
0
voti
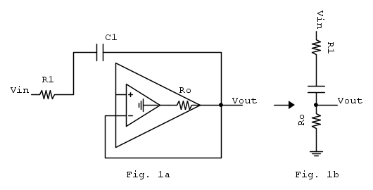
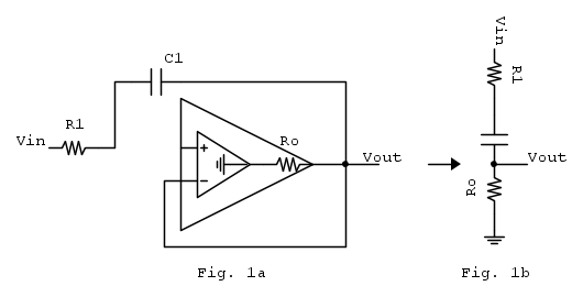
Il "problema" del filtro passabasso Sallen-Key e' la resistenza di uscita dell'OpAmp.
Non la resistenza in DC (o bassa frequenza) ma alle "alte frequenze" dove deve attenuare.
Come vedi dal circuito qui sotto, il limite di attenuazione alle alte frequenze e' dato dal partitore R1 e Ro (resistenza di uscita dell'OpAmp ad alta frequenza).
C'e' una AN delle TI che mi sembra aveva linkato
Piercarlo che spiega analiticamente il problema.
(Edit: trovata - dovrebbe essere questa: http://www.ti.com/lit/an/sloa024b/sloa024b.pdf)
Se utilizzi due riferimenti del link dato da
DrCox ottieni le due risposte in frequenza delle immagini qui sotto.
La prima considera un OpAmp ideale
http://sim.okawa-denshi.jp/en/OPstool.php
La seconda utilizza le caratteristiche di un OpAmp reale (AD711 simile al TL082)
https://www.analog.com/designtools/en/filterwizard/
Come vedi nel secondo caso l'attenuazione del segnale in uscita diminuisce all'aumentare della frequenza (superato un minimo).
Nel tuo caso specifico il comportamento qualitativo e' simile al grafico con l'OPpAmp "reale" mentre quello che non torna sono i valori delle frequenze a cui avvengono i fenomeni descritti.
Credo che occorra una indagine supplementare.
[
Non la resistenza in DC (o bassa frequenza) ma alle "alte frequenze" dove deve attenuare.
Come vedi dal circuito qui sotto, il limite di attenuazione alle alte frequenze e' dato dal partitore R1 e Ro (resistenza di uscita dell'OpAmp ad alta frequenza).
C'e' una AN delle TI che mi sembra aveva linkato
(Edit: trovata - dovrebbe essere questa: http://www.ti.com/lit/an/sloa024b/sloa024b.pdf)
Se utilizzi due riferimenti del link dato da
La prima considera un OpAmp ideale
http://sim.okawa-denshi.jp/en/OPstool.php
La seconda utilizza le caratteristiche di un OpAmp reale (AD711 simile al TL082)
https://www.analog.com/designtools/en/filterwizard/
Come vedi nel secondo caso l'attenuazione del segnale in uscita diminuisce all'aumentare della frequenza (superato un minimo).
Nel tuo caso specifico il comportamento qualitativo e' simile al grafico con l'OPpAmp "reale" mentre quello che non torna sono i valori delle frequenze a cui avvengono i fenomeni descritti.
Credo che occorra una indagine supplementare.
[
4
voti
Ho provato a montare il circuito e a simularlo con i valori effettivi dei componenti e ho ottenuto questi risultati. Misura da 1kHz a 50kHz con HP4192. Montaggio su breadboard, con tante capacita` parassite!
La simulazione e` stata fatta con i valori dei componenti effettivamente utilizzati (tranne i parassiti) e con un LT1057 al posto del TL082, ma sono abbastanza simili
A me sembrano decisamente simili. L'aumento del guadagno prima della discesa dipende dal fatto che con quei valori il Q del circuito vale poco 0.88 circa (maggiore di 0.707) e quindi da` origine a peaking.
La simulazione e` stata fatta con i valori dei componenti effettivamente utilizzati (tranne i parassiti) e con un LT1057 al posto del TL082, ma sono abbastanza simili
A me sembrano decisamente simili. L'aumento del guadagno prima della discesa dipende dal fatto che con quei valori il Q del circuito vale poco 0.88 circa (maggiore di 0.707) e quindi da` origine a peaking.
Per usare proficuamente un simulatore, bisogna sapere molta più elettronica di lui
Plug it in - it works better!
Il 555 sta all'elettronica come Arduino all'informatica! (entrambi loro malgrado)
Se volete risposte rispondete a tutte le mie domande
Plug it in - it works better!
Il 555 sta all'elettronica come Arduino all'informatica! (entrambi loro malgrado)
Se volete risposte rispondete a tutte le mie domande
0
voti
Per avere una risposta alla Butterworth (quasi), mantenendo la stessa frequenza, bisognerebbe aumentare C2 a 560pF e ridurre C1 a 1.2nF
Per usare proficuamente un simulatore, bisogna sapere molta più elettronica di lui
Plug it in - it works better!
Il 555 sta all'elettronica come Arduino all'informatica! (entrambi loro malgrado)
Se volete risposte rispondete a tutte le mie domande
Plug it in - it works better!
Il 555 sta all'elettronica come Arduino all'informatica! (entrambi loro malgrado)
Se volete risposte rispondete a tutte le mie domande
11 messaggi
• Pagina 1 di 2 • 1, 2
Chi c’è in linea
Visitano il forum: Nessuno e 107 ospiti

Elettrotecnica e non solo (admin)
Un gatto tra gli elettroni (IsidoroKZ)
Esperienza e simulazioni (g.schgor)
Moleskine di un idraulico (RenzoDF)
Il Blog di ElectroYou (webmaster)
Idee microcontrollate (TardoFreak)
PICcoli grandi PICMicro (Paolino)
Il blog elettrico di carloc (carloc)
DirtEYblooog (dirtydeeds)
Di tutto... un po' (jordan20)
AK47 (lillo)
Esperienze elettroniche (marco438)
Telecomunicazioni musicali (clavicordo)
Automazione ed Elettronica (gustavo)
Direttive per la sicurezza (ErnestoCappelletti)
EYnfo dall'Alaska (mir)
Apriamo il quadro! (attilio)
H7-25 (asdf)
Passione Elettrica (massimob)
Elettroni a spasso (guidob)
Bloguerra (guerra)
pigreco]=π





