Cos'è ElectroYou | Login Iscriviti

ElectroYou - la comunità dei professionisti del mondo elettrico

Filtro Sallen-Key

Elettronica lineare e digitale: didattica ed applicazioni

Moderatori: Foto Utentecarloc, Foto Utenteg.schgor, Foto UtenteBrunoValente, Foto UtenteIsidoroKZ

0
voti

[1] Filtro Sallen-Key

Messaggioda Foto UtenteGian140 » 7 ott 2019, 17:52

Buonasera, devo implementare un filtro di tipo Sallen-Key con frequenza di taglio 50 kHz all'uscita di un circuito, però ho notato che all'inizio il guadagno è unitario, poi, intorno ai 6 kHz e fino ai 15 kHz il guadagno tra ingresso ed uscita del filtro diventa maggiore di 1 e continua a crescere, poi inizia ad attenuarsi. Qualcuno saprebbe il motivo?
Come componenti ho usato due resistenze da 3.9k, un condensatore da 1.5 nF e uno da 470 pF, l'operazionale è il TL082CP della ti.
Avatar utente
Foto UtenteGian140
5 2
 
Messaggi: 13
Iscritto il: 13 lug 2019, 14:30

0
voti

[2] Re: Filtro Sallen-Key

Messaggioda Foto Utentestefanodelfiore » 7 ott 2019, 20:31

Nell'articolo di EDN a questo link
https://www.edn.com/design/analog/43141 ... e-follower
puoi trovare la spiegazione al tuo problema.

Stefano
Avatar utente
Foto Utentestefanodelfiore
1.668 3 8
Master
Master
 
Messaggi: 567
Iscritto il: 28 mar 2009, 20:15
Località: Bologna

0
voti

[3] Re: Filtro Sallen-Key

Messaggioda Foto UtenteSediciAmpere » 7 ott 2019, 21:04

Probabilmente il filtro ha una risonanza prima di cominciare ad attenuare, come ad esempio i filtro chebychev
Avatar utente
Foto UtenteSediciAmpere
4.187 5 5 8
Master
Master
 
Messaggi: 4846
Iscritto il: 31 ott 2013, 15:00

1
voti

[4] Re: Filtro Sallen-Key

Messaggioda Foto UtentePietroBaima » 7 ott 2019, 22:10

Puoi riportare lo schema del tuo filtro, con le alimentazioni e tutti i valori?
Usa FidoCadJ in modo che il tuo schema sia modificabile.

Grazie
Ciao
Pietro
Generatore codice per articoli:
nomi
Sul forum:
[pigreco]=π
[ohm]=Ω
[quadrato]=²
[cubo]=³
Avatar utente
Foto UtentePietroBaima
90,7k 7 12 13
G.Master EY
G.Master EY
 
Messaggi: 12206
Iscritto il: 12 ago 2012, 1:20
Località: Londra

0
voti

[5] Re: Filtro Sallen-Key

Messaggioda Foto UtenteGian140 » 8 ott 2019, 22:28

PietroBaima ha scritto:Puoi riportare lo schema del tuo filtro, con le alimentazioni e tutti i valori?
Usa FidoCadJ in modo che il tuo schema sia modificabile.

Grazie
Ciao
Pietro


Scusa ma devo inviarti l'immagine di multisim dal cellulare perché sto avendo problemi con la connessione a casa
Allegati
filtro.PNG
Avatar utente
Foto UtenteGian140
5 2
 
Messaggi: 13
Iscritto il: 13 lug 2019, 14:30

0
voti

[6] Re: Filtro Sallen-Key

Messaggioda Foto UtenteDrCox » 8 ott 2019, 22:42

Hai già fatto i conti per derivare un'espresione analitica della funzione di trasferimento?
Prova a sostituire i tuoi valori e vedi che poli/zeri ti saltano fuori

https://en.wikipedia.org/wiki/Sallen%E2 ... ass_filter
"The past is not really the past until it has been registered. Or put another way, the past has no meaning or existence unless it exists as a record in the present."
John Archibald Wheeler
Avatar utente
Foto UtenteDrCox
2.738 2 8 12
Master EY
Master EY
 
Messaggi: 744
Iscritto il: 8 giu 2010, 21:42

0
voti

[7] Re: Filtro Sallen-Key

Messaggioda Foto Utenteelfo » 9 ott 2019, 16:37

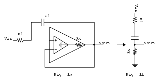
Il "problema" del filtro passabasso Sallen-Key e' la resistenza di uscita dell'OpAmp.
Non la resistenza in DC (o bassa frequenza) ma alle "alte frequenze" dove deve attenuare.
Come vedi dal circuito qui sotto, il limite di attenuazione alle alte frequenze e' dato dal partitore R1 e Ro (resistenza di uscita dell'OpAmp ad alta frequenza).

C'e' una AN delle TI che mi sembra aveva linkato Foto UtentePiercarlo che spiega analiticamente il problema.
(Edit: trovata - dovrebbe essere questa: http://www.ti.com/lit/an/sloa024b/sloa024b.pdf)

Se utilizzi due riferimenti del link dato da Foto UtenteDrCox ottieni le due risposte in frequenza delle immagini qui sotto.

La prima considera un OpAmp ideale

http://sim.okawa-denshi.jp/en/OPstool.php

La seconda utilizza le caratteristiche di un OpAmp reale (AD711 simile al TL082)

https://www.analog.com/designtools/en/filterwizard/

Come vedi nel secondo caso l'attenuazione del segnale in uscita diminuisce all'aumentare della frequenza (superato un minimo).

Nel tuo caso specifico il comportamento qualitativo e' simile al grafico con l'OPpAmp "reale" mentre quello che non torna sono i valori delle frequenze a cui avvengono i fenomeni descritti.

Credo che occorra una indagine supplementare.

S&K1.png

S&K2.png
[
Avatar utente
Foto Utenteelfo
6.819 4 5 7
G.Master EY
G.Master EY
 
Messaggi: 2828
Iscritto il: 15 lug 2016, 13:27

4
voti

[8] Re: Filtro Sallen-Key

Messaggioda Foto UtenteIsidoroKZ » 17 ott 2019, 15:52

Ho provato a montare il circuito e a simularlo con i valori effettivi dei componenti e ho ottenuto questi risultati. Misura da 1kHz a 50kHz con HP4192. Montaggio su breadboard, con tante capacita` parassite!

Filtro1.jpg


La simulazione e` stata fatta con i valori dei componenti effettivamente utilizzati (tranne i parassiti) e con un LT1057 al posto del TL082, ma sono abbastanza simili

Filtro.png
Filtro.png (10.59 KiB) Osservato 12277 volte


A me sembrano decisamente simili. L'aumento del guadagno prima della discesa dipende dal fatto che con quei valori il Q del circuito vale poco 0.88 circa (maggiore di 0.707) e quindi da` origine a peaking.
Per usare proficuamente un simulatore, bisogna sapere molta più elettronica di lui
Plug it in - it works better!
Il 555 sta all'elettronica come Arduino all'informatica! (entrambi loro malgrado)
Se volete risposte rispondete a tutte le mie domande
Avatar utente
Foto UtenteIsidoroKZ
121,2k 1 3 8
G.Master EY
G.Master EY
 
Messaggi: 21059
Iscritto il: 17 ott 2009, 0:00

0
voti

[9] Re: Filtro Sallen-Key

Messaggioda Foto Utentedadduni » 18 ott 2019, 11:59

Semplicemente la funzione di trasferimento di quel filtro non è di Butterworth, no?
Avatar utente
Foto Utentedadduni
2.073 2 7 12
Expert EY
Expert EY
 
Messaggi: 1370
Iscritto il: 23 mag 2014, 16:26

0
voti

[10] Re: Filtro Sallen-Key

Messaggioda Foto UtenteIsidoroKZ » 18 ott 2019, 18:28

Per avere una risposta alla Butterworth (quasi), mantenendo la stessa frequenza, bisognerebbe aumentare C2 a 560pF e ridurre C1 a 1.2nF
Per usare proficuamente un simulatore, bisogna sapere molta più elettronica di lui
Plug it in - it works better!
Il 555 sta all'elettronica come Arduino all'informatica! (entrambi loro malgrado)
Se volete risposte rispondete a tutte le mie domande
Avatar utente
Foto UtenteIsidoroKZ
121,2k 1 3 8
G.Master EY
G.Master EY
 
Messaggi: 21059
Iscritto il: 17 ott 2009, 0:00

Prossimo

Torna a Elettronica generale

Chi c’è in linea

Visitano il forum: Nessuno e 48 ospiti