Ciao a tutti,
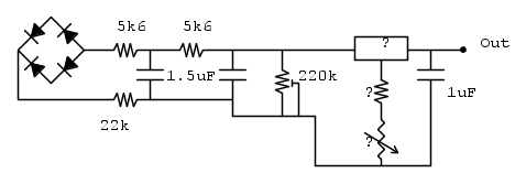
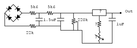
Come da titolo avrei bisogno di realizzare un dispositivo in grado di erogare una tensione negativa (stabilizzata) variabile rispetto alla terra entro un range di circa -30V/-80V. Il problema è che non riesco a trovare un integrato adatto allo scopo (LM337 si ferma a -37V). In sostanza avrei pensato ad uno schema del genere:
Avete consigli da darmi?
Grazie a tutti!
Damiano
Generatore stabilizzato di tensione negativa variabile
Moderatori:
carloc,
g.schgor,
BrunoValente,
IsidoroKZ
38 messaggi
• Pagina 1 di 4 • 1, 2, 3, 4
0
voti
Domanda d'obbligo: a cosa ti serve un valore di tensione (ininfluente se negativo o positivo) stabilizzato così elevato?
In ogni caso lo schema che hai ideato non è realizzabile poiché non ci sono regolatori lineari in grado di supportare una differenza di tensione di 50 V... casomai dovresti usarne due, p. es. uno "liftato" a -30 V che regoli fino a -55 V seguito da un altro "liftato" a -55 V che regoli fino a -80 V... però per cercare proficuamente una vera soluzione occorre che tu risponda alla prima domanda
In ogni caso lo schema che hai ideato non è realizzabile poiché non ci sono regolatori lineari in grado di supportare una differenza di tensione di 50 V... casomai dovresti usarne due, p. es. uno "liftato" a -30 V che regoli fino a -55 V seguito da un altro "liftato" a -55 V che regoli fino a -80 V... però per cercare proficuamente una vera soluzione occorre che tu risponda alla prima domanda
"Non farei mai parte di un club che accettasse la mia iscrizione" (G. Marx)
-

claudiocedrone
21,3k 4 7 9 - Master EY

- Messaggi: 15302
- Iscritto il: 18 gen 2012, 13:36
1
voti
io ci ho stabilizzato 60V.Damn87 ha scritto:Ciao a tutti,
Il problema è che non riesco a trovare un integrato adatto allo scopo (LM337 si ferma a -37V)
La tensione massima di questi stabilizzatori, se guardi a modo lo schema, è riferita alla differenza tra ingresso ed uscita, lo stabilizzatore stesso "non vede" affatto la massa, perciò non ha idea della tensione che tu gli dai verso massa, cio che vede è la tensione tra ingresso ed uscita.
Certo che lavorando in condizioni al di fuori dei parametri, possono incorrere problemi come per esempio sgancio per eccessiva temperatura ed allora si che andrebbe a lavorare a tensione di rottura ecc....Non è mai buona norma lavorare al di fuori dei parametri.
Io realizzerei uno stabilizzatore a transistor, a seconda del carico di lavoro e della precisione della stabilizzazione userai lo schema adeguato. Guarda qua per farti un idea
http://www.electricalbasicprojects.com/voltage-regulation-circuits-voltage-regulators/
credo anche che ci siano stabilizzatori integrati che lavorino accoppiati a discreti, appunto per applicazioni del genere, bisogna cercare in rete.
saluti.
-

lelerelele
4.899 3 7 9 - Master

- Messaggi: 5505
- Iscritto il: 8 giu 2011, 8:57
- Località: Reggio Emilia
0
voti
lelerelele ha scritto: ...io ci ho stabilizzato 60V.
La tensione massima di questi stabilizzatori, se guardi a modo lo schema, è riferita alla differenza tra ingresso ed uscita...
Sì ma il
in/out massimo è di 40 V mentre l'OP desidera un range di regolazione di 50 V per cui le due cose sono inconciliabili; inoltre resta da vedere la risposta alla mia "domanda d'obbligo" (esordio di [2]) altrimenti qualsiasi soluzione proposta resterebbe aria fritta. 
"Non farei mai parte di un club che accettasse la mia iscrizione" (G. Marx)
-

claudiocedrone
21,3k 4 7 9 - Master EY

- Messaggi: 15302
- Iscritto il: 18 gen 2012, 13:36
0
voti
giustissimo.claudiocedrone ha scritto:lelerelele ha scritto:
Sì ma ilin/out massimo è di 40 V mentre l'OP desidera un range di regolazione di 50 V per cui le due cose sono inconciliabili;

-

lelerelele
4.899 3 7 9 - Master

- Messaggi: 5505
- Iscritto il: 8 giu 2011, 8:57
- Località: Reggio Emilia
0
voti
Innanzi tutto grazie per le tempestive risposte, cerco di fornirvi più dettagli possibile. In pratica mi diverto a sperimentare circuiti di ogni tipo con le valvole, che come saprete meglio di me funzionano con una polarizzazione negativa sulle griglie di controllo. Sostanzialmente questo regolatore mi faciliterebbe il test dei circuiti in cui sono presenti tubi di potenza, è infatti molto più comodo usare un regolatore variabile che dover sostituire tante resistenze di polarizzazione catodica. Mi interessa anche che la tensione sia stabile perché in futuro vorrei provare a traslare questo sistema dalle prove su breadboard anche su qualche progetto single ended. Credo che un alimentatore in grado di erogare qualche decina di mA dovrebbe bastarmi. Diciamo che la controparte negativa del TL783C (se esiste) dovrebbe ampiamente bastarmi.
1
voti
Bene, allora non hai alcun bisogno di stabilizzazione, ti è sufficiente che la fonte primaria delle tensioni anodica e di griglia sia la medesima (connessione alla medesima rete elettrica p. es.
) livella da non avere ripple troppo esagerato e sei a posto poiché eventuali variazioni della tensione avvengono di pari passo sia per la anodica che per la polarizzazione di griglia.
P.s. Se poi avessi qualche esempio di amplificatore valvolare (astenerisi da eventuali assurdità audiofilistiche... non si può mai sapere) commerciale con la tensione di griglia stabilizzata poi postarlo o linkarlo e allora se ne può anche discutere.
P.s. Se poi avessi qualche esempio di amplificatore valvolare (astenerisi da eventuali assurdità audiofilistiche... non si può mai sapere) commerciale con la tensione di griglia stabilizzata poi postarlo o linkarlo e allora se ne può anche discutere.
"Non farei mai parte di un club che accettasse la mia iscrizione" (G. Marx)
-

claudiocedrone
21,3k 4 7 9 - Master EY

- Messaggi: 15302
- Iscritto il: 18 gen 2012, 13:36
0
voti
..... non ci sono regolatori lineari in grado di supportare una differenza di tensione di 50 V...
Mah, mi confonderò ....
http://www.ti.com/lit/ds/symlink/tl783.pdf
https://www.mouser.it/datasheet/2/268/20005399A-909415.pdf
certo sono positivi e non negativi
Forse uno di questi si avvicina alle necessità ??
https://www.mouser.it/datasheet/2/414/LM137_IP137_LM337_IP337K_Series-371989.pdf
https://www.mouser.it/datasheet/2/609/L ... 271205.pdf (però non è un lineare ...)
K
-

Kagliostro
6.396 4 5 7 - Master

- Messaggi: 4830
- Iscritto il: 19 set 2012, 11:32
0
voti
Già, la serie HV accetta il differenziale massimo di 50 V quindi usando uno di questi e riducendo le pretese di range di regolazione di qualche volt (non da 30 a 80 ma da 35 a 80 o da 30 a 75 p. es.) per sicurezza...
io comunque resto dell'idea che stabilizzare la tensione di polarizzazione di griglia sia una cosa inutile

io comunque resto dell'idea che stabilizzare la tensione di polarizzazione di griglia sia una cosa inutile

"Non farei mai parte di un club che accettasse la mia iscrizione" (G. Marx)
-

claudiocedrone
21,3k 4 7 9 - Master EY

- Messaggi: 15302
- Iscritto il: 18 gen 2012, 13:36
0
voti
Bene, allora non hai alcun bisogno di stabilizzazione
Questo è vero soltanto per gli amplificatori che operano in controfase, ma sugli stadi a singola valvola finale (qualsiasi cosa ci si voglia fare) il rumore di griglia lo si ritrova inevitabilmente all'uscita.
Già, la serie HV accetta il differenziale massimo di 50 V quindi usando uno di questi e riducendo le pretese di range di regolazione di qualche volt (non da 30 a 80 ma da 35 a 80 o da 30 a 75 p. es.) per sicurezza...
Per iniziare direi che va più che bene, avete un link a questi integrati?
38 messaggi
• Pagina 1 di 4 • 1, 2, 3, 4
Chi c’è in linea
Visitano il forum: Nessuno e 242 ospiti

Elettrotecnica e non solo (admin)
Un gatto tra gli elettroni (IsidoroKZ)
Esperienza e simulazioni (g.schgor)
Moleskine di un idraulico (RenzoDF)
Il Blog di ElectroYou (webmaster)
Idee microcontrollate (TardoFreak)
PICcoli grandi PICMicro (Paolino)
Il blog elettrico di carloc (carloc)
DirtEYblooog (dirtydeeds)
Di tutto... un po' (jordan20)
AK47 (lillo)
Esperienze elettroniche (marco438)
Telecomunicazioni musicali (clavicordo)
Automazione ed Elettronica (gustavo)
Direttive per la sicurezza (ErnestoCappelletti)
EYnfo dall'Alaska (mir)
Apriamo il quadro! (attilio)
H7-25 (asdf)
Passione Elettrica (massimob)
Elettroni a spasso (guidob)
Bloguerra (guerra)

