Salve ragazzi vi prego di aiutarmi nella risoluzione di questo circuito.
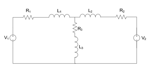
Nel diagramma della figura due fonti di tensione indipendenti si alimentano contemporaneamente
Carico rappresentato dalla resistenza R3 e dall'induttanza L3. Le tensioni efficaci delle fonti
sono V1 = 220 V e V2 = 220 V. I valori dei parametri elettrici rappresentati nel circuito della figura
sono: R1 (2,4 ohm), R2 (3,4 ohm), R3 (22,0 ohm),
L1 (2,2 mH), L2 (2,6 mH), L3 (22,2 mH)
. La frequenza della tensione è, per entrambe le fonti, f = 50 Hz.
Si chiede:
a) intensità della corrente efficace a R1
b)intensità della corrente efficace a R3.
Se la frequenza alla fonte 1 è f1=50Hz e alla fonte 2 è f2=400Hz, si chiede:
c)intensità della corrente efficace a R1
d) intensità della corrente efficace a R3
Ragazzi vi prego di aiutarmi, grazie!!!!
Risoluzione circuito
Moderatori:
g.schgor,
IsidoroKZ
15 messaggi
• Pagina 1 di 2 • 1, 2
0
voti
Caso 1 con generatori entrambi a 50 Hz: Millman; e poi legge di Ohm e Kirchhoff
Caso 2 con 50 Hz e 400 Hz: Sovrapposizione degli effetti; e ogni scenario può essere trattato con impedenze equivalenti e/o legge di Ohm e Kirchhoff.
Caso 2 con 50 Hz e 400 Hz: Sovrapposizione degli effetti; e ogni scenario può essere trattato con impedenze equivalenti e/o legge di Ohm e Kirchhoff.
0
voti
Scusami, non ho capito cosa sia Millman e sovrapposizione degli effeti. Potresti risolverlo per capire come debba svilupparli questi problemi?
1
voti
Con queste premesse, è meglio che inizi con problemi più semplici. Non credi?
Senza contare la terminologia che stai adottando
Senza contare la terminologia che stai adottando
Il Conte di Montecristo
Se non studio un giorno, me ne accorgo io. Se non studio due giorni, se ne accorge il pubblico.
Io devo studiare sodo e preparare me stesso perché prima o poi verrà il mio momento.
Abraham Lincoln
Se non studio un giorno, me ne accorgo io. Se non studio due giorni, se ne accorge il pubblico.
Io devo studiare sodo e preparare me stesso perché prima o poi verrà il mio momento.
Abraham Lincoln
-

EdmondDantes
11,9k 8 11 13 - Disattivato su sua richiesta
- Messaggi: 3619
- Iscritto il: 25 lug 2009, 22:18
- Località: Marsiglia
0
voti
Il problema è che devo consegnarlo risolto entro lunedì. Ecco perché ho chiesto di aiutarmi
3
voti
Dennybru ha scritto:Salve ragazzi vi prego di aiutarmi nella risoluzione di questo circuito….
Nel diagramma della figura due fonti di tensione indipendenti si alimentano contemporaneamente
Carico rappresentato dalla resistenza R3 e dall'induttanza L3. Le tensioni efficaci delle fonti
sono V1 = 220 V e V2 = 220 V. I valori dei parametri elettrici rappresentati nel circuito della figura
sono: R1 (2,4 ohm), R2 (3,4 ohm), R3 (22,0 ohm),
L1 (2,2 mH), L2 (2,6 mH), L3 (22,2 mH)
…
Se la frequenza alla fonte 1 è f1=50Hz e alla fonte 2 è f2=400Hz, si chiede:
c)intensità della corrente efficace a R1
d) intensità della corrente efficace a R3
Ragazzi vi prego di aiutarmi, grazie!!!!
Ciao, provo a cimentarmi nel quesito da te proposto (in particolare la seconda parte).
Come ti è già stato accennato, dovresti applicare il principio di sovrapposizione degli effetti dal momento che il circuito proposto è lineare: ergo è possibile ricondurre lo studio di un circuito in regime periodico non sinusoidale a quello di due circuiti in regime puramente sinusoidale.
La corrente i1(t) sarà pertanto così esprimibile

I due sub-circuiti sono in regime sinusoidale, pertanto possono essere analizzati con l'ausilio dei fasori.
Per il circuito (1), ovvero quello con soltanto il generatore di tensione v1(t), il fasore della corrente i1(t) sarà così esprimibile

essendo



pertanto nel dominio del tempo si ha
(*)Mentre per il circuito (2), si ha

essendo



pertanto nel dominio del tempo si ha
(**)Sommando le correnti (*) e (**), si ottiene la corrente i1(t) complessiva nel circuito di origine di cui sotto l'andamento temporale plottato con SpeQ
Ti invito a verificare i calcoli, penso possa essere un buon esercizio.
Emanuele Lorina
- Chi lotta contro i mostri deve fare attenzione a non diventare lui stesso un mostro. E se tu riguarderai a lungo in un abisso, anche l'abisso vorrà guardare dentro di te (F. Nietzsche)
- Tavole della legge by admin
- Chi lotta contro i mostri deve fare attenzione a non diventare lui stesso un mostro. E se tu riguarderai a lungo in un abisso, anche l'abisso vorrà guardare dentro di te (F. Nietzsche)
- Tavole della legge by admin
-

Lele_u_biddrazzu
8.154 3 8 13 - Master EY

- Messaggi: 1288
- Iscritto il: 23 gen 2007, 16:13
- Località: Modena
0
voti
Grazie mille, presumo che anche per la prima parte vada fatto lo stesso procedimento però con stessa frequenza
0
voti
La prima parte la puoi risolvere utilizzando i fasori, trattasi infatti di un circuito in regime sinusoidale.
Prova a dirci come risolveresti l'esercizio, sicuramente i suggerimenti arriveranno
Prova a dirci come risolveresti l'esercizio, sicuramente i suggerimenti arriveranno
Emanuele Lorina
- Chi lotta contro i mostri deve fare attenzione a non diventare lui stesso un mostro. E se tu riguarderai a lungo in un abisso, anche l'abisso vorrà guardare dentro di te (F. Nietzsche)
- Tavole della legge by admin
- Chi lotta contro i mostri deve fare attenzione a non diventare lui stesso un mostro. E se tu riguarderai a lungo in un abisso, anche l'abisso vorrà guardare dentro di te (F. Nietzsche)
- Tavole della legge by admin
-

Lele_u_biddrazzu
8.154 3 8 13 - Master EY

- Messaggi: 1288
- Iscritto il: 23 gen 2007, 16:13
- Località: Modena
15 messaggi
• Pagina 1 di 2 • 1, 2
Torna a Elettrotecnica generale
Chi c’è in linea
Visitano il forum: Nessuno e 14 ospiti

Elettrotecnica e non solo (admin)
Un gatto tra gli elettroni (IsidoroKZ)
Esperienza e simulazioni (g.schgor)
Moleskine di un idraulico (RenzoDF)
Il Blog di ElectroYou (webmaster)
Idee microcontrollate (TardoFreak)
PICcoli grandi PICMicro (Paolino)
Il blog elettrico di carloc (carloc)
DirtEYblooog (dirtydeeds)
Di tutto... un po' (jordan20)
AK47 (lillo)
Esperienze elettroniche (marco438)
Telecomunicazioni musicali (clavicordo)
Automazione ed Elettronica (gustavo)
Direttive per la sicurezza (ErnestoCappelletti)
EYnfo dall'Alaska (mir)
Apriamo il quadro! (attilio)
H7-25 (asdf)
Passione Elettrica (massimob)
Elettroni a spasso (guidob)
Bloguerra (guerra)


