ciao a tutti.
sto montando il circuito del l200 con ua741
https://www.electroyou.it/marco438/wiki/ua723-e-l200-due-regolatori-troppo-spesso-dimenticati
abrei bisogno di effettuare una piccola modifica.
in un modo semplicissimo, e' possibile avere un"comando che arriva da arduino(quindi penso con un bc547 e simili) che "spenga "l alimentatore portando a zero la tensione di uscita?
grazie mille
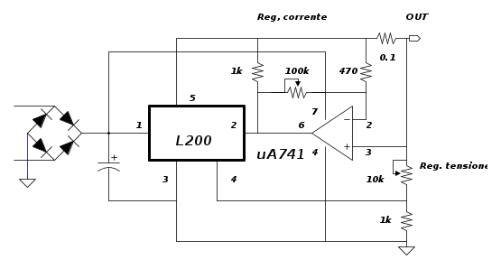
l200 e ua741
Moderatori:
carloc,
g.schgor,
BrunoValente,
IsidoroKZ
8 messaggi
• Pagina 1 di 1
0
voti
[2] Re: l200 e ua741
eccolo schema
per comodita' senza troppe modifiche ne alterando il circuito,e' possibile usando un transistor di media potenza bcx53 cose cosi, perche mi trovo a mettere l 200 spstato rispetto al circuito.
cosi se si puo' invece di 5 fili ne porterei3...
per comodita' senza troppe modifiche ne alterando il circuito,e' possibile usando un transistor di media potenza bcx53 cose cosi, perche mi trovo a mettere l 200 spstato rispetto al circuito.
cosi se si puo' invece di 5 fili ne porterei3...
-

danielealfa
243 2 4 7 - Expert

- Messaggi: 1313
- Iscritto il: 27 mag 2009, 22:51
0
voti
[5] Re: l200 e ua741
quindi per essere sicuri, vado a chiudere con il transistor tra il 2 e il 3(gnd) del l200?
-

danielealfa
243 2 4 7 - Expert

- Messaggi: 1313
- Iscritto il: 27 mag 2009, 22:51
0
voti
[6] Re: l200 e ua741
Non ho studiato a fondo il datasheet, ma da quello che vedo sembra proprio di sì. Il transistor non è specificato, ma penso che il parametro principale sia la Vcemax che dev'essere maggiore della ddp fra il 2 e il 3. Va comandato in base con una opportuna resistenza.
Ciao,
P.
Ciao,
P.
0
voti
[7] Re: l200 e ua741
grazie di avermi confermato.
l ho montato e funziona , perfetto.
per evitare di bruciare l 200 volevo mettere un diodo di protezione,tipo se mi dimenticassi una batteria a alimentatore spento basta che lo metto dove ho l uscita giusto?
l ho montato e funziona , perfetto.
per evitare di bruciare l 200 volevo mettere un diodo di protezione,tipo se mi dimenticassi una batteria a alimentatore spento basta che lo metto dove ho l uscita giusto?
-

danielealfa
243 2 4 7 - Expert

- Messaggi: 1313
- Iscritto il: 27 mag 2009, 22:51
0
voti
[8] Re: l200 e ua741
Sì.
Devi però considerare la caduta di tensione su quel diodo che, dovendo essere adeguato alla corrente di picco di carica, dovrebbe essere sui 0,7-1V.
Non sono molto esperto in circuiti, ma penso che questo inconveniente potrebbe essere risolto ponendo il diodo DOPO la resistenza da 0,1 Ohm, ma PRIMA della connessione al potenziometro di regolazione. In questo modo il potenziometro dovrebbe SENTIRE la tensione effettiva della batteria.
Ciao,
P.
Devi però considerare la caduta di tensione su quel diodo che, dovendo essere adeguato alla corrente di picco di carica, dovrebbe essere sui 0,7-1V.
Non sono molto esperto in circuiti, ma penso che questo inconveniente potrebbe essere risolto ponendo il diodo DOPO la resistenza da 0,1 Ohm, ma PRIMA della connessione al potenziometro di regolazione. In questo modo il potenziometro dovrebbe SENTIRE la tensione effettiva della batteria.
Ciao,
P.
8 messaggi
• Pagina 1 di 1
Chi c’è in linea
Visitano il forum: Nessuno e 350 ospiti

Elettrotecnica e non solo (admin)
Un gatto tra gli elettroni (IsidoroKZ)
Esperienza e simulazioni (g.schgor)
Moleskine di un idraulico (RenzoDF)
Il Blog di ElectroYou (webmaster)
Idee microcontrollate (TardoFreak)
PICcoli grandi PICMicro (Paolino)
Il blog elettrico di carloc (carloc)
DirtEYblooog (dirtydeeds)
Di tutto... un po' (jordan20)
AK47 (lillo)
Esperienze elettroniche (marco438)
Telecomunicazioni musicali (clavicordo)
Automazione ed Elettronica (gustavo)
Direttive per la sicurezza (ErnestoCappelletti)
EYnfo dall'Alaska (mir)
Apriamo il quadro! (attilio)
H7-25 (asdf)
Passione Elettrica (massimob)
Elettroni a spasso (guidob)
Bloguerra (guerra)

