Un saluto a tutta la board,
ho un problema come da schema allegato, vorrei che quando premo il pulsante n° 10, il rele rimanesse eccitato per almeno 3-4 secondi (è un reset remoto e gli apparati a valle "led" devono aver il tempo di resettarsi) immagino che dovrei farlo con un condensatore, ma come lo carico visto che appena premo il pulsante il circuito si disalimenta ?
Avete qualche idea ?
Rele a ritenuta temporanea
Moderatori:
carloc,
g.schgor,
BrunoValente,
IsidoroKZ
43 messaggi
• Pagina 1 di 5 • 1, 2, 3, 4, 5
1
voti
Se capisco bene hai alimentato la bobina del relè con in serie un contatto normalmente chiuso dello stesso relè, questo dovrebbe significare che quando premi il pulsante il relè vibra, cioè si eccita e si diseccita rapidamente ed è un circuito che non ha molto senso.
Dalla tua descrizione si capisce bene poco, l'approccio è sbagliato: ti conviene spiegare per bene cosa vorresti ottenere, a cosa dovrebbe servire quel circuito, cosa dovresti resettare e perché.
Per favore schemi in fidocad.
Dalla tua descrizione si capisce bene poco, l'approccio è sbagliato: ti conviene spiegare per bene cosa vorresti ottenere, a cosa dovrebbe servire quel circuito, cosa dovresti resettare e perché.
Per favore schemi in fidocad.
-

BrunoValente
39,6k 7 11 13 - G.Master EY

- Messaggi: 7796
- Iscritto il: 8 mag 2007, 14:48
0
voti
hai ragione, infatti il circuito, semplificato al massimo, era solo per dare un'idea di quanto ho a disposizione (rele a doppio scambio) per risolvere il mio problema, diciamo che il "led" è una serie di apparati collegati allego foto ,
EDIT PB: Rimosso link a server esterno
(nel dettaglio un Raspberry in cui gira Blynk server e vari Nodemcu con cui gestisco vari rele) visto che la scatola di derivazione in cui è installato il tutto non è facilmente raggiungibile, vorrei (da remoto) in caso il sistema non risponda, chiudere un rele(quello in foto) e resettare il tutto, però mi occorre che il rele resti aperto qualche secondo per dare tempo al sistema di fare un reboot completo, spero di essere stato piu chiaro
edit-- scusa per rispondere velocemente non avevo letto di fidocad, l'ho scaricato se necessario converto il tutto
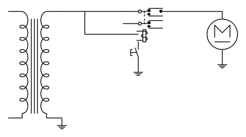
edit-- ho convertito in fidocad inserendo solo il necessario (il motore rappresenta tutti i componenti collegati a valle del rele) in modo che chi è più esperto di me possa aggiungere la componentistica necessaria (ma perche i contatti dei rele non si possono collegare
)
EDIT PB: Rimosso link a server esterno
(nel dettaglio un Raspberry in cui gira Blynk server e vari Nodemcu con cui gestisco vari rele) visto che la scatola di derivazione in cui è installato il tutto non è facilmente raggiungibile, vorrei (da remoto) in caso il sistema non risponda, chiudere un rele(quello in foto) e resettare il tutto, però mi occorre che il rele resti aperto qualche secondo per dare tempo al sistema di fare un reboot completo, spero di essere stato piu chiaro
edit-- scusa per rispondere velocemente non avevo letto di fidocad, l'ho scaricato se necessario converto il tutto
edit-- ho convertito in fidocad inserendo solo il necessario (il motore rappresenta tutti i componenti collegati a valle del rele) in modo che chi è più esperto di me possa aggiungere la componentistica necessaria (ma perche i contatti dei rele non si possono collegare
Ultima modifica di
PietroBaima il 1 nov 2019, 21:06, modificato 2 volte in totale.
Motivazione: Inserito schema Fidocad
Motivazione: Inserito schema Fidocad
0
voti
Se te ne intendi di elettronica puoi costruirti un semplice monostabile, altrimenti ti consiglio di utilizzare un temporizzatore per luce scale.
-

PietroBaima
90,7k 7 12 13 - G.Master EY

- Messaggi: 12206
- Iscritto il: 12 ago 2012, 1:20
- Località: Londra
1
voti
attila666 ha scritto:ma perche i contatti dei rele non si possono collegare)
Hai probabilmente impostato un valore della griglia che non combacia con quella dei componenti.
Per inserire correttamente un disegno fidocad, una volta disegnato lo schema, seleziona tutto il disegno. Col tasto destro del mouse scegli copia, premi il tasto FCD nella finestra di composizione del messaggio e incolla tra i due tag FCD il disegno copiato. Usa anteprima per verificare se tutto è andato a buon fine prima di inviare il messaggio
0
voti
Non inserire link a server esterni per immagini, ti è già stato detto da wall87, ma usa la funzione “invia allegato”
-

PietroBaima
90,7k 7 12 13 - G.Master EY

- Messaggi: 12206
- Iscritto il: 12 ago 2012, 1:20
- Località: Londra
0
voti
PietroBaima ha scritto:Se te ne intendi di elettronica puoi costruirti un semplice monostabile, altrimenti ti consiglio di utilizzare un temporizzatore per luce scale.
ma quando attivo il pulsante che apre il rele da remoto, lui taglierebbe tutta l'alimentazione, quindi credo che necessariamente mi occorre un condensatore da mettere in parallelo alla bobina del rele per utilizzare la sua corrente di scarica per tenere alimentata la bobina e darmi quei 3 o 4 secondi che mi servono, ma come terrei carico il condensatore visto che ai capi della bobina non c'è corrente finché non premo il pulsante da remoto ?, è questo il problema
provo a step
1) ho un rele NC
2) mando un impulso che apre il rele che si eccita e interrompe l'energia a tutti i componenti del quadro
3) il rele rimane eccitato (anche se la corrente è stata tolta) e lascia senza energia tutti i componenti del quadro
4) dopo 3-4 secondi il rele torna allo stato NC e torna energia al quadro
5) reset effettuato
0
voti
Ti servirebbe un condensatore da un urcafarad, lascia perdere.
-

PietroBaima
90,7k 7 12 13 - G.Master EY

- Messaggi: 12206
- Iscritto il: 12 ago 2012, 1:20
- Località: Londra
0
voti
PietroBaima ha scritto:Non inserire link a server esterni per immagini, ti è già stato detto da wall87, ma usa la funzione “invia allegato”
scusami, non avevo letto le motivazioni non succederà pù

0
voti
PietroBaima ha scritto:Ti servirebbe un condensatore da un urcafarad, lascia perdere.
ma parliamo solo della bobina del rele come carico 5 V e 200 mA
43 messaggi
• Pagina 1 di 5 • 1, 2, 3, 4, 5
Chi c’è in linea
Visitano il forum: Nessuno e 136 ospiti

Elettrotecnica e non solo (admin)
Un gatto tra gli elettroni (IsidoroKZ)
Esperienza e simulazioni (g.schgor)
Moleskine di un idraulico (RenzoDF)
Il Blog di ElectroYou (webmaster)
Idee microcontrollate (TardoFreak)
PICcoli grandi PICMicro (Paolino)
Il blog elettrico di carloc (carloc)
DirtEYblooog (dirtydeeds)
Di tutto... un po' (jordan20)
AK47 (lillo)
Esperienze elettroniche (marco438)
Telecomunicazioni musicali (clavicordo)
Automazione ed Elettronica (gustavo)
Direttive per la sicurezza (ErnestoCappelletti)
EYnfo dall'Alaska (mir)
Apriamo il quadro! (attilio)
H7-25 (asdf)
Passione Elettrica (massimob)
Elettroni a spasso (guidob)
Bloguerra (guerra)


pigreco]=π
