Risoluzione circuito del primo ordine

Circuiti, campi elettromagnetici e teoria delle linee di trasmissione e distribuzione dell’energia elettrica

Moderatori: Foto Utenteg.schgor, Foto UtenteIsidoroKZ

Avatar utente
Foto UtenteGioMann99
0 1 3
Messaggi: 7
Iscritto il: 21 nov 2019, 17:04
0
voti

[1] Risoluzione circuito del primo ordine

Messaggioda Foto UtenteGioMann99 » 23 nov 2019, 19:12

Buonasera a tutti, ho bisogno di una mano per quanto riguarda il seguente esercizio:
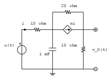
Per il circuito lineare in figura, determinare l'andamento temporale della tensione v_0(t) nei due casi: α=1 e α=3 con v_{c}(0^{-})=0 e generatore a gradino unitario.



Ora di questi esercizi già ne ho risolti un po' solo che a differenza degli altri, questo non mi chiede l'andamento temporale della tensione sul condensatore ma mi chiede la tensione sulla porta, inoltre qui il generatore è a gradino e quindi non saprei da dove iniziare. Vi rignrazio in anticipo :D
PS. La polarità del condensatore è verso l'alto

Avatar utente
Foto Utenteg.schgor
57,8k 9 12 13
G.Master EY
G.Master EY
Messaggi: 16971
Iscritto il: 25 ott 2005, 9:58
Località: MILANO
Contatta:
4
voti

[2] Re: Risoluzione circuito del primo ordine

Messaggioda Foto Utenteg.schgor » 24 nov 2019, 3:32

Se preferisci puoi realizzare il gradino con un generatore da 1V
con in serie un contatto che si chiude a t=0.
Essendo vC(0)=0 , in questo istante C è un cortocircioto e ciò
permette di calcolare l'uscita v(0).
Togliendo C si piò calcolare invece v(\infty).

Puoi provare con \alpha=1?
(con \alpha=3 c'è una sorpresa..)

Avatar utente
Foto UtenteGioMann99
0 1 3
Messaggi: 7
Iscritto il: 21 nov 2019, 17:04
0
voti

[3] Re: Risoluzione circuito del primo ordine

Messaggioda Foto UtenteGioMann99 » 25 nov 2019, 18:34

Grazie al suo aiuto ho potuto trovare la condizione iniziale su v_{0}, lasciando indicato \alpha ho trovato che:
v_{0}(0)=\frac{2}{3}\alpha
Però il problema persiste, poiché per andare a studiare la tensione v_{0}(t) per 0<t<+\infty devo andare a considerare nuovamente il condensatore (sbaglio?) e quindi non saprei come andarmi ad impostare un'equazione differenziale in quanto mi comparirebbero quindi la v_{0}(t) e la v_{C}(t).
Spero di essermi spiegato bene!

Avatar utente
Foto Utenteg.schgor
57,8k 9 12 13
G.Master EY
G.Master EY
Messaggi: 16971
Iscritto il: 25 ott 2005, 9:58
Località: MILANO
Contatta:
1
voti

[4] Re: Risoluzione circuito del primo ordine

Messaggioda Foto Utenteg.schgor » 25 nov 2019, 19:07

E' più semplce di quanto pensi.
Hai calcolato v(0) e devi calolare v(\infty).

Sapendo che la soluzione è del tipo:

v(t)=a1+a2 \cdot e^{-t/RC}

com a1=v(\infty)
e a2=v(0)-v(\infty)
non rimane che da calcolare RC
(vedremo come)

Avatar utente
Foto UtenteGioMann99
0 1 3
Messaggi: 7
Iscritto il: 21 nov 2019, 17:04
0
voti

[5] Re: Risoluzione circuito del primo ordine

Messaggioda Foto UtenteGioMann99 » 26 nov 2019, 16:38

Quindi svolgendo i calcoli per t=+\infty, il condensatore si sotituisce con un circuito aperto e quindi trovo che v_{0}(+\infty) è uguale a:
v_{0}(+\infty)=\frac{1}{4-2\alpha}

Perciò per \alpha>2 la tensione v_{0} è negativa, ciò vuol dire che \alpha non può assumere valori maggiori o uguali a 2?

Avatar utente
Foto Utenteg.schgor
57,8k 9 12 13
G.Master EY
G.Master EY
Messaggi: 16971
Iscritto il: 25 ott 2005, 9:58
Località: MILANO
Contatta:
1
voti

[6] Re: Risoluzione circuito del primo ordine

Messaggioda Foto Utenteg.schgor » 26 nov 2019, 17:57

Andiamo con ordine, completando il caso di \alpha =1
Abbiamo a1 e a2, manca RC.
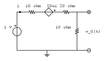
Per ottenere R si può mettere al posto di C
un generatore unitario oente (1A)
e calcolare la tensione ai suoi capi: il valore
è numericamente ugusle ad R.

Puoi farlo?

Avatar utente
Foto UtenteGioMann99
0 1 3
Messaggi: 7
Iscritto il: 21 nov 2019, 17:04
0
voti

[7] Re: Risoluzione circuito del primo ordine

Messaggioda Foto UtenteGioMann99 » 26 nov 2019, 18:06

Sì, il valore è 15 ohm, quindi RC=15*0,001=1,5*10^{-2}
Quindi, se i calcoli sono giusti v_{0}(t)=\frac{1}{2}+\frac{1}{6}e^{-\frac{200}{3}t}

Avatar utente
Foto UtenteGioMann99
0 1 3
Messaggi: 7
Iscritto il: 21 nov 2019, 17:04
0
voti

[8] Re: Risoluzione circuito del primo ordine

Messaggioda Foto UtenteGioMann99 » 26 nov 2019, 20:33

Ok, credi di esserci arrivato, poiché facendo due conti, per \alpha=3 viene fuori una resistenza equivalente negativa R_{eq}=-15 \Omega (mi corregga se sbaglio!).
Trovato ciò mi sono andato a leggere questo topic:
https://www.electroyou.it/isidorokz/wiki/resistenze-negative
che mi ha chiarito le idee.

Avatar utente
Foto Utenteg.schgor
57,8k 9 12 13
G.Master EY
G.Master EY
Messaggi: 16971
Iscritto il: 25 ott 2005, 9:58
Località: MILANO
Contatta:
0
voti

[9] Re: Risoluzione circuito del primo ordine

Messaggioda Foto Utenteg.schgor » 27 nov 2019, 7:38

:ok:
Ecco la simulazione con \alpha =1;
Forum191124.gif
Forum191124.gif (4.62 KiB) Visto 4695 volte


Con \alpha >1.5 cambia la polarità di C
e questo provoca un aumento continuo delle correnti,
quindi di v(t), nel tempo.

Avatar utente
Foto UtenteGioMann99
0 1 3
Messaggi: 7
Iscritto il: 21 nov 2019, 17:04
0
voti

[10] Re: Risoluzione circuito del primo ordine

Messaggioda Foto UtenteGioMann99 » 27 nov 2019, 18:49

La ringrazio infinitamente per il suo tempo, è stata un'impresa ahaha


Torna a “Elettrotecnica generale”