Salve a tutti, ho il seguente circuito, in cui mi si chiede di trovare il guadagno ad anello e compensare l'amplificatore con un margine di fase di 70°.
L'esercizio lo ha spiegato il prof sommariamente tempo fa ormai, ed i dubbi che ho sono i seguenti:
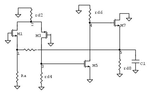
-ha detto che i nodi 3 e 4 sono i nodi ad alta impedenza rispetto al quale compensare con effetto Miller, deduco che siano ad alta impedenza perché nodi di uscita di specchi di corrente, ma allora perché non scegliere il nodo 5 al posto di un altro nodo?
-ultimo dubbio è il calcolo del guadagno ad anello, dove effettuare il taglio e come procedere?
Spero mi possiate dare una mano, grazie anticipatamente.
Problema calcolo guadagno ad anello
Moderatori:
g.schgor,
IsidoroKZ
6 messaggi
• Pagina 1 di 1
0
voti
Non ho capito a cosa va connesso Vg.
Il nodo 5 sembra connesso al source, quindi è a bassa impedenza.
Complimenti hai fiducia nelle capacità e pazienza dei membri di EY nel risolverti il problema.
Il nodo 5 sembra connesso al source, quindi è a bassa impedenza.
Complimenti hai fiducia nelle capacità e pazienza dei membri di EY nel risolverti il problema.
0
voti
Vg è data dal prof, ha un valore finito, che successivamente annulla quando studia il guadagno ad anello (per come ho scritto nel post lui ci ha dato una sorta di indicazione su come svolgerlo ai tempi).
Grazie per la correzione sul nodo 5, sono stato molto distratto
Ho fatto il post perché ho come traccia solo la pseudo spiegazione del prof e sto dando la testa contro il muro da qualche giorno per capire come farlo, non chiedo ovviamente di risolverlo ma cercare di capire come procedere.
Grazie della risposta
Grazie per la correzione sul nodo 5, sono stato molto distratto
Ho fatto il post perché ho come traccia solo la pseudo spiegazione del prof e sto dando la testa contro il muro da qualche giorno per capire come farlo, non chiedo ovviamente di risolverlo ma cercare di capire come procedere.
Grazie della risposta
0
voti
Ridisegna semplificandolo il circuito con fidocadj.
M 9,10,2,6,4,5,8 dovrebbero essere dei generatori di corrente costante, possono venire considerati circuiti aperti (eliminati) per la amplificazione di piccoli segnali.
Dovreber orimanere solo M1,3,5,7....
I mosfet dovrebbero venire caratterizzati dalla sola transconduttanza..?
Poi forse qualcuno più capace di me può aiutarti...
M 9,10,2,6,4,5,8 dovrebbero essere dei generatori di corrente costante, possono venire considerati circuiti aperti (eliminati) per la amplificazione di piccoli segnali.
Dovreber orimanere solo M1,3,5,7....
I mosfet dovrebbero venire caratterizzati dalla sola transconduttanza..?
Poi forse qualcuno più capace di me può aiutarti...
0
voti
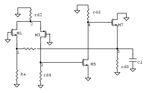
Ho semplificato e sono arrivato a questo, in cui rd2, rd4, rd6 e rd8 sono le resistenze di uscita degli specchi di corrente, attendo a questo punto qualcuno che mi illumini 
0
voti
EDIT: mi sono accorto di aver sbagliato thread, chiedo ai moderatori di eliminare il post se lo ritengono inutile avendo sbagliato sezione (chiedo scusa sarò più attento), lo farei io ma non mi appare l'opzione
6 messaggi
• Pagina 1 di 1
Torna a Elettrotecnica generale
Chi c’è in linea
Visitano il forum: Nessuno e 21 ospiti

Elettrotecnica e non solo (admin)
Un gatto tra gli elettroni (IsidoroKZ)
Esperienza e simulazioni (g.schgor)
Moleskine di un idraulico (RenzoDF)
Il Blog di ElectroYou (webmaster)
Idee microcontrollate (TardoFreak)
PICcoli grandi PICMicro (Paolino)
Il blog elettrico di carloc (carloc)
DirtEYblooog (dirtydeeds)
Di tutto... un po' (jordan20)
AK47 (lillo)
Esperienze elettroniche (marco438)
Telecomunicazioni musicali (clavicordo)
Automazione ed Elettronica (gustavo)
Direttive per la sicurezza (ErnestoCappelletti)
EYnfo dall'Alaska (mir)
Apriamo il quadro! (attilio)
H7-25 (asdf)
Passione Elettrica (massimob)
Elettroni a spasso (guidob)
Bloguerra (guerra)


