Buona sera Forum.
Ho terminato la realizzazione grafica della PCB e pubblico tutta la documentazione disponibile, nell'eventualità che possa interessare. Avrei potuto realizzarla in doppia faccia ma ho visto che non riuscivo a ridurre le dimensioni in modo sostanziale ed ho preferito non sacrificare la realizzabilità della PCB anche in modo artigianale.
La PCB è stata realizzata con DipTrace ed essendo la mia prima realizzazione con tale strumento è possibile che non sia riuscito ad ottenere il meglio dal programma, in ordine all’armonia del disegno. Ad ogni buon conto allego anche il sorgente PCB di DipTrace, qualora s’intendesse modificarlo.
Più avanti cercherò di realizzare anche i Gerber e li pubblicherò.
Segue...
Relay Carica batterie LX 327 (NE)
Moderatori:
carloc,
g.schgor,
BrunoValente,
IsidoroKZ
2
voti
Ultima modifica di
gianniniivo il 16 dic 2019, 22:29, modificato 1 volta in totale.
-

gianniniivo
9.035 7 11 13 - No Rank
- Messaggi: 2874
- Iscritto il: 5 feb 2019, 23:50
-

gianniniivo
9.035 7 11 13 - No Rank
- Messaggi: 2874
- Iscritto il: 5 feb 2019, 23:50
0
voti
Seguito:
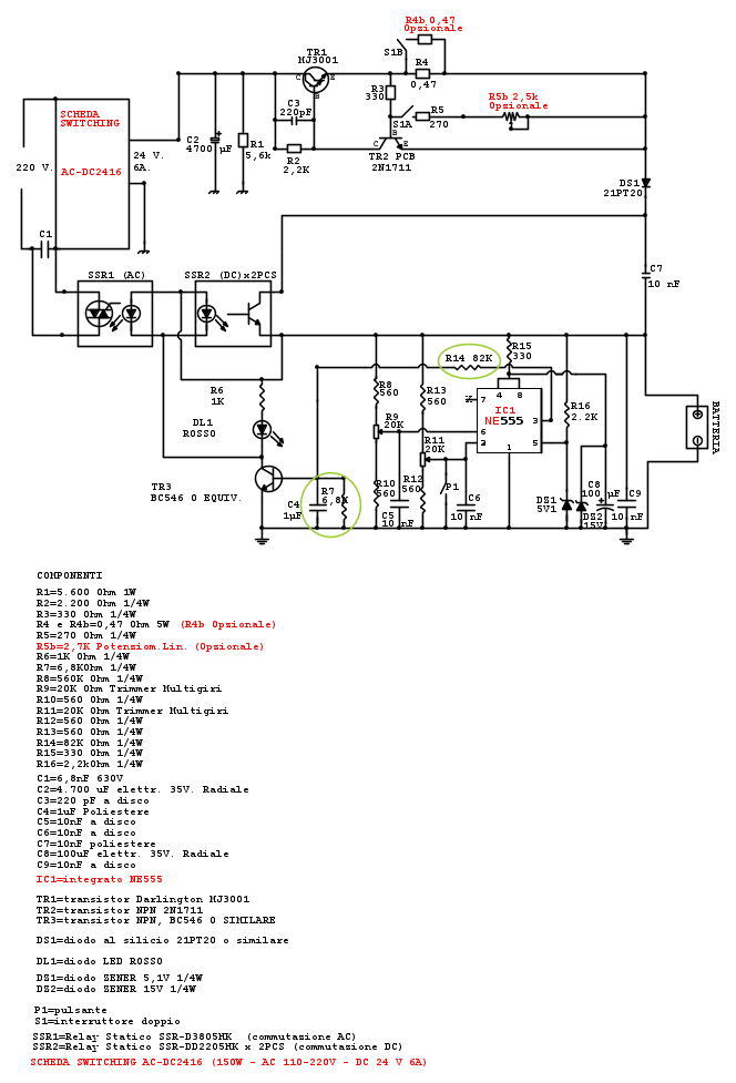
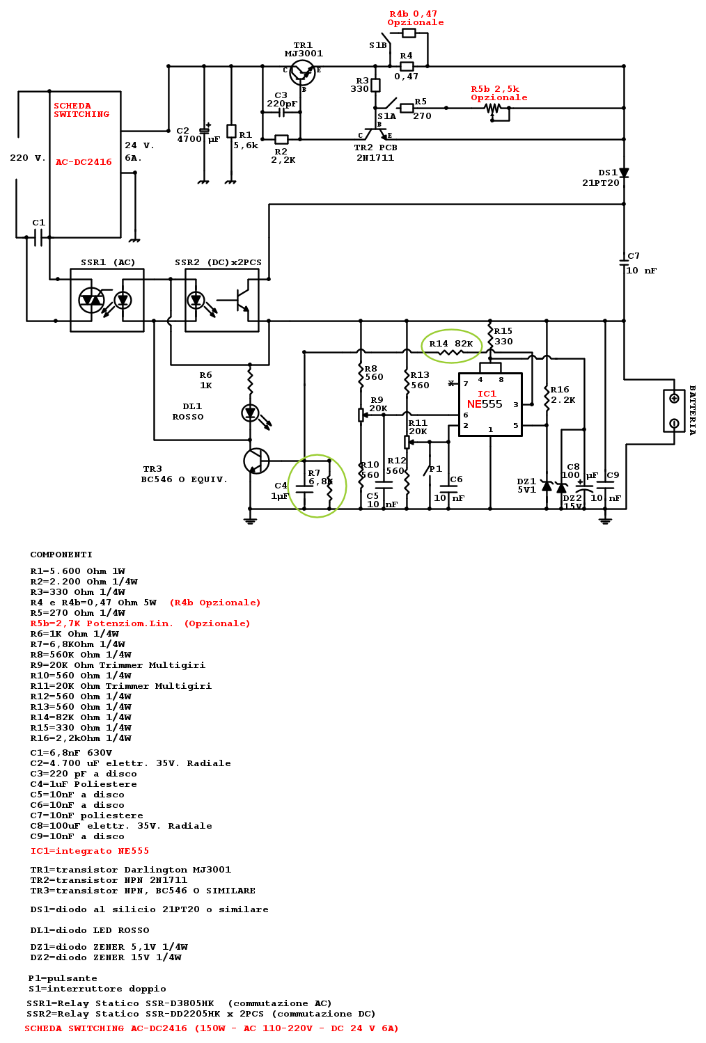
Premetto che il ponticello in serie alla R14 potrebbe essere eliminato tenendo lunghi i reofori della resistenza ma ho preferito lasciarlo per l’eventuale inserimento di qualche componente alternativo per la gestione dell’isteresi, che tuttavia è già assolutamente funzionante.
Inoltre, ho procurato una scheda switching con caratteristiche di potenza equivalenti al trasformatore e l’ho utilizzata per eliminare sia il trasformatore sia il ponte di diodi. La scheda funziona egregiamente, è poco ingombrante, pesa 200 grammi e non scalda. E’ aumentata un po’ la tensione per effetto dell’eliminazione del ponte di diodi ma anche tale circostanza è risultata utile avendo determinato anche un aumento della corrente erogata in uscita dal dispositivo. Qualora s’intendesse chiedere al carica batterie un’erogazione elevata di corrente, sarebbe utile raddoppiare il transistor dello stadio finale del regolatore di corrente, per distribuire il carico e ridurre il riscaldamento del singolo finale.
A parte l’eliminazione del trasformatore e del ponte di diodi a favore della scheda switching, gli altri componenti sono gli stessi della versione con il trasformatore già pubblicata con lo schema nella pagina precedente.
Ho fatto un po' di pasticci con la pubblicazione, non era questa la sequenza immagini che intendevo pubblicare ma prima o poi spero d'imparare. Chiedo scusa...
Premetto che il ponticello in serie alla R14 potrebbe essere eliminato tenendo lunghi i reofori della resistenza ma ho preferito lasciarlo per l’eventuale inserimento di qualche componente alternativo per la gestione dell’isteresi, che tuttavia è già assolutamente funzionante.
Inoltre, ho procurato una scheda switching con caratteristiche di potenza equivalenti al trasformatore e l’ho utilizzata per eliminare sia il trasformatore sia il ponte di diodi. La scheda funziona egregiamente, è poco ingombrante, pesa 200 grammi e non scalda. E’ aumentata un po’ la tensione per effetto dell’eliminazione del ponte di diodi ma anche tale circostanza è risultata utile avendo determinato anche un aumento della corrente erogata in uscita dal dispositivo. Qualora s’intendesse chiedere al carica batterie un’erogazione elevata di corrente, sarebbe utile raddoppiare il transistor dello stadio finale del regolatore di corrente, per distribuire il carico e ridurre il riscaldamento del singolo finale.
A parte l’eliminazione del trasformatore e del ponte di diodi a favore della scheda switching, gli altri componenti sono gli stessi della versione con il trasformatore già pubblicata con lo schema nella pagina precedente.
Ho fatto un po' di pasticci con la pubblicazione, non era questa la sequenza immagini che intendevo pubblicare ma prima o poi spero d'imparare. Chiedo scusa...
-

gianniniivo
9.035 7 11 13 - No Rank
- Messaggi: 2874
- Iscritto il: 5 feb 2019, 23:50
1
voti
Saluti.
Purtroppo vedo solo ora questo interessante thread ed e' un peccato non averlo visto prima, perche' avrei trovato e dato (penso) qualche spunto interessante. Neanche a farlo apposta il mio circuito utlizza un NE555 sfruttato come doppio comparatore per stabilire il valore MIn e MAX della tensione della batteria.
Allego lo schema del proptotipo in Microcap.
Pensavo che l'idea fosse quasi inedita o poco diffusa (che razza di presunzione, pensare al giorno d'oggi di inventare un circuito inedito) , ed invece vedo in questo thread che i cinesi ci hanno pensato prima di me, ed inoltre ho visto nelle pagine di quel ragazzino principiante appena iscritto, tale g.schgor, che ha messo una carellata di circuiti copiati dalla mia realizzazione. Non lo posso sopportare !!
(scherzo ovviamente, caro g.schgor considera questo mio sproloquio come una manifestazione di affetto).
Una cosa che potrebbe interessare a gianniniivo potrebbe essere il sistema di regolazione di corrente tramite un altro NE555 (nello schema X2) configuratore come oscillatore astabile con duty cicle variabile da 1 a 100% , e dalle prove che ho fatto mosfet regge tranquillamente 5 A senza riscaldare eccessivamente, ma richiede un piccolo dissipatore rappresentato da 20 cm^2 di lastra di alluminio. I picchi di onda quadra sono smorzati dal condensatore da 1000 uF messo a valle. Non c'e' un sistema di stabilizzazione di corrente, cosicche' una volta regolata la corrente questa dovrebbe lentamente ridursi durante l'innalzamento della tensione della batteria, ma cio' e' un bene perche' le linee guida nella carica delle batterie al piombo suggeriscono che la corrente sia ridotta gradatamente.
Ma vediamo alle mie domande: se pensate che sia meglio che apra un thread apposito provvedero' ma penso che la cosa interessi anche questo progetto. Dopo la realizzazione pratica su basetta millefori ho avuto due ordini di problemi: l'attacco&stacco a fine carica, e una autooscillazione quando il NE555 passa dallo stato High a quello Low in Out. Ho descritto bene il probelma in questo thread:
viewtopic.php?f=1&t=79461
. Il problema e' aggravato dal fatto che in questa applicazione di caricabatteria la tensione sui Pin
Trigger e Threshold la tensione varia lentamente e per questo motivo il momento critico della autooscillazione e' piu' evidente: nel mio caso l'autooscillazione si trasferisce al transistor e poi al mosfet, con un bel pasticcio nell'uscita.
Non ho ancora collegato lo zener da 12 V tra gate e source del mosfet, perche' non sono sicuro che la connessione mostrata sia quella corretta.
Se avete idee su come risolvere questi problemi fareste cosa graditissima.
Purtroppo vedo solo ora questo interessante thread ed e' un peccato non averlo visto prima, perche' avrei trovato e dato (penso) qualche spunto interessante. Neanche a farlo apposta il mio circuito utlizza un NE555 sfruttato come doppio comparatore per stabilire il valore MIn e MAX della tensione della batteria.
Allego lo schema del proptotipo in Microcap.
Pensavo che l'idea fosse quasi inedita o poco diffusa (che razza di presunzione, pensare al giorno d'oggi di inventare un circuito inedito) , ed invece vedo in questo thread che i cinesi ci hanno pensato prima di me, ed inoltre ho visto nelle pagine di quel ragazzino principiante appena iscritto, tale g.schgor, che ha messo una carellata di circuiti copiati dalla mia realizzazione. Non lo posso sopportare !!
(scherzo ovviamente, caro g.schgor considera questo mio sproloquio come una manifestazione di affetto).
Una cosa che potrebbe interessare a gianniniivo potrebbe essere il sistema di regolazione di corrente tramite un altro NE555 (nello schema X2) configuratore come oscillatore astabile con duty cicle variabile da 1 a 100% , e dalle prove che ho fatto mosfet regge tranquillamente 5 A senza riscaldare eccessivamente, ma richiede un piccolo dissipatore rappresentato da 20 cm^2 di lastra di alluminio. I picchi di onda quadra sono smorzati dal condensatore da 1000 uF messo a valle. Non c'e' un sistema di stabilizzazione di corrente, cosicche' una volta regolata la corrente questa dovrebbe lentamente ridursi durante l'innalzamento della tensione della batteria, ma cio' e' un bene perche' le linee guida nella carica delle batterie al piombo suggeriscono che la corrente sia ridotta gradatamente.
Ma vediamo alle mie domande: se pensate che sia meglio che apra un thread apposito provvedero' ma penso che la cosa interessi anche questo progetto. Dopo la realizzazione pratica su basetta millefori ho avuto due ordini di problemi: l'attacco&stacco a fine carica, e una autooscillazione quando il NE555 passa dallo stato High a quello Low in Out. Ho descritto bene il probelma in questo thread:
viewtopic.php?f=1&t=79461
. Il problema e' aggravato dal fatto che in questa applicazione di caricabatteria la tensione sui Pin
Trigger e Threshold la tensione varia lentamente e per questo motivo il momento critico della autooscillazione e' piu' evidente: nel mio caso l'autooscillazione si trasferisce al transistor e poi al mosfet, con un bel pasticcio nell'uscita.
Non ho ancora collegato lo zener da 12 V tra gate e source del mosfet, perche' non sono sicuro che la connessione mostrata sia quella corretta.
Se avete idee su come risolvere questi problemi fareste cosa graditissima.
0
voti
Grazie per la proposta
ginfizz oltre che per l’intervento (ultimamente ci sono stati pochi interventi per discutere il progetto) ma, senza offesa, direi che sei arrivato troppo tardi. L’idea di rifare tutto il circuito mi sconforta. Se hai letto la genesi della discussione ti sarai reso conto che, all'origine della stessa, c’era la mera (poi rivelatasi velleitaria) intenzione di sostituire soltanto il relay Finder con dei relay SSR.
In pratica la discussione è iniziata in modo e, per una serie di problemi di percorso, è terminata in un altro.
Successivamente, i problemi di percorso sono stati risolti e adesso il dispositivo è stabile e di problemi non da più. Certamente uno stadio di potenza non lineare mi avrebbe fatto comodo ma il prezzo della modifica credo sarebbe consistito in maggiore difficoltà di realizzazione e presumo anche stabilità incerta.
Inoltre, il dispositivo oggetto di discussione, interrompe sia l’erogazione dell’AC sia della DC e ritengo che non sia una soluzione da sottovalutare (è anche poco diffusa) in quanto una volta caricata la batteria, il dispositivo si spegne definitivamente, si isola dalla rete e non riparte più, salvo che la tensione di carica della batteria decada fino a raggiungere nuovamente la soglia di ripartenza…
P.S.
Il regolatore cinese, così come progettato dai cinesi, non era in grado di comandare dei relay SSR in quanto, senza isteresi, se si scollegava accidentalmente una pinza durante la carica della batteria, il funzionamento del controllo di carica sarebbe entrato in un ciclo “perpetuo” di START & STOP a seguito dello scaricarsi e ricaricarsi dei condensatori.
In pratica la discussione è iniziata in modo e, per una serie di problemi di percorso, è terminata in un altro.
Successivamente, i problemi di percorso sono stati risolti e adesso il dispositivo è stabile e di problemi non da più. Certamente uno stadio di potenza non lineare mi avrebbe fatto comodo ma il prezzo della modifica credo sarebbe consistito in maggiore difficoltà di realizzazione e presumo anche stabilità incerta.
Inoltre, il dispositivo oggetto di discussione, interrompe sia l’erogazione dell’AC sia della DC e ritengo che non sia una soluzione da sottovalutare (è anche poco diffusa) in quanto una volta caricata la batteria, il dispositivo si spegne definitivamente, si isola dalla rete e non riparte più, salvo che la tensione di carica della batteria decada fino a raggiungere nuovamente la soglia di ripartenza…
P.S.
Il regolatore cinese, così come progettato dai cinesi, non era in grado di comandare dei relay SSR in quanto, senza isteresi, se si scollegava accidentalmente una pinza durante la carica della batteria, il funzionamento del controllo di carica sarebbe entrato in un ciclo “perpetuo” di START & STOP a seguito dello scaricarsi e ricaricarsi dei condensatori.
-

gianniniivo
9.035 7 11 13 - No Rank
- Messaggi: 2874
- Iscritto il: 5 feb 2019, 23:50
0
voti
gianniniivo ha scritto:L’idea di rifare tutto il circuito mi sconforta.
Ti capisco perfettamente, perche' ho letto tutto. Ad ogni modo se qualcuno volesse rifare il circuito preciso che il circuito di pilotaggio ad onda quadra del mosfet per la regolazione della corrente funziona perfettamente. Quello che mi sta dando problemi e' il NE555 comparatore delle tensioni. Quindi se ho ben capito i componenti che dovrei aggiungere per inserire una isteresi sarebbero R14, R7 , C4. Oltre alla isteresi puo' darsi che con questi componenti io riesca ad eliminare gli effetti dell'autooscilazione del NE555.
Ad ogni modo se qualcuno volesse esprimere il suo parere sui collegamenti dello zener di protezione (protezione da eccessiva VGS che e' ammessa al massimo 20 V) sul mosfet (IRF9540N canale P) farebbe cosa gradita . Dalla simulazione di Microcap non e' chiaro il responso.
1
voti
Il posizionamento dello zener va bene, bisogna vedere se al mosfet sono garantiti i 4V minimi sul gate. Con la batteria in carica e con una corrente di carica elevata è possibile che si determini anche una consistente caduta di tensione. Come valore di zener metterei un valore tra i 10 ed i 13V. E' il posizionamento delle resistenze che non sono sicuro che sia corretto e comunque per il calcolo dei valori resistivi non ti posso aiutare.
-

gianniniivo
9.035 7 11 13 - No Rank
- Messaggi: 2874
- Iscritto il: 5 feb 2019, 23:50
1
voti
Grazie
gianniniivo . Faro' un po' di prove e faro' sapere il risultato. Non so quando perche' purtroppo proprio ieri mi e' capitato un impegno importante.
Grazie di nuovo e Buone Feste !
Grazie di nuovo e Buone Feste !
0
voti
Buona sera Forum,
dovrei aver capito come generare i gerber ma utilizzo il condizionale perché non sono affatto sicuro dell’affidabilità della realizzazione.
Ho provato prima con Eagle ma non ci sono riuscito, quindi ho convertito la PCB di Eagle in DipTrace, l’ho modificata parzialmente ed ho ricavato i gerber (forse)…
Serviranno tutti qui file gerber? O magari ne occorreranno addirittura altri?
Sono alla mia prima realizzazione sia di un lavoro con DipTrace sia per i file gerber e prima di spedirli vorrei essere sicuro di aver eseguito correttamente la generazione…
Allego il file sorgente della PCB, ultima, e i gerber, in due file compressi separati in modo che non ci verifichino pasticci.
Poi, dopo aver letto una discussione in cui
edgar ha realizzato con maestria i file gerber con Eagle, chiederei al buon edgar se potesse gentilmente dare una controllatina alla mia realizzazione per una verifica di affidabilità, anche se i gerber sono stati realizzati con DipTrace. In pratica ho realizzato una specie di doppia faccia con fori metallizzati passanti. Al posto dei ponticelli inserirei delle piste perché ho visto che dai cinesi costano meno le realizzazioni in doppia faccia che in singola (?) Poi anche perché ho provato a realizzare un vero doppia faccia ma non sono riuscito ad ottenere risultati soddisfacenti.
Ovviamente lascerò disponibile anche la PCB in versione con ponticelli, nell’eventualità che qualcuno intendesse realizzarla artigianalmente.
Spero che edgar trovi un po’ di tempo per darmi buone notizie. Grazie.
dovrei aver capito come generare i gerber ma utilizzo il condizionale perché non sono affatto sicuro dell’affidabilità della realizzazione.
Ho provato prima con Eagle ma non ci sono riuscito, quindi ho convertito la PCB di Eagle in DipTrace, l’ho modificata parzialmente ed ho ricavato i gerber (forse)…
Serviranno tutti qui file gerber? O magari ne occorreranno addirittura altri?
Sono alla mia prima realizzazione sia di un lavoro con DipTrace sia per i file gerber e prima di spedirli vorrei essere sicuro di aver eseguito correttamente la generazione…
Allego il file sorgente della PCB, ultima, e i gerber, in due file compressi separati in modo che non ci verifichino pasticci.
Poi, dopo aver letto una discussione in cui
Ovviamente lascerò disponibile anche la PCB in versione con ponticelli, nell’eventualità che qualcuno intendesse realizzarla artigianalmente.
Spero che edgar trovi un po’ di tempo per darmi buone notizie. Grazie.
-

gianniniivo
9.035 7 11 13 - No Rank
- Messaggi: 2874
- Iscritto il: 5 feb 2019, 23:50
Chi c’è in linea
Visitano il forum: Nessuno e 76 ospiti

Elettrotecnica e non solo (admin)
Un gatto tra gli elettroni (IsidoroKZ)
Esperienza e simulazioni (g.schgor)
Moleskine di un idraulico (RenzoDF)
Il Blog di ElectroYou (webmaster)
Idee microcontrollate (TardoFreak)
PICcoli grandi PICMicro (Paolino)
Il blog elettrico di carloc (carloc)
DirtEYblooog (dirtydeeds)
Di tutto... un po' (jordan20)
AK47 (lillo)
Esperienze elettroniche (marco438)
Telecomunicazioni musicali (clavicordo)
Automazione ed Elettronica (gustavo)
Direttive per la sicurezza (ErnestoCappelletti)
EYnfo dall'Alaska (mir)
Apriamo il quadro! (attilio)
H7-25 (asdf)
Passione Elettrica (massimob)
Elettroni a spasso (guidob)
Bloguerra (guerra)

