Cos'è ElectroYou | Login Iscriviti

ElectroYou - la comunità dei professionisti del mondo elettrico

Esercizio Diodi

Elettronica lineare e digitale: didattica ed applicazioni

Moderatori: Foto Utentecarloc, Foto Utenteg.schgor, Foto UtenteBrunoValente, Foto UtenteIsidoroKZ

0
voti

[11] Re: Esercizio Diodi

Messaggioda Foto UtenteMarcoD » 3 gen 2020, 19:47

il generatore di tensione non dovrebbe imporre ai capi del ramo la sua ddp? E se fossero invertiti che succederebbe??
:( NO, il generatore di corrente in serie "vince" sul generatore di tensione.
Il generatore di tensione è ininfluente, puoi supporre che sia nullo (un cortocircuito).
Anche se invertiti, vince sempre il generatore di corrente in serie. :-) O_/
Avatar utente
Foto UtenteMarcoD
12,2k 5 9 13
Master EY
Master EY
 
Messaggi: 6696
Iscritto il: 9 lug 2015, 16:58
Località: Torino

0
voti

[12] Re: Esercizio Diodi

Messaggioda Foto UtenteElettroNewbie » 3 gen 2020, 19:52

Credo di averlo risolto:assumiamo V1=5V e faccimo l'ipotesi di diodo D1 OFF ed D2 ON,ridisegnamo il circuito ed si nota subito che latensione vout si fissa al valore della tensioine V(gamma) del diodo D2.
Il circuito permane inquesto stato sino a che vout è maggiore di V(gamma) diD2 ossia per valori di V1 compresi tra 0,7 ed 5.
Non appena V1 scende al di sotto di o,7 allora entrambi i diodi sono spenti ed vout si porta allo stesso valore di V1 ossia segue pari pari cio che fa V1.
Quandopoi V1 va al di sott di -0,7 allora D1 si aacende ed D2 continua a rimanere spento e la vout si fissa al valore di -V(GAMMA) ,-07!!! vout rimane pari ad -0,7 per i valori di V1 che vanno da -0,7 ad -5.
Avatar utente
Foto UtenteElettroNewbie
15 3
New entry
New entry
 
Messaggi: 75
Iscritto il: 11 gen 2018, 14:30

0
voti

[13] Re: Esercizio Diodi

Messaggioda Foto UtenteElettroNewbie » 3 gen 2020, 19:55

Chiedo scusa se sbaglio a scrivere ma sto usando un PC non mio con una tastiera wireless che credo non vada tanto bene...inoltre confesso,se mi posso permettere,senza offendere nessuno, che non mi piace prorpio la 'user experience' di fidocadj
Avatar utente
Foto UtenteElettroNewbie
15 3
New entry
New entry
 
Messaggi: 75
Iscritto il: 11 gen 2018, 14:30

0
voti

[14] Re: Esercizio Diodi

Messaggioda Foto Utenterugweri » 3 gen 2020, 20:19

ElettroNewbie ha scritto:confesso,se mi posso permettere,senza offendere nessuno, che non mi piace prorpio la 'user experience' di fidocadj


Dura lex, sed lex: che sia sgradevole è una legittima opinione, che sia da usare è un obbligo previsto dal regolamento (e un favore che fai a te stesso, visto che agevola sostanzialmente chi vuole aiutarti).
Avatar utente
Foto Utenterugweri
5.948 2 8 13
CRU - Account cancellato su Richiesta utente
 
Messaggi: 1366
Iscritto il: 25 nov 2016, 18:46

0
voti

[15] Re: Esercizio Diodi

Messaggioda Foto Utenteclaudiocedrone » 4 gen 2020, 1:46

ElettroNewbie ha scritto: ...non ricordo come si fa a postare i circuiti disegnati con fidocadj...

Finito il disegno, in FidocadJ con la tastiera premi ctrl+A (e si seleziona tutto) e ctrl+C (e viene copiato tutto il selezionato), poi nel post clicchi sul riquadro con la scritta fcd e premi ctrl+V
Fine.
"Non farei mai parte di un club che accettasse la mia iscrizione" (G. Marx)
Avatar utente
Foto Utenteclaudiocedrone
21,3k 4 7 9
Master EY
Master EY
 
Messaggi: 15302
Iscritto il: 18 gen 2012, 13:36

0
voti

[16] Re: Esercizio Diodi

Messaggioda Foto UtenteElettroNewbie » 4 gen 2020, 13:11

Ragazzi nello svolgere l'esercizio mi ritrovo a dover valutare la Vout in queste condizioni:

con I1=1mA R1=R2=1Kohm V2=5V ed V1=5V(mi sono messo io con questovalore...) V(gamma)=0,7
Quanto vale Vout?? non si fissa al valore di V(gamma)?
Grazie per l'aiuto!!!
Avatar utente
Foto UtenteElettroNewbie
15 3
New entry
New entry
 
Messaggi: 75
Iscritto il: 11 gen 2018, 14:30

1
voti

[17] Re: Esercizio Diodi

Messaggioda Foto Utenteposta10100 » 4 gen 2020, 16:51

ElettroNewbie ha scritto:Non appena V1 scende al di sotto di o,7 allora entrambi i diodi sono spenti ed vout si porta allo stesso valore di V1 ossia segue pari pari cio che fa V1.

Direi di no...
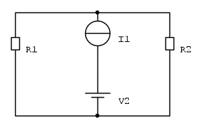
togli i diodi e i generatori V2 e I1, quanto vale Vout in funzione di V1?

ElettroNewbie ha scritto:come mai il generatore di tensione in serie al generatore di corrente non dovrebbe imporre la sua d.d.p ai capi dell'intero ramo?

Vedila in questo modo:
- Il generatore di tensione ideale impone ai suoi morsetti una tensione indipendentemente dalla corrente che lo attraversa
- Il generatore di corrente ideale impone una corrente al ramo in cui si trova indipendentemente dalla tensione ai suoi morsetti. Prendi un caso semplice, un circuito composto da un generatore di corrente I e da una resistenza R. La tensione sulla resistenza (che poi è la stessa ai capi del generatore di corrente è data dalla legge di Ohm V=RI. Cosa succede ora se raddoppi il valore di R? Il generatore di corrente deve far circolare sempre la stessa corrente e quindi "si adatta" raddoppiando la tensione ai suoi morsetti.

Torniamo ora al generatore di tensione con in serie il generatore di corrente del tuo circuito.
Semplifichiamolo eliminando V1 e i diodi.


Nel ramo che contiene I1 e V2 circolerà una corrente imposta dal generatore di corrente che andrà in parte verso R1 e in parte verso R2. La tensione su R1 (o su R2) è data da V=I * Req dove Req è il parallelo tra R1 e R2 indipendentemente dal valore di V2.

Se non sei ancora convinto :D applica la sovrapposizione degli effetti.
Quando consideri l'effetto di I1 cortocircuiti V2 che quindi diventa un filo ed il calcolo è quello che ho scritto qui sopra, quando consideri l'effetto di V2 devi aprire il generatore di corrente I1 e quindi quel ramo è interrotto e V2 è isolato dal mondo.

Ti torna ora o ti ho confuso di più le idee?

O_/
http://millefori.altervista.org
Tool gratuito per chi sviluppa su millefori.

Tutti sanno che una cosa è impossibile da realizzare, finché arriva uno sprovveduto che non lo sa e la inventa. (A. Einstein)
Se non c'e` un 555 non e` un buon progetto (IsidoroKZ)

Strumento per formule
Avatar utente
Foto Utenteposta10100
5.550 4 10 13
Master EY
Master EY
 
Messaggi: 4832
Iscritto il: 5 nov 2006, 0:09

0
voti

[18] Re: Esercizio Diodi

Messaggioda Foto UtenteElettroNewbie » 4 gen 2020, 19:17

ciao posta10100 e grazie per l'attenzione :-)
No non riesco a capire..... :oops:
perché non dovrei considerare V1 ed i diodi??
Poi mi è venuto un dubbio sulla situazione postata poco fa e cioè sul valore di V(gamma) che impone il valore di Vout.
Avatar utente
Foto UtenteElettroNewbie
15 3
New entry
New entry
 
Messaggi: 75
Iscritto il: 11 gen 2018, 14:30

0
voti

[19] Re: Esercizio Diodi

Messaggioda Foto UtenteElettroNewbie » 4 gen 2020, 19:20

Ah, si scusami... ho capito, ti riferisci forse alla situazione dei due diodi spenti??
Ma le altre situazioni che ho descritto sono giuste?
Avatar utente
Foto UtenteElettroNewbie
15 3
New entry
New entry
 
Messaggi: 75
Iscritto il: 11 gen 2018, 14:30

0
voti

[20] Re: Esercizio Diodi

Messaggioda Foto UtenteElettroNewbie » 4 gen 2020, 20:27


Scusate il disturbo ragazzi, ma non ne vengo a capo...
Tipo qui la Vout non si fissa al valore di 2V(gamma)?? :cry:
Avatar utente
Foto UtenteElettroNewbie
15 3
New entry
New entry
 
Messaggi: 75
Iscritto il: 11 gen 2018, 14:30

PrecedenteProssimo

Torna a Elettronica generale

Chi c’è in linea

Visitano il forum: Majestic-12 [Bot] e 188 ospiti