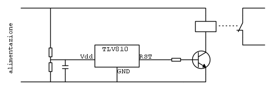
Rilancio con un circuito molto semplice e molto robusto (è proprio questo il suo lavoro!):
C'è solo una cosa alla quale bisogna fare attenzione: quando l'NPN entra in conduzione, non deve avere una corrente di base tale da far scendere la Vdd del TLV810 sotto al suo threshold. Questo significa dimensionare il partitore resisitivo in ingresso di conseguenza.
Lo scopo di quel partitore e condensatore è
a) convertire i 12 V alla tensione necessaria in ingresso al TLV810
b) creare un ritardo in modo che il driver LED sia attivo pronto a ricevere l'impulso
Ovviamente, se preferisci, puoi metterci un MOSFET al posto del transistor bipolare.
Ciao Boiler
Generazione di un impulso ritardato
Moderatori:
carloc,
g.schgor,
BrunoValente,
IsidoroKZ
15 messaggi
• Pagina 2 di 2 • 1, 2
1
voti
Penso che il problema sia lo stesso sollevato da
BrunoValente in [8].
Il circuito consuma molto poco e se il blackout dura molto poco i led potrebbero essere già spenti mentre l'alimentatore con il quale alimenti il circuito di controllo potrebbe non essersene nemmeno reso conto.
Si potrebbe usare l'uscita del driver per alimentare il circuito, però poi quando va a parzializzare (immagino usando un PWM) la luminosità dei led farebbe un bel pasticcio.
Magari si può pensare di mettere un bel filtro per spianare il segnale, però bisogna vedere se il driver ammette luminosità molto basse facendo scendere troppo la tensione media in uscita.

Il circuito consuma molto poco e se il blackout dura molto poco i led potrebbero essere già spenti mentre l'alimentatore con il quale alimenti il circuito di controllo potrebbe non essersene nemmeno reso conto.
Si potrebbe usare l'uscita del driver per alimentare il circuito, però poi quando va a parzializzare (immagino usando un PWM) la luminosità dei led farebbe un bel pasticcio.
Magari si può pensare di mettere un bel filtro per spianare il segnale, però bisogna vedere se il driver ammette luminosità molto basse facendo scendere troppo la tensione media in uscita.

http://millefori.altervista.org
Tool gratuito per chi sviluppa su millefori.
Tutti sanno che una cosa è impossibile da realizzare, finché arriva uno sprovveduto che non lo sa e la inventa. (A. Einstein)
Se non c'e` un 555 non e` un buon progetto (IsidoroKZ)
Strumento per formule
Tool gratuito per chi sviluppa su millefori.
Tutti sanno che una cosa è impossibile da realizzare, finché arriva uno sprovveduto che non lo sa e la inventa. (A. Einstein)
Se non c'e` un 555 non e` un buon progetto (IsidoroKZ)
Strumento per formule
-

posta10100
5.550 4 10 13 - Master EY

- Messaggi: 4832
- Iscritto il: 5 nov 2006, 0:09
0
voti
posta10100 ha scritto:Si potrebbe usare l'uscita del driver per alimentare il circuito..
..era venuto in mente anche a me, purtroppo la luminosità minima è piuttosto bassa, penso attorno al 10%, la tensione nominale della strip è 12VDC.
Vi ringrazio davvero tutti, non ho mai visto un forum così attivo e con tutti interventi competenti.. ad averlo scoperto prima
1
voti
Se i led sono alimentati con una tensione PWM, raddrizzandola si potrebbe ricavare una tensione continua di ampiezza indipendente dalla larghezza dell'impulso e con quella alimentare il circuito in questione.
-

BrunoValente
39,6k 7 11 13 - G.Master EY

- Messaggi: 7796
- Iscritto il: 8 mag 2007, 14:48
0
voti
ho capito: immagino perché viene modulato il duty cycle mantenendo fisso il valore di tensione degli impulsi
Pensandoci meglio però ci sarebbero altri problemi: quando si accende la strip led, se col driver alimento anche il circuitino, corrisponderebbe all'evento di ripristino tensione, verrebbe quindi generato un impulso che spegnerebbe la strip led
Pensandoci meglio però ci sarebbero altri problemi: quando si accende la strip led, se col driver alimento anche il circuitino, corrisponderebbe all'evento di ripristino tensione, verrebbe quindi generato un impulso che spegnerebbe la strip led
15 messaggi
• Pagina 2 di 2 • 1, 2
Chi c’è in linea
Visitano il forum: Nessuno e 229 ospiti

Elettrotecnica e non solo (admin)
Un gatto tra gli elettroni (IsidoroKZ)
Esperienza e simulazioni (g.schgor)
Moleskine di un idraulico (RenzoDF)
Il Blog di ElectroYou (webmaster)
Idee microcontrollate (TardoFreak)
PICcoli grandi PICMicro (Paolino)
Il blog elettrico di carloc (carloc)
DirtEYblooog (dirtydeeds)
Di tutto... un po' (jordan20)
AK47 (lillo)
Esperienze elettroniche (marco438)
Telecomunicazioni musicali (clavicordo)
Automazione ed Elettronica (gustavo)
Direttive per la sicurezza (ErnestoCappelletti)
EYnfo dall'Alaska (mir)
Apriamo il quadro! (attilio)
H7-25 (asdf)
Passione Elettrica (massimob)
Elettroni a spasso (guidob)
Bloguerra (guerra)


