Elfo, vedo che sei molto competente che lavoro fai?
ormai è diventata una questione di principio replico tutto che con l'oscilloscopio a memoria cerco di fotografare il delinquente, perché sono veramente curioso.
Appena ho i dati li posto,
NE555 Inneschi da disturbi
Moderatori:
carloc,
g.schgor,
BrunoValente,
IsidoroKZ
31 messaggi
• Pagina 3 di 4 • 1, 2, 3, 4
0
voti
Oggi replicato il circuito e tutto funziona alla perfezione!
O
In settimana come ho tempo lo cablo per bene e lo sostituisco con l'altro, perché vorrei venirne a capo,
ma non è la prima volta che strane anomalie mi hanno costretto a rifare i circuiti invece di trovarle, richiede molto meno tempo.
OIn settimana come ho tempo lo cablo per bene e lo sostituisco con l'altro, perché vorrei venirne a capo,
ma non è la prima volta che strane anomalie mi hanno costretto a rifare i circuiti invece di trovarle, richiede molto meno tempo.
-

TheRedBaron
25 5 - New entry

- Messaggi: 72
- Iscritto il: 26 dic 2013, 0:30
0
voti
TheRedBaron ha scritto:...ma non è la prima volta che strane anomalie mi hanno costretto a rifare i circuiti invece di trovarle...
Mi sembra un deja vue, successo anche a me!
Se quello che funziona basta non lo tocca' sennò te lassa!
1
voti
Oggi cablato il circuito dalla basetta sperimentale
e si è ripresentato il problema!
e non c'è schermatura che regga,
solo condensatore da 220nF alla base del Tr o da 4,7uF sul piedino 2 Trigger
perché sulla basetta sperimentale non si manifesta il problema???
e si è ripresentato il problema!
e non c'è schermatura che regga,
solo condensatore da 220nF alla base del Tr o da 4,7uF sul piedino 2 Trigger
perché sulla basetta sperimentale non si manifesta il problema???
-

TheRedBaron
25 5 - New entry

- Messaggi: 72
- Iscritto il: 26 dic 2013, 0:30
1
voti
La Fig. 1a e' dove 'un ci sono problemi
La Fig. 1b e' dove ci sono problemi
Differenze?
Il cablaggio della Fig.1a e' (molto) piu' "compatto"
Quello della Fig. 1b fa "sch.fo"
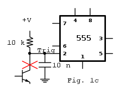
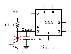
Guarda lo schema di Fig.1 c.
Collega la resistenza 10 k condensatore 10 n vicinissimi al pin 2 (trigger) e scollega il transistor.
Cosa succede?
Rifai anche il cablaggio collegando "direttamente" ai pedini del 555 i relativi componenti.
La Fig. 1b e' dove ci sono problemi
Differenze?
Il cablaggio della Fig.1a e' (molto) piu' "compatto"
Quello della Fig. 1b fa "sch.fo"
Guarda lo schema di Fig.1 c.
Collega la resistenza 10 k condensatore 10 n vicinissimi al pin 2 (trigger) e scollega il transistor.
Cosa succede?
Rifai anche il cablaggio collegando "direttamente" ai pedini del 555 i relativi componenti.
3
voti
Mi permetto di suggerirti:
Analog Dialogue del gennaio 2017 - Practical Tips to Make Your Electronics Projects Easier
https://www.analog.com/en/analog-dialog ... -2017.html
Breadboarding and Prototyping Circuits
https://www.analog.com/en/analog-dialog ... -2016.html
High Speed Amplifier Techniques
https://www.analog.com/media/en/technic ... an47fa.pdf
Breadboarding and Prototyping Techniques
https://www.analog.com/media/en/trainin ... MT-100.pdf
Analog Dialogue del gennaio 2017 - Practical Tips to Make Your Electronics Projects Easier
https://www.analog.com/en/analog-dialog ... -2017.html
Breadboarding and Prototyping Circuits
https://www.analog.com/en/analog-dialog ... -2016.html
High Speed Amplifier Techniques
https://www.analog.com/media/en/technic ... an47fa.pdf
Breadboarding and Prototyping Techniques
https://www.analog.com/media/en/trainin ... MT-100.pdf
0
voti
Ecco immortalato il disturbo innescato dal relè ad alcuni metri di distanza via etere
circa 5 volt molto veloce a volte supera gli 8V
come ho tempo approfondisco la questione
circa 5 volt molto veloce a volte supera gli 8V
come ho tempo approfondisco la questione
-

TheRedBaron
25 5 - New entry

- Messaggi: 72
- Iscritto il: 26 dic 2013, 0:30
0
voti
Sammuele ha scritto:magari un piccolo condensatore sulla base del transistore e massa.
Dopo aver osservato il transitorio all'oscilloscopio digitale la Tua è la soluzione migliore
con 220 nF si risolve il problema,
ma come ho tempo voglio indagare meglio come entra il disturbo.
-

TheRedBaron
25 5 - New entry

- Messaggi: 72
- Iscritto il: 26 dic 2013, 0:30
1
voti
Sembra che sono venuto a capo della matassa
il problema partiva dal fatto che il cavetto schermato che collegava la base del TR con la Resistenza di polarizzazione positiva essendo schermato ( non avevo collegato la schermatura a massa!!!)
Collegata a massa solo da una parte anche senza condensatore tra base ed emettitore non si innesca e va tutto bene!
il problema partiva dal fatto che il cavetto schermato che collegava la base del TR con la Resistenza di polarizzazione positiva essendo schermato ( non avevo collegato la schermatura a massa!!!)
Collegata a massa solo da una parte anche senza condensatore tra base ed emettitore non si innesca e va tutto bene!

-

TheRedBaron
25 5 - New entry

- Messaggi: 72
- Iscritto il: 26 dic 2013, 0:30
31 messaggi
• Pagina 3 di 4 • 1, 2, 3, 4
Chi c’è in linea
Visitano il forum: Google [Bot] e 79 ospiti

Elettrotecnica e non solo (admin)
Un gatto tra gli elettroni (IsidoroKZ)
Esperienza e simulazioni (g.schgor)
Moleskine di un idraulico (RenzoDF)
Il Blog di ElectroYou (webmaster)
Idee microcontrollate (TardoFreak)
PICcoli grandi PICMicro (Paolino)
Il blog elettrico di carloc (carloc)
DirtEYblooog (dirtydeeds)
Di tutto... un po' (jordan20)
AK47 (lillo)
Esperienze elettroniche (marco438)
Telecomunicazioni musicali (clavicordo)
Automazione ed Elettronica (gustavo)
Direttive per la sicurezza (ErnestoCappelletti)
EYnfo dall'Alaska (mir)
Apriamo il quadro! (attilio)
H7-25 (asdf)
Passione Elettrica (massimob)
Elettroni a spasso (guidob)
Bloguerra (guerra)




