

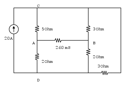
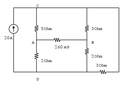
poiché ho un parallelo, avrò la stessa tensione v ai capi di ogni resistenza, cioè v=13.60V.
e così sugli altri rami.
Poiché conosco
posso calcolare , tornando al circuito iniziale,
e tutte le altre tensioni presenti
Moderatori:
g.schgor,
IsidoroKZ


posso calcolare , tornando al circuito iniziale,
e tutte le altre tensioni presenti
IlGuru ha scritto:Molto meglio!
Ora hai Vcd e due partitori di tensione, con cui calcolare Vad, Vbd e per differenza Vab che è la tensione di Thèvenin ( e che non basta ancora per calcolare la potenza richiesta dall'esercizio perché va calcolata anche la resistenza serie di Thèvenin )

Torna a Elettrotecnica generale
Visitano il forum: Nessuno e 28 ospiti