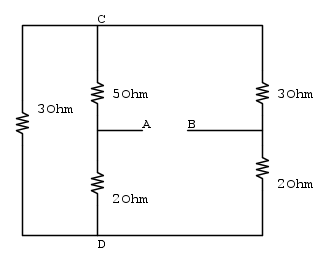
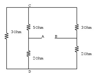
Ok non rimane che calcolare la resistenza di thevenin vista tra A e B sostituendo il generatore di corrente con un circuito aperto
Esercizi su Thevenin
Moderatori:
g.schgor,
IsidoroKZ
37 messaggi
• Pagina 3 di 4 • 1, 2, 3, 4
2
voti
Oltre a usare la trasformazione triangolo-stella per trovare l'impedenza vista fra A e B, puoi cercare la corrente di cortocircuito fra A e B, e il rapporto tensione a vuoto diviso la corrente di cortocircuito da` la impedenza equivalente di Thevenin (e di Norton, che e` la stessa). 
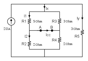
Se metti un corto fra A e B, il circuito diventa
La corrente Ix la si trova con il partitore di corrente fra Ix e Iy, se non ho sbagliato i conti Ix=12.308A. A questo punto ci si calcola I1, con un partitore di corrente e viene I1=4.615A, mentre la corrente I2 e` meta` di Ix, visto che le due resistenze di sotto sono uguali.
La corrente di cortocircuito vale quindi Icc=4.615A-6.154A=-1.539A e con la tensione che hai trovato prima si ha una resistenza di Thevenin 2.2Ω
Errata Corrige: I valori corretti sono Ix=10.213A, I1=3.83A, I2=5.106A e quindi I=-1.277A e quindi la resistenza equivalente vale Req=2.648Ω
Ho fatto casino perche' ho usato una calcolatrice su cui non so usare le memorie
, e ho tenuto in mente i risultati dimenticando di sommare 1Ω al parallelo di R1 ed R3
.

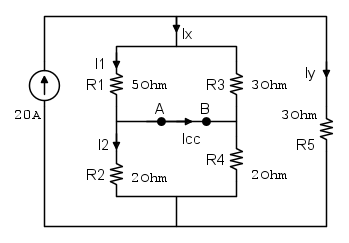
Se metti un corto fra A e B, il circuito diventa
La corrente Ix la si trova con il partitore di corrente fra Ix e Iy, se non ho sbagliato i conti Ix=12.308A. A questo punto ci si calcola I1, con un partitore di corrente e viene I1=4.615A, mentre la corrente I2 e` meta` di Ix, visto che le due resistenze di sotto sono uguali.
La corrente di cortocircuito vale quindi Icc=4.615A-6.154A=-1.539A e con la tensione che hai trovato prima si ha una resistenza di Thevenin 2.2Ω
Errata Corrige: I valori corretti sono Ix=10.213A, I1=3.83A, I2=5.106A e quindi I=-1.277A e quindi la resistenza equivalente vale Req=2.648Ω
Ho fatto casino perche' ho usato una calcolatrice su cui non so usare le memorie
Per usare proficuamente un simulatore, bisogna sapere molta più elettronica di lui
Plug it in - it works better!
Il 555 sta all'elettronica come Arduino all'informatica! (entrambi loro malgrado)
Se volete risposte rispondete a tutte le mie domande
Plug it in - it works better!
Il 555 sta all'elettronica come Arduino all'informatica! (entrambi loro malgrado)
Se volete risposte rispondete a tutte le mie domande
0
voti
Provando la risoluzione prima con la trasformazione triangolo-stella dei resistori collegati ad A, poi con serie/parallelo di ciò che ho ottenuto, mi viene come risultato 2.2Ohm.
La soluzione indicata dal professore è invece 2.65Ohm..
La soluzione indicata dal professore è invece 2.65Ohm..
0
voti
Per le difficoltà che ho nell'elettrotecnica difficilmente riuscirei ad arrivare ad una soluzione simile (ma ringrazio comunque per queste informazioni di Isidoro). Se volessi ragionare sul circuito che mi hai proposto, quindi semplicemente spegnendo il generatore, posso fare la trasformazione triangolo-stella o sarebbe una perdita di tempo?
Ultima modifica di
IlGuru il 28 gen 2020, 17:44, modificato 1 volta in totale.
Motivazione: Non citare per intero tutto il messaggio
Motivazione: Non citare per intero tutto il messaggio
1
voti
Viene anche con la trasformazione triangolo stella.
Calcola le tre resistenze Ra Rc ed Rd ( Si fa a mente )
Calcola le tre resistenze Ra Rc ed Rd ( Si fa a mente )

1
voti
Ra=1 Ohm
Rc=1.5 Ohm
Rd=0.6 Ohm
Poi applico le riduzioni in serie e in parallelo e ottengo effettivamente 2.64 Ohm
Rc=1.5 Ohm
Rd=0.6 Ohm
Poi applico le riduzioni in serie e in parallelo e ottengo effettivamente 2.64 Ohm
0
voti
Non avendo ancora studiato le trasformazioni stella triangolo, ho provato anch' io il metodo del post [22], che mi risulta abbastanza intuitivo.
Anche a me, ma a
IsidoroKZ viene:
Quindi viste le mie solite basi matematiche nonchè elettrotecniche mi vengono dei grossi dubbi
, eppure mi pare aver fatto tutto giusto,
IsidoroKZ hai fatto i conti di fretta o noi ci siamo persi qualcosa?
IlGuru ha scritto:Con il metodo proposto da Isidoro a me viene:
Anche a me, ma a
IsidoroKZ ha scritto:se non ho sbagliato i conti Ix=12.308A.
Quindi viste le mie solite basi matematiche nonchè elettrotecniche mi vengono dei grossi dubbi
, eppure mi pare aver fatto tutto giusto,
37 messaggi
• Pagina 3 di 4 • 1, 2, 3, 4
Torna a Elettrotecnica generale
Chi c’è in linea
Visitano il forum: Nessuno e 132 ospiti

Elettrotecnica e non solo (admin)
Un gatto tra gli elettroni (IsidoroKZ)
Esperienza e simulazioni (g.schgor)
Moleskine di un idraulico (RenzoDF)
Il Blog di ElectroYou (webmaster)
Idee microcontrollate (TardoFreak)
PICcoli grandi PICMicro (Paolino)
Il blog elettrico di carloc (carloc)
DirtEYblooog (dirtydeeds)
Di tutto... un po' (jordan20)
AK47 (lillo)
Esperienze elettroniche (marco438)
Telecomunicazioni musicali (clavicordo)
Automazione ed Elettronica (gustavo)
Direttive per la sicurezza (ErnestoCappelletti)
EYnfo dall'Alaska (mir)
Apriamo il quadro! (attilio)
H7-25 (asdf)
Passione Elettrica (massimob)
Elettroni a spasso (guidob)
Bloguerra (guerra)














