IlGuru ha scritto:Visto che su 20 e 3 non si può opinare, a voi quanto viene Rx, ovvero il parallelo tra 5 e 3 ohm in serie al parallelo tra 2 e 2 ohm?

Moderatori:
g.schgor,
IsidoroKZ
IlGuru ha scritto:Visto che su 20 e 3 non si può opinare, a voi quanto viene Rx, ovvero il parallelo tra 5 e 3 ohm in serie al parallelo tra 2 e 2 ohm?


lucaking ha scritto:
Anche a me, ma aIsidoroKZ viene:
IsidoroKZ ha scritto:se non ho sbagliato i conti Ix=12.308A.
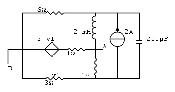
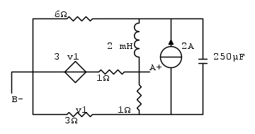
IlGuru ha scritto:Nuovo esercizio nuovo post

Torna a Elettrotecnica generale
Visitano il forum: Nessuno e 38 ospiti