Questa è una semplificazione ma confido possa aiutare a dare un senso a quanto al momento risulta, forse, astratto.
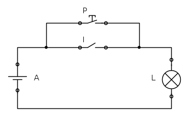
Nel seguente schema è riportato un cablaggio:
In quanto tale è qualcosa di rigido, non può essere modificato(*) e quel che si può fare dovrebbe essere chiaro, comunque concordiamolo.
Se premo il pulsante P accendo la lampada L che si spegne quando lo rilascio, se commuto da aperto a chiuso l'interruttore I accendo la lampada L che si spegne solo se commuto di nuovo l'interruttore I da chiuso ad aperto.
Se l'interruttore I è chiuso è evidente che premendo e rilasciando il pulsante P non cambia nulla, la lampada L rimane sempre accesa.
Se si tiene il pulsante P premuto(cioè chiuso) è evidente che agire sull'interruttore I non cambia la condizione della lampada L che rimane sempre accesa.
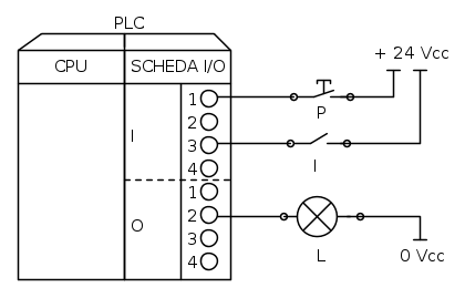
Ora dotiamoci di un PLC, lo rappresentiamo come di seguito:
E' raffigurato con due schede elettroniche: una CPU, cioè quella destinata a contenere il programma, e una
scheda di Input/Output(I/O), alla quale si possono collegare i componenti dello schema soprastante.
La CPU "sa" che dispone di una scheda di (I/O), scheda che però può sfruttare solo se la stessa CPU viene programmata.
I primi quattro pallini(morsetti) della scheda di I/O, numerati da 1 a 4, sono degli Input(ingressi), i successivi quattro pallini(morsetti), numerati da 1 a 4 sono degli Output(uscite).
Quindi, P ed I li colleghiamo ognuno ad un ingresso della scheda, rispettivamente ai morsetti 1 e 3, mentre L la colleghiamo al morsetto di uscita 2.
Si deve capire, accettare il fatto, che i tre componenti P, I ed L, collegati al PLC, sono appunto solo collegati ai morsetti del PLC, fisicamente tra loro non c'è nessuna connessione fisica, come invece accade nello schema.
In assenza di un programma, se si preme P, la tensione di 24 Vcc arriva sul morsetto 1 ma non succede nulla; stessa cosa vale se si agisce su I; per accendere la lampada L, collegata da un lato al polo negativo, il morsetto 2(di output) deve trovarsi a un livello di tensione positiva ma in assenza di un programma quel morsetto risulta inerte.
Per esempio, per interpretare, per "vedere", se al morsetto d'ingresso 1 c'è tensione ovvero se P è premuto, nella CPU ci deve essere un pezzetto di programma, una istruzione software, che appunto le consente di verificare il livello di tensione, cioè lo stato di quell'ingresso; per accendere la lampada, nella CPU ci deve essere un pezzetto di programma, una istruzione software che, appunto, "dice" alla scheda di I/O di portare quel morsetto a un livello di tensione positiva, cioè 24 Vcc (24 Vcc è il valore di tensione che normalmente viene utilizzata).
Immaginiamo ora di scrivere il nostro programma(il linguaggio software al momento non è rilevante per comprendere) e di trasferirlo nella nostra CPU.
Diciamo che il programma segue questa logica:
- INIZIO PROGRAMMA -
istruzione 1 = verifica lo stato dell'ingresso 1(cioè controlla se P è premuto)
istruzione 2 = se l'ingresso 1 è attivo(c'è tensione) accendo L
istruzione 3 = verifica lo stato dell'ingresso 3(cioè controlla se è I è commutato da aperto a chiuso)
istruzione 4 = se l'ingresso 3 è attivo(c'è tensione) accendo L
- FINE PROGRAMMA -
Il programma, così scritto, lo trasferiamo(lo carichiamo) nella CPU e diciamo alla stessa di mandarlo in esecuzione.
La CPU esegue l'istruzione 1, terminata la quale esegue l'istruzione 2, poi l'istruzione 3 ed infine l'istruzione 4, terminata la quale torna a ripetere l'istruzione 1, e così via, in modo ciclico.
L'istruzione 1 implica il fatto che se P viene rilasciato(non è più premuto) L viene spenta, stessa cosa vale per l'istruzione 3 ovvero se l'interruttore commuta da chiuso ad aperto.
In pratica è come se con il programma avessimo riprodotto il funzionamento garantito dallo schema iniziale.
Però adesso, avendo un PLC, possiamo modificare il comportamento a nostro piacimento intervenendo solo sul programma, senza toccare i collegamenti.
Il nuovo programma può rispondere a questa logica:
- INIZIO PROGRAMMA -
istruzione 1 = verifica lo stato dell'ingresso 1(cioè controlla se P è premuto)
istruzione 2 = se l'ingresso 1 è attivo(c'è tensione) accendo L
- FINE PROGRAMMA -
Adesso sono solo due istruzioni e questo significa che una variazione di stato dell'interruttore I non ha nessuna conseguenza sullo stato della lampada: praticamente vengono ignorate le eventuali variazioni che possono verificarsi sull'ingresso 3, come se l'interruttore I nemmeno esistesse.
In tal caso siamo intervenuti riducendo il programma iniziale, da quattro a due istruzioni, ma nulla, in alternativa, ci vieta di renderlo invece più "complicato": per esempio possiamo decidere che, se viene premuto P, L non deve essere accesa subito ma solo dopo che è trascorso un determinato perdiodo, per esempio 5 secondi; decidendo in tal modo andiamo ad utilizzare nel nostro programma una temporizzazione, cioè un timer.
Se vuoi puoi anche provare a "scrivere" il programma in "chiaro", come ho fatto io, introducendo come modifica del programma la temporizzazione.
Pensaci pure, scrivilo in un post, senza il timore di fare errori, lo verifichiamo insieme.
Ecco @xXMarcoXx, auspico si sia capito qualcosa, diversamente chiedi senza farti problemi.
Saluti
p.s.
(+) chiaramente, se non intervenendo manualmente e fisicamente per alterare lo stato del cablaggio e di conseguenza la logica di funzionamento.
Studio PLC
Moderatori:
g.schgor,
IsidoroKZ
2
voti
[12] Re: Studio PLC
Dimmi se capisci questo:
https://www.youtube.com/watch?v=Wp3Eax1va7w&list=UU-_u_IGjodbdBMaQk3Jw-EQ&index=20
https://www.youtube.com/watch?v=Wp3Eax1va7w&list=UU-_u_IGjodbdBMaQk3Jw-EQ&index=20
1
voti
[13] Re: Studio PLC
Questa è una esemplificazione ed una semplificazione (...) (...)Se vuoi puoi anche provare a "scrivere" il programma in "chiaro", come ho fatto io, introducendo come modifica del programma la temporizzazione.
Pensaci pure, scrivilo in un post, senza il timore di fare errori, lo verifichiamo insieme.(...)
Grazie per la delucidazione in merito all'esercizio proposto. Adesso ho capito concettualmente il funzionamento di questo cricuito.
Di seguito le istruzioni per risolvere l'esercizio @WALTERmwp
-INIZIO PROGRAMMA-
Istruzione 1 = Verifica stato Ingresso 1
Istruzione 2 = Se l'ingresso 1 è attivo AVVIO TIMER (5 secondi)
Istruzione 3 = Verifica stato Ingresso 1 dopo countdown Timer
Istruzione 4 = Se l'ingresso 1 è ancora attivo accendo L
-FINE PROGRAMMA-
Dimmi se capis c questo:
Si, questa videolezione l'ho capita.
2
voti
[14] Re: Studio PLC
Bene. Allora puoi capire anche questo
A pqg.2 c'è lesempio del comando avviamento/arresto di un motore: ti è chiaro?
Ancora più chiaro sarebbe poterlo vederlo funzionare,
il che è possibile con un simulatore
Se t'interessa e vuoi proseguire ti chiedo di scaricsre qursto programma.
Poi ci risentiamo
A pqg.2 c'è lesempio del comando avviamento/arresto di un motore: ti è chiaro?
Ancora più chiaro sarebbe poterlo vederlo funzionare,
il che è possibile con un simulatore
Se t'interessa e vuoi proseguire ti chiedo di scaricsre qursto programma.
Poi ci risentiamo
1
voti
[15] Re: Studio PLC
si, va bene.xXMarcoXx ha scritto:(...) Di seguito le istruzioni per risolvere l'esercizio (...)
Ancora, come variante, puoi decidere sia sufficiente un impulso(dato con il pulsante P) per attivare la temporizzazione, allo scadere della quale viene(attivata l'uscita) accesa la lampada L indipendentemente dal fatto che P sia o non sia ancora premuto: i limiti poi si spostano nella tua fantasia.
Quel che ho scritto in #11 non è molto formale, ma l'importante era dare la possibilità di farsi un'idea di cosa sia e della flessibilità offerta da un PLC.
Con l'abbondanza del materiale indicatoti da @g.schgor credo tu(ma anche altri) possa acquisire più certezze.
Saluti
W - U.H.F.
-

WALTERmwp
30,2k 4 8 13 - G.Master EY

- Messaggi: 8990
- Iscritto il: 17 lug 2010, 18:42
- Località: le 4 del mattino
0
voti
[16] Re: Studio PLC
si va bene(...) (...)Ancora come variante(...)
Grazie mille dell'aiuto, penso di aver capito concettualmente come potrebbe funzionare un PLC in seguito alla spiegazione della scheda I/O. Una domanda, traslando il funzionamento di essa riportato nel tuo esempio nel PLC utilizzato nella nostra azienda un Siemens S7( grazie alla lezione di g.schgor, ho capito il significato di questa sigla) 417-4 sono connessi dei Profibus. La domanda è, questi profibus sono posizionati nella sezione Input? E in Output cosa viene collegato? Il computer dove vi è installato il software HMI?
pqg.2 c'è lesempio del comando avviamento/arresto di un motore: ti è chiaro?
Grazie della risposta e per le dispense postate, le studierò e provvederò a scaricare il simulatore. Purtroppo questa parte relativa al comando di un motore non credo di averla compresa.
1
voti
[18] Re: Studio PLC
prego, figurati.xXMarcoXx ha scritto:(...) Grazie mille dell'aiuto, penso di aver capito concettualmente come potrebbe funzionare un PLC in seguito alla spiegazione della scheda I/O (...)
La domanda non è chiara ma provo ad interpretare.xXMarcoXx ha scritto:(...) La domanda è, questi profibus sono posizionati nella sezione Input? E in Output cosa viene collegato? Il computer dove vi è installato il software HMI? (...)
la 417-4 è una CPU Siemens dotata di porte di comunicazione, compresa quella del Profibus DP.
Questa porta è necessaria per trasmettere e ricevere dati verso e da altri dispositivi che condividono(cioè sono collegati su) una rete Profibus.
Un porta di comunicazione Profibus, ivi compresa quella della CPU, si fa carico di gestire la ricezione e la trasmissione dei dati facendoli "viaggiare" sul cavo profibus(presumo cia sia quello viola, prova a sbirciare ...).
Nel caso una zona d'impianto, dalla quale è necessario rilevare stati di segnali e/o inviare comandi, risulti tanto distante da renedere particolarmente svantaggiosa la stesura di cavi verso le schede di I/O presenti sul rack della CPU(nel post #11 il disegno della CPU e scheda I/O può essere visto come un rack), si ricorre alla installazione di un rack specifico nella zona in causa, rack che risulta essere(e rappresenta) una acquisizione remota per la CPU(dislocata in altro luogo).
Ciò significa mettere la CPU nella condizione di acquisire le informazioni da schede di I/O che non sono "connesse direttamente" alla CPU stessa ma da schede di I/O che sono montate su un altro rack, come in questa rappresentazione:
Quello che la scheda IM fa non è altro che dare le informazioni che la CPU le richiede e questo avviene tramite la rete Profibus alla quale, CPU e IM, sono appunto fisicamente collegate tramite le rispettive porte Profibus.
Ovviamente la CPU sa distinguere l'informazione relativa allo stato d'ingresso del pulsante P rispetto a quella del pulsante P1, questo perché ogni ingresso ed ogni uscita hanno un indirizzo(come fosse un nome) univoco.
Come si vede un Profibus non è "posizionato"; le schede, le porte, il cavo Profibus sono mezzi e supporto per la trasmissione di informazioni che, se sono input si riferiscono agli stati di ingresso della scheda di I/O presente sul rack della IM, altrimenti possono essere output.
Per dare risposte specifiche bisognerebbe conoscere l'architettura del sistema al quale tu fai riferimento ma il principio di base dovrebbe corrispondere a quanto espresso.
Saluti
p.s.
questa domanda è anche un po' più criptica, almeno per me, potresti eventualmente precisare ?xXMarcoXx ha scritto:(...) Il computer dove vi è installato il software HMI? (...)
W - U.H.F.
-

WALTERmwp
30,2k 4 8 13 - G.Master EY

- Messaggi: 8990
- Iscritto il: 17 lug 2010, 18:42
- Località: le 4 del mattino
0
voti
[19] Re: Studio PLC
(...)La domanda non è chiara ma provo ad interpretare.(...)(...)Per dare risposte specifiche bisognerebbe conoscere l'architettura del sistema al quale tu fai riferimento ma il principio di base dovrebbe corrispondere a quanto espresso.(...)
In breve, se non ho capito male in ingresso nel PLC - Rack CPU avremo solo cavi profibus, nel mio caso (cavi color viola) che trasportano i segnali raccolti in altri Rack dislocati nella rete azindale. Io nel PLC principale vedo collegati solo dei cavi profibus(Viola), dovrebbero essere circa 7. Il dubbio è appunto questo, nella scheda I/O della cpu del PLC principale i profibus sono in ingresso giusto? e in uscita invece cosa vi è collegato in teoria? il terminale dove controllo l'impianto, cioè dove posso operare sulle vavolve per esempio, e dove visualizzo lo stato delle valvole attraverso il PC con relativo Software?
Se riesci ad installare il simulatore chiariamo tutto
Si certo g.schgor, tra oggi e domani installerò il simulatore. Leggerò anche gli articoli postati.
0
voti
[20] Re: Studio PLC
Per continuare a prendere come riferimento la tua realtà occorrerebbero informazioni più definite, non è semplice, almeno per me, rispondere in modo preciso sulla base di descrizioni approssimative, comunque ci provo.
I cavi Profibus costituiscono la rete di trasmissione dati, sono il supporto fisico: un cavo(viola) parte da una scheda(di comunicazione), arriva su un'altra scheda dalla quale un altro cavo riparte per raggiungere un'altra scheda ancora, e così via sino all'ultima.
Per ogni scheda viene usato un connettore particolare che consente la realizzazione di questo cablaggio.
Sulla rete, come abbiamo scritto, "viaggiano" le informazioni: c'è chi le chiede(la CPU) e c'è chi in risposta le fornisce(ad esempio la scheda IM che avevamo prima disegnato).
Queste informazioni possono riguardare, per esempio, gli stati dei segnali collegati alla scheda di I/O che si trova sul rack della scheda IM(guardare sempre il disegno, nota che IM è l'acronimo di Interface Module cioè Modulo di Interfaccia).
In ogni caso, se tramite una rappresentazione grafica su un video(di un PC ?) vengono visualizze le informazioni che hai menzionato è probabile che anche questo(PC ?) sia collegato alla rete Profibus(ci sono schede dedicate per PC), oppure potrebbe essere connesso alla CPU tramite un cavo ethernet(rete LAN), oppure altro.
Poi, su questo PC(?), potrebbe esserci installato e configurato un software di supervisione che richiede alla CPU le informazioni che, acquisite in continuazione, vengono opportunamente riprodotte a video.
Almeno, questo è ciò che presumo.
Saluti
evitiamo di connotare i cavi Profibus come qualcosa in "ingresso"(o in "uscita") altrimenti ci si confonde con la natura dei segnali, quelli collegati alle schede di I/O.xXMarcoXx ha scritto:In breve, se non ho capito male in ingresso nel PLC - Rack CPU avremo solo cavi profibus, nel mio caso (cavi color viola) che trasportano i segnali raccolti in altri Rack dislocati nella rete azindale.(...)Il dubbio è appunto questo, nella scheda I/O della cpu del PLC principale i profibus sono in ingresso giusto?
I cavi Profibus costituiscono la rete di trasmissione dati, sono il supporto fisico: un cavo(viola) parte da una scheda(di comunicazione), arriva su un'altra scheda dalla quale un altro cavo riparte per raggiungere un'altra scheda ancora, e così via sino all'ultima.
Per ogni scheda viene usato un connettore particolare che consente la realizzazione di questo cablaggio.
Sulla rete, come abbiamo scritto, "viaggiano" le informazioni: c'è chi le chiede(la CPU) e c'è chi in risposta le fornisce(ad esempio la scheda IM che avevamo prima disegnato).
Queste informazioni possono riguardare, per esempio, gli stati dei segnali collegati alla scheda di I/O che si trova sul rack della scheda IM(guardare sempre il disegno, nota che IM è l'acronimo di Interface Module cioè Modulo di Interfaccia).
il numero dei cavi dipende dal numero e dal tipo di schede.xXMarcoXx ha scritto:(...) Io nel PLC principale vedo collegati solo dei cavi profibus(Viola), dovrebbero essere circa 7. (...)
non si capisce cosa chiedi, dovresti completare la domanda.xXMarcoXx ha scritto:(...) il terminale dove controllo l'impianto, cioè dove posso operare sulle vavolve per esempio, e dove visualizzo lo stato delle valvole attraverso il PC con relativo Software?
In ogni caso, se tramite una rappresentazione grafica su un video(di un PC ?) vengono visualizze le informazioni che hai menzionato è probabile che anche questo(PC ?) sia collegato alla rete Profibus(ci sono schede dedicate per PC), oppure potrebbe essere connesso alla CPU tramite un cavo ethernet(rete LAN), oppure altro.
Poi, su questo PC(?), potrebbe esserci installato e configurato un software di supervisione che richiede alla CPU le informazioni che, acquisite in continuazione, vengono opportunamente riprodotte a video.
Almeno, questo è ciò che presumo.
Saluti
W - U.H.F.
-

WALTERmwp
30,2k 4 8 13 - G.Master EY

- Messaggi: 8990
- Iscritto il: 17 lug 2010, 18:42
- Località: le 4 del mattino
Torna a Elettrotecnica generale
Chi c’è in linea
Visitano il forum: Nessuno e 23 ospiti

Elettrotecnica e non solo (admin)
Un gatto tra gli elettroni (IsidoroKZ)
Esperienza e simulazioni (g.schgor)
Moleskine di un idraulico (RenzoDF)
Il Blog di ElectroYou (webmaster)
Idee microcontrollate (TardoFreak)
PICcoli grandi PICMicro (Paolino)
Il blog elettrico di carloc (carloc)
DirtEYblooog (dirtydeeds)
Di tutto... un po' (jordan20)
AK47 (lillo)
Esperienze elettroniche (marco438)
Telecomunicazioni musicali (clavicordo)
Automazione ed Elettronica (gustavo)
Direttive per la sicurezza (ErnestoCappelletti)
EYnfo dall'Alaska (mir)
Apriamo il quadro! (attilio)
H7-25 (asdf)
Passione Elettrica (massimob)
Elettroni a spasso (guidob)
Bloguerra (guerra)



