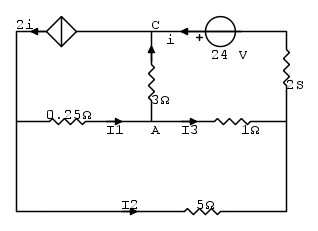
Buongiorno a tutti, mi trovo questo esercizio in cui è richiesto il calcolo delle potenze erogate dai due generatori considerando A e B collegati da un condensatore (regime DC).
Ho ragionato di risolverlo in questo modo
definendo dapprima le correnti sui rami e poi, scrivendo ad esempio I3 ed I2 in funzione di I1 ed i per poi applicare le LKT alle maglie.
Credo di commettere però ancora un errore nel valutare la "posizione" dei due terminali A e B perché non mi quadrano i conti.
Sbaglio qualcosa in questa prima impostazione?
Esercizio con condensatore in DC
Moderatori:
g.schgor,
IsidoroKZ
12 messaggi
• Pagina 1 di 2 • 1, 2
0
voti
0
voti
Volevo risolverlo per hobby, ma questo esercizio è un incubo !. sono decenni che non applico Kirchhoff, e mi costerebbe troppa fatica impegnarmi ora.
Nello schema, il resistore a destra è siglato 2 S, è un errore di stampa o è un tranello/cattiveria per indicare una conduttanza di 2 siemens corrispondente a una resistenza di 0,5 ohm ?
Negli schemi elettrici (professionali), per eliminare ambiguità, nei nodi occorrerebbe mettere un pallino, per distinguerli dagli incroci senza connessioni.

Nello schema, il resistore a destra è siglato 2 S, è un errore di stampa o è un tranello/cattiveria per indicare una conduttanza di 2 siemens corrispondente a una resistenza di 0,5 ohm ?
Negli schemi elettrici (professionali), per eliminare ambiguità, nei nodi occorrerebbe mettere un pallino, per distinguerli dagli incroci senza connessioni.

0
voti
Staccate la resistenza da 5 ohm e trovate un equivalente Norton.
-

PietroBaima
90,7k 7 12 13 - G.Master EY

- Messaggi: 12206
- Iscritto il: 12 ago 2012, 1:20
- Località: Londra
0
voti
MarcoD ha scritto:Volevo risolverlo per hobby, ma questo esercizio è un incubo !. sono decenni che non applico Kirchhoff, e mi costerebbe troppa fatica impegnarmi ora.![]()
![]()
Nello schema, il resistore a destra è siglato 2 S, è un errore di stampa o è un tranello/cattiveria per indicare una conduttanza di 2 siemens corrispondente a una resistenza di 0,5 ohm ?
Negli schemi elettrici (professionali), per eliminare ambiguità, nei nodi occorrerebbe mettere un pallino, per distinguerli dagli incroci senza connessioni.
E' esattamente espressa in Siemens, ma questo è l'ultimo problema.
Riguardo i "pallini" , ho riprodotto l'esercizio così come è stato sottoposto dal docente, ne più, ne meno
0
voti
Ianero ha scritto:Seguiamo un metodo sistematico.
Vuoi risolverlo con il metodo delle maglie o dei nodi?
Seguirei il metodo delle maglie
IlGuru ha scritto:Trasformando in stella la maglia sotto non si semplifica tutto?
Hai 2i nel ramo sinistro, i nel ramo destro e per forza di cose i nel ramo centrale.
Si, esatto sul ramo centrale ho "i".
L'idea di sostituire un triangolo alla stella l'ho provata , ma devo aver sicuramente sbagliato qualcosa
0
voti
g.schgor ha scritto:Appliando Kirchhoff :
Riusciresti per favore a spiegarmi questo metodo con le matrici? La spiegazione che ci è stata data su Kirchhoff non ha mai preso in considerazione il loro utilizzo.
12 messaggi
• Pagina 1 di 2 • 1, 2
Torna a Elettrotecnica generale
Chi c’è in linea
Visitano il forum: Nessuno e 41 ospiti

Elettrotecnica e non solo (admin)
Un gatto tra gli elettroni (IsidoroKZ)
Esperienza e simulazioni (g.schgor)
Moleskine di un idraulico (RenzoDF)
Il Blog di ElectroYou (webmaster)
Idee microcontrollate (TardoFreak)
PICcoli grandi PICMicro (Paolino)
Il blog elettrico di carloc (carloc)
DirtEYblooog (dirtydeeds)
Di tutto... un po' (jordan20)
AK47 (lillo)
Esperienze elettroniche (marco438)
Telecomunicazioni musicali (clavicordo)
Automazione ed Elettronica (gustavo)
Direttive per la sicurezza (ErnestoCappelletti)
EYnfo dall'Alaska (mir)
Apriamo il quadro! (attilio)
H7-25 (asdf)
Passione Elettrica (massimob)
Elettroni a spasso (guidob)
Bloguerra (guerra)








pigreco]=π
