Cos'è ElectroYou | Login Iscriviti

ElectroYou - la comunità dei professionisti del mondo elettrico

Thevenin in AC

Circuiti, campi elettromagnetici e teoria delle linee di trasmissione e distribuzione dell’energia elettrica

Moderatori: Foto Utenteg.schgor, Foto UtenteIsidoroKZ

0
voti

[11] Re: Thevenin in AC

Messaggioda Foto UtenteFabio884 » 4 feb 2020, 11:46

MarcoD ha scritto:Lo schema elettrico è ambiguo, mal disegnato !:
La R da 3 ohm è in parallelo al generatore di corrente
oppure è in serie al morsetto A
?8
Un pallino sull'incrocio e in tutte le diramazioni toglierebbe l'ambiguità !!!

Questo è esattamente il testo dell'esame ( :cry: )
Avatar utente
Foto UtenteFabio884
15 6
Frequentatore
Frequentatore
 
Messaggi: 107
Iscritto il: 11 giu 2019, 17:51

0
voti

[12] Re: Thevenin in AC

Messaggioda Foto UtenteFabio884 » 4 feb 2020, 11:50

IlGuru ha scritto:Se spegni il generatore di corrente e metti un generatore di prova tra A e B, i due rami a sinistra sono in parallelo tra di loro, questo parallelo in serie al ramo di destra ed il tutto in parallelo con la conduttanza da 4S. Il circuito che hai disegnato all'inizio è diverso.

Quindi ho sbagliato ad eliminare i 4S nel secondo schema.
Tirando le somme , sostituisco al generatore di corrente un circuito aperto lasciando ugtualmente quella resistenza da 4S?
Avatar utente
Foto UtenteFabio884
15 6
Frequentatore
Frequentatore
 
Messaggi: 107
Iscritto il: 11 giu 2019, 17:51

1
voti

[13] Re: Thevenin in AC

Messaggioda Foto UtenteIlGuru » 4 feb 2020, 11:53

Puoi anche togliere quella resistenza, ma trovi un altro equivalente thevenin, per l'equivalente thevenin richiesto dall'esercizio poi la resistenza devi rimettercela ;)
\Gamma\nu\tilde{\omega}\theta\i\ \sigma\epsilon\alpha\upsilon\tau\acute{o}\nu
Avatar utente
Foto UtenteIlGuru
5.482 2 10 13
G.Master EY
G.Master EY
 
Messaggi: 1924
Iscritto il: 31 lug 2015, 23:32

1
voti

[14] Re: Thevenin in AC

Messaggioda Foto Utenteadmin » 4 feb 2020, 11:55

In base allo schema del testo, in cui non c'è il pallino di connessione nell'incrocio, è corretto il tuo primo schema.
Avatar utente
Foto Utenteadmin
196,6k 9 12 17
Manager
Manager
 
Messaggi: 11950
Iscritto il: 6 ago 2004, 13:14

2
voti

[15] Re: Thevenin in AC

Messaggioda Foto UtenteMarcoD » 4 feb 2020, 12:00

Anche se non sbagliato, perché mettere il morsetto B all'interno e non allineato con quello A ?
E' uno schema mal disegnato !

E' solo un esercizio, ma provate a sbagliare un pallino in uno schema di un circuito elettronico inviato a una ditta esterna per realizzare il circuito stampato, magari multistrato, che verrà sbagliato. Si perdono soldi e tempo di sviluppo.

O date uno schema elettrico con l'errore, a un operaio che deve cablare i morsetti di un quadro elettrico,
se l'operaio ti è amico, ti telefona, lo raggiungi, ti chiede " Ingegnere, non capisco questa connessione",
varie possibilità; ammetti l'errore lo ringrazi, gli prometti un caffè, vai dal suo capi e fgli dici che è bravo, poi magari il suo capo sei tu...

se non ti è amico esegue alla perfezione l'ordine sbagliato, quando ci saranno problemi, riferirà al suo capo che sentenzierà al tuo che lui ha operato correttamente e la colpa non è sua (è tua !).

Nelle aziende, poi gli schemi devono/dovevano avere tre firme:
chi lo disegna,
chi lo controlla
chi lo approva.

In conclusione mettete i pallini, eliminate le ambiguità
Avatar utente
Foto UtenteMarcoD
12,2k 5 9 13
Master EY
Master EY
 
Messaggi: 6696
Iscritto il: 9 lug 2015, 16:58
Località: Torino

2
voti

[16] Re: Thevenin in AC

Messaggioda Foto UtentePietroBaima » 4 feb 2020, 12:03

MarcoD ha scritto:O date uno schema elettrico con l'errore, a un operaio che deve cablare i morsetti di un quadro elettrico,
se l'operaio ti è amico, ti telefona, lo raggiungi, ti chiede " Ingegnere, non capisco questa connessione",


Operaio europeo.

MarcoD ha scritto: se non ti è amico esegue alla perfezione l'ordine sbagliato, quando ci saranno problemi, riferirà al suo capo che sentenzierà al tuo che lui ha operato correttamente e la colpa non è sua (è tua !).


Operaio cinese.

E’ capitato una volta ad una nota marca di TV giapponesi che abbiano scartato una intera produzione di PCB per una cosa del genere. (Parliamo di cifre intorno al milione di euro)


Il problema è che questa sembra una battuta! :-|
Generatore codice per articoli:
nomi
Sul forum:
[pigreco]=π
[ohm]=Ω
[quadrato]=²
[cubo]=³
Avatar utente
Foto UtentePietroBaima
90,7k 7 12 13
G.Master EY
G.Master EY
 
Messaggi: 12206
Iscritto il: 12 ago 2012, 1:20
Località: Londra

0
voti

[17] Re: Thevenin in AC

Messaggioda Foto UtenteFabio884 » 4 feb 2020, 12:06

Per arrivare a definire la tesione di Thevenin tra A e B sarei spinto ad applicare la LKT sulla maglia contenete i resistori da 3 e 5 Ohm e sulla maglia esterna.
Avatar utente
Foto UtenteFabio884
15 6
Frequentatore
Frequentatore
 
Messaggi: 107
Iscritto il: 11 giu 2019, 17:51

0
voti

[18] Re: Thevenin in AC

Messaggioda Foto UtenteIlGuru » 4 feb 2020, 12:09

Con un generatore e qualche elemento passivo forse fai prima a calcolare il partitore di corrente, trovata la corrente che passa nella resistenza da 4S hai trovato la Vab
\Gamma\nu\tilde{\omega}\theta\i\ \sigma\epsilon\alpha\upsilon\tau\acute{o}\nu
Avatar utente
Foto UtenteIlGuru
5.482 2 10 13
G.Master EY
G.Master EY
 
Messaggi: 1924
Iscritto il: 31 lug 2015, 23:32

0
voti

[19] Re: Thevenin in AC

Messaggioda Foto UtenteFabio884 » 4 feb 2020, 12:54

su carta sono riuscito ad arrivare alla risoluzione con i risultati che corrispondono a quelli indicati.
Stasera appena ho sottomano il notebook vi posto quanto ho fatto per avere anhe un vostro punto di vista su quanto ho fatto
Avatar utente
Foto UtenteFabio884
15 6
Frequentatore
Frequentatore
 
Messaggi: 107
Iscritto il: 11 giu 2019, 17:51

0
voti

[20] Re: Thevenin in AC

Messaggioda Foto UtenteFabio884 » 4 feb 2020, 20:55

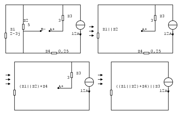
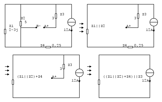
Ecco qua come ho determinato la tensione richiesta.
Determinata la Ztotale sono "risalito" passo passo per determinare v_{AB}=1.62-0.40j con valore efficace pari a 1.67V e fase pari a 15.4°

Avatar utente
Foto UtenteFabio884
15 6
Frequentatore
Frequentatore
 
Messaggi: 107
Iscritto il: 11 giu 2019, 17:51

PrecedenteProssimo

Torna a Elettrotecnica generale

Chi c’è in linea

Visitano il forum: Nessuno e 20 ospiti