Ciao
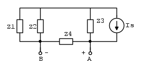
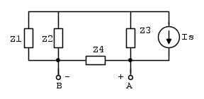
Lo schema riportato nel precedente post presenta ancora l'errore (rispetto a quello del testo) relativo all'incrocio dei terminali
Thevenin in AC
Moderatori:
g.schgor,
IsidoroKZ
25 messaggi
• Pagina 3 di 3 • 1, 2, 3
0
voti
[24] Re: Thevenin in AC
per trattare quel circuito mi ero rifatto al suggerimento dato da
admin in questo post https://www.electroyou.it/forum/viewtopic.php?f=2&t=79872#p836306
0
voti
[25] Re: Thevenin in AC
Effettivamente dipende dalla convenzione adottata nel corso (o dal testo) che stai seguendo. Dal calcolo dell'impedenza dell'equivalente di Thévenin
che inizialmente risultava errata, e in seguito al tuo post dove riportavi il testo dell'esame, si è capito che il risultato corretto prevedeva che l'incrocio di terminali dell'esercizio rappresenta un nodo anche se non indicato esplicitamente.
che inizialmente risultava errata, e in seguito al tuo post dove riportavi il testo dell'esame, si è capito che il risultato corretto prevedeva che l'incrocio di terminali dell'esercizio rappresenta un nodo anche se non indicato esplicitamente.
25 messaggi
• Pagina 3 di 3 • 1, 2, 3
Torna a Elettrotecnica generale
Chi c’è in linea
Visitano il forum: Nessuno e 21 ospiti

Elettrotecnica e non solo (admin)
Un gatto tra gli elettroni (IsidoroKZ)
Esperienza e simulazioni (g.schgor)
Moleskine di un idraulico (RenzoDF)
Il Blog di ElectroYou (webmaster)
Idee microcontrollate (TardoFreak)
PICcoli grandi PICMicro (Paolino)
Il blog elettrico di carloc (carloc)
DirtEYblooog (dirtydeeds)
Di tutto... un po' (jordan20)
AK47 (lillo)
Esperienze elettroniche (marco438)
Telecomunicazioni musicali (clavicordo)
Automazione ed Elettronica (gustavo)
Direttive per la sicurezza (ErnestoCappelletti)
EYnfo dall'Alaska (mir)
Apriamo il quadro! (attilio)
H7-25 (asdf)
Passione Elettrica (massimob)
Elettroni a spasso (guidob)
Bloguerra (guerra)



