Buongiorno,
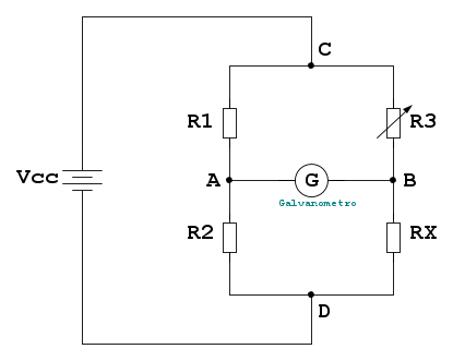
Mi sono imbattuto in un esercizio dove vengono posti alcuni quesiti sull'applicazione dei principi di Kirchhoff applicati al ponte di Wheatstone, con un generatore di tensione sulla diagonale di alimentazione AB, e sulla diagonale CD si effettua la misurazione (resistenza da misurare in serie all'amperometro). Tra i quesiti viene richiesto il numero di equazioni necessarie alla risoluzione della rete. Ma la resistenza da misurare in serie all'amperometro, costituiscono un ramo? Oppure si presuppone che il ponte sia in equilibrio e quindi nella la tensione CD=0 e quindi il ramo può essere ignorato? Ricordo se non erro che equazioni=rami-nodi+1..
Grazie
Esercizio Kirchhoff su ponte di Wheatstone
Moderatori:
g.schgor,
IsidoroKZ
4 messaggi
• Pagina 1 di 1
1
voti
Io lo preferisco così:
⋮ƎlectroYou e ne sai di più!
4 messaggi
• Pagina 1 di 1
Torna a Elettrotecnica generale
Chi c’è in linea
Visitano il forum: Nessuno e 16 ospiti

Elettrotecnica e non solo (admin)
Un gatto tra gli elettroni (IsidoroKZ)
Esperienza e simulazioni (g.schgor)
Moleskine di un idraulico (RenzoDF)
Il Blog di ElectroYou (webmaster)
Idee microcontrollate (TardoFreak)
PICcoli grandi PICMicro (Paolino)
Il blog elettrico di carloc (carloc)
DirtEYblooog (dirtydeeds)
Di tutto... un po' (jordan20)
AK47 (lillo)
Esperienze elettroniche (marco438)
Telecomunicazioni musicali (clavicordo)
Automazione ed Elettronica (gustavo)
Direttive per la sicurezza (ErnestoCappelletti)
EYnfo dall'Alaska (mir)
Apriamo il quadro! (attilio)
H7-25 (asdf)
Passione Elettrica (massimob)
Elettroni a spasso (guidob)
Bloguerra (guerra)





