Ciao,
come faccio a dimensionare un condensatore in modo che se gli applico una tensione alternata ho in uscita dal condensatore la metà della tensione in ingresso?
Non trovo una spiegazione con delle formule.
Grazie
Condensatore in alternata
Moderatori:
carloc,
g.schgor,
BrunoValente,
IsidoroKZ
4 messaggi
• Pagina 1 di 1
1
voti
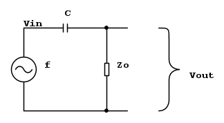
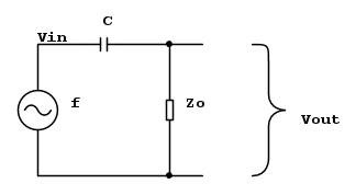
Devi conoscere anche il valore della frequenza f e della impedenza di uscita Zo.
0
voti
Forse perché il condensatore in alternata si comporta come una reattanza?Giuso ha scritto:Ciao,
come faccio a dimensionare un condensatore in modo che se gli applico una tensione alternata ho in uscita dal condensatore la metà della tensione in ingresso?
quindi come tale se applichi una tensione avrai caduta "solo" se hai una corrente.
E quindi avrai una tensione inferiore in uscita "solo" quando a questa uscita ci sarà un carico che assorbe corrente.
saluti.
-

lelerelele
4.899 3 7 9 - Master

- Messaggi: 5505
- Iscritto il: 8 giu 2011, 8:57
- Località: Reggio Emilia
0
voti
Giuso ha scritto:come faccio a dimensionare un condensatore in modo che se gli applico una tensione alternata ho in uscita dal condensatore la metà della tensione in ingresso?
Nel caso in cui tu voglia passare dalla tensione di rete europea a quella americana non puoi fare così, devi utilizzare un autotrasformatore.
-

PietroBaima
90,7k 7 12 13 - G.Master EY

- Messaggi: 12206
- Iscritto il: 12 ago 2012, 1:20
- Località: Londra
4 messaggi
• Pagina 1 di 1
Chi c’è in linea
Visitano il forum: Nessuno e 213 ospiti

Elettrotecnica e non solo (admin)
Un gatto tra gli elettroni (IsidoroKZ)
Esperienza e simulazioni (g.schgor)
Moleskine di un idraulico (RenzoDF)
Il Blog di ElectroYou (webmaster)
Idee microcontrollate (TardoFreak)
PICcoli grandi PICMicro (Paolino)
Il blog elettrico di carloc (carloc)
DirtEYblooog (dirtydeeds)
Di tutto... un po' (jordan20)
AK47 (lillo)
Esperienze elettroniche (marco438)
Telecomunicazioni musicali (clavicordo)
Automazione ed Elettronica (gustavo)
Direttive per la sicurezza (ErnestoCappelletti)
EYnfo dall'Alaska (mir)
Apriamo il quadro! (attilio)
H7-25 (asdf)
Passione Elettrica (massimob)
Elettroni a spasso (guidob)
Bloguerra (guerra)



pigreco]=π