Cos'è ElectroYou | Login Iscriviti

ElectroYou - la comunità dei professionisti del mondo elettrico

Studio PLC

Circuiti, campi elettromagnetici e teoria delle linee di trasmissione e distribuzione dell’energia elettrica

Moderatori: Foto Utenteg.schgor, Foto UtenteIsidoroKZ

0
voti

[31] Re: Studio PLC

Messaggioda Foto Utenteg.schgor » 14 feb 2020, 9:25

Bravo :!:
I contatti di Avvio e Arresto corrispondono a pulsanti
(quindi vanno attivati col sinistro del mouse, che agisce solo
momentaneamente, cioè finché è premuto).

Come puoi constatare, se in parallelo all'Avvio non ci fosse
il contatto associato al comando d'uscita, il comando
cesserebbe al rilascio dell'Avvio.
Questo contatto in parallelo, che si chiude quando è attivato il comando,
mantiene attivato l comando stesso finché non si agisce sull'Arresto.
Provare per credere...
Avatar utente
Foto Utenteg.schgor
57,8k 9 12 13
G.Master EY
G.Master EY
 
Messaggi: 16971
Iscritto il: 25 ott 2005, 9:58
Località: MILANO

0
voti

[32] Re: Studio PLC

Messaggioda Foto UtenteWALTERmwp » 14 feb 2020, 12:04

xXMarcoXx ha scritto:(...) Correggimi se sbaglio perché secondo me sto facendo confusione :?
perché sei dubbioso, cosa non ti convince ?

Saluti
W - U.H.F.
Avatar utente
Foto UtenteWALTERmwp
30,2k 4 8 13
G.Master EY
G.Master EY
 
Messaggi: 8990
Iscritto il: 17 lug 2010, 18:42
Località: le 4 del mattino

0
voti

[33] Re: Studio PLC

Messaggioda Foto UtentexXMarcoXx » 15 feb 2020, 15:53

se in parallelo all'Avvio non ci fosse, il contatto associato al comando d'uscita, il comando
cesserebbe al rilascio dell'Avvio.

Ciao g.schgor non ho compreso questo passaggio.

perché sei dubbioso, cosa non ti convince ?

Non riesco a capire effettivamente a cosa serve il pulsante Avviatore_M messo in parallelo al pulsante Avvio_PB. Che funzione ha se tanto abbiamo già il pulsante Avvio_PB che ci permette di inviare il comando di accensione del motore.

In tutto questo, se noi avessimo un PLC, nella scheda I/O avremo i 3 contatti Avvio_PB, Avviatore_M e Arresto_E in ingresso mentre in uscita Avviatore_MO. Corretto?

Saluti.
Avatar utente
Foto UtentexXMarcoXx
20 3
 
Messaggi: 25
Iscritto il: 23 gen 2020, 13:32

0
voti

[34] Re: Studio PLC

Messaggioda Foto Utenteg.schgor » 15 feb 2020, 16:46

Forse non hai letto attentamente il post[31]
Gli ingressi al PLC sono solo i due pulsanti
di Avvio e Arresto.
Il contatto in parallelo a quello di Avvio è associato
al comando in uscita e serve a mantenere attivo
il comando stesso al rilascio dell'Avvio
Avatar utente
Foto Utenteg.schgor
57,8k 9 12 13
G.Master EY
G.Master EY
 
Messaggi: 16971
Iscritto il: 25 ott 2005, 9:58
Località: MILANO

0
voti

[35] Re: Studio PLC

Messaggioda Foto UtenteWALTERmwp » 15 feb 2020, 17:31

xXMarcoXx ha scritto:Ciao g.schgor non ho compreso questo passaggio (...)
forse non comprendi la funzione(è una "autoritenuta") perché quei simoli, ancora, non li associ a quello che effettivamente sono.

xXMarcoXx ha scritto:(...) In tutto questo, se noi avessimo un PLC, nella scheda I/O avremo i 3 contatti Avvio_PB, Avviatore_M e Arresto_E in ingresso mentre in uscita Avviatore_MO. Corretto?
potrebbe essere così ma non lo è.
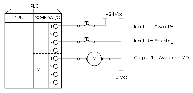
Avvio_PB e Arresto_E sono le descrizioni di due pulsanti fisici collegati ai rispettivi ingressi, Avviatore_M deve essere invece una variabile software associata all'uscita Avviatore_MO.

In seguito proverò con una spiegazione "descrittiva", intanto ti lascio questo disegno che forse può essere d'aiuto, come vedi non è cablato un ingresso "Avviatore_M".
E' semplificato dal punto di vista elettrico(un motore non si collega direttamente all'uscita) ma la rappresentazione degli elementi connessi in ingresso e uscita è coerente:

Saluti

p.s.
- AVVISO -
ho modificato questo post a seguito di quelli riportati da @g.schgor (il [34] e il [38]), peché lo OP ha configurato e usato un terzo ingresso(nel post [30]), quello che è indicato come i2, per svolgere l'autoritenuta.
Non va bene, perché quel contatto di autoritenuta deve essere rappresentato da una flag(una memoria) associata all'uscita o1.
W - U.H.F.
Avatar utente
Foto UtenteWALTERmwp
30,2k 4 8 13
G.Master EY
G.Master EY
 
Messaggi: 8990
Iscritto il: 17 lug 2010, 18:42
Località: le 4 del mattino

0
voti

[36] Re: Studio PLC

Messaggioda Foto Utenteg.schgor » 15 feb 2020, 18:15

Scusa Foto UtenteWALTERmwp il contatto di mantenimento non è un ingresso al PLC
ma un contatto virtuale associato allo stato della corrispondente uscita.
Avatar utente
Foto Utenteg.schgor
57,8k 9 12 13
G.Master EY
G.Master EY
 
Messaggi: 16971
Iscritto il: 25 ott 2005, 9:58
Località: MILANO

0
voti

[37] Re: Studio PLC

Messaggioda Foto UtenteWALTERmwp » 15 feb 2020, 19:37

Foto Utenteg.schgor, nel ladder Avviatore_M è indicato come i2, alla stregua degli altri: i1, i3, o1.
Come se l'autoritenuta la si volesse gestire col feed-back d'un contatto ausiliario.
Io non ho caricato il simulatore, quindi non so se la dicitura i2 può essere solo il campo d'una descrizione invece che l'indirizzo fisico d'un ingresso.
Se vale la tua osservazione modifico il disegno.

Saluti
W - U.H.F.
Avatar utente
Foto UtenteWALTERmwp
30,2k 4 8 13
G.Master EY
G.Master EY
 
Messaggi: 8990
Iscritto il: 17 lug 2010, 18:42
Località: le 4 del mattino

0
voti

[38] Re: Studio PLC

Messaggioda Foto Utenteg.schgor » 15 feb 2020, 19:51

sì, infatti per essere più chiari, il contatto di mantenimento
ha lo stesso nome dell'uscita (nel simulatore viene prelevato dalla lista Outputs)
Avatar utente
Foto Utenteg.schgor
57,8k 9 12 13
G.Master EY
G.Master EY
 
Messaggi: 16971
Iscritto il: 25 ott 2005, 9:58
Località: MILANO

0
voti

[39] Re: Studio PLC

Messaggioda Foto UtenteWALTERmwp » 15 feb 2020, 20:47

xXMarcoXx ha scritto:(...) In tutto questo, se noi avessimo un PLC, nella scheda I/O avremo i 3 contatti Avvio_PB, Avviatore_M e Arresto_E in ingresso mentre in uscita Avviatore_MO. Corretto?
Saluti.
Foto UtentexXMarcoXx, hai configurato effettivamente tre ingressi "fisici", ovvero i1, i2 e i3 ?
Potresti avere equivocato perché quello che Foto Utenteg.schgor ti proponeva di utilizzare non deve essere un ingresso fisico, bensì una memoria del plc.
Meglio chiarire subito.

Saluti
W - U.H.F.
Avatar utente
Foto UtenteWALTERmwp
30,2k 4 8 13
G.Master EY
G.Master EY
 
Messaggi: 8990
Iscritto il: 17 lug 2010, 18:42
Località: le 4 del mattino

1
voti

[40] Re: Studio PLC

Messaggioda Foto Utenteg.schgor » 16 feb 2020, 20:14

Se il circuito continua a non funzionare ti consiglio
di cancellare il contatto in parallelo all'Avvio e sostituirlo.

Ecco la procedura:
-click col mouse sul contatto poi click su DEL
-su Avvio click sull'icona del contatto in parallelo
-appare la lista I/O: scegliere Outputs
-click sull'uscita

Il contatto è così collegato al comando in uscita
e deve mantenerlo anche dopo il rilascio di Avvio.

Puoi provare?
Avatar utente
Foto Utenteg.schgor
57,8k 9 12 13
G.Master EY
G.Master EY
 
Messaggi: 16971
Iscritto il: 25 ott 2005, 9:58
Località: MILANO

PrecedenteProssimo

Torna a Elettrotecnica generale

Chi c’è in linea

Visitano il forum: Nessuno e 22 ospiti