Cos'è ElectroYou | Login Iscriviti

ElectroYou - la comunità dei professionisti del mondo elettrico

555 Base - Help

Elettronica lineare e digitale: didattica ed applicazioni

Moderatori: Foto Utentecarloc, Foto Utenteg.schgor, Foto UtenteBrunoValente, Foto UtenteIsidoroKZ

2
voti

[1] 555 Base - Help

Messaggioda Foto Utenteboggiano » 19 feb 2020, 10:36

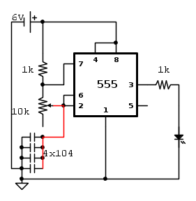
Ciao a tutti,
sto iniziando a studiare il 555 e ho realizzato il seguente circuito, ma non mi tornano i conti.
Dove sbaglio ?

Allego foto del circuito e quello che vedo all' oscilloscopio:



I condensatori ceramici sono marchiati "104", quindi :
104=10*10^{4} pF = 10 * 10^{4} * 10^{-12} F = 10 * 10^{-8} F = 100* 10^{-9} F

La frequenza di uscita dovrebbe essere:
f = \frac{1.4}{(R\, 1+2*R\,2)*C }

quindi se R2 = 10K
f = \frac{1.4}{(10^{3}+2*10*10^{3})*40*10^{-8} } = \frac{1.4}{21*10^{3}*40*10^{-8}}=\frac{1.4}{840*10^{-5}} = 166.67 Hz
Allegati
oscilloscopio_555.jpg
circuito555.jpg
Avatar utente
Foto Utenteboggiano
65 3
New entry
New entry
 
Messaggi: 54
Iscritto il: 27 feb 2019, 16:24

1
voti

[2] Re: 555 Base - Help

Messaggioda Foto UtenteMax2433BO » 19 feb 2020, 11:20

Dalla foto della breadboard sembrerebbe che tu prelevi il valore della resistenza dal cursore, per cui il tuo circuito dovrebbe essere il seguente:



... che valore di frequenza leggi ai due estremi di rotazione del trimmer?
Disapprovo quello che dite, ma difenderò fino alla morte il vostro diritto di dirlo [attribuita a Voltaire]

La gentilezza dovrebbe diventare lo stile naturale della vita, non l'eccezione [Siddhārtha Gautama]
Avatar utente
Foto UtenteMax2433BO
18,6k 4 11 13
G.Master EY
G.Master EY
 
Messaggi: 4724
Iscritto il: 25 set 2013, 16:29
Località: Universo - Via Lattea - Sistema Solare - Terzo pianeta...

0
voti

[3] Re: 555 Base - Help

Messaggioda Foto Utenteboggiano » 19 feb 2020, 12:56

E' un trimmer da 10k e, in effetti, agli estremi leggo proprio 10k. ( che era proprio il valore che avevo settato precedentemente)

Per sicurezza ho anche provato a sostituire il trimmer con un un resistore da 10k, il risultato cambia di poco (adesso vedo un frequenza di 436 Hz) ma ben diversa dai calcoli.

A questo punto, mi viene da pensare che l'oscilloscopio non funzioni bene oppure io non so leggerlo!
Ho collegato l'oscilloscopio direttamente al generatore e il risultato e' in allegato: il valore della frequenza e' completamente sballato.
Allegati
oscilloscopio_sen.jpg
generatore.jpg
Avatar utente
Foto Utenteboggiano
65 3
New entry
New entry
 
Messaggi: 54
Iscritto il: 27 feb 2019, 16:24

1
voti

[4] Re: 555 Base - Help

Messaggioda Foto UtenteMariX » 19 feb 2020, 15:36

"A questo punto, mi viene da pensare che l'oscilloscopio non funzioni bene ... "

L'oscillo sembra funzionare: un ciclo della forma d'onda visualizzata dall'oscilloscopio in [1] è poco meno di 2ms e quindi la sua frequenza sarà poco più alta di 500Hz cosa indicata anche nel display --> freq = 530 Hz.

"Ho collegato l'oscilloscopio direttamente al generatore e il risultato e' in allegato: il valore della frequenza e' completamente sballato"

Quello che è sballato lo si vede in [3] ed è l'asse dei tempi dell'oscilloscopio. Non puoi impostare 5 sec/divisione e pretendere di misurare 1 kHz. L'oscilloscopio sta facendo un errore di aliasing.

Prova a impostare 1 oppure 2 msec/divisione e verifica il risultato.
Avatar utente
Foto UtenteMariX
658 4
Frequentatore
Frequentatore
 
Messaggi: 171
Iscritto il: 14 dic 2016, 23:37

0
voti

[5] Re: 555 Base - Help

Messaggioda Foto Utenteboggiano » 19 feb 2020, 16:35

MariX ha scritto:Quello che è sballato lo si vede in [3] ed è l'asse dei tempi dell'oscilloscopio. Non puoi impostare 5 sec/divisione e pretendere di misurare 1 kHz. L'oscilloscopio sta facendo un errore di aliasing.

Prova a impostare 1 oppure 2 msec/divisione e verifica il risultato.


Hai perfettamente ragione: ho impostato 1 ms/div ed e' perfetto.
Non capisco pero' perche' riuscissi a visualizzare la sinusoide, cosi' bene ( in termini di visuale).
Nella mia ignoranza, pensavo che il valore della frequenza mostrato fosse indipendente dai settaggi

E' evidente che devo studiare meglio l'oscilloscopio ma almeno lui e' fuori dall' equazione! :ok:
Avatar utente
Foto Utenteboggiano
65 3
New entry
New entry
 
Messaggi: 54
Iscritto il: 27 feb 2019, 16:24

3
voti

[6] Re: 555 Base - Help

Messaggioda Foto UtenteBrunoValente » 19 feb 2020, 20:17

Quello che tu chiami oscilloscopio in effetti è un giocattolo con tanti difetti tra i quali quello nel quale sei incappato che ti ha tratto in inganno.

Quell'arnese è digitale, vuol dire che il segnale di ingresso nel percorso all'interno dell'apparecchio ad un certo punto viene convertito da analogico a digitale che è una tecnica in uso da (relativamente) poco tempo e che offre alcuni vantaggi ma che complica non poco le cose e mette in difficoltà anche gli oscilloscopi professionali, figuriamoci quel coso.

Se fosse stato analogico, anche se di tipo molto scadente, non avrebbe presentato quel difetto.

Ti consiglio di sostituire quel parallelo di condensatori ceramici con un solo condensatore al poliestere che abbia una tolleranza almeno del 10%: i ceramici sono molto imprecisi, hanno un valore molto dipendente dalla temperatura e non sono adatti per lavorare in bassa frequenza, soprattutto quando la tensione di segnale ai loro capi è molto ampia (dell'ordine dei volt) se poi sono anche cinesi e a basso costo allora potrebbe trattarsi di scarti di produzione con valori molto fuori tolleranza, quindi ancora molto più imprecisi del normale.
Avatar utente
Foto UtenteBrunoValente
39,6k 7 11 13
G.Master EY
G.Master EY
 
Messaggi: 7796
Iscritto il: 8 mag 2007, 14:48

0
voti

[7] Re: 555 Base - Help

Messaggioda Foto Utentemarioursino » 21 feb 2020, 12:28

Sinceramente non avevo mai visto un aliasing così bello (nella mia ignoranza a quanto pare). Ma un filtro antialiasing è così costoso da mettere?
Avatar utente
Foto Utentemarioursino
5.687 3 9 13
G.Master EY
G.Master EY
 
Messaggi: 1598
Iscritto il: 5 dic 2009, 4:32


Torna a Elettronica generale

Chi c’è in linea

Visitano il forum: Nessuno e 252 ospiti