Cos'è ElectroYou | Login Iscriviti

ElectroYou - la comunità dei professionisti del mondo elettrico

"Azzeramento" casuale display lcd

Elettronica lineare e digitale: didattica ed applicazioni

Moderatori: Foto Utentecarloc, Foto Utenteg.schgor, Foto UtenteBrunoValente, Foto UtenteIsidoroKZ

0
voti

[11] Re: "Azzeramento" casuale display lcd

Messaggioda Foto UtenteWALTERmwp » 6 mar 2020, 0:56

AleEl ha scritto:(...) La scintilla che vedo io, facendo manualmente il contatto, sará la stessa scintilla che viene fatta quando si attiva il relé...
Come posso evitarla la scintilla?
devi documentare il resto del circuito altrimenti tocca fare gli indovini.
Forse ha solo rilevanza in fase di sgancio comunque, se non c'è, ti raccomanderei il diodo per le extra-tensioni, quello in parallelo alla bobina del relé.

Saluti
W - U.H.F.
Avatar utente
Foto UtenteWALTERmwp
30,2k 4 8 13
G.Master EY
G.Master EY
 
Messaggi: 8986
Iscritto il: 17 lug 2010, 18:42
Località: le 4 del mattino

0
voti

[12] Re: "Azzeramento" casuale display lcd

Messaggioda Foto UtenteAleEl » 6 mar 2020, 1:20

pgiagno ha scritto:Bisognerebbe vedere anche il layout del circuito. Come e dove scorrono i fili delle alimentazioni


Dunque, di PCB non ne ho. Il relé é parecchio distante da Arduino, ma non é da solo: ce ne sono 10 di relé, ma non danno alcun problema.
I cavi invece sono raggruppati come in schema: 10 per uno spinotto, e 10 per l'altro, e sono vicini tra loro, e non schermati.

pgiagno ha scritto: Attiva una trappola sul programma con stampa su serial Monitor in caso di esecuzione del setup().


Ho inserito un loop per il lampeggio di un led, ed é sempre rimasto regolare, senza alcun problema. Inoltre é presente un secondo display con I2C, che, se andasse in setup(), verrebbe spenta e riaccesa l'illuminazione, oltre alla nuova scrittura. Escludo quindi a priori che Arduino venga resettato, sono sicuro al 100% che lui continua a lavorare senza alcun problema.

pgiagno ha scritto:La raccomandazione è disaccoppiare le alimentazioni attraverso l'uso di DUE alimentatori differenti. Il comando del PWM è meglio avvenga attraverso optoisolatori, piuttosto che collegando insieme le masse.


Sono giá presenti due alimentatori differenti, entrambi switching, con negativo in comune.
Sinceramente la strada per l'optoisolatore la vorrei tenere per ultima, se possibile, e verificare se non siano altre le cause. Se possibile, ovviamente.

WALTERmwp ha scritto:Immagino che l'alimentazione non sia adeguata ma questo lo puoi indagare solo tu.

Intendi per il negativo in comune?

WALTERmwp ha scritto:Se vuoi procedere per tentativi prova a proteggere Arduino e display, puoi sempre mettere qualche condensatore da 100 nF, al momento altro non saprei.

Sí, preferirei procedere a tentativi. Esattamente dove proporresti di posizionare i condensatori da 100nF?

WALTERmwp ha scritto:devi documentare il resto del circuito altrimenti tocca fare gli indovini.


Hai ragione, tuttavia diventa abbastanza complicato il circuito interno, perció vedró di postarlo il prima possibile.

WALTERmwp ha scritto:Forse ha solo rilevanza in fase di sgancio comunque, se non c'è, ti raccomanderei il diodo per le extra-tensioni, quello in parallelo alla bobina del relé.


Il diodo sulla bobina é presente, in quanto si tratta di un modulo giá pronto per Arduino. Tuttavia il problema non é sulla bobina, ma sui contatti: la scintilla avviene lí.
Avatar utente
Foto UtenteAleEl
782 1 5 13
Sostenitore
Sostenitore
 
Messaggi: 818
Iscritto il: 9 ago 2016, 20:22

0
voti

[13] Re: "Azzeramento" casuale display lcd

Messaggioda Foto UtenteWALTERmwp » 6 mar 2020, 11:15

AleEl ha scritto:(...) Sinceramente la strada per l'optoisolatore la vorrei tenere per ultima, se possibile, e verificare se non siano altre le cause. Se possibile, ovviamente (...)
Io non voglio insistere più di tanto ma nel frattempo che passi di "quà" qualcuno sicuramente più competente di me, riscrivo: devi controllare il comportamento dell'alimentazione che viene "sporcata" alla commutazione.
E' inutile ripetersi.

AleEl ha scritto:(...) Intendi per il negativo in comune? (...)
intendo alimentazione, quindi positivo e negativo, se non vuoi o non puoi indagare separa i circuiti galvanicamente.

AleEl ha scritto:(...) Hai ragione, tuttavia diventa abbastanza complicato il circuito interno, perció vedró di postarlo il prima possibile (...)
forse non serve, basta evidenziare la provenienza delle alimentazioni.
Anche una foto di quello che stai provando potrebbe essere utile.

AleEl ha scritto:(...) Sí, preferirei procedere a tentativi. Esattamente dove proporresti di posizionare i condensatori da 100nF? (...)
tra i pin di alimentazione e lo zero.

AleEl ha scritto:(...) Il diodo sulla bobina é presente, in quanto si tratta di un modulo giá pronto per Arduino. Tuttavia il problema non é sulla bobina, ma sui contatti: la scintilla avviene lí.
si torna a quanto già scritto: come e a cosa è collegato quel contatto.

Saluti
W - U.H.F.
Avatar utente
Foto UtenteWALTERmwp
30,2k 4 8 13
G.Master EY
G.Master EY
 
Messaggi: 8986
Iscritto il: 17 lug 2010, 18:42
Località: le 4 del mattino

0
voti

[14] Re: "Azzeramento" casuale display lcd

Messaggioda Foto Utenteclaudiocedrone » 6 mar 2020, 12:00

Se ho capito bene quel relè interrompe ben 50 V in corrente continua (con quale intensità di corrente non è dato saperlo...) quindi ritengo normale il generarsi di un arco che peraltro rovinerà in poco tempo i contatti del relè mettendolo fuori uso; potrebbe anche darsi che il reset di quel display non avvenga per disturbi sulla alimentazione ma sia magari dovuto alla sensibilità del display a disturbi radiati emessi dall'arco e se così fosse l'unica soluzione sarebbe di sostituire il relè elettromeccanico con uno statico (SSR)...
"Non farei mai parte di un club che accettasse la mia iscrizione" (G. Marx)
Avatar utente
Foto Utenteclaudiocedrone
21,3k 4 7 9
Master EY
Master EY
 
Messaggi: 15302
Iscritto il: 18 gen 2012, 13:36

0
voti

[15] Re: "Azzeramento" casuale display lcd

Messaggioda Foto Utentepgiagno » 6 mar 2020, 12:10

Trattandosi di 50Vcc si potrebbe fare anche con un Mosfet a canale P comandabile direttamente dall'Arduino. Cerca "arduino mosfet canal p".

Ciao,
P.
Avatar utente
Foto Utentepgiagno
503 3 7
Stabilizzato
Stabilizzato
 
Messaggi: 363
Iscritto il: 5 gen 2015, 21:27

0
voti

[16] Re: "Azzeramento" casuale display lcd

Messaggioda Foto UtenteAleEl » 6 mar 2020, 14:14

WALTERmwp ha scritto:devi controllare il comportamento dell'alimentazione che viene "sporcata" alla commutazione.


Perfetto, non ho problemi a farlo. Peró se puoi, devi dirmi come farlo.

WALTERmwp ha scritto: intendo alimentazione, quindi positivo e negativo, se non vuoi o non puoi indagare separa i circuiti galvanicamente.


io voglio indagare per risolvere il problema, e non ho limitazioni nel farlo, dato che ho tutto a portata di mano. Se mi dici cosa serve fare, io lo faccio.

WALTERmwp ha scritto:forse non serve, basta evidenziare la provenienza delle alimentazioni.
Anche una foto di quello che stai provando potrebbe essere utile.


Ora vedo di disegnare il circuito di alimentazione, e poi lo posto

WALTERmwp ha scritto: tra i pin di alimentazione e lo zero.

si torna a quanto già scritto: come e a cosa è collegato quel contatto.


Tra i pin di alimentazione e lo zero di arduino, o di tutte le alimentazioni?

C'é collegato il positivo dei 50 volt, che viene interrotto dal relé. Molto semplicemente: i 50 volt arrivano dall'alimentatore, entrano nel contatto del relé, e poi vanno ai driver dall'altro contatto, Normalmente Aperto. Il relé, ripeto, é un modulo composto da 8 di essi, giá pronto e fatto.
Se serve, invio il link di esempio al prodotto.

claudiocedrone ha scritto:Se ho capito bene quel relè interrompe ben 50 V in corrente continua (con quale intensità di corrente non è dato saperlo...)


Hai capito bene, il relé interrompe il positivo dei 50 volt, che vanno solo ed esclusivamente ai driver led.
La corrente, invece, teoricamente dovrebbe essere pari a zero, e ti dico anche il perché: il relé non l'ho messo lí a caso, anzi. L'ho messo per evitare di tenere sotto tensione i driver, anche quando non serve. Il relé ha il solo compito di attivare l'alimentazione, perché saranno poi i PWM di arduino ad accendere i driver, che accenderanno a loro volta i led. Dico quindi corrente teoricamente uguale a zero perché quando interviene il relé, i driver sono spenti! Per questo ho messo tranquillamente un relé, non mi aspettavo in nessun modo una scintilla di quelle entitá. In funzionamento, invece, i driver arrivano a consumare 3 ampere, con 100% di duty cycle di tutti e 6 i PWM presenti.

claudiocedrone ha scritto: che peraltro rovinerà in poco tempo i contatti del relè mettendolo fuori uso;


E qui concordo con te: per questo l'ho subito "sostituito" con le mie dita, per le prove. Ed é anche per questo che in questo momento so dirvi dell'esistenza di questa scintilla: senza prove, non l'avrei mai saputo.

claudiocedrone ha scritto: potrebbe anche darsi che il reset di quel display non avvenga per disturbi sulla alimentazione ma sia magari dovuto alla sensibilità del display a disturbi radiati emessi dall'arco e se così fosse l'unica soluzione sarebbe di sostituire il relè elettromeccanico con uno statico (SSR)...


Il display é parecchio distante dal relé peró...
Indicativamente, in linea d'aria, quale sarebbe la distanza che potrebbe influire? Perché se con display, intendi anche i cavi di segnale, (e penso proprio di sí), allora la distanza risulta di 15 centimetri scarsi.

pgiagno ha scritto:Trattandosi di 50Vcc si potrebbe fare anche con un Mosfet a canale P comandabile direttamente dall'Arduino.


Ci avevo giá pensato, e avevo anche trovato un mosfet piú o meno corretto per l'utilizzo. Tuttavia, se il problema non fosse la scintilla, ma altro, con il mosfet tamponerei solo un secondo problema, che neanche conosco... E io vorrei invece risolverlo.
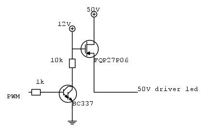
Avevo anche pensato, nel caso dell'utilizzo di un mosfet, di alimentare gradualmente i driver, senza fornire di colpo 50 volt.




Il circuito per l'ipotetica soluzione temporanea a Mosfet. (il mosfet in questione verrebbe cambiato)




Impianto alimentazione (non so se possa servire)
Avatar utente
Foto UtenteAleEl
782 1 5 13
Sostenitore
Sostenitore
 
Messaggi: 818
Iscritto il: 9 ago 2016, 20:22

0
voti

[17] Re: "Azzeramento" casuale display lcd

Messaggioda Foto UtenteAleEl » 6 mar 2020, 17:37

Per prova ho voluto sostituire i driver con un semplice diodo led blu in serie ad una resistenza da 3,3k ohm.
Al posto del relè, c'ero sempre io a mettere assieme i due cavi.
Al primo colpo, il display non si è resettato ed ha continuato a funzionare. Insistendo, continuando a far toccare i cavi per accendere e spegnere il LED, il display ha dato problemi, ma non si è "resettato": stampava in modo errato i caratteri, e si bloccava.

Questa cosa, dello stampare in modo errato i caratteri e bloccarsi, capita anche se alimento prima l'alimentatore da 12 volt, e successivamente quello da 50 volt.
Avatar utente
Foto UtenteAleEl
782 1 5 13
Sostenitore
Sostenitore
 
Messaggi: 818
Iscritto il: 9 ago 2016, 20:22

0
voti

[18] Re: "Azzeramento" casuale display lcd

Messaggioda Foto UtenteAleEl » 7 mar 2020, 15:28

Nessuna idea?
Avatar utente
Foto UtenteAleEl
782 1 5 13
Sostenitore
Sostenitore
 
Messaggi: 818
Iscritto il: 9 ago 2016, 20:22

0
voti

[19] Re: "Azzeramento" casuale display lcd

Messaggioda Foto Utentepgiagno » 7 mar 2020, 19:07

Mi concentrerei sulle connessioni al display. Vedo una linea RS che dovrebbe essere il reset. Non so come dev'essere collegata (Vcc o GND), ma potrebbe essere un disturbo su quella linea a determinare l'"azzeramento".

Se invii un comando di reset su quella linea ottieni lo stesso risultato del malfunzionamento con lo scintillone?

Ciao,
P.
Avatar utente
Foto Utentepgiagno
503 3 7
Stabilizzato
Stabilizzato
 
Messaggi: 363
Iscritto il: 5 gen 2015, 21:27

0
voti

[20] Re: "Azzeramento" casuale display lcd

Messaggioda Foto UtenteAleEl » 7 mar 2020, 19:25

pgiagno ha scritto:Se invii un comando di reset su quella linea ottieni lo stesso risultato del malfunzionamento con lo scintillone?


Non lo so, posso provare.
Purtroppo non trovo la scheda tecnica del display, quindi non saprei neanche dirti se é attiva bassa o alta. L'unica soluzione é provare, e sperare di non far danni.
Avatar utente
Foto UtenteAleEl
782 1 5 13
Sostenitore
Sostenitore
 
Messaggi: 818
Iscritto il: 9 ago 2016, 20:22

PrecedenteProssimo

Torna a Elettronica generale

Chi c’è in linea

Visitano il forum: Nessuno e 29 ospiti