Limitatore di corrente
Moderatori:
g.schgor,
IsidoroKZ
44 messaggi
• Pagina 1 di 5 • 1, 2, 3, 4, 5
0
voti
Salve a tutti, è da un po' che non scrivo qui sul forum ma vi seguo molto spesso, ora nei giorni di stop mi trovo a rispolverare dei vecchi progetti che mi piacerebbe portare a termine. Tra questi vi è un generatore che mi sputa fuori 14VDC e quasi 40A che uso per alcune applicazioni navali, avevo fatto un limitatore di corrente con dei mosfet ma scaldava molto e alla fine ha ceduto, mi sono sempre riproposto di farne uno nuovo con magari una tecnologia più moderna e qualche protezione. Ora vi chiedo se avete qualcosa di già pronto o magari da estrapolare da qualche alimentatore da laboratorio, vorrei semplicemente regolare e limitare la corrente in uscita lasciando invariata la tensione per un range che vada da 0 a 25A circa. Potete aiutarmi?
0
voti
Vuoi una limitazione
- rettangolare? (linea rossa)
- foldback? (linea celeste)
- rettangolare? (linea rossa)
- foldback? (linea celeste)
0
voti
E' un alimentatore stabilizzato con regolazione lineare o switching ?
Pubblica lo schema elettrico dell'alimentatore, meglio sa in fidocadj
Visualizza lo schema elettrico dell'alimentatore.
Per questo livello di potenza (300 w ), forse è meglio una protezione elettronica per cui al supero di una data corrente l'alimentatore smette di erogare tensione. Il ripristino deve avvenire con un pulsante di reset oppure spegnendo e riaccendendo l'alimentatore.
Pubblica lo schema elettrico dell'alimentatore, meglio sa in fidocadj
Visualizza lo schema elettrico dell'alimentatore.
Per questo livello di potenza (300 w ), forse è meglio una protezione elettronica per cui al supero di una data corrente l'alimentatore smette di erogare tensione. Il ripristino deve avvenire con un pulsante di reset oppure spegnendo e riaccendendo l'alimentatore.
0
voti
Non è un'alimentatore ma un generatore a motore con uscita raddrizzata e stabilizzata. L'uscita a 14Vdc è lineare e andava a ricaricare una batteria da 150Ah che faceva da tampone. La ricarica non è PWM o elettronica ma una brutale tensione fissa. Era utilizzato in cantiere per le idropompe
0
voti
Lo feci son il mio vicino di casa (perito elettronico) su basetta volante che è diventata un cumulo di componenti appiccicati dopo il misfatto, potrei provare a replicare lo schema a memoria ma erano semplicemente 4 mosfet in parallelo con i gate controllati da un NPN. Senza regolazione continua della corrente come vorrei fare adesso.
Vista la finaccia della vecchia configurazione vorrei se possibile introdurre delle protezioni.
Vista la finaccia della vecchia configurazione vorrei se possibile introdurre delle protezioni.
2
voti
La regolazione foldback lascia inalterata la tensione in uscita finche' la corrente e' inferiore a quella di limitazione.
Non riesce ad erogare la corrente massima a tensioni inferiori a quella nominale.
Se tu non hai necessita' di erogare 25 A a, ad es, 8 V (ma solo a 14 V) allora la regolazione foldback e' adatta alle tue esigenze.
Con la regolazione foldback le esigenze di dissipazione sul regolatore diminuiscono di molto - nel nostro caso si passa da 350 W a 88 W.
Una potenza da dissipare dell'ordine di 100 W e' gestibile scegliendo opportunamente semiconduttori e principalmente il dissipatore (magari raffreddato con un ventilatore)
Uno schema di principio e' quello in figura dove Rs e' la resistenza che "imposta" la limitazione.
Scegliendo tra le due topologie di circuito (con e senza zener) puoi ottenere una delle due curve in verde
Non riesce ad erogare la corrente massima a tensioni inferiori a quella nominale.
Se tu non hai necessita' di erogare 25 A a, ad es, 8 V (ma solo a 14 V) allora la regolazione foldback e' adatta alle tue esigenze.
Con la regolazione foldback le esigenze di dissipazione sul regolatore diminuiscono di molto - nel nostro caso si passa da 350 W a 88 W.
Una potenza da dissipare dell'ordine di 100 W e' gestibile scegliendo opportunamente semiconduttori e principalmente il dissipatore (magari raffreddato con un ventilatore)
Uno schema di principio e' quello in figura dove Rs e' la resistenza che "imposta" la limitazione.
Scegliendo tra le due topologie di circuito (con e senza zener) puoi ottenere una delle due curve in verde
0
voti
elfo ha scritto:Se tu non hai necessita' di erogare 25 A a, ad es, 8 V (ma solo a 14 V) allora la regolazione foldback e' adatta alle tue esigenze.
Perdonami elfo il grafico lo avevo letto in maniera sbagliata, pensavo che a metà corrente erogabile corrispondesse metà tensione. Nello schema postato sostituendo Rs con un Potenziometro potrei avere una regolazione continua della corrente di limitazione giusto?
0
voti
Come ti avevo scritto lo schema e' di principio.
In teoria dovresti mettere un pot come Rs per regolare la corrente ma la Potenza richiesta sarebbe:
P= 0.6 * 25 = 15 W
che e' impoponibile (trascurando altri "problemini")
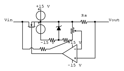
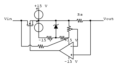
Uno schema piu' "probabile" (ma sempre di principio, perche' a questi livelli di corrente il diavolo e' nei dettagli) e' nella figura qui sotto.
Il punto piu' "uggioso" e che ti occorre un alimentore "separato" da +/- 15 V pochi mA(potrebbe essere anche un DC/DC converter isolato ingresso + 12V uscita +/-15 V)
Se il tutto ti intriga possiamo provare a dimensionare il tutto.
In teoria dovresti mettere un pot come Rs per regolare la corrente ma la Potenza richiesta sarebbe:
P= 0.6 * 25 = 15 W
che e' impoponibile (trascurando altri "problemini")
Uno schema piu' "probabile" (ma sempre di principio, perche' a questi livelli di corrente il diavolo e' nei dettagli) e' nella figura qui sotto.
Il punto piu' "uggioso" e che ti occorre un alimentore "separato" da +/- 15 V pochi mA(potrebbe essere anche un DC/DC converter isolato ingresso + 12V uscita +/-15 V)
Se il tutto ti intriga possiamo provare a dimensionare il tutto.
44 messaggi
• Pagina 1 di 5 • 1, 2, 3, 4, 5
Torna a Elettrotecnica generale
Chi c’è in linea
Visitano il forum: Nessuno e 85 ospiti

Elettrotecnica e non solo (admin)
Un gatto tra gli elettroni (IsidoroKZ)
Esperienza e simulazioni (g.schgor)
Moleskine di un idraulico (RenzoDF)
Il Blog di ElectroYou (webmaster)
Idee microcontrollate (TardoFreak)
PICcoli grandi PICMicro (Paolino)
Il blog elettrico di carloc (carloc)
DirtEYblooog (dirtydeeds)
Di tutto... un po' (jordan20)
AK47 (lillo)
Esperienze elettroniche (marco438)
Telecomunicazioni musicali (clavicordo)
Automazione ed Elettronica (gustavo)
Direttive per la sicurezza (ErnestoCappelletti)
EYnfo dall'Alaska (mir)
Apriamo il quadro! (attilio)
H7-25 (asdf)
Passione Elettrica (massimob)
Elettroni a spasso (guidob)
Bloguerra (guerra)







