Cos'è ElectroYou | Login Iscriviti

ElectroYou - la comunità dei professionisti del mondo elettrico

Esercizio - Potenza Attiva e Reattiva

Elettronica lineare e digitale: didattica ed applicazioni

Moderatori: Foto Utentecarloc, Foto Utenteg.schgor, Foto UtenteBrunoValente, Foto UtenteIsidoroKZ

1
voti

[1] Esercizio - Potenza Attiva e Reattiva

Messaggioda Foto UtenteDavide9792 » 27 mar 2020, 16:23

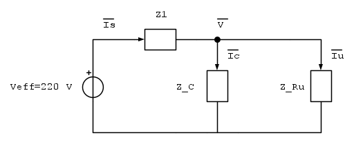
Ciao a tutti di ElectroYou, posto il seguente esercizio:



Calcolare la potenza attiva della resistenza R_u, la potenza reattiva del condensatore C e la corrente \overline{I_s}

Calcoli:

f = 50 Hz \Rightarrow w=100\pi \frac{rad}{s}
Z_{R_u} = 4 \Omega
Z_{C} = -j3,18 \Omega
Z_{1} = 1+j0,3 \Omega



Applico Millman al nodo superiore

\overline{V} = \frac{\frac{V_{eff}}{Z_1} }{\frac{1}{ Z_{R_u}} + \frac{1}{ Z_1} + \frac{1}{ Z_c}} \approx 160-j53,4 \ V

|\overline{V}| \approx 169 V

\phi \approx  -18,4°

\overline{V}| \approx 169 V

\overline{I_u} \approx \frac{\overline{V}}{Z_{Ru}} = 40 -j13,3 = 42,25e^{-j18,4}

\overline{I_C} \approx \frac{\overline{V}}{Z_{C}} = 16,8+j50,3 = 53e^{j71,5,}

P_R =  \frac{|\overline{V}|^2}{R} \approx 7140 W

Q_C =  -wC|\overline{V}|^2  \approx -8973 var

Applico il IK al nodo

\overline{I_s} = \overline{I_C} + \overline{I_u} = 56,8+j37 = 67,8e^{j33} A

Se potreste fare una revisione dell'esercizio mi sarebbe davvero d'aiuto, inoltre ho un dubbio sul calcolo della \overline{I_s}
Avatar utente
Foto UtenteDavide9792
30 5
 
Messaggi: 32
Iscritto il: 25 apr 2018, 9:00

4
voti

[2] Re: Esercizio - Potenza Attiva e Reattiva

Messaggioda Foto Utenteg.schgor » 27 mar 2020, 18:22

Rivedi Iu (e di conseguenza il resto)
Avatar utente
Foto Utenteg.schgor
57,8k 9 12 13
G.Master EY
G.Master EY
 
Messaggi: 16971
Iscritto il: 25 ott 2005, 9:58
Località: MILANO

1
voti

[3] Re: Esercizio - Potenza Attiva e Reattiva

Messaggioda Foto UtenteDavide9792 » 27 mar 2020, 18:44

Errore di battitura: Z_{R_u} = 3.


\overline{V} = 160-j53,4 = 169e^{-j18,4}

\overline{I_u} = \frac{160-j53,4}{3} = 53,3-j17,8 \approx 56,2e^{-j18,4}

Se è corretto procedo ad aggiustare i risultati, grazie per il tuo aiuto! :D
Avatar utente
Foto UtenteDavide9792
30 5
 
Messaggi: 32
Iscritto il: 25 apr 2018, 9:00

1
voti

[4] Re: Esercizio - Potenza Attiva e Reattiva

Messaggioda Foto Utenteg.schgor » 27 mar 2020, 21:37

S'ì, ora è corretto, eccetto il fasore (l'esponente non è in gradi ma in radianti)
Avatar utente
Foto Utenteg.schgor
57,8k 9 12 13
G.Master EY
G.Master EY
 
Messaggi: 16971
Iscritto il: 25 ott 2005, 9:58
Località: MILANO

0
voti

[5] Re: Esercizio - Potenza Attiva e Reattiva

Messaggioda Foto UtenteDavide9792 » 28 mar 2020, 9:49

Il vostro lavoro sul forum è prezioso!

\overline{I_u} = 53,3 -j17,8 \approx 56,2/-18,4° = 56,2 e^{-j0,32}

\overline{I_c} = 5,6 +j16,7 \approx 17,6/71,4° = 17,6 e^{j1,25}

P_R \approx 9520 W

Q_C \approx -8973 var

\overline{I_s} = 58,9 -j1,1 \approx 58,9/-1,07° = 58,9 e^{-j0,02}

Avrei una domanda sul fasore \overline{I_s}, se non volessi commettere errori di fase dovrei calcolarlo prima in forma algebrica(sommando \overline{I_C} e \overline{I_u}) e in seguito passare a quella esponenziale/polare??
Avatar utente
Foto UtenteDavide9792
30 5
 
Messaggi: 32
Iscritto il: 25 apr 2018, 9:00

0
voti

[6] Re: Esercizio - Potenza Attiva e Reattiva

Messaggioda Foto UtenteDavide9792 » 28 mar 2020, 10:31

Una delle tante sviste con tutti questi numeri, correggo:

\overline{I_C} = 17+j50,3 = 53/71,3° = 53e^{j1,24}


\overline{I_S} = 70,3+j32,5 = 77,4/24,8° = 77,4e^{j0,43}
Avatar utente
Foto UtenteDavide9792
30 5
 
Messaggi: 32
Iscritto il: 25 apr 2018, 9:00

1
voti

[7] Re: Esercizio - Potenza Attiva e Reattiva

Messaggioda Foto Utenteg.schgor » 28 mar 2020, 10:47

:ok: ora sono corretti!
Avatar utente
Foto Utenteg.schgor
57,8k 9 12 13
G.Master EY
G.Master EY
 
Messaggi: 16971
Iscritto il: 25 ott 2005, 9:58
Località: MILANO


Torna a Elettronica generale

Chi c’è in linea

Visitano il forum: Majestic-12 [Bot] e 52 ospiti