Consigli quadro elettrico
Moderatori:
sebago,
MASSIMO-G,
lillo,
Mike
49 messaggi
• Pagina 3 di 5 • 1, 2, 3, 4, 5
0
voti
non è questione di timbro,ma anche di conoscenza..se vuole affidarsi ad un progettista che ben venga..qui il discorso è che ha chiesto delle informazioni e in questo forum ci sono persone in grado di rispondere a queste...
0
voti
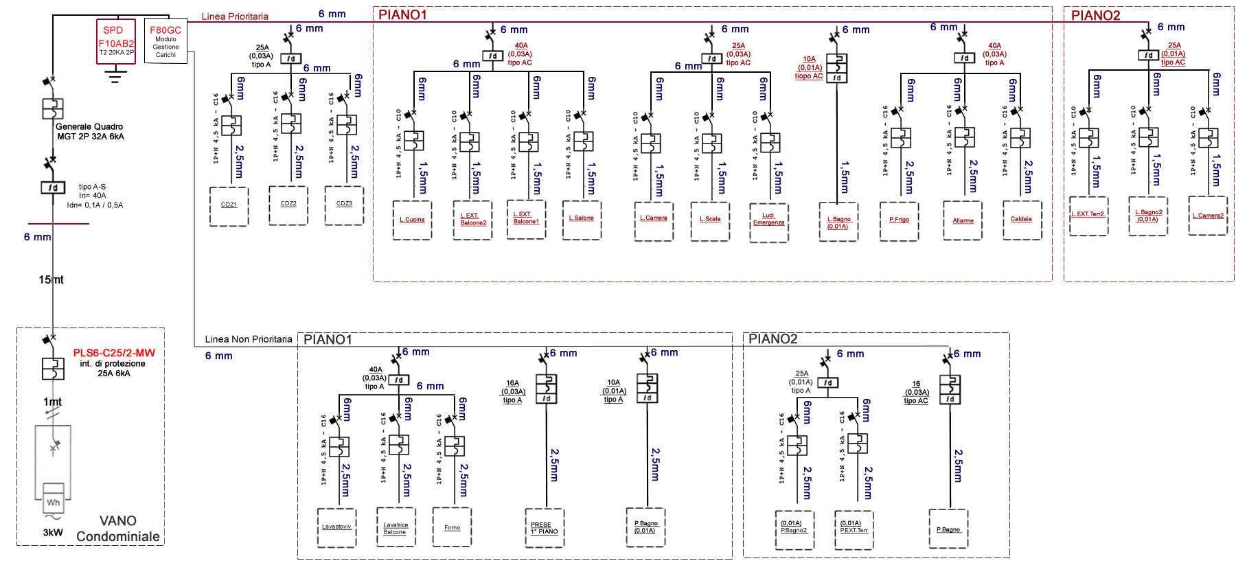
Giovanni123 ha scritto:Liano ha scritto:Suggeriresti di modificare i differenziali da 25A con differenziali da 40a dove la somma dei MGN è superiore a 25 ?
Io ti suggerirei di si. E' vero che la fornitura è da 3 kW e a 25A continui non ci arriverai mai, ma bisogna fare alcune considerazioni: come dicevano altri utenti, la CEI64-8 dice di dimensionare gli impianti per almeno 6 kW, quindi a monte metteresti un MT da 32A e non saresti coordinato con i differenziali puri da 25A.
In alternativa potresti sostituirli con dei MTD da 25A - 30mA, che forse costano quanto un differenziale puro da 40A.
Per quello a monte lascialo pure da 300mA. Non mi sembra giustificato l'utilizzo di un 100mA, visto che comunque hai fatto largo uso di differenziali da 30mA![]()
Altre 3 cose:
- linea frigo MT 16A e linea da 1,5mm².... cambiala e metti 2,5mm², oppure un MT da 10A che tanto ti basterà.
- Non vedo forno e piani cottura, è tutto a gas?
- Sulla linea SPD metti un portafusibili, ti permetterà di garantire la continuità di servizio in caso di usura, oltre a prevenire il danneggiamento in caso ci sia troppa I²t durante la scarica (l'ho detto in parole molto povere, non sono un bravo insegnante).
Grazie per i consigli Giovanni, nello scarabocchio "di schema" ho dimenticato di mettere il forno (al posto delle luci di emergenza) e il cavo da 2,5mm per il frigo (che in realtà già c'è).
Danielino ha scritto:Se posso permettermi: fai verificare il tutto ad un progettista, che possa metterti un bel timbro. E poi, fai fare il lavoro a chi potrà poi prendersi la risponsabilità.
Lungi da me il giudicare le competenze ma si sta tuttavia parlando di un intero impianto rifatto da zero, con variabili e dettagli da rispettare.
Ti capisco eh .. siamo del mestiere e tante cose preferiamo farcele "da noi"; ritengo però che ci siano dei limiti, specialmente a livello di sicurezza, che è opportuno non oltrepassare.
Quattro anni fa ho sostituito i dischi dei freni della macchina, dopo aver guardato 6 o 7 video sul tubo. Risultato?
1) Lavoro fatto benissimo, con perizia e precisione, come solo il proprietario dell'auto saprebbe fare.
2) Nessun problema funzionale, tutto regolare.
3) PENTIMENTO ASSOLUTO. Ho guidato per 4 anni con il "patema" di aver sottovalutato qualcosa, di aver fatto male qualcosa o non averla proprio fatta, con tutti i rischi del caso (faccio 40.000km all'anno).
4) Il mese scorso, ho cambiato i dischi portando la macchina dal meccanico.
Scusa l'OT, ma era per spiegarti cosa intendo ...
Grazie Danielino
gianzap ha scritto:non è questione di timbro,ma anche di conoscenza..se vuole affidarsi ad un progettista che ben venga..qui il discorso è che ha chiesto delle informazioni e in questo forum ci sono persone in grado di rispondere a queste...
Sì Gianzap, sinceramente non mi aspettavo così tanti consigli, credo che un forum serva anche a questo. Poi è chiaro che con la corrente non si deve scherzare neanche per scherzo
0
voti
gianzap ha scritto:qui il discorso è che ha chiesto delle informazioni e in questo forum ci sono persone in grado di rispondere a queste...
Certo, assolutamente concordo con te e, per quelle che sono le mie competenze, sono contento di contribuire, anzi, contentisimo .. ma converrai con me il forum non possa sostituirsi ad un professionista (per quanto la persona possa essere la stessa identica). Per quanto mi riguarda la trovo una questione di ruoli e di rispetto per questi ... ma non voglio scadere nel moralismo poiché non mi rappresenta.
Detto questo, con la massima tranquillità, io ho solamente dato un consiglio; come tale può essere considerato o, al contrario, completamente ignorato. Non mi offendo eh ..
gianzap ha scritto:se noi tecnici non siamo in grado di dimensionare un impianto del genere allora meglio dedicarsi a qualcos'altro...
ah, giusto per far due risate e smorzare la questione:
io sono un tecnico e mi ritengo tale, lavoro in un reparto di manutenzione elettrostrumentale da 10 anni, ho gavettato per anni a cablare quadri, disegno schemi elettrici, preparo specifiche, ma non sono un progettista ne ho le conoscenze di un progettista. Che devo fare? Dedicarmi ad altro?

[Studiamoci il problema, non peggioriamo la situazione tirando ad indovinare.]
[Non mi interessa per cosa è stato progettato, mi interessa che cosa può fare!]
[Non mi interessa per cosa è stato progettato, mi interessa che cosa può fare!]
0
voti
Niente di offensivo,mi riferivo al forum in generale visto gli argomenti trattati.. magari dietro i messaggi potrò sembrare antipatico e offensivo ma in realtà cerco solo di essere diretto e sincero...tratti ormai rari..poi c'è il bonismo e i convenevoli che mascherano altre intenzioni..mi fa piacere che non ti offendi visto che il forum serve a discutere.. riguardo il lato tecnico ognuno di noi conosce il suo percorso..e le sue conoscenze e condividerle è bello
0
voti
Gente, giusto per dare la mia modesta opinione in quanto ex progettista, con un piccolo bagaglio di esperienza:
1) Qui nel forum ci si può limitare a dare dei consigli. Chi chiede aiuto deve essere consapevole del fatto che ci si deve affidare a professionisti e artigiani prima di fare i lavori. Solo loro possono assumersi la responsabilità delle opere e rilasciarti la conformità. Io stesso sarei in grado di farmi da cima a fondo un impianto elettrico per casa mia, ma sarei consapevole che non sarebbe comunque a norma perché non posso dichiararne la conformità, in quanto IO non sono autorizzato. Dovrò comunque affidarmi a un esecutore, ma avendo le dovute conoscenze di impiantistica e normativa (imparate a scuola, sul campo o sul forum stesso) posso controbattere se l'elettricista o il progettista di turno mi spara boiate.
2) Riguardo ai differenziali, c'è la buona regola di dimensionarli con un coefficiente di 3. Il che significa che il differenziale a monte deve avere corrente Idn almeno 3 volte superiore di quello a valle. Altrimenti si rischia che intervengano in contemporanea.
Il fatto di sconsigliare un differenziale da 100mA come generale dopo il contatore, deriva dal fatto che ne ho visti di impianti dove "la signora Maria" si lamentasse di dover andare a tirare su l'interruttore al vano contatori sulla strada, di sera, in inverno, magari sotto la pioggia e in pigiama. Se i circuiti finali di ogni utenza sono protetti da differenziali da 30mA, puoi benissimo metterne uno molto meno sensibile (anche 500mA) a monte, perché non ci sarà da garantire la protezione dei contatti indiretti nell'abitazione tramite quell'interruttore
.
Cosa diversa negli impianti industriali, dove si hanno più quadri in cascata, che richiedono una certa selettività di protezioni.

1) Qui nel forum ci si può limitare a dare dei consigli. Chi chiede aiuto deve essere consapevole del fatto che ci si deve affidare a professionisti e artigiani prima di fare i lavori. Solo loro possono assumersi la responsabilità delle opere e rilasciarti la conformità. Io stesso sarei in grado di farmi da cima a fondo un impianto elettrico per casa mia, ma sarei consapevole che non sarebbe comunque a norma perché non posso dichiararne la conformità, in quanto IO non sono autorizzato. Dovrò comunque affidarmi a un esecutore, ma avendo le dovute conoscenze di impiantistica e normativa (imparate a scuola, sul campo o sul forum stesso) posso controbattere se l'elettricista o il progettista di turno mi spara boiate.
2) Riguardo ai differenziali, c'è la buona regola di dimensionarli con un coefficiente di 3. Il che significa che il differenziale a monte deve avere corrente Idn almeno 3 volte superiore di quello a valle. Altrimenti si rischia che intervengano in contemporanea.
Il fatto di sconsigliare un differenziale da 100mA come generale dopo il contatore, deriva dal fatto che ne ho visti di impianti dove "la signora Maria" si lamentasse di dover andare a tirare su l'interruttore al vano contatori sulla strada, di sera, in inverno, magari sotto la pioggia e in pigiama. Se i circuiti finali di ogni utenza sono protetti da differenziali da 30mA, puoi benissimo metterne uno molto meno sensibile (anche 500mA) a monte, perché non ci sarà da garantire la protezione dei contatti indiretti nell'abitazione tramite quell'interruttore
.Cosa diversa negli impianti industriali, dove si hanno più quadri in cascata, che richiedono una certa selettività di protezioni.

-

Giovanni123
502 1 3 6 - Sostenitore

- Messaggi: 606
- Iscritto il: 5 mag 2017, 9:05
0
voti
Liano ha scritto:Buonasera a tutti...
buongiorno a te!
la mia prima considerazione è che.... hai soldi da spendere
la mia seconda considerazione è che.... li stai spendendo male
con spendendo male non voglio dire che stai sbagliando o infrangendo la regola dell'arte, ma solo che li avrei spesi diversamente.
innanzitutto eliminerei quei differenziali puri, i quali per essere protetti da un seppur remoto sovraccarico dovrebbero essere da 40 A (so che hai solo 3 kW, ma io ragiono in maniera assoluta);
vedo una quantità enorme di circuiti luce, addirittura uno per stanza...degustibus;
non capisco l'emergenza sotto lo stesso differenziale del frigo...ma anche qui degustibus;
il carico elettrico della caldaia non dovrebbe essere tale da richiedere un 16 A e la conseguente linea da 2,5 mm²; poi però porti un 1,5 mm² al frigo...
sento parlare del differenziale al sottocontatore, ma sono sicuro al 98,4 % che non ha masse fino al quadro generale.
vedo due magnetotermici in cascata tra contatore e quadro generale: potresti usare un sezionatore come generale nel quadro di appartamento;
sicuro che con quei 3 condizionatori, forno, frigo e compagnia bella quei 3 kW siano sufficienti?
in merito alla caduta di tensione:
i valori normativi sono consigliati, quindi in realtà non sono obbligatori. in impianti ben più complessi in accordo con il committente ho visto cadute di tensione ben peggiori del 4%, e tutto funzionava regolarmente.
in secondo luogo per un appartamento civile sviluppato su due piani, la caduta di tensione è l'ultimo dei problemi, a meno che questi due piani non siano il 130° e il 131° del Burj Khalifa.
0
voti
Consigliato nella linea principale non proprio,poi quella generale del 4% è consigliata non nel depliant della Crai ma dalle norme CEI... magari se le testoline che ci hanno lavorato hanno deciso di scrivere questi "consigli" qualche motivo ci sarà.. seconda cosa il differenziale non serve solo con le masse...se io ipoteticamente ho un guasto verso terra nella linea principale quale dispositivo che consigli tu interviene?nessuno...per il resto ok
0
voti
gianzap ha scritto:seconda cosa il differenziale non serve solo con le masse...se io ipoteticamente ho un guasto verso terra nella linea principale quale dispositivo che consigli tu interviene?nessuno...
Se non ci sono masse come fai ad avere un guasto a terra?
E, come fanno molti docenti, potresti farmi l'esempio del topolino dentro ad un ipotetica scatola o pozzetto
di derivazione; in questo caso, come rispondo sempre, se il roditore taglia i cavi di una conduttura classe II e tocca le 2 fasi (o fase-neutro) deve intervenire la protezione per il cortocircuito, non quella per i contatti indiretti.
Comunque in caso di guasto a terra, che il differenziale sia da 30mA o da 1A interverrà lo stesso, purché la resistenza del circuito di protezione sia tale da farlo intervenire.
-

Giovanni123
502 1 3 6 - Sostenitore

- Messaggi: 606
- Iscritto il: 5 mag 2017, 9:05
0
voti
Allego un nuovo schema
...il motivo per cui ho esasperato lo schema all'eccesso è proprio per capire se questo tipo di schema può andare bene ed anche per capire se i vari preventivi che ho ricevuto corrispondo al vero
L'impianto è punto - punto, non ci sono scatole di derivazione ma tutto partirà dal quadro generale con "morsettiere" .
Grazie
lillo ha scritto:Liano ha scritto:Buonasera a tutti...
buongiorno a te!
la mia prima considerazione è che.... hai soldi da spendere
la mia seconda considerazione è che.... li stai spendendo male![]()
L'impianto è punto - punto, non ci sono scatole di derivazione ma tutto partirà dal quadro generale con "morsettiere" .
Grazie
0
voti
Come gestisci le prese di servizio? Insomma, per attaccare l'aspirapolvere o il ferro da stiro .. Vedo un solo interruttore "Prese 1°piano". E al 2°?
[Studiamoci il problema, non peggioriamo la situazione tirando ad indovinare.]
[Non mi interessa per cosa è stato progettato, mi interessa che cosa può fare!]
[Non mi interessa per cosa è stato progettato, mi interessa che cosa può fare!]
49 messaggi
• Pagina 3 di 5 • 1, 2, 3, 4, 5
Torna a Impianti, sicurezza e quadristica
Chi c’è in linea
Visitano il forum: Nessuno e 68 ospiti

Elettrotecnica e non solo (admin)
Un gatto tra gli elettroni (IsidoroKZ)
Esperienza e simulazioni (g.schgor)
Moleskine di un idraulico (RenzoDF)
Il Blog di ElectroYou (webmaster)
Idee microcontrollate (TardoFreak)
PICcoli grandi PICMicro (Paolino)
Il blog elettrico di carloc (carloc)
DirtEYblooog (dirtydeeds)
Di tutto... un po' (jordan20)
AK47 (lillo)
Esperienze elettroniche (marco438)
Telecomunicazioni musicali (clavicordo)
Automazione ed Elettronica (gustavo)
Direttive per la sicurezza (ErnestoCappelletti)
EYnfo dall'Alaska (mir)
Apriamo il quadro! (attilio)
H7-25 (asdf)
Passione Elettrica (massimob)
Elettroni a spasso (guidob)
Bloguerra (guerra)





